Position: Home > Circuit Diagram > Automotive Circuit > Index 124
Low Cost Custom Prototype PCB Manufacturer

Automotive Circuit

Index 124



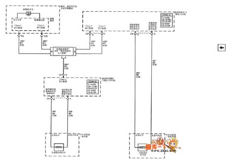
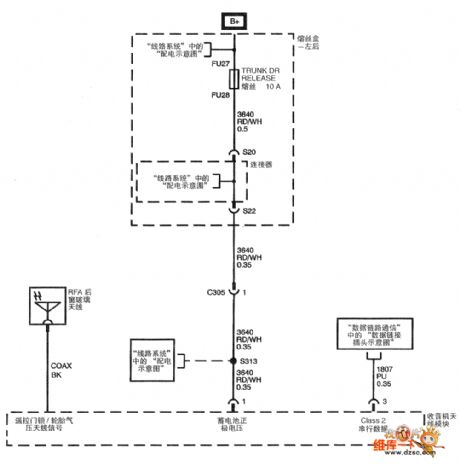
Shanghai GM Cadillac CTS Car Central Door Lock Circuit (1)

Published:2011/4/20 6:50:00 Author:Robert | Keyword: Shanghai GM, Cadillac, CTS, Central Door Lock

Shanghai GM Cadillac CTS Car Central Door Lock Circuit (1)
  (View)

View full Circuit Diagram | Comments | Reading(608)

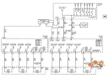
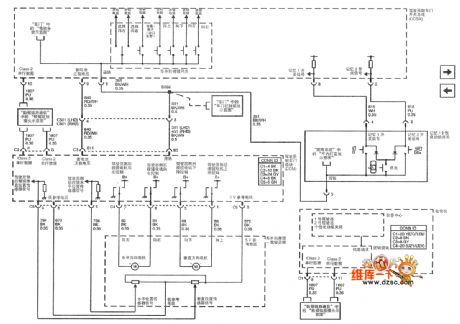
Shanghai GM Cadillac CTS Car Central Door Lock Circuit (2)

Published:2011/4/20 6:49:00 Author:Robert | Keyword: Shanghai GM, Cadillac, CTS, Central Door Lock

Shanghai GM Cadillac CTS Car Central Door Lock Circuit (2)
  (View)

View full Circuit Diagram | Comments | Reading(630)

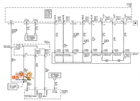
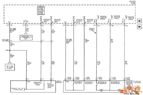
Shanghai GM Cadillac CTS Car Central Door Lock Circuit (3)

Published:2011/4/20 6:48:00 Author:Robert | Keyword: Shanghai GM, Cadillac, CTS, Central Door Lock

Shanghai GM Cadillac CTS Car Central Door Lock Circuit (3)
  (View)

View full Circuit Diagram | Comments | Reading(553)

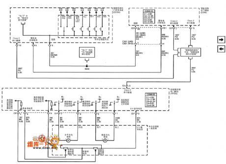
Shanghai GM Cadillac CTS Car Central Door Lock Circuit (4)

Published:2011/4/20 6:47:00 Author:Robert | Keyword: Shanghai GM, Cadillac, CTS, Central Door Lock

Shanghai GM Cadillac CTS Car Central Door Lock Circuit (4)
  (View)

View full Circuit Diagram | Comments | Reading(508)

Buick Century Car Keyless Door System Circuit (1)

Published:2011/4/20 6:53:00 Author:Robert | Keyword: Buick Century, Keyless Door System

Buick Century Car Keyless Door System Circuit (1)
  (View)

View full Circuit Diagram | Comments | Reading(512)

Buick Century Car Keyless Door System Circuit (2)

Published:2011/4/20 6:52:00 Author:Robert | Keyword: Buick Century, Keyless Door System,

Buick Century Car Keyless Door System Circuit (2)
  (View)

View full Circuit Diagram | Comments | Reading(503)

Buick Century Car Anti-Theft System Circuit

Published:2011/4/20 7:06:00 Author:Robert | Keyword: Buick Century, Anti-Theft System

Buick Century Car Anti-Theft System Circuit
  (View)

View full Circuit Diagram | Comments | Reading(730)

Buick Century Car Defroster Circuit

Published:2011/4/20 7:05:00 Author:Robert | Keyword: Buick Century, Defroster

Buick Century Car Defroster Circuit
  (View)

View full Circuit Diagram | Comments | Reading(616)

Buick Century Car Auto Day-Night Mirror Circuit

Published:2011/4/20 7:03:00 Author:Robert | Keyword: Buick Century, Auto Day-Night Mirror

Buick Century Car Auto Day-Night Mirror Circuit
  (View)

View full Circuit Diagram | Comments | Reading(516)

Shanghai GM Cadillac CTS Car Central Door Lock Circuit (5)

Published:2011/4/20 6:47:00 Author:Robert | Keyword: Shanghai GM, Cadillac, CTS, Central Door Lock

Shanghai GM Cadillac CTS Car Central Door Lock Circuit (5)
  (View)

View full Circuit Diagram | Comments | Reading(619)

Buick Century Car Electric Window Circuit(1)

Published:2011/4/20 6:43:00 Author:Robert | Keyword: Buick Century, Electric Window

Buick Century Car Electric Window Circuit(1)
  (View)

View full Circuit Diagram | Comments | Reading(808)

Buick Century Car Electric Window Circuit(2)

Published:2011/4/20 6:42:00 Author:Robert | Keyword: Buick Century, Electric Window

Buick Century Car Electric Window Circuit(2)
  (View)

View full Circuit Diagram | Comments | Reading(679)

Shanghai GM Cadillac CTS Rear-View Mirror Circuit(1)

Published:2011/4/20 6:27:00 Author:Robert | Keyword: Shanghai GM, Cadillac, CTS, Rear-View Mirror

Shanghai GM Cadillac CTS Rear-View Mirror Circuit(1)
  (View)

View full Circuit Diagram | Comments | Reading(617)

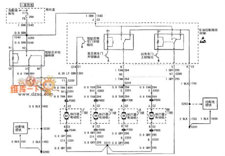
Buick Century Car Door Lock Circuit(1)

Published:2011/4/20 6:40:00 Author:Robert | Keyword: Buick Century, Car Door Lock

Buick Century Car Door Lock Circuit(1)
  (View)

View full Circuit Diagram | Comments | Reading(611)

Buick Century Car Door Lock Circuit(2)

Published:2011/4/20 6:39:00 Author:Robert | Keyword: Buick Century, Car Door Lock

Buick Century Car Door Lock Circuit(2)
  (View)

View full Circuit Diagram | Comments | Reading(548)

Buick Century Car Door Lock Circuit(3)

Published:2011/4/20 6:38:00 Author:Robert | Keyword: Buick Century, Car Door Lock

Buick Century Car Door Lock Circuit(3)
  (View)

View full Circuit Diagram | Comments | Reading(655)

Shanghai GM Cadillac CTS Rear-View Mirror Circuit(2)

Published:2011/4/20 6:26:00 Author:Robert | Keyword: Shanghai GM, Cadillac, CTS, Rear-View Mirror

Shanghai GM Cadillac CTS Rear-View Mirror Circuit(2)
  (View)

View full Circuit Diagram | Comments | Reading(658)

Shanghai GM Cadillac CTS Rear-View Mirror Circuit(3)

Published:2011/4/20 6:25:00 Author:Robert | Keyword: Shanghai GM, Cadillac, CTS, Rear-View Mirror

Shanghai GM Cadillac CTS Rear-View Mirror Circuit(3)
  (View)

View full Circuit Diagram | Comments | Reading(599)

Shanghai GM Cadillac CTS Rear-View Mirror Circuit(4)

Published:2011/4/20 6:24:00 Author:Robert | Keyword: Shanghai GM, Cadillac, CTS, Rear-View Mirror

Shanghai GM Cadillac CTS Rear-View Mirror Circuit(4)
  (View)

View full Circuit Diagram | Comments | Reading(474)

Shanghai GM Cadillac CTS Rear-View Mirror Circuit(5)

Published:2011/4/20 6:23:00 Author:Robert | Keyword: Shanghai GM, Cadillac, CTS, Rear-View Mirror

Shanghai GM Cadillac CTS Rear-View Mirror Circuit(5)
  (View)

View full Circuit Diagram | Comments | Reading(545)

Pages:124/164 At 20121122123124125126127128129130131132133134135136137138139140Under 20