Published:2011/6/8 7:40:00 Author:chopper | Keyword: 15W, electronic repellent
View full Circuit Diagram | Comments | Reading(741)
Published:2011/6/8 7:39:00 Author:chopper | Keyword: crystal diode, internal
View full Circuit Diagram | Comments | Reading(653)
Published:2011/6/8 7:38:00 Author:chopper | Keyword: Mouse expeller, electronic cat
View full Circuit Diagram | Comments | Reading(1025)
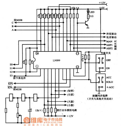
Published:2011/6/9 4:00:00 Author:Vicky | Keyword: LNO99 Integrated Circuit,


Function and Characteristic
By different choice of the internal storage system, the LV099 integrated circuit can provide 8 rhythms, auto-chords, bass control and beating points of 16 timing series of 4 Percussion. When used with M208 integrated circuit, it can automatically decompose the various storage beating points. The internal circuit block diagram is shown in the picture. (View)
View full Circuit Diagram | Comments | Reading(949)
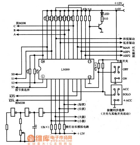
Published:2011/6/9 3:59:00 Author:Vicky | Keyword: LN099 Integrated Circuit


Typical Applied Circuit
Typical applied circuit diagram of rhythmer section, which is composed of LN099 integrated circuit, is shown in the aboved picture. (View)
View full Circuit Diagram | Comments | Reading(857)
Published:2011/6/6 0:09:00 Author:Seven | Keyword: typical application circuit
The typical application circuitThe typical application circuit of the remote control, which consists of M708 and M708L, is shown in the figure.
Figure:The typical application circuit of M708/M708L (View)
View full Circuit Diagram | Comments | Reading(719)
Published:2011/6/6 0:02:00 Author:Seven | Keyword: internal circuit
Function featuresM6M80014P includes the storage matrix, register, address latch/decoder, module control circuit, and high voltage generator, etc. Its internal circuit are shown in the figure.
Figure: the internal circuit of M6M80014P (View)
View full Circuit Diagram | Comments | Reading(524)
Published:2011/6/5 23:51:00 Author:Seven | Keyword: pin arrangement, integrated circuit
Figure: The pin arrangement of M208B1 (View)
View full Circuit Diagram | Comments | Reading(2196)
Published:2011/6/5 21:38:00 Author:Seven | Keyword: multiple filter, single full-wave rectifier
View full Circuit Diagram | Comments | Reading(499)
Published:2011/6/2 8:03:00 Author:Seven | Keyword: internal circuit, signal flow circuit
(View)
View full Circuit Diagram | Comments | Reading(629)
Published:2011/6/5 21:10:00 Author:Seven | Keyword: internal circuit, signal flow
M37210M4786 is in 52-pin dual line package, whose internal circuit and pin fu (View)
View full Circuit Diagram | Comments | Reading(745)
Published:2011/6/2 8:36:00 Author:Seven | Keyword: internal circuit, pin functions, signal flow circuit
M37210M4786SP is in 52-pin dual line package, whose internal circuit, pin fun (View)
View full Circuit Diagram | Comments | Reading(636)
Published:2011/6/2 7:08:00 Author:Seven | Keyword: internal circuit, pin function
(View)
View full Circuit Diagram | Comments | Reading(603)
Published:2011/6/6 22:50:00 Author:qqtang | Keyword: electric counter
The counter can switch mechanical counting in to the electric counting, and it is LED digital display, which is simple, and it can be used in many industries and meet the needs of modern industries and life. The principle working circuit is shown in the figure, which includes power supply, photoelectric counting and counting display, three parts. The photoelectric counting sector: when the light dependent triode VT1 receives the infrared rays from the infrared diode VD1, the its current is rising , internal resistance is reducing and the pole is outputting a low LEV. (View)
View full Circuit Diagram | Comments | Reading(914)
Published:2011/6/6 22:40:00 Author:qqtang | Keyword: system control, integrated circuit


1.function featuresTC9308-030 contains key scanning pulse generator, key scanning pulse encoder, wave shift circuit, storage circuit, clock oscillating circuit, silence/mute control circuit, modulation channel selector control circuit, test circuit, reset circuit, fast-forward and rewind control circuit, modulation frequency step control circuit, LCD screen display decoding and phrase display drive control circuit, etc.2.pin functions and dataTC9308-030 is in 60-pin package, whose pin functions and data are listed in Table 1.
(View)
View full Circuit Diagram | Comments | Reading(838)
Published:2011/6/6 22:30:00 Author:qqtang | Keyword: system control, integrated circuit


TC9316F-003 is a system control microcomputer integrated circuit produced by Toshiba, which is usually used in Aiwa, Sanyo and local walkmen and repeaters.1.function featuresTC9316F-003 contains the key matrix encoding circuit, clock oscillator circuit, modulation control circuit, LCD screen decoding drive circuit.2.pin functions and dataTC9316F-003 is in 60-pin square package, whose pin functions and data are listed Table 1.Table 1. pin functions and data of TC9316F-003
(View)
View full Circuit Diagram | Comments | Reading(594)
Published:2011/6/6 22:00:00 Author:qqtang | Keyword: communication single chip, integrated circuit


1.function featuresTCL868(21)A contains the clock oscillating circuit, power supply ON/OFF control circuit, low-voltage measuring circuit, signal receiving signal process circuit, key scanning pulse generating circuit, key order encodeing circuit, off-hand trigger control circuit, LCD display starting control circuit and so on.2.pin functions and dataTCL868(21)A is in 32-pin dual line package, and its pin functions and data are listed in Table 1.Table 1 pin functions and data of TCL868(21)A
3.typical application circuit
(View)
View full Circuit Diagram | Comments | Reading(597)
Published:2011/6/6 12:53:00 Author:qqtang | Keyword: integrated circuit, communication single chip



TCL868(21)B--the microcomputer integrated circuit of the communication single chipTCL868(21)B is the 4-bit CMOS microcomputer integrated circuit which is specially used by TCL. It is used in TCL wireless phones, and it is as the principal machine control circuit.1.functions featuresTCL868(U)B includes a FSK decoder which conforms to BELL202 or TrU-TV23 standard, the dual audio signal generator, the low-voltage circuit of the 4-stage detection plate and clock oscillator circuit, etc. It can not only process the received signals, but also has functions of pulse/dual-audio multi-audio compatible dialing and other control functions.2.pin functions and data
(View)
View full Circuit Diagram | Comments | Reading(764)
Published:2011/6/4 3:27:00 Author:John | Keyword: series connection switch
Light emitted by Xenon flash tube is transmitted to phototransistor MRD300 through optical fiber. Sensitive current is amplified to triggering a string of thyristors simultaneously. Therefore, high voltage of 6000V is set on loader R.
This optical trigger flip-flop can eliminate the inductance delay of general wirings. Here, the SCR devices are required to have the same rising time, aiming to prevent conduction of those slowest components from circuit triggering.
(View)
View full Circuit Diagram | Comments | Reading(1739)
Published:2011/6/8 3:47:00 Author:qqtang | Keyword: process integrated, single chips






1. Function featuresTB1240N includes the image sound signal process circuit, brightness and chroma signal process circuit, travelling field scanning small signal process circuit and raster distortion adjuster, etc.2.pin functions and dataTB1240N is in 56-pin package, whose pin functions and data are listed in Table 1, and the wave forms of key pins are shown in figure 1. These are the references of judging if IC is wrong.Table 1 pin functions and data of TB1240N
Figure 1 wave forms of the key pins of TB1240N
(View)
View full Circuit Diagram | Comments | Reading(666)
| Pages:406/471 At 20401402403404405406407408409410411412413414415416417418419420Under 20 |