Published:2011/5/12 1:06:00 Author:Ecco | Keyword: Digital multimeter , SCM
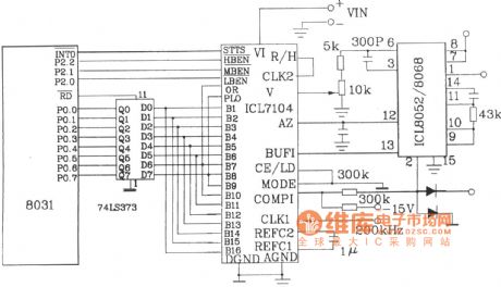
Digital multimeter circuit diagram composed of 8031 SCM and MAXl344 3 / 4-bit integral A / D converter is shown as the chart.
(View)
View full Circuit Diagram | Comments | Reading(2945)
Published:2011/5/12 1:04:00 Author:Ecco | Keyword: Interface , SCM , 16-bit , integrating , A / D converter
View full Circuit Diagram | Comments | Reading(808)
Published:2011/5/12 1:17:00 Author:Ecco | Keyword: Digital , power factor meter
View full Circuit Diagram | Comments | Reading(8405)
Published:2011/5/12 0:04:00 Author:Borg | Keyword: Intergrated Circuit, Analog Alternative Switches



HEF4052 is an intergrated circuit of analog alternative switches, which is used to choose and shift signals in all kinds of screens of color TV sets, color CRTs,communication and stereos.
1.function features
In fact, HEF4052 is a double 1-of-4 analog switches, which picks out one team of signals from two teams to deliver to corresponding circuit.
2. pin functions and data
HEF4052 is encapsulated in dual in-line ways with 16-lead, which is used to shift audio in color TV sets of large screens.
(View)
View full Circuit Diagram | Comments | Reading(3686)
Published:2011/5/12 0:48:00 Author:Ecco | Keyword: Wideband voltage, follower
Wideband voltage follower circuit diagram
(View)
View full Circuit Diagram | Comments | Reading(572)
Published:2011/5/11 22:06:00 Author:Nicole | Keyword: impedance transformation, filter
View full Circuit Diagram | Comments | Reading(521)
Published:2011/5/11 22:04:00 Author:Nicole | Keyword: Butterworth, low pass filter
View full Circuit Diagram | Comments | Reading(560)
Published:2011/5/11 21:58:00 Author:Nicole | Keyword: low energy filter
View full Circuit Diagram | Comments | Reading(443)
Published:2011/5/11 21:55:00 Author:Nicole | Keyword: filter, frequency, impedance transformation
View full Circuit Diagram | Comments | Reading(485)
Published:2011/5/11 21:50:00 Author:Nicole | Keyword: Normalization filter
View full Circuit Diagram | Comments | Reading(605)
Published:2011/5/11 22:08:00 Author:Nicole | Keyword: double pole point, low pass filter
View full Circuit Diagram | Comments | Reading(848)
Published:2011/5/11 22:22:00 Author:Rebekka | Keyword: Precision addition


Precision addition circuit composed of INA105 is shown as above.
The main parameters of INA05 series is shown as above. (View)
View full Circuit Diagram | Comments | Reading(782)
Published:2011/5/11 22:12:00 Author:Borg | Keyword: Intergrated Circuit, Analog Switches



HEF4053 is an intergrated circuit of general analog switches, which is widely used in large screen and DLPs, home theaters, wireless phones, videodisc players, computers and their screens to shift signals, such as in Changhong 51PT28A DLP, Desay wireless phones and so on.
1.function features
HEF4053 contains three lines of single-pole double-throw switches which are under control of signals output by microcomputers, by which the signals can be shifted and chosen. The internal circuit of its chips is listed in Figure 1-1.
Figure 1-1 The internal circuit of HEF4053 chips
2.pin functions and data
HEF4053 is encapsulated in dual in-line plastic ways with 16-lead, whose pin functions and data are listed in Table 1-2
Table 1-2 pin functions and data of HEF4053
The relationship between the controller and connecting channels of HEF053 is listed in Table 1-3.
Table 1-3 The relationship between the controller and connecting channels of HEF053 (View)
View full Circuit Diagram | Comments | Reading(6408)
Published:2011/5/11 22:00:00 Author:Ecco | Keyword: Standard , application circuit, low power, integrated regulator , 8-end , adjustable output
View full Circuit Diagram | Comments | Reading(502)
Published:2011/5/11 8:35:00 Author:Christina | Keyword: Photoelectric, infrared, automatic faucet
View full Circuit Diagram | Comments | Reading(1228)
Published:2011/5/11 9:05:00 Author:Christina | Keyword: multimeter
The 500 type multimeter circuit is as shown:
(View)
View full Circuit Diagram | Comments | Reading(959)
Published:2011/5/11 9:04:00 Author:Christina | Keyword: Order, timing
The Order timing circuit is as shown:
(View)
View full Circuit Diagram | Comments | Reading(549)
Published:2011/5/11 9:02:00 Author:Christina | Keyword: digital multimeter, principle circuit
The DT890C+ type digital multimeter principle circuit is as shown:
(View)
View full Circuit Diagram | Comments | Reading(5877)
Published:2011/5/11 21:15:00 Author:Nicole | Keyword: elliptic function, low pass filter
View full Circuit Diagram | Comments | Reading(2393)
Published:2011/5/11 21:13:00 Author:Nicole | Keyword: filter, state variable, complete polarization point, low pass
View full Circuit Diagram | Comments | Reading(578)
| Pages:419/471 At 20401402403404405406407408409410411412413414415416417418419420Under 20 |