Position: Home > Circuit Diagram > Basic Circuit > Index 410
Low Cost Custom Prototype PCB Manufacturer

Basic Circuit

Index 410



Index operation circuit

Published:2011/5/26 2:38:00 Author:Christina | Keyword: Index, operation

Index operation circuit
The index operation circuit is the inverse operation of the logarithmic operation, you can exchange the index operation circuit's diode (transistor) and the resistance R. The circuit is as shown: By using the logarithm and index operations and the proportions, also the differential operation circuit, we can form the multiplication or division operation circuit and other nonlinear operation circuits.   (View)

View full Circuit Diagram | Comments | Reading(508)

The infrared remote control circuit of 888 domestic fans(2)

Published:2011/5/30 22:19:00 Author:Borg | Keyword: remote control, 888 domestic fans

The infrared remote control circuit of 888 domestic fans(2)
The model of infrared receiving pipe is coupled with the emitting pipe, the selection of wave length and light power should be noticed. IC1 is fixed with the special infrared receiving chip μPC1373 of color TV remote controls, when L and C4 circuits are modulated at the central frequency of 38kHz, an infrared pulse signal is received, and after magnification, detection and rectification by IC1, a low-LEV signal is output, then VT2 is blocked, and the high LEV signal of c pole is added to the input terminal of IC3 clock, then the clock starts to count, and Q1(2-pin) generates a high LEV pulse, the electric IC4-a and VT5 are conducting.   (View)

View full Circuit Diagram | Comments | Reading(734)

Water level indicator circuit (1)

Published:2011/5/26 22:04:00 Author:Christina | Keyword: Water level, indicator

Water level indicator circuit (1)
Circuit operating principle This water level indicator circuit is composed of the water level detection electrode A-E, the voltage stabilization diode VS, the resistors Rl-R9, the four op-amps Nl-N4 and the LED VLl-VM, as the figure shows. When there is no water in the tank, the reversed-phase input port voltages of the op-amps Nl-N4 are higher than +5V, so the Nl-N4 output the low electrical level, the LEDs VLl-VL4 turn off. When the water level of the tank gets to the electrode D, the water resistance connects the electrode D with the electrode E to make the operational amplifier Nl's inverting input port (pin-2) voltage lower than +5V.   (View)

View full Circuit Diagram | Comments | Reading(6549)

XJ4241 oscilloscope circuit

Published:2011/5/30 3:39:00 Author:Christina | Keyword: oscilloscope


Download thematerial: 2004111917543980.pdf   (View)

View full Circuit Diagram | Comments | Reading(1102)

Ultrasonic wave blindman road finder circuit

Published:2011/5/30 3:44:00 Author:Christina | Keyword: Ultrasonic wave, blindman, road finder


The Ultrasonic wave blindman road finder circuit is as shown in the figure (a); the Ultrasonic probe installation circuit is as shown in figure (b).   (View)

View full Circuit Diagram | Comments | Reading(583)

sunshading board circuit

Published:2011/5/30 1:29:00 Author:Christina | Keyword: sunshading board

sunshading board circuit
The sunshading board circuit is as shown:   (View)

View full Circuit Diagram | Comments | Reading(582)

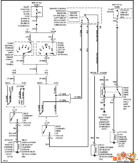
Buick trunk, back door and accelerator circuit

Published:2011/5/29 9:05:00 Author:Christina | Keyword: Buick, trunk, back door, accelerator

Buick trunk, back door and accelerator circuit
  (View)

View full Circuit Diagram | Comments | Reading(457)

Transistors EMB11, UMB11N, EMB2, UMB2N internal circuits

Published:2011/5/30 2:59:00 Author:Christina | Keyword: Transistors, internal circuits

Transistors EMB11, UMB11N, EMB2, UMB2N internal circuits
The Transistors EMB11, UMB11N, EMB2, UMB2N internal circuits are as shown:   (View)

View full Circuit Diagram | Comments | Reading(429)

crystal diode DDZX9713T internal circuit

Published:2011/5/30 5:10:00 Author:chopper | Keyword: crystal diode, internal

crystal diode DDZX9713T internal circuit
  (View)

View full Circuit Diagram | Comments | Reading(520)

crystal diode DDZX9714T internal circuit

Published:2011/5/30 5:09:00 Author:chopper | Keyword: crystal diode, internal

crystal diode DDZX9714T internal circuit
  (View)

View full Circuit Diagram | Comments | Reading(480)

crystal diode DDZX9715TS internal circuit

Published:2011/5/30 5:08:00 Author:chopper | Keyword: crystal diode, internal

crystal diode DDZX9715TS internal circuit
  (View)

View full Circuit Diagram | Comments | Reading(446)

crystal diode DDZX9699TS internal circuit

Published:2011/5/28 0:51:00 Author:chopper | Keyword: crystal diode, internal

crystal diode DDZX9699TS internal circuit
  (View)

View full Circuit Diagram | Comments | Reading(424)

crystal diode DDZX9700TS circuit

Published:2011/5/28 0:28:00 Author:chopper | Keyword: crystal diode

crystal diode DDZX9700TS circuit
  (View)

View full Circuit Diagram | Comments | Reading(461)

crystal diode DDZX9702TS internal circuit

Published:2011/5/29 7:39:00 Author:chopper | Keyword: crystal diode, internal

crystal diode DDZX9702TS internal circuit
  (View)

View full Circuit Diagram | Comments | Reading(405)

crystal diode DDZX9703TS internal circuit

Published:2011/5/29 7:21:00 Author:chopper | Keyword: crystal diode, internal

crystal diode DDZX9703TS internal circuit
  (View)

View full Circuit Diagram | Comments | Reading(408)

crystal diode DDZX9707TS internal circuit

Published:2011/5/29 6:59:00 Author:chopper | Keyword: crystal diode, internal

crystal diode DDZX9707TS internal circuit
  (View)

View full Circuit Diagram | Comments | Reading(419)

crystal diode DDZX9711TS internal circuit

Published:2011/5/29 22:09:00 Author:chopper | Keyword: crystal diode, internal

crystal diode DDZX9711TS internal circuit
  (View)

View full Circuit Diagram | Comments | Reading(535)

crystal diode DDZX9712TS internal circuit

Published:2011/5/29 22:08:00 Author:chopper | Keyword: crystal diode, internal

crystal diode DDZX9712TS internal circuit
  (View)

View full Circuit Diagram | Comments | Reading(434)

crystal diode DDZX9709TS internal circuit

Published:2011/5/29 21:46:00 Author:chopper | Keyword: crystal diode, internal

crystal diode DDZX9709TS internal circuit
  (View)

View full Circuit Diagram | Comments | Reading(406)

crystal diode DDZX9708TS internal circuit

Published:2011/5/29 21:38:00 Author:chopper | Keyword: crystal diode, internal

crystal diode DDZX9708TS internal circuit
  (View)

View full Circuit Diagram | Comments | Reading(423)

Pages:410/471 At 20401402403404405406407408409410411412413414415416417418419420Under 20