Published:2011/4/5 22:42:00 Author:Ecco | Keyword: digital circuit, 3 input , nand gate
74H15, 74LS15, 74ALS15, 74S153 input nand gate(OC)
(View)
View full Circuit Diagram | Comments | Reading(2037)
Published:2011/4/5 22:48:00 Author:Ecco | Keyword: digital circuit , input , negater


74S64, 74F64, 74S64 4/2/3/2input and-or-invert gate.
74S64 is totem pole output, 74S65 is open-connector output. (View)
View full Circuit Diagram | Comments | Reading(830)
Published:2011/4/5 22:44:00 Author:Ecco | Keyword: digital circuit, input J - K , master-slave flip-flop
74H71 input J - K master-slave flip-flop (with preset terminal)
The level of Qo is equal to Q before eatablishing steadystate input. (View)
View full Circuit Diagram | Comments | Reading(859)
Published:2011/4/5 22:44:00 Author:Ecco | Keyword: digital circuit, input R-S , master-slave flip-flop
74LS71 input R-S master-slave flip-flop( with preset and remove terminal )
Unsteady state. When the preset and remove terminal return in high level, the state could not be kept. And the level of Qo is equal to Q before eatablishing steadystate input. (View)
View full Circuit Diagram | Comments | Reading(3140)
Published:2011/4/5 22:44:00 Author:Ecco | Keyword: digital circuit , double D type , positive edge , flip-flop
7474, 74H74, 74F74, 74ALS74, 74L74, 74LS74A, 74S74, 74HC74, 74C74double D type positive edge flip-flop(with preset and remove terminal)
Unsteady state. When the preset and remove terminal return in high level, the state could not be kept. And the level of Qo is equal to Q before eatablishing steadystate input. (View)
View full Circuit Diagram | Comments | Reading(5053)
Published:2011/4/5 22:44:00 Author:Ecco | Keyword: digital circuit , double J - K , flip-flop
Unsteady state. When the preset and remove terminal return in high level, the state could not be kept. And the level of Qo is equal to Q before eatablishing steadystate input.
(View)
View full Circuit Diagram | Comments | Reading(2015)
Published:2011/4/18 4:35:00 Author:Jessie | Keyword: fuel oil level sensor
View full Circuit Diagram | Comments | Reading(831)
Published:2011/4/18 4:33:00 Author:Jessie | Keyword: injector
View full Circuit Diagram | Comments | Reading(419)
Published:2011/4/18 4:32:00 Author:Jessie | Keyword: oxygen sensors, waste gas recirculation, power systems, control unit
View full Circuit Diagram | Comments | Reading(462)
Published:2011/4/18 4:34:00 Author:Jessie | Keyword: idle speed control, oil level switches, oil pressure indicator light
View full Circuit Diagram | Comments | Reading(551)
Published:2011/4/18 2:31:00 Author:Jessie | Keyword: Pressure test, digital pressure signal disposal device
View full Circuit Diagram | Comments | Reading(419)
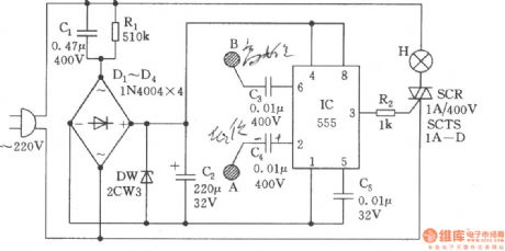
Published:2011/4/18 0:59:00 Author:Ecco | Keyword: Desk lamp , touch, switch
The touch switch circuitis composed of the buck rectifier, voltage regulator and trigger controlling circuits and other components, touching the metal piece A, then the lamp is lit; and then touching the metal B, then the light turns off.The circuit is as shown.
(View)
View full Circuit Diagram | Comments | Reading(3156)
Published:2011/4/18 0:50:00 Author:Ecco | Keyword: equivalent circuit , Radio Corporation of America
View full Circuit Diagram | Comments | Reading(535)
Published:2011/3/30 1:46:00 Author:may | Keyword: Start
View full Circuit Diagram | Comments | Reading(484)
Published:2011/3/30 1:47:00 Author:may | Keyword: Soft-start
View full Circuit Diagram | Comments | Reading(812)
Published:2011/3/22 1:22:00 Author:muriel | Keyword: Interface circuit , BCL to LED
PNP germanium transistors used as a interface of an emitter coupled logic drive LED. The same interface can be used to drive 7-segment Nixie tubeor other LED arrays with common cathode structure, such as Fairchild's FND, 0 or Mon santo company's MAN3. Light-emitting diodes in the figure can switch to optical isolators.
(View)
View full Circuit Diagram | Comments | Reading(509)
Published:2011/4/2 3:08:00 Author:may | Keyword: analog isolating
We can use this circuit when sending analog signal between equipments which have differ ground electric potential. The 3dB bandwidth of this circuit is between 6Hz~80kHz. Between 100Hz and 20kHz, the total harmonic distortion is less than 1.5% when +8V (pak-peak) output level.
(View)
View full Circuit Diagram | Comments | Reading(534)
Published:2011/4/17 23:06:00 Author:Ecco | Keyword: Quack circuit , electronic lark
The quack circuit of electronic lark can emit fluctuated, variable tone birdcall in different lights, its sound is variable. The circuit is shown in the figure.
(View)
View full Circuit Diagram | Comments | Reading(631)
Published:2011/4/13 20:53:00 Author:Nicole | Keyword: log photometer
This circuit can be used to test light intensity of air conditioning equipments. The light intensity is changed into voltage(the maximum voltage is 400mV when it is 100000). Photosensor adopts silion photodiode BPX91. This diode is in no load operation, and it will produce output voltage, the voltage has a logarithm relation with light intensity. Transistor BCY58/X amplifys photo-sensitive current, collector-emitter diode can compensate the temperature factor of photodiode.
TAA761 and Potentiometer Rp2 makes the light intensity have a function relation with output voltage.
The main technical parameters: working voltage: ±15V; consumption current: about 15mA; output voltage(E=100000lx): 0~600mV; the minumim light intensity withtout filter(adopts incandescent lamp): ≈1.5lx; the minumim light intensity with filter: ≈15lx. (View)
View full Circuit Diagram | Comments | Reading(1539)
Published:2011/4/1 22:18:00 Author:Ecco | Keyword: digital circuit, 2 input , 3 output , and-nor gate
74 series digital circuit of 7422 74H22 2 input/3 output and-nor gate (View)
View full Circuit Diagram | Comments | Reading(612)
| Pages:447/471 At 20441442443444445446447448449450451452453454455456457458459460Under 20 |