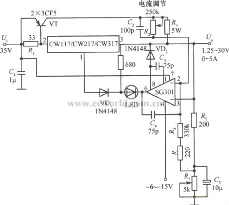
Published:2011/3/30 2:06:00 Author:muriel | Keyword: constant voltage, constant-current supply
View full Circuit Diagram | Comments | Reading(539)
Published:2011/3/30 2:06:00 Author:muriel | Keyword: AC, peak clipping
View full Circuit Diagram | Comments | Reading(544)
Published:2011/3/30 2:01:00 Author:muriel | Keyword: output current, start from zero, adjustable , constant current source circuit
View full Circuit Diagram | Comments | Reading(495)
Published:2011/4/14 1:07:00 Author:muriel | Keyword: block diagram
AICl783 is the ni-mh/nickel-cadmium battery quick charger control IC which is produced by Analog integrated company. Its structure frame as shown (View)
View full Circuit Diagram | Comments | Reading(513)
Published:2011/4/14 1:07:00 Author:muriel | Keyword: Workflow diagram
View full Circuit Diagram | Comments | Reading(493)
Published:2011/4/18 2:55:00 Author:muriel | Keyword: Internal functional block diagram
AAT3680 is advanced lithium ion battery linear charging control chip which is produced by AATI. The charger uses AAT3680 design, so its peripheral circuit is very simple, very suitable for the compact design needs of portable electronic products.
(View)
View full Circuit Diagram | Comments | Reading(621)
Published:2011/4/19 3:49:00 Author:May | Keyword: eight bits, memory register
View full Circuit Diagram | Comments | Reading(732)
Published:2011/4/19 3:48:00 Author:May | Keyword: digital, four gate, bus buffer, tri-state
74425 four gate bus buffer (tri-state)When C is high level, Y is high resistance output; When C is low level, Y=A.
(View)
View full Circuit Diagram | Comments | Reading(684)
Published:2011/4/19 3:51:00 Author:May | Keyword: Retriggerable, monostable, multivibrator, with elimination, digital
View full Circuit Diagram | Comments | Reading(1053)
Published:2011/4/19 3:54:00 Author:May | Keyword: digital, dual four bit binary counters, asynchronous clear,


7493A, 74LS93 type, QA is connected and inputted to B from inside. It's high level clear. It sets all four outputs to low level.function table
74393, 74LS393, 74CH393 dual four bit binary counter (asynchronous clear)
(View)
View full Circuit Diagram | Comments | Reading(4019)
Published:2011/4/19 2:15:00 Author:Ecco | Keyword: CMOS, internal, equivalent circuit , time-base circuit
View full Circuit Diagram | Comments | Reading(518)
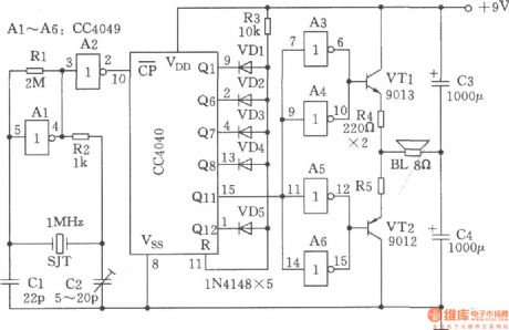
Published:2011/4/19 6:39:00 Author:Ecco | Keyword: Electronic, checking tone ware
The chart shows the electronic checking tone ware composed of CC4040. The circuit could produce 440Hz international standard A sound, it can be used as checking tone ware for band.
(View)
View full Circuit Diagram | Comments | Reading(592)
Published:2011/4/19 3:06:00 Author:May | Keyword: 24V/3A, transistor, voltage regulator
View full Circuit Diagram | Comments | Reading(1824)
Published:2011/4/19 2:12:00 Author:May | Keyword: Full bridge
View full Circuit Diagram | Comments | Reading(704)
Published:2011/4/19 3:31:00 Author:May | Keyword: 120V/25mA, DC voltage converter
This circuit is formed according to the principle of positive breakover convertor. That is to output power to load when the transistor is breaking over. We add diode D1 in its loop for the purpose of overtop base-emitter voltage on transistor. Start-oscillation button connected betweent resistor R1 and R2 is assisted start device. Meanwhile it can prevent the add of base current when load current is increasing. So this circuit has the function of short circuit protection.The data of transformer:winding n1=40 turns, 0.32 copper enamelled wiren2=12 turns, 0.15 copper enamelled wiren3=420 turns, 0.1mm copper enamelled wire (View)
View full Circuit Diagram | Comments | Reading(424)
Published:2011/4/19 3:35:00 Author:May | Keyword: No adjustment, full bridge, 1000W, electronic transformer
View full Circuit Diagram | Comments | Reading(3355)
Published:2011/4/19 2:52:00 Author:May | Keyword: Inverter
250W controlled silicon inverter
(View)
View full Circuit Diagram | Comments | Reading(576)
Published:2011/4/19 2:53:00 Author:May | Keyword: Inverter
View full Circuit Diagram | Comments | Reading(2481)
Published:2011/4/19 2:54:00 Author:May | Keyword: Inverter
View full Circuit Diagram | Comments | Reading(2575)
Published:2011/4/19 2:54:00 Author:May | Keyword: Inverter
View full Circuit Diagram | Comments | Reading(2519)
| Pages:443/471 At 20441442443444445446447448449450451452453454455456457458459460Under 20 |