Position: Home > Circuit Diagram > Basic Circuit > Index 446
Low Cost Custom Prototype PCB Manufacturer

Basic Circuit

Index 446



TX-KDl02 MOSFET or IGBT functional block diagram

Published:2011/4/8 0:37:00 Author:muriel | Keyword: MOSFET, IGBT, functional block diagram

TX-KDl02 MOSFET or IGBT functional block diagram
  (View)

View full Circuit Diagram | Comments | Reading(603)

TX-KD501 application cording diagram(driver)

Published:2011/4/8 0:37:00 Author:muriel | Keyword: TX-KD501, application cording diagram, driver

TX-KD501 application cording diagram(driver)
  (View)

View full Circuit Diagram | Comments | Reading(649)

Standard MiniSkiip circuit

Published:2011/4/8 0:36:00 Author:muriel | Keyword: MiniSkiip circuit

Standard MiniSkiip circuit
Standard MiniSkiip circuit

  (View)

View full Circuit Diagram | Comments | Reading(554)

Schematic diagram of Frequency converter control drive main circuit

Published:2011/4/8 0:35:00 Author:muriel | Keyword: Frequency converter, control drive main circuit

Schematic diagram of Frequency converter control drive main circuit
  (View)

View full Circuit Diagram | Comments | Reading(571)

Testing EXB850 overcurrent waveform circuit

Published:2011/4/7 22:58:00 Author:muriel | Keyword: overcurrent waveform circuit

Testing EXB850 overcurrent waveform circuit
  (View)

View full Circuit Diagram | Comments | Reading(546)

SKHI series driver detection schematic circuit diagram

Published:2011/4/7 22:58:00 Author:muriel | Keyword: driver etection

SKHI series driver detection schematic circuit diagram
  (View)

View full Circuit Diagram | Comments | Reading(512)

Application cording diagram of TX-KDl02

Published:2011/4/8 0:38:00 Author:muriel | Keyword: application cording diagram, KD10X

Application cording diagram of TX-KDl02
  (View)

View full Circuit Diagram | Comments | Reading(500)

TX—KA57962 IGBT driver application cording diagram

Published:2011/4/8 0:38:00 Author:muriel | Keyword: IGBT driver, application cording diagram

TX—KA57962 IGBT driver application cording diagram
  (View)

View full Circuit Diagram | Comments | Reading(682)

TX-KA57962 IGBT driver functional block diagram

Published:2011/4/8 0:39:00 Author:muriel | Keyword: IGBT driver, functional block diagram

TX-KA57962 IGBT driver functional block diagram
  (View)

View full Circuit Diagram | Comments | Reading(504)

Internal structure schematic diagram of SA08 pulse width modulator

Published:2011/4/7 22:57:00 Author:muriel | Keyword: Internal structure schematic diagram , pulse width , modulator

Internal structure schematic diagram of SA08 pulse width modulator
  (View)

View full Circuit Diagram | Comments | Reading(761)

M57957L/M57958L internal structure and working principle diagram

Published:2011/4/10 22:51:00 Author:may | Keyword: internal structure, working principle

M57957L/M57958L internal structure and working principle diagram
M579 series driver is a kind of series driver module offer for IGBT driver produced by MITSUBISH company.   (View)

View full Circuit Diagram | Comments | Reading(633)

DC 12V sine AC 22Dv, 50N, 10W converter

Published:2011/4/14 4:18:00 Author:may | Keyword: DC 12V sine AC 22Dv, 50N, 10W, converter

DC 12V sine AC 22Dv, 50N, 10W converter
The transistor in this circuit adopts the working mode of single side class b amplification. It can adjust the amplification factor of transistor by potentiometer R3. We must consider the corresponding frequency variation if load part including idle component. Main technical data: Battery voltage: 12V Battery current: 2.5A Output voltage: 220V, 50Hz Rated output power: 10W Transistor loss power: 7W Cooling plate area: 200cm2 Transformer data: n1=65turns, 1.2mm copper lacquered wire n2=650turns, 0.29mm copper lacquered wire n1=2050turns, 0.14mm copper lacquered wire n1=100turns, 0.45mm copper lacquered wire   (View)

View full Circuit Diagram | Comments | Reading(858)

MCU and RS232 serial interface wiring diagram circuit

Published:2011/3/25 3:17:00 Author:may | Keyword: MCU and RS232 serial interface wiring diagram

MCU and RS232 serial interface wiring diagram circuit
MCU and RS232 serial interface wiring diagram circuit is shown in the diagram:   (View)

View full Circuit Diagram | Comments | Reading(2344)

87lpc76 serial port circuit

Published:2011/3/25 3:15:00 Author:may | Keyword: serial port

87lpc76 serial port circuit
87lpc76 serial port circuit is show in the following diagram:   (View)

View full Circuit Diagram | Comments | Reading(564)

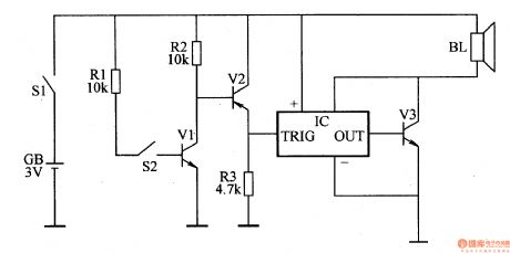
Reading and writing posture reminder

Published:2011/4/18 19:59:00 Author:Ecco | Keyword: Reading , writing , posture , reminder

Reading and writing posture reminder
When primary and secondary students do reading and writing, it is easy to affect the visual and physical health with wrong sitting position for a long time. This example describes the reading and writing posture reminder, it can help the user correct the posture by emitting the warning sounds when the position of the user is not correct. The working principle. Reading and writing posture reminder circuit is composed ofelectronic switch circuit, alarm circuit and power circuit, it is shown as the Figure 9-160. Electronic switching circuit is composedof the glass shell mercury switch S2, the transistor Vl, V2 and resistors Alarm circuitis composed ofthe integrated circuit IC, audio amplification tube V3and speaker BL. The power supply circuit is composed of power supply GB and power switch Sl. Turning the power switch Sl, the powersupply GBprovides operating voltage for the machine.   (View)

View full Circuit Diagram | Comments | Reading(776)

Active input rectifier circuit

Published:2011/4/18 6:02:00 Author:May | Keyword: Active input, rectifier

Active input rectifier circuit
  (View)

View full Circuit Diagram | Comments | Reading(645)

Buick GL8 air flow meter and evaporative emission circuit

Published:2011/4/18 7:19:00 Author:Jessie | Keyword: air flow meter, evaporative emission

Buick GL8 air flow meter and evaporative emission circuit
  (View)

View full Circuit Diagram | Comments | Reading(678)

CMOS Logic probe circuit

Published:2011/3/22 1:54:00 Author:muriel | Keyword: CMOS, Logic probe circuit

CMOS Logic probe circuit
This circuit is a tool for the diagnosis of failure to display important state after link to microprocessors. When the TTL input is 1 , LED light; when the input is 0 , LED does not light. When the input from the 1 to 0 or 0 to 1 , the edge of the LED-2 light once. Input end use CMOS inverter buffer 3a, that can prevent the probe influence microprocessor.   (View)

View full Circuit Diagram | Comments | Reading(1378)

The circuit diagram of inverter with 12V-230V 1KW

Published:2011/3/22 21:03:00 Author:muriel | Keyword: inverter, 12V-230V, 1KW, TL081, CD4013, CA3130, BCY79, μA741, BS250, 2N7000

The circuit diagram of inverter with 12V-230V 1KW
  (View)

View full Circuit Diagram | Comments | Reading(3624)

The connection circuit diagram of speaker and high bass frequency divider

Published:2011/4/14 2:19:00 Author:Ecco | Keyword: speaker , high bass frequency divider

The connection circuit diagram of speaker and high bass frequency divider
The connectionmethod of speaker and high bass frequency divider is shown as the chart 212: The inductors and the bass speakers connect in series, capacitors and the tweeter connect in series. The capacitor is used as AC capacitor that made by two small-capacity capacitors, inductance coil can be self-made. If it's a 10-inch box speaker, and the power is between 5 ~ 10W, the inductance coi could choose the size of 0.85mH. If chosen an empty skeleton with the core diameter in 3cm, it can be made by the line with the diameter in 0.8 to 1.0 mm and rolled with 300 laps.   (View)

View full Circuit Diagram | Comments | Reading(648)

Pages:446/471 At 20441442443444445446447448449450451452453454455456457458459460Under 20