Position: Home > Circuit Diagram > Control Circuit > Index 300
Low Cost Custom Prototype PCB Manufacturer

Control Circuit

Index 300



Over voltage buffer protection circuit in the process of IGBT switching

Published:2011/4/8 1:23:00 Author:may | Keyword: Over voltage, buffer protection, IGBT switching

Over voltage buffer protection circuit in the process of IGBT switching
(a) C buffer circuit (b) RC buffer circuit (c) RCVD buffer circuit (d) Discharge blocking buffer circuit   (View)

View full Circuit Diagram | Comments | Reading(2677)

IGBT concentrate over current protection principle diagram

Published:2011/4/8 1:16:00 Author:may | Keyword: IGBT, concentrate, over current protection

IGBT concentrate over current protection principle diagram
  (View)

View full Circuit Diagram | Comments | Reading(850)

IGBT scattering overcurrent protection principle diagram

Published:2011/4/8 0:51:00 Author:may | Keyword: scattering overcurrent protection

IGBT scattering overcurrent protection principle diagram
  (View)

View full Circuit Diagram | Comments | Reading(922)

Integrated protection circuit with UCE increasing in IGBT short cut and current sensor detection

Published:2011/4/2 3:38:00 Author:may | Keyword: Integrated protection, UCE enlarging, IGBT short cut, current sensor detection

Integrated protection circuit with UCE increasing in IGBT short cut and current sensor detection
  (View)

View full Circuit Diagram | Comments | Reading(1307)

Soft switching schematic circuit diagram

Published:2011/4/2 3:52:00 Author:may | Keyword: soft switching

Soft switching schematic circuit diagram
  (View)

View full Circuit Diagram | Comments | Reading(775)

Protection circuit using the principle of UCE increasing in IGBT overcurrent

Published:2011/4/6 3:50:00 Author:may | Keyword: Protection, UCE increasing, IGBT overcurrent

Protection circuit using the principle of UCE increasing in IGBT overcurrent
  (View)

View full Circuit Diagram | Comments | Reading(1232)

Transformer coupling oscillating circuit diagram

Published:2011/4/7 20:51:00 Author:Jessie | Keyword: Transformer coupling oscillating

Transformer coupling oscillating circuit diagram
  (View)

View full Circuit Diagram | Comments | Reading(611)

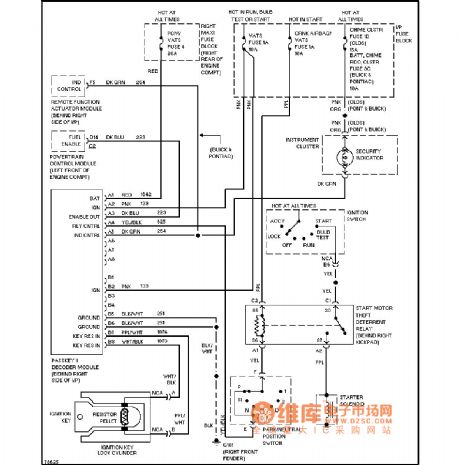
Buick ignition circuit diagram

Published:2011/4/7 20:54:00 Author:Jessie | Keyword: ignition

Buick ignition circuit diagram
  (View)

View full Circuit Diagram | Comments | Reading(579)

The push-pull oscillating circuit diagram

Published:2011/4/7 21:01:00 Author:Jessie | Keyword: push-pull oscillating

The push-pull oscillating circuit diagram
  (View)

View full Circuit Diagram | Comments | Reading(580)

Buick alarm system circuit diagram

Published:2011/4/7 20:55:00 Author:Jessie | Keyword: alarm system

Buick alarm system circuit diagram
  (View)

View full Circuit Diagram | Comments | Reading(580)

IR2110 pin array and internal function principle block diagram

Published:2011/4/7 3:47:00 Author:may | Keyword: pin array, internal function principle

IR2110 pin array and internal function principle block diagram
IR2110 is a kind of two-channel high voltage, high speed voltage type power switch device grid driver. It has boot floating power. Its drive circuit is very simple. It only use one way power supply and can drive up and down bridge arms at the same time. It can not generate negative, and is weak in anti-interference.   (View)

View full Circuit Diagram | Comments | Reading(4386)

IPM peripheral protection circuit

Published:2011/4/7 3:40:00 Author:may | Keyword: IPM, peripheral protection

IPM peripheral protection circuit
  (View)

View full Circuit Diagram | Comments | Reading(618)

IPM defencive function block diagram

Published:2011/4/7 20:03:00 Author:may | Keyword: defencive function

IPM defencive function block diagram
V1, I, f0, C is control terminal, C, E is main terminal   (View)

View full Circuit Diagram | Comments | Reading(836)

Short-circuit protection function test method 2 of IGBT drive circuit

Published:2011/4/7 5:07:00 Author:may | Keyword: IGBT drive, Short-circuit protection function, test method

Short-circuit protection function test method 2 of IGBT drive circuit
Rlimit =10~100Ω,C=10~470μF,Creset=10nF.   (View)

View full Circuit Diagram | Comments | Reading(773)

IGBT short-circuit protection circuit principle diagram

Published:2011/4/7 5:26:00 Author:may | Keyword: IGBT, short-circuit protection

IGBT short-circuit protection circuit principle diagram
  (View)

View full Circuit Diagram | Comments | Reading(1639)

IGBT drive protection circuit

Published:2011/4/7 5:24:00 Author:may | Keyword: IGBT, drive protection

IGBT drive protection circuit
  (View)

View full Circuit Diagram | Comments | Reading(1039)

VGA synchronized signal automatic oscillator circuit diagram

Published:2011/4/7 3:48:00 Author:Jessie | Keyword: VGA synchronized signal, automatic oscillator

VGA synchronized signal automatic oscillator circuit diagram
  (View)

View full Circuit Diagram | Comments | Reading(541)

Buick light regulation control circuit diagram

Published:2011/4/7 3:35:00 Author:Jessie | Keyword: light regulation control

Buick light regulation control circuit diagram
  (View)

View full Circuit Diagram | Comments | Reading(474)

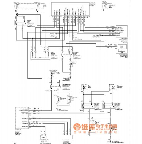
Buick air conditioning circuit (manual air conditioning)

Published:2011/4/7 3:30:00 Author:Jessie | Keyword: air conditioning

Buick air conditioning circuit (manual air conditioning)
  (View)

View full Circuit Diagram | Comments | Reading(581)

Buick body computer circuit diagram

Published:2011/4/7 3:28:00 Author:Jessie | Keyword: body computer

Buick body computer circuit diagram
  (View)

View full Circuit Diagram | Comments | Reading(616)

Pages:300/312 At 20281282283284285286287288289290291292293294295296297298299300Under 20