Position: Home > Circuit Diagram > Control Circuit > Index 296
Low Cost Custom Prototype PCB Manufacturer

Control Circuit

Index 296



DC amplifier circuit diagram with NPN and PNP transistors

Published:2011/3/31 1:05:00 Author:Jessie | Keyword: DC amplifier, NPN and PNP transistors

DC amplifier circuit diagram with NPN and PNP transistors
  (View)

View full Circuit Diagram | Comments | Reading(989)

Gas burner flameout alarm circuit diagram

Published:2011/3/29 21:25:00 Author:Jessie | Keyword: Gas burner, flameout alarm

Gas burner flameout alarm circuit diagram
Figure 1 circuit is another kind of gas burner flameout alarm. After the gas burner normal burning, closing the power switch K. Because photoconductive resistance LDR is intenseirradiated , its value is very small, transistor BG1 and BG2 connected, relay J suck close, its closed contacts J - 1 disconnected, music integrated block IC has no sound. But once the gas burner stall, light irradiation abated, its value increases, BG1 and BG2 stop, relay J released, J - 1 closed, the power automatically connected, IC works, the speaker Y music warning issued, remind master promptly shutting gas valve.   (View)

View full Circuit Diagram | Comments | Reading(1055)

Triode drive DC motor

Published:2011/4/11 3:07:00 Author:Nicole | Keyword: triode drive, DC motor

Triode drive DC motor
  (View)

View full Circuit Diagram | Comments | Reading(556)

Ordinary thyristor stepless voltage regulator circuit

Published:2011/4/11 2:45:00 Author:Nicole | Keyword: thyristor, stepless voltage regulator

Ordinary thyristor stepless voltage regulator circuit
  (View)

View full Circuit Diagram | Comments | Reading(1828)

Alarm lamp and relay drive circuit diagram

Published:2011/4/1 3:35:00 Author:Nicole | Keyword: Alarm lamp, relay

Alarm lamp and relay drive circuit diagram
  (View)

View full Circuit Diagram | Comments | Reading(484)

Switch tube drive circuit diagram composed of IR 2130

Published:2011/4/1 3:34:00 Author:Nicole | Keyword: switch tube

Switch tube drive circuit diagram composed of IR 2130
  (View)

View full Circuit Diagram | Comments | Reading(5351)

Mixed-type(gate circuit + dynatron + transformer) drive circuit diagram

Published:2011/4/1 3:34:00 Author:Nicole | Keyword: gate circuit drive, dynatron drive, transformer drive

Mixed-type(gate circuit + dynatron + transformer) drive circuit diagram
  (View)

View full Circuit Diagram | Comments | Reading(549)

Self-motivated motor drive circuit diagram with frequency selective network and power amplifier

Published:2011/4/1 3:34:00 Author:Nicole | Keyword: Self-motivated motor drive

Self-motivated motor drive circuit diagram with frequency selective network and power amplifier
  (View)

View full Circuit Diagram | Comments | Reading(521)

Main drive circuit diagram of micro-motor

Published:2011/4/1 3:33:00 Author:Nicole | Keyword: micro-motor, main drive

Main drive circuit diagram of micro-motor
  (View)

View full Circuit Diagram | Comments | Reading(715)

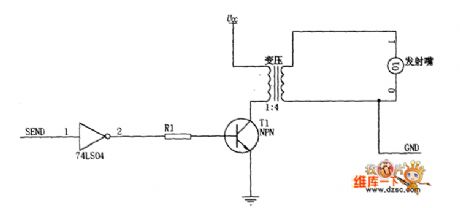
Car alarm circuit diagram

Published:2011/4/11 1:44:00 Author:Rebekka | Keyword: car alarm

Car alarm circuit diagram
Here is the schematic diagram of the Car alarm circuit:   (View)

View full Circuit Diagram | Comments | Reading(3682)

MCLR connection manual button switch circuit diagram

Published:2011/4/10 22:29:00 Author:muriel | Keyword: MCLR connection manual button switch

MCLR connection manual button switch circuit diagram
MCLR connection manual button switch circuit diagram as shown   (View)

View full Circuit Diagram | Comments | Reading(3842)

Operation amplifier high-pass filter circuit diagram

Published:2011/4/11 2:16:00 Author:Jessie | Keyword: Operation amplifier, high-pass filter

Operation amplifier high-pass filter circuit diagram
  (View)

View full Circuit Diagram | Comments | Reading(892)

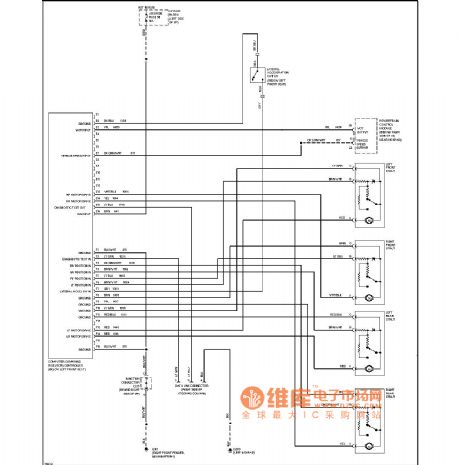
Cadillac alarm system circuit

Published:2011/4/11 2:15:00 Author:Jessie | Keyword: alarm system

Cadillac alarm system circuit
  (View)

View full Circuit Diagram | Comments | Reading(662)

Computing single op-amp realization circuit diagram

Published:2011/4/11 2:10:00 Author:Jessie | Keyword: Computing single op-amp

Computing single op-amp realization circuit diagram
  (View)

View full Circuit Diagram | Comments | Reading(564)

Lm1875T Hi-Fi 30w audio power amplifier circuit diagram 4

Published:2011/4/11 1:04:00 Author:Jessie | Keyword: audio power amplifier

Lm1875T Hi-Fi 30w audio power amplifier circuit diagram 4
  (View)

View full Circuit Diagram | Comments | Reading(2538)

Load drive multipliers circuit diagram

Published:2011/4/11 0:58:00 Author:Jessie | Keyword: Load drive multiplier

Load drive multipliers circuit diagram
  (View)

View full Circuit Diagram | Comments | Reading(486)

CA3091 multiplication circuit diagram

Published:2011/4/10 22:50:00 Author:Jessie | Keyword: multiplication

CA3091 multiplication circuit diagram
  (View)

View full Circuit Diagram | Comments | Reading(748)

Power audio oscillator circuit diagram

Published:2011/4/10 22:49:00 Author:Jessie | Keyword: Power audio oscillator

Power audio oscillator circuit diagram
  (View)

View full Circuit Diagram | Comments | Reading(603)

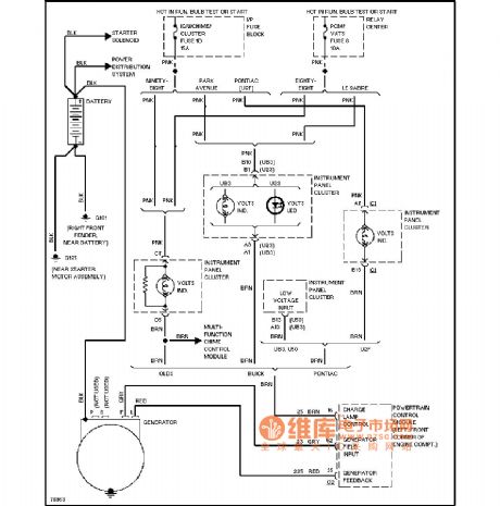
Buick charging department circuit diagram

Published:2011/4/10 21:53:00 Author:Jessie | Keyword: charging department

Buick charging department circuit diagram
  (View)

View full Circuit Diagram | Comments | Reading(544)

Buick computer control leveling circuit diagram

Published:2011/4/10 21:51:00 Author:Jessie | Keyword: computer control leveling

Buick computer control leveling circuit diagram
  (View)

View full Circuit Diagram | Comments | Reading(540)

Pages:296/312 At 20281282283284285286287288289290291292293294295296297298299300Under 20