Position: Home > Circuit Diagram > Control Circuit > Index 288
Low Cost Custom Prototype PCB Manufacturer

Control Circuit

Index 288



Succession double timing control circuit

Published:2011/4/14 4:45:00 Author:Nicole | Keyword: succession, double timing

Succession double timing control circuit
This circuit can control the two switchesin succession timing, andthe control time can be adjusted from a few seconds to several minutes; If it is used to mechanical control of forward and reverse reciprocating movement, it can make motor forward and reverse operation according to timing requirements.   (View)

View full Circuit Diagram | Comments | Reading(750)

Mobile phone l6 keyboard circuit diagram

Published:2011/4/12 3:42:00 Author:Jessie | Keyword: Mobile phone, keyboard

Mobile phone l6 keyboard circuit diagram
  (View)

View full Circuit Diagram | Comments | Reading(1033)

Close induction detection circuit diagram with MAX912

Published:2011/4/12 3:40:00 Author:Jessie | Keyword: Close induction detection

Close induction detection circuit diagram with MAX912
  (View)

View full Circuit Diagram | Comments | Reading(501)

Gas control alarm circuit with exhaust

Published:2011/4/11 23:02:00 Author:Jessie | Keyword: Gas control alarm, exhaust

Gas control alarm circuit with exhaust
  (View)

View full Circuit Diagram | Comments | Reading(443)

Thin wire used to light control circuit

Published:2011/4/13 4:19:00 Author:Nicole | Keyword: thin wire, light control

Thin wire used to light control circuit
MOC3011 photoelectric isolator can use low voltage singal line to control large bulb, motor, pump and other AC load form distance, it also conforms to building electric installation standard. The choice of thyristor type is decided by the load.   (View)

View full Circuit Diagram | Comments | Reading(483)

Single quarter lithium ion battery protection circuit with AICL811

Published:2011/3/30 2:11:00 Author:muriel | Keyword: Single quarter lithium ion battery , protection circuit

Single quarter lithium ion battery protection circuit with AICL811
  (View)

View full Circuit Diagram | Comments | Reading(2870)

Touch delay light circuit with digital circuit (4)

Published:2011/4/19 4:14:00 Author:Nicole | Keyword: delay light, digital circuit

Touch delay light circuit with digital circuit (4)
The figure is as shown, it is a simple and practical touch delay light switch. A CD4011 digital integrated circuit is made as the core to consist it, it is used to light in stairs aisle and other occasions.   (View)

View full Circuit Diagram | Comments | Reading(783)

Delay light circuit with music integrated circuit

Published:2011/4/19 3:50:00 Author:Nicole | Keyword: delay light, music

Delay light circuit with music integrated circuit
This is delay light with KD-9300 music integrated circuit, when you press the key switch SB, the light E is on, it delays about 20s, then E will cut off automatically.   (View)

View full Circuit Diagram | Comments | Reading(907)

MS51C61 program control flowing water color lamp with firecracker sound control circuit

Published:2011/4/19 3:11:00 Author:Nicole | Keyword: program control, flowing water, color lamp, firecracker sound

MS51C61 program control flowing water color lamp with firecracker sound control circuit
The figure is as shown. It consists of flowing water light control circuit, simulation firecracker sound circuit, audio power amplifier circuit and AC depressurization rectifier circuit. Program control flowing water color lamp control special integrated circuit MS51C61 is made as the core to consist this light control circuit.   (View)

View full Circuit Diagram | Comments | Reading(1114)

SH-803 festival color lamp with disco music control circuit

Published:2011/4/19 2:44:00 Author:Nicole | Keyword: festival color lamp, disco music

SH-803 festival color lamp with disco music control circuit
  (View)

View full Circuit Diagram | Comments | Reading(528)

Digital pressure tester circuit with digital pressure signal disposal device MAX1458

Published:2011/4/18 21:29:00 Author:Jessie | Keyword: Digital pressure tester, digital pressure signal disposal device

Digital pressure tester circuit with digital pressure signal disposal device MAX1458
  (View)

View full Circuit Diagram | Comments | Reading(448)

Precision bridge isolated amplifier circuit with ISO101

Published:2011/4/18 21:39:00 Author:Jessie | Keyword: bridge isolated amplifier

Precision bridge isolated amplifier circuit with ISO101
As shown in figureis precision bridge isolated amplifier circuit. Bridge circuit is widely used in automatic control, test, and data acquisition system. Figure (a) is a kind of high precision and high gain bridge isolated amplifier circuit. The sensor Rin bridge can be heat-sensitive, photosensitive or thermistor, etc. The signal voltage of sampling bridgeis single polarity signal, its value is 0~-10mV. This input signal firstamplifiered byhigh precision instrument INA101, and the voltage amplifier multiples of this amplifier is 100. INA101's internal circuit diagrams are as shown in figure (b), (c).   (View)

View full Circuit Diagram | Comments | Reading(746)

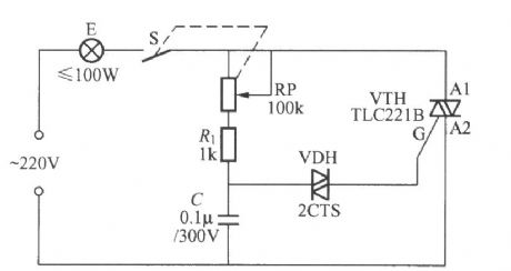
Bidirectional SCR dimming light circuit with bidirectional trigger diode

Published:2011/4/19 4:21:00 Author:Nicole | Keyword: Bidirectional SCR, dimming light, bidirectional trigger diode

Bidirectional SCR dimming light circuit with bidirectional trigger diode
  (View)

View full Circuit Diagram | Comments | Reading(785)

WT8089 16 kinds color lamp patterns with 8 songs controllor

Published:2011/4/19 4:30:00 Author:Nicole | Keyword: color lamp, controllor

WT8089 16 kinds color lamp patterns with 8 songs controllor
  (View)

View full Circuit Diagram | Comments | Reading(531)

Touch delay light circuit with digital circuit (1)

Published:2011/4/19 4:00:00 Author:Nicole | Keyword: delay light, digital circuit

Touch delay light circuit with digital circuit (1)
The figure is as shown, it is a touch delay light with CD4013 digital integrated circuit, the circuit consists of C3 depressurization, VD2 rectifier and VS steady voltage, after connecting to power supply, two sides of C2 can output 12V stable DC voltage to supply to the whole switch power utilization.   (View)

View full Circuit Diagram | Comments | Reading(1592)

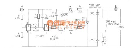
Touch delay light circuit with digital circuit (3)

Published:2011/4/19 4:07:00 Author:Nicole | Keyword: delay light, digital circuit

Touch delay light circuit with digital circuit (3)
The figure is as shown, it is a touch delay light with CD4069 digital integrated circuit, it adopts two-wire system connection, it can instead of ordinary light switch directly, it is not needed to change the indoor original wiring. The circuit delay time is determined by the discharge time of R3, C1, the data is about 1min.   (View)

View full Circuit Diagram | Comments | Reading(822)

Delay light circuit with special integrated circuit

Published:2011/4/19 3:25:00 Author:Nicole | Keyword: Delay light

Delay light circuit with special integrated circuit
The figure is delay light with light control special integrated circuit, the circuit is very simple. In figure, HL2102 IC is produced by Wuxi asic micro electronics oc.,ltd. (http//www.wxasic.corn) it is a light control timing special integrated circuit. This circuit is used to light at night when you get up, when you want to use it just press the push-button switch SB, the light E will light, delay few seconds then the light will off automatically. When the light is on, if you press the SB again, then the light E will off immediately.   (View)

View full Circuit Diagram | Comments | Reading(634)

Touch delay light circuit with digital circuit (2)

Published:2011/4/19 4:02:00 Author:Nicole | Keyword: delay light, digital circuit

Touch delay light circuit with digital circuit (2)
  (View)

View full Circuit Diagram | Comments | Reading(479)

Stepless dimming light circuit with special integrated circuit(HT7700A)

Published:2011/4/19 3:31:00 Author:Nicole | Keyword: Stepless dimming light

Stepless dimming light circuit with special integrated circuit(HT7700A)
The circuit is as shown, it is a keyed stepless dimming light with HT7700A dimming special integrated circuit, it uses SB single key control, the dimming brightness has 96 levels changes.   (View)

View full Circuit Diagram | Comments | Reading(589)

SH-804 festival multi-pattern color lamp with auspicious drum control circuit

Published:2011/4/19 2:15:00 Author:Nicole | Keyword: multi-pattern color lamp, auspicious drum

SH-804 festival multi-pattern color lamp with auspicious drum control circuit
  (View)

View full Circuit Diagram | Comments | Reading(584)

Pages:288/312 At 20281282283284285286287288289290291292293294295296297298299300Under 20