Position: Home > Circuit Diagram > Control Circuit > Index 34
Low Cost Custom Prototype PCB Manufacturer

Control Circuit

Index 34



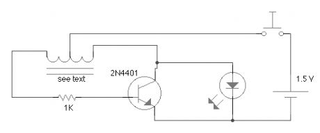
Power Failure Switch

Published:2013/1/16 20:57:00 Author:muriel | Keyword: Power Failure Switch

Power Failure Switch
  (View)

View full Circuit Diagram | Comments | Reading(858)

Series Connected Voltage Boost Circuit 4

Published:2013/1/16 20:55:00 Author:muriel | Keyword: Series Connected , Voltage Boost Circuit

Series Connected Voltage Boost Circuit 4
  (View)

View full Circuit Diagram | Comments | Reading(628)

Series Connected Voltage Boost Circuit 3

Published:2013/1/16 20:55:00 Author:muriel | Keyword: Series Connected, Voltage Boost Circuit

Series Connected Voltage Boost Circuit 3
  (View)

View full Circuit Diagram | Comments | Reading(598)

Series Connected Voltage Boost Circuit 2

Published:2013/1/16 20:54:00 Author:muriel | Keyword: Series Connected, Voltage Boost Circuit

Series Connected Voltage Boost Circuit 2
  (View)

View full Circuit Diagram | Comments | Reading(668)

Series Connected Voltage Boost Circuit

Published:2013/1/16 20:53:00 Author:muriel | Keyword: Series Connected , Voltage Boost Circuit

Series Connected Voltage Boost Circuit
  (View)

View full Circuit Diagram | Comments | Reading(903)

FAST PRECISION LED DRIVER

Published:2013/1/16 20:52:00 Author:muriel | Keyword: FAST PRECISION, LED DRIVER

FAST PRECISION LED DRIVER
  (View)

View full Circuit Diagram | Comments | Reading(2501)

simply the micro controllers

Published:2013/1/16 20:51:00 Author:muriel | Keyword: simply , micro controller

simply the micro controllers
  (View)

View full Circuit Diagram | Comments | Reading(616)

simply the micro controller

Published:2013/1/16 20:50:00 Author:muriel | Keyword: simply, micro controller

simply the micro controller
  (View)

View full Circuit Diagram | Comments | Reading(599)

Single and Two Cell White LED Drivers 3

Published:2013/1/16 20:48:00 Author:muriel | Keyword: Single, Two , Cell , White LED , Drivers

Single and Two Cell White LED Drivers 3
  (View)

View full Circuit Diagram | Comments | Reading(742)

Single and Two Cell White LED Drivers 2

Published:2013/1/16 20:47:00 Author:muriel | Keyword: Single, Two , Cell , White LED, Drivers

Single and Two Cell White LED Drivers 2
  (View)

View full Circuit Diagram | Comments | Reading(770)

Single and Two Cell White LED Drivers

Published:2013/1/16 20:45:00 Author:muriel | Keyword: Single , Two , Cell , White LED , Drivers

Single and Two Cell White LED Drivers
  (View)

View full Circuit Diagram | Comments | Reading(648)

White LED Drive Circuit3

Published:2013/1/16 20:43:00 Author:muriel | Keyword: White LED , Drive Circuit

White LED Drive Circuit3
  (View)

View full Circuit Diagram | Comments | Reading(617)

White LED Drive Circuit 2

Published:2013/1/16 20:41:00 Author:muriel | Keyword: White LED , Drive Circuit

White LED Drive Circuit 2
  (View)

View full Circuit Diagram | Comments | Reading(731)

White LED Drive Circuit

Published:2013/1/16 20:40:00 Author:muriel | Keyword: White LED, Drive Circuit

White LED Drive Circuit
  (View)

View full Circuit Diagram | Comments | Reading(828)

Low Capacitance Scope Probe Adapter

Published:2013/1/16 2:27:00 Author:muriel | Keyword: Low Capacitance Scope, Probe Adapter

Low Capacitance Scope Probe Adapter
  (View)

View full Circuit Diagram | Comments | Reading(843)

Simple LM335 Thermometer

Published:2013/1/16 2:24:00 Author:muriel | Keyword: Simple, LM335 , Thermometer

Simple LM335 Thermometer
  (View)

View full Circuit Diagram | Comments | Reading(1525)

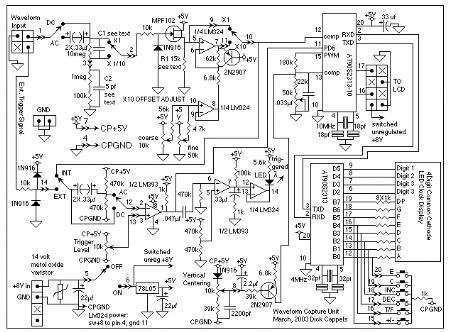
waveform capture and control and indicator unit

Published:2013/1/16 2:24:00 Author:muriel | Keyword: waveform capture, control , indicator unit

waveform capture and control and indicator unit
  (View)

View full Circuit Diagram | Comments | Reading(711)

Microcontroller Based Digital Lock-In Milliohmmeter 2

Published:2013/1/15 0:52:00 Author:muriel | Keyword: Microcontroller , Digital , Lock-In Milliohmmeter

Microcontroller Based Digital Lock-In Milliohmmeter 2
  (View)

View full Circuit Diagram | Comments | Reading(3091)

Microcontroller Based Digital Lock-In Milliohmmeters

Published:2013/1/15 0:52:00 Author:muriel | Keyword: Microcontroller , Lock-In Milliohmmeter

Microcontroller Based Digital Lock-In Milliohmmeters
  (View)

View full Circuit Diagram | Comments | Reading(736)

Microcontroller Based Digital Lock-In Milliohmmeter

Published:2013/1/15 0:51:00 Author:muriel | Keyword: Microcontroller , Lock-In Milliohmmeter

Microcontroller Based Digital Lock-In Milliohmmeter
  (View)

View full Circuit Diagram | Comments | Reading(1307)

Pages:34/312 At 202122232425262728293031323334353637383940Under 20