Position: Home > Circuit Diagram > Control Circuit > Index 23
Low Cost Custom Prototype PCB Manufacturer

Control Circuit

Index 23



TEC Control Loop Model

Published:2013/2/25 20:17:00 Author:muriel | Keyword: TEC Control Loop Model

TEC Control Loop Model
  (View)

View full Circuit Diagram | Comments | Reading(841)

TEC Temperature Controller

Published:2013/2/25 20:15:00 Author:muriel | Keyword: TEC Temperature Controller

TEC Temperature Controller
  (View)

View full Circuit Diagram | Comments | Reading(968)

Based Boost Regulator

Published:2013/2/25 20:12:00 Author:muriel | Keyword: Based Boost Regulator

Based Boost Regulator
  (View)

View full Circuit Diagram | Comments | Reading(812)

Switching Regulator

Published:2013/2/25 19:54:00 Author:muriel | Keyword: Switching Regulator

Switching Regulator
  (View)

View full Circuit Diagram | Comments | Reading(716)

Simplified TEC Control Loop Model Showing Thermal Terms

Published:2013/2/25 19:48:00 Author:muriel | Keyword: Simplified , TEC Control , Loop Model, Thermal Terms

Simplified TEC Control Loop Model Showing Thermal Terms
  (View)

View full Circuit Diagram | Comments | Reading(834)

Detailed Schematic of TEC Temperature Controller

Published:2013/2/25 19:45:00 Author:muriel | Keyword: TEC Temperature Controller

Detailed Schematic of TEC Temperature Controller
  (View)

View full Circuit Diagram | Comments | Reading(2905)

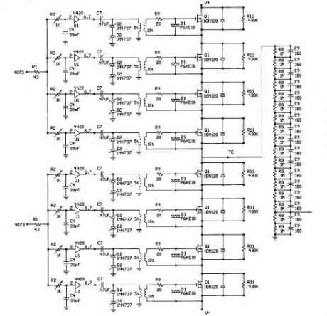
TESLA COIL DRIVER 2

Published:2013/2/24 21:20:00 Author:muriel | Keyword: TESLA COIL , DRIVER

TESLA COIL DRIVER 2
  (View)

View full Circuit Diagram | Comments | Reading(2532)

Proximity Switch

Published:2013/2/24 21:01:00 Author:muriel | Keyword: Proximity Switch

Proximity Switch
Proximity Switch. This design takes advantage of the ultra-high input impedance and power-handling capabilities of the IRF511 to make a simple, but sensitive, proximity sensor and alarm driver circuit.A 3x3-inch piece of circuit board (or similar size metal object), which functions as the pick-up sensor, is connected to the gate of Q1. A 100 MegaOhm resistor, R2, isolates Q1's gate from R1, allowing the input impedance to remain very high. If a 100-MegaOhm resistor cannot be located, just tie 5 22-MegaOhm resistors in series and use that combination for R2. In fact, R2 can be made even higher in value for added sensitivity.Potentiometer R1 is adjusted to a point where the piezo buzzer just begins to sound off and then carefully backed off to the point where the sound ceases. Experimenting with the setting of R1 will help in obtainin the best sensitivity adjustment for the circuit. Potentiometer R1 may be set to a point where the pick-up must be contacted to set of the alarm sounder. A relay or other current-hungry component can take the place of the piezo sounder to control almost any external circuit   (View)

View full Circuit Diagram | Comments | Reading(0)

Relay-Controller

Published:2013/2/24 21:00:00 Author:muriel | Keyword: Relay-Controller

Relay-Controller
Relay-Controller. With zero-gate bias applied, Q1 acts lilke an open switch, but when a DC voltage greater than 5 volts is applied to the input of the circuit, Q1 turns on, completing the relay circuits and therby activating the relay coil.The input bias current required to turn on Q1 and operate the relay is less than 10 uA (microAmps), which is about 1/1,000,000 of the current required to bias the popular 2N3055 power transistor to operate the same relay.R1 protects whatever's driving the MOSFET and filters against very short transients--together with (mainly) the gatet capacitance. The MOSFET doesn't need protection (as long as it never sees more than 12V), as its gate is insulated. For faster switching, use 100 ohm rather than 100K.R2 is only needed if the circuit driving it doesn't return to ground - to make sure it turns off. For fast OFF times, use as low an impedance as the driving circuit can safely handle.If driven from a (weak) CMOS gate from the 4K series (e.g. a 4093) as a Vdd of 12V, you could use 1K (or even lower) for R1 - and leave out R2 as the gates output goes to ground anyway.   (View)

View full Circuit Diagram | Comments | Reading(1744)

Pavel's Latest Version Direct Coupled Power Follower

Published:2013/2/24 20:53:00 Author:muriel | Keyword: Latest Version , Direct Coupled, Power Follower

Pavel's Latest Version Direct Coupled Power Follower
  (View)

View full Circuit Diagram | Comments | Reading(0)

Direct Coupled Power Follower Using MOSFET Current Source

Published:2013/2/24 20:53:00 Author:muriel | Keyword: Direct Coupled, Power Follower, MOSFET, Current Source

Direct Coupled Power Follower Using MOSFET Current Source
  (View)

View full Circuit Diagram | Comments | Reading(2168)

Power Follower Modified for Direct Coupling

Published:2013/2/24 20:52:00 Author:muriel | Keyword: Power Follower , Direct Coupling

Power Follower Modified for Direct Coupling
  (View)

View full Circuit Diagram | Comments | Reading(801)

MOSFET POWER FOLLOWER

Published:2013/2/24 20:51:00 Author:muriel | Keyword: MOSFET POWER FOLLOWER

MOSFET POWER FOLLOWER
  (View)

View full Circuit Diagram | Comments | Reading(1377)

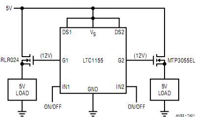
Dual High Side 3.3V Switch

Published:2013/2/24 20:44:00 Author:muriel | Keyword: Dual , High Side , 3.3V , Switch

Dual High Side 3.3V Switch
  (View)

View full Circuit Diagram | Comments | Reading(833)

Quad High Side Switch for Laptop Computer Power Load Management

Published:2013/2/24 20:43:00 Author:muriel | Keyword: Quad , High Side, Switch , Laptop Computer, Power Load Management

Quad High Side Switch for Laptop Computer Power Load Management
  (View)

View full Circuit Diagram | Comments | Reading(797)

Surface Mount MOSFET Switch

Published:2013/2/24 20:37:00 Author:muriel | Keyword: Surface Mount , MOSFET Switch

Surface Mount MOSFET Switch
  (View)

View full Circuit Diagram | Comments | Reading(969)

Bidirectional Switch Using Two “Back-to-Back” MOSFETs

Published:2013/2/24 20:35:00 Author:muriel | Keyword: Bidirectional Switch, “Back-to-Back” MOSFETs

Bidirectional Switch Using Two “Back-to-Back” MOSFETs
  (View)

View full Circuit Diagram | Comments | Reading(4479)

Adding 12V VGS Clamps when VS > 9V

Published:2013/2/24 20:33:00 Author:muriel | Keyword: 12V VGS Clamps , VS > 9V

Adding 12V VGS Clamps when VS > 9V
9V src= /uploadfile/ic-circuit/2013224203119446.jpg border=0>   (View)

View full Circuit Diagram | Comments | Reading(904)

High Efficiency Dual High Side Switch

Published:2013/2/24 20:30:00 Author:muriel | Keyword: High Efficiency , Dual High Side, Switch

High Efficiency Dual High Side Switch
  (View)

View full Circuit Diagram | Comments | Reading(710)

Matching MOSFET Drivers to MOSFETs

Published:2013/2/24 20:29:00 Author:muriel | Keyword: Matching MOSFET Drivers, MOSFETs

Matching MOSFET Drivers to MOSFETs
  (View)

View full Circuit Diagram | Comments | Reading(1456)

Pages:23/312 At 202122232425262728293031323334353637383940Under 20