Published:2011/7/19 11:54:00 Author:Michel | Keyword: Monolithic, Radio Integrated Circuit


TEA5551T is monolithic radio integrated circuit prodcued by Philips of Poland.TEA5551 is widely used in small headset type radio and AM of playback.
First,Function Features
TEA5551 integrated circuit contains AM radio frequency mixing, vibration, putting, detection and AGC circuit.It has all functions such as audio power output is received by the antenna.Its inside circuit block diagram and typical application circuit is shown as picture 1-1.
Second,Pins Functions and DataPins Functions and Data of TEA5551 are shown as table 1-2.
(View)
View full Circuit Diagram | Comments | Reading(1629)
Published:2011/7/19 9:23:00 Author:Robert | Keyword: Six, Tubes, Dot Matrix, Receiving, Screen
The picture shows the six tubes dot matrix receiving screen circuit. (View)
View full Circuit Diagram | Comments | Reading(529)
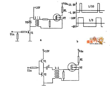
Published:2011/7/18 10:23:00 Author:Robert | Keyword: Transformer, Grid Electrode, Driving, Im, Pulse Width


The picture shows the transformer grid electrode driving circuit with Im changed according to pulse width. (View)
View full Circuit Diagram | Comments | Reading(706)
Published:2011/7/19 9:28:00 Author:Robert | Keyword: Simple, Single-Phase, Full-Wave, Rectifier, π, Filter
The picture shows the simple single-phase full-wave rectifier π type filter circuit. (View)
View full Circuit Diagram | Comments | Reading(693)
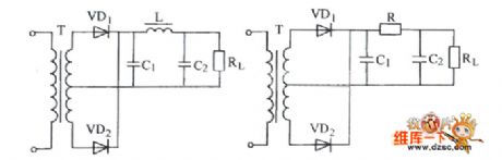
Published:2011/7/19 9:30:00 Author:Robert | Keyword: Single-Phase, Full-Wave, Rectifier, Duplex, Filter, Principle
The picture shows the single-phase full-wave rectifier duplex filter principle circuit. (View)
View full Circuit Diagram | Comments | Reading(1193)
Published:2011/7/19 9:34:00 Author:Robert | Keyword: Low-Cost, Single-Phase, Full-Wave, Rectifier, Capacitance, Filter
The picture shows the low-cost single-phase full-wave rectifier capacitance filter circuit.
(View)
View full Circuit Diagram | Comments | Reading(1394)
Published:2011/7/18 10:30:00 Author:Robert | Keyword: Driving
The TCD132D driving circuit is shown in the picture. (View)
View full Circuit Diagram | Comments | Reading(855)
Published:2011/7/19 9:50:00 Author:Robert | Keyword: Smart, Temperature Sensor, SPI, Bus, Interface, 3-Wire, Serial Interface
The smart temperature sensor DS1620 and SPI bus interface circuit by using 3-wire serial interface is shown in the picture. (View)
View full Circuit Diagram | Comments | Reading(2287)
Published:2011/7/19 9:57:00 Author:Robert | Keyword: Sensors, Welding Nozzle, Fixed


The picture shows the Sensors and welding nozzle fixed mode circuit. (View)
View full Circuit Diagram | Comments | Reading(523)
Published:2011/7/19 9:55:00 Author:Robert | Keyword: Two-Dimentional, PSD, Structure, Principle
The picture shows the two-dimentional PSD structure principle circuit. (View)
View full Circuit Diagram | Comments | Reading(534)
Published:2011/7/19 9:53:00 Author:Robert | Keyword: Two-Dimentional, PSD, Equivalent
The picture shows the two-dimentional PSD equivalent circuit. (View)
View full Circuit Diagram | Comments | Reading(723)
Published:2011/7/19 9:10:00 Author:Robert | Keyword: Auto-Adapted, Noise, Offset, Line
The picture shows the auto-adapted noise offset line circuit. (View)
View full Circuit Diagram | Comments | Reading(567)
Published:2011/7/18 10:15:00 Author:Robert | Keyword: Digital, Internal, Equivalent
The picture shows the digital type PGA204 internal part equivalent circuit. (View)
View full Circuit Diagram | Comments | Reading(605)
Published:2011/7/19 19:34:00 Author:Robert | Keyword: United, Electronic, Control, System
The picture shows the united electronic control system circuit. (View)
View full Circuit Diagram | Comments | Reading(543)
Published:2011/7/18 9:47:00 Author:Robert | Keyword: Exotherm, Transmitter, Common Output
The picture shows the exotherm transmitter circuit with common output. (View)
View full Circuit Diagram | Comments | Reading(496)
Published:2011/7/18 9:48:00 Author:Robert | Keyword: Light, Detection, T-Type, Feedback
The circuits shows the light detection T-type feedback circuit. (View)
View full Circuit Diagram | Comments | Reading(728)
Published:2011/7/18 10:00:00 Author:Robert | Keyword: Gas, Mass, Flow Capacity, Sensor, Internal, Differential, Amplification
The picture shows the AWM3000 series gas mass and flow capacity sensor internal differential amplification circuit. (View)
View full Circuit Diagram | Comments | Reading(545)
Published:2011/7/18 10:02:00 Author:Robert | Keyword: Gas, Mass, Flow Capacity, Sensor, Internal, Dual-Sensing
The picture shows the AWM3000 series gas mass and flow capacity sensor internal dual-sensing circuit. (View)
View full Circuit Diagram | Comments | Reading(492)
Published:2011/7/18 10:03:00 Author:Robert | Keyword: Gas, Mass, Flow Capacity, Sensor, Internal, Heater, Control
The picture shows the AWM3000 series gas mass and flow capacity sensor internal heater control circuit. (View)
View full Circuit Diagram | Comments | Reading(548)
Published:2011/7/18 9:55:00 Author:Robert | Keyword: One-Dimensional, PSD, Structure, Principle
The picture shows the one-dimensional PSD structure principle circuit. (View)
View full Circuit Diagram | Comments | Reading(774)
| Pages:88/126 At 2081828384858687888990919293949596979899100Under 20 |