Low Cost Custom Prototype PCB Manufacturer

Electrical Equipment Circuit

Index 97



The voltage monitoring and resetting circuit composed of TL7705CP

Published:2011/6/28 20:44:00 Author:qqtang | Keyword: voltage monitoring, resetting circuit

The voltage monitoring and resetting circuit composed of TL7705CP
  (View)

View full Circuit Diagram | Comments | Reading(882)

The double system monitoring circuit composed of NJM2103

Published:2011/6/28 21:37:00 Author:qqtang | Keyword: double system, monitoring circuit

The double system monitoring circuit composed of NJM2103
  (View)

View full Circuit Diagram | Comments | Reading(1108)

Rice cooker Circuit diagram 02

Published:2011/6/27 2:24:00 Author:zj | Keyword: Rice cooker, 01

Rice cooker Circuit diagram 02
  (View)

View full Circuit Diagram | Comments | Reading(5146)

Rice cooker Circuit diagram 01

Published:2011/6/27 21:17:00 Author:zj | Keyword: Rice cooker, 01

Rice cooker Circuit diagram 01
  (View)

View full Circuit Diagram | Comments | Reading(1744)

Telephone Schematic 09

Published:2011/6/27 4:11:00 Author:zj | Keyword: Telephone Schematic, 09

Telephone Schematic 09
  (View)

View full Circuit Diagram | Comments | Reading(1189)

Telephone Schematic 08

Published:2011/6/27 4:16:00 Author:zj | Keyword: Telephone Schematic, 08

Telephone Schematic 08
  (View)

View full Circuit Diagram | Comments | Reading(3615)

Telephone Schematic 07

Published:2011/6/27 4:16:00 Author:zj | Keyword: Telephone Schematic, 07

Telephone Schematic 07
  (View)

View full Circuit Diagram | Comments | Reading(1053)

Telephone Schematic 06

Published:2011/6/27 4:17:00 Author:zj | Keyword: Telephone Schematic, 06

Telephone Schematic 06
  (View)

View full Circuit Diagram | Comments | Reading(704)

Telephone Schematic 05

Published:2011/6/27 4:18:00 Author:zj | Keyword: Telephone Schematic, 05

Telephone Schematic 05
  (View)

View full Circuit Diagram | Comments | Reading(797)

Telephone Schematic 04

Published:2011/6/27 4:19:00 Author:zj | Keyword: Telephone Schematic, 04

Telephone Schematic 04
  (View)

View full Circuit Diagram | Comments | Reading(1661)

KS57C2616QFP IC Typical Application Circuit (2)

Published:2011/6/22 8:21:00 Author:Robert | Keyword: IC, Typical, Application

KS57C2616QFP IC Typical Application Circuit (2)
The KS57C2616QFP is a communication single-chip micro-computer IC which is mainly used as the mobile phone control microprocessor in the cordless telephone. The KS57C2616QFP IC's internal part is made upof CPU, keys scanning pulse generating circuit, keys command coding circuit, clock oscillation circuit (main oscillation and displaying oscillation), charging detecting circuit, power control circuit, PLL circuit, screen displaying decoding driving circuit and so on. The KS57C2616QFP IC uses 100-pin quatuor package and its typical application circuit is shown in the pictrue. The picture shows the KS57C2616QFP IC's typical application circuit.   (View)

View full Circuit Diagram | Comments | Reading(585)

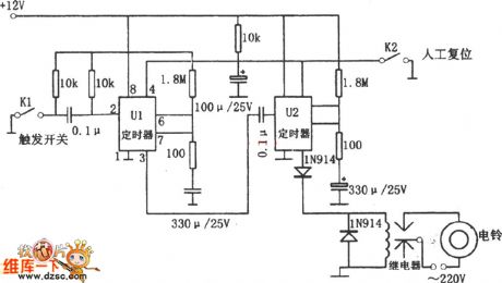
The time delay alarm circuit

Published:2011/6/26 21:59:00 Author:Borg | Keyword: time delay alarm

The time delay alarm circuit
In the figure is the time delay alarm circuit. The alarm consists of 2 NE555 timers, a relay, a ring and a switch circuit, etc. When the switch K1 is closed, the first NE555 alarm is going to making sounds in 20s or so, which controls the working of the 2nd NE555. The second NE555 makes sounds for about 60s. The time delay of about 20s is for the following purposes: first, letting the thief think he is safe, so people can seize him in the basement; second, letting the owner have enough time to reset the switch.   (View)

View full Circuit Diagram | Comments | Reading(1101)

Diode light changing switch circuit

Published:2011/6/27 3:25:00 Author:TaoXi | Keyword: Diode, light changing, switch circuit

Diode light changing switch circuit
As the figure shows, when the S1 and S2 are closing, the light E lights normally; when the S1 is in the closing state, and the S2 is opening, the light E outputs the dark light; if you open S1, the light E will turn off no matter the S2 is opening or closing.   (View)

View full Circuit Diagram | Comments | Reading(632)

Teana A33-EL indoor lamp 3

Published:2011/6/22 9:55:00 Author:Nancy | Keyword: Teana, indoor lamp

Teana A33-EL indoor lamp 3
  (View)

View full Circuit Diagram | Comments | Reading(561)

Teana A33-EL indoor lamp 2

Published:2011/6/22 9:54:00 Author:Nancy | Keyword: Teana, indoor lamp

Teana A33-EL indoor lamp 2
  (View)

View full Circuit Diagram | Comments | Reading(552)

Teana A33-EL indoor lamp 1

Published:2011/6/22 9:52:00 Author:Nancy | Keyword: Teana, indoor lamp

Teana A33-EL indoor lamp 1
  (View)

View full Circuit Diagram | Comments | Reading(502)

the interceptor circuit

Published:2011/6/25 1:58:00 Author:qqtang | Keyword: interceptor

the interceptor circuit
  (View)

View full Circuit Diagram | Comments | Reading(955)

K5S7C2616B IC Typical Application Circuit

Published:2011/6/22 8:19:00 Author:Robert | Keyword: IC, Typical, Application

K5S7C2616B IC Typical Application Circuit
The K5S7C2616B is a communication single-chip micro-computer IC which is mainly used as the mobile phone control microprocessor in the cordless telephone. The KS57C2616B IC's internal part is made up of CPU which is used to control many kinds of commmand signals' input and output, FSK decoding circuit, many kinds of command signals receiving and detecting circuit and resending circuit, and signal path selection circuit, system clock oscillation circuit, transmitting and receiving static double tone/pulse dialing selecting circuit, ring signal detection circuit, indicator light control, LCD liquid crystal display decoder driving circuit and so on. The comtrol circuit's typical application circuit composed of K5S7C2616B IC is shown in the pictrue. The picture shows the KS57C2616B IC's typical application circuit.   (View)

View full Circuit Diagram | Comments | Reading(619)

Optically controlled insects trap lamp circuit diagram

Published:2011/6/18 21:00:00 Author:Lucas | Keyword: optically controlled, insects, trap lamp

Optically controlled insects trap lamp circuit diagram
The optically controlled insects trap lamp circuit is composed of the bidirectional diode thyristor VT, two-way trigger diode V, photoresistor RC, resistor R, capacitor C, and light bulb EL, and the circuit is shown in the chart. R selects the 1W metal film resistor. RC uses MC45 series of photosensitive resistor, and it should be applied with a transparent rain cover. C selects the polyester capacitor or CBB capacitor with the voltage in 400V. V uses the DB3 or 2CTS2 two-way trigger diode. VT uses TLC336A (3A, 600V) bidirectional diode thyristor. EL uses 5 to 10 pieces of 40W, 220V incandescent bulbs conected in parallel, and the installation should add rain-proof glass shade, and lamp shade should be brushed a layer of black lacquer to enhance the effect of attracting insects.   (View)

View full Circuit Diagram | Comments | Reading(1356)

The LCD display circuit of Angel water dispenser and Samsung 57C2304

Published:2011/6/23 10:52:00 Author:qqtang | Keyword: LCD display, water dispenser

The LCD display circuit of Angel water dispenser and Samsung 57C2304
  (View)

View full Circuit Diagram | Comments | Reading(1283)

Pages:97/126 At 2081828384858687888990919293949596979899100Under 20