Published:2011/7/9 5:13:00 Author:Robert | Keyword: Frequency Band, Conversion, Switch, Integrated


The M54573L is a frequency band conversion switch IC produced by the Japanese Mitsubishi company. It is widely used in many kinds of screen in domestic and imported color TV sets.
1.Its functional features.
The M54573L IC's internal circuit is mainly made up of frequency-band conversion control signal decoding circuit, decoding driving control circui and other function circuits.
2.Its pin's function and data.
The M54573L IC uses 8-pin single inling package. Its pin's function is shown in the picture and its typical working voltage is listed in the table.
The picture shows the M54573L IC's internal circuit diagram and pin's function.
The table shows the M54573L IC's typical working voltage. (View)
View full Circuit Diagram | Comments | Reading(617)
Published:2011/7/9 6:27:00 Author:Robert | Keyword: Compensation, Unequal, Electrical Potential
Generally it takes the method of adding compensation resistance to eliminate the Hall element's inherent unequal electrical potential VO. But this method would affect the Hall element's sensitivity and accuracy. The picture shows several common compensation circuit.
The picture shows some compensation unequal electrical potential circuits by using cross-connected resistances. (View)
View full Circuit Diagram | Comments | Reading(578)
Published:2011/7/9 6:49:00 Author:Robert | Keyword: Single-Chip, Integrated, Photoelectric Switch, Driving, Loads, Application
The picture shows the TC-3330 single-chip integrated photoelectric switch driving different loads application circuits.
The TC-3330 can also be used in many areas such as table code identification, tension sensing, optic fiber isolator, paper or object detection, counting, rotation speed measurement. the photoelectric coupler made with it (diode output type, triode output type, darlington type) has the excellent performance and high reliability and wide range of application. (View)
View full Circuit Diagram | Comments | Reading(818)
Published:2011/7/10 3:11:00 Author:Robert | Keyword: Multi-Function, Electronic, Switch, Integrated



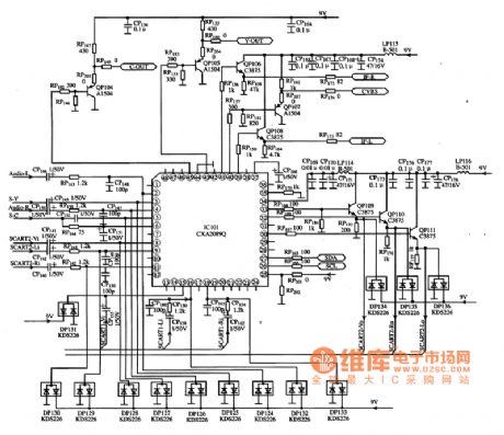
The CXA2089Q is a multi-function electronic switch IC produced by the Japanese Sony company which is widely used in domestic and imported plasma and other large-screen color TV sets, such as the LG series RF-02RA cassette mechanism and so on.
1.Its functional features.
The CXA2089Q IC has five groups composite video signal input, three groups Y/C signal input, two groups composite video signal output, 2 groups Y/C signal output, 5 groups L/R sound-channel audio signal input, 2 groups L/R sound-channel audio signal output, which support the S1 and 3-channel S2 protocol. It has internal Y/C hybrid circuit and wideband video amplifier (20MHz). Its audio squelch can be controlled from the external provided signal. The whole signal conversion is achieved under the I2C bus control.
The CXA2089A IC could not only achieve the internal and external video, internal and external double-sound-channel audio signal's conversion, but also can easily achieve the conversion between the external S-video port Y/C signal and internal Y/C signal separated from the Y/C separation circuit.
The CXA2089Q IC's internal circuit diagram is shown in picture 1.
The picture 1 shows the CXA2089Q IC's internal circuit diagram. (View)
View full Circuit Diagram | Comments | Reading(1656)
Published:2011/7/10 3:46:00 Author:Robert | Keyword: Magnetic, Diode, Shape
The picture shows the 2ACM type magnetic-sensitive diode shape circuit. (View)
View full Circuit Diagram | Comments | Reading(842)
Published:2011/7/9 22:59:00 Author:Robert | Keyword: Image, Processing, Integrated






The DPTV-3D673 is a image processing IC which is used in the super-large screed rear projection color TV sets, such as the Changhong HP series Precision Vision King and so on.
1.Its functional features.
The DPTV-3D6730 IC's internal circuit can be used to complete the image signal's A/D (analog/digital) conversion, NTSC/SECAM modulation and decoding, scanning frequency and format conversion, 14D dynamic picture quality enhancement, digital/analog (D/A) conversion and so on.
(1)Its decoding circuit.
The decoding circuit has a 3D comb filter controlled by the program, which can support PAL/NTSC/SECAM formats and isolate the Y/C signals. The color edge enhancement circuit can improve the color transient characteristics.
(2)Screen diaplay modes.
The screen display modes mainly have: picture-out-picture display mode, picture-in-picture display mode, panorama display mode. It supports 16:9 and 4:3 screen ratio and other modes. (View)
View full Circuit Diagram | Comments | Reading(641)
Published:2011/7/9 7:35:00 Author:Robert | Keyword: Dual-Sound-Channel, Audio, Power, Amplification, Integrated



The D2025 is a dual-sound-channel audio power amplification IC which is widely used in the computer active speakers and other equipments.
1.Its functional features.
The D2025 IC's internal part is mainly made up of two-channel power amplifier with the same function and over-heat protection circuit, over-voltage protection circuit, over-current protection circuit and other circuits. Its internal circuit diagram is shown in picture 1.
The picture 1 shows the D2025 IC's internal circuit diagram.
2.Its pin's function and data.
The D2025 IC uses 16-pin dual inline package and its pin's function and data is listed in table 1.
The table 1 shows the D2025 IC's pin's function and data.
3.Typical application circuit.
The dual-sound-channel power amplification typical application circuit composed of D2025 IC is shown in picture 2.
The picture 2 shows the D2025 IC's typical application circuit. (View)
View full Circuit Diagram | Comments | Reading(5587)
Published:2011/7/9 7:47:00 Author:Robert | Keyword: Single-Chip, Micro-Computer, Integrated



The CXP750096-012Q is a single-chip micro-computer IC produced by the Japanese Sony company. It is widely used in the digital color TV sets.
1.Its functional features.
The CXP750096-012Q IC's internal part is mainly made up of central processing unit (CPU), clock oscillation circuit, decoding circuit, I2C bus control circuit, screen display character generating and processing circuit, picture-in-picture control circuit, starting control circuit, and other some control and auxiliary function circuits and so on. Its internal circuit diagram is shown in picture 1.
The picture 1 shows the CXP750096-012Q IC's internal circuit diagram and pin's function and signal flowing.
2.Its pin's letter code and data.
The CXP750096-012Q IC uses 64-pin dual package and its pin's letter code and data is listed in the table 1.
The table 1 shows the CXP750096-012Q IC's pin's letter and data. (View)
View full Circuit Diagram | Comments | Reading(626)
Published:2011/7/9 8:05:00 Author:Robert | Keyword: Single-Chip, Micro-Computer, Integrated



The CXP85332-108 is a single-chip micro-computer IC produced by the Japanese Sony company. It is widely used in the Sony series large-screen digital color TV sets.
1.Its functional features.
The CXP85332-108 IC's internal part is mainly made up of central processing unit (CPU), clock oscillation circuit, reset control circuit, remote-control command signal processing circuit, I2C bus control circuit, key command signal decoding circuit, standby/starting control circuit, picture-in-picture control circuit, screen display character generating and processing circuit and other some control and auxiliary function circuits and so on. Its internal circuit diagram and pin's function and signal flowing is shown in picture 1.
The picture 1 shows the CXP85332-108 IC's internal circuit diagram and pin's function and signal flowing.
2.Its pin's letter code and data.
The CXP85332-108 IC uses 64-pin dual package and its pin's letter code and data is listed in the table 1.
The table 1 shows the CXP85332-108 IC's pin's letter and data. (View)
View full Circuit Diagram | Comments | Reading(907)
Published:2011/7/9 8:13:00 Author:Robert | Keyword: Single-Chip, Micro-Computer, Integrated


The CXP80420-1391 is a single-chip micro-computer IC which is widely used in the Japanese Sony series large-screen digital color TV sets.
1.Its functional features.
The CXP85332-108 IC's internal part is mainly made up of central processing unit (CPU), clock oscillation circuit, reset control circuit, I2C bus control circuit, screen display character generating and processing circuit and other some control and auxiliary function circuits and so on. Its internal circuit diagram and pin's function and signal flowing is shown in picture 1.
The picture 1 shows the CXP80420-1391 IC's internal circuit diagram and pin's function and signal flowing.
2.Its pin's letter code and data.
The CXP80420-1391 IC uses 64-pin dual package. Its pin's function is shown in the picture 1 and its working parameters are listed in the table 1.
The table 1 shows the CXP85332-108 IC's working parameters. (View)
View full Circuit Diagram | Comments | Reading(973)
Published:2011/7/9 8:25:00 Author:Robert | Keyword: Single-Chip, Micro-Computer, Integrated


The CXP1103-9919E is a single-chip micro-computer IC which is widely used in the Konka series digital color TV sets.
1.Its functional features.
The CXP1103-9919E IC's internal part is mainly made up of central processing unit (CPU), clock oscillation circuit (main clock, screen display clock), reset circuit, remote-control command signal processing circuit, I2C bus control circuit, standby/starting control circuit, screen display character generating and processing circuit, sound system control circuit, squelch control circuit, a veriety of analog parameters control circuit and other some control and auxiliary function circuits and so on. Its internal circuit diagram and pin's function and signal flowing is shown in picture 1.
The picture 1 shows the CXP1103-9919E IC's internal circuit diagram and pin's function and signal flowing.
2.Its pin's letter code and data.
The CXP1103-9919E IC uses 42-pin dual package. Its pin's letter code and data is listed in the table 1.
The table 1 shows the CXP1103-9919E IC's pin's letter code and data.. (View)
View full Circuit Diagram | Comments | Reading(585)
Published:2011/7/9 22:28:00 Author:Robert | Keyword: Digital, Servo, Processing, Integrated




The CXD2545AQ is a digital servo processing IC produced by the Japanese Sony company which is widely used in CD, VCD players.
1.Its functional features.
The CXD2545AQ IC has internal 32KB RAM which can absorb the frame jitter as wide as 128 frams. By using new powerful error-correction algorithm software it could achieve double error-correction in C1 and four times error-correction in C2. This would be significant for the VCD films with not high quality. It could play with four times speed, double times speed and variable speed. The constant speed capstan servo processor uses 18 times oversampling digital filter and noise shaping technology. So that the digital servo phase-locked loop would work more stable and more accuracy. This makes the spindle machine could be controlled precisely. The laser head would keep a constant wire-speed relative to the disc so that it could read the information successfully. (View)
View full Circuit Diagram | Comments | Reading(604)
Published:2011/7/9 22:43:00 Author:Robert | Keyword: Digital, Signal, Processing, LSI, Integrated






The CXD250OBQ is a digital signal processing LSI IC produced by the Sonu company which is widely used in many brands of VCD players, such as the Changhong series VCD players.
1.Its functional features.
The CXD250OBQ IC's internal circuit has the following features:
Internal 32kB buffer RAM with wide jitter capacity limit (±28 frames).
Digital method PLL generating bit clock with capture range more than ±150KHz.
EFM data demodulation: by using RSS method to improve the error-correction ability. Which means C1 is doube error correction and C2 is four-times error correction.
Speeding playing and variable speed long-time playing; noise reduction processing when the track skips; automatic zero-cross squelch processing.
Sub-code decoding and Q sub-code error detection: digital method spindle motor servo system: 16-bit bidirectional counter.
And so on. (View)
View full Circuit Diagram | Comments | Reading(1111)
Published:2011/7/10 2:55:00 Author:Robert | Keyword: Digital, Signal, Processing, Integrated


The CXD1167Q is a digital signal processing IC produced by the Japanese Sony company which is widely used in the car CD audio systems and home players.
1.Its functional features.
The CXD1167Q IC has internal spindle motor control circuit, EFM signal from the RF amplifier processing circuit, CVO (voltage controlled oscillator) signal processing circuit, serial data transmission clock signal circuit, communication to CPU interface circuit, reset control circuit, squelch control circuit, sub-code Q signal processing circuit, clock oscillation circuit, mode selection signal processing circuit, and other some control and auxiliary function circuits.
2.Its pin's function and data.
The CXD1167Q IC uses 80-pin square package structure and its pin's function and data is listed in table 1.
The table shows the CXD1167Q IC's pin's function and data. (View)
View full Circuit Diagram | Comments | Reading(1822)
Published:2011/7/9 9:39:00 Author:Robert | Keyword: Signal, Processing, Integrated


The CXA1821M is a RF signal processing IC produced by the Japanese Sony company. It is widely used in many brands of players such as Lehua, Xinke, Wanlida an so on.
1.Its pin's function.
The CXA1821M IC uses 20-pin dual inline package and its pin's function is listed in table 1.
The table shows the CXA1821M IC's pin's function.
2.Typical application circuit.
The signal processing typical application circuit composed of the CXA1821M IC is shown in the picture 1.
The picture 1 shows the CXA1821M IC's typical application circuit. (View)
View full Circuit Diagram | Comments | Reading(840)
Published:2011/7/10 3:43:00 Author:Robert | Keyword: Musical, Integrated





The CIC481 series musical IC is the kind of IC which contains many songs of piano, organ, mandolin these three musical effects. The CIC481 has internal 8 songs. The CIC482 has internal 12 songs. The CIC483 has internal 10 songs. The songs can be single-cycle played or continuously played. The CIC481 series products use 16-pin dual package. Its pin's function is listed in the table 1 and its control function truth table is listed in table 2.
The picture shows the CIC2850 series musical IC application circuit.
The table 1 shows the CIC481 series musical IC's pin's function.
The table 2 shows the CIC481 series musical IC's control function truth table.
The last picture shows the typical circuit according to the table to control the songs output. This circuit uses the push-pull transistor output to increase the output power. C1 and C2 are used to eliminate high-frequency oscillation. It is connected a function-selection switch circuit to the pins of CE, LP, SL, /AS. Through them it could achieve every control function listed in the truth table. (View)
View full Circuit Diagram | Comments | Reading(1532)
Published:2011/7/10 3:25:00 Author:Robert | Keyword: Clock, Pulse, Generator, Integrated


The CXA1686M is a clock pulse generator IC produced by the Sony company which is widely used in Changhong NC-3 cassette mechanism series large-screen color TV sets.
1.Its functional features.
The CXA1686M IC's internal part is mainly made up of three parts which are video signal selection circuit, clamp pulse forming circuit and 4fsc clock pulse forming circuit and so on. Its internal circut diagram and pin's function is shown in picture 1.
The picture 1 shows the CXA1686M IC's internal circuit diagrama nd pin's function.
The CXA1686M IC is generally used to coordinate with SBX1765-01 thick-film comb filter circuit to make up the Y/C separation circuit. The CXA1686M's function is supplying the necessary clamp pulse signal, comb filter working mode control signal and the chroma signal genlocking's 4fsc clock signal for the comb filter circuit SBX1765-01. (View)
View full Circuit Diagram | Comments | Reading(861)
Published:2011/7/9 9:09:00 Author:Robert | Keyword: Key-Control, Command, Comparator, Integrated
The CXA1405AM is a key-control command comparator IC produced by the Japanese Sony company. It is widely used in Toshiba, Sony, Aihua repeater.
1.Its functional features.
The CXA1405AM IC's internal part is mainly made up of key-control command signal comparator circuit, signal preamplifier circuit, buffer circuit and other auxiliary circuits and so on.
The CXA1405AM IC's working voltage range is from 1.5V to 5V. Its typical working voltage is 2V and has very low power consumption. It is used in the portable audio system.
2.Its pin's function and data.
The CXA1405AM IC uses 8-pin dual inline package and its pin's function and data is listed in table 1.
The table 1 shows the CXA1405AM IC's pin's function and data. (View)
View full Circuit Diagram | Comments | Reading(606)
Published:2011/7/10 3:56:00 Author:Robert | Keyword: Digital, Surround Sound, Processing
The CXA1249M is a digital surround sound processing IC produced by the Sony company. It is widely used in low-voltage walkman, multimedia audio systems and so on.
1.Its functional features.
The CXA1249M IC has internal Dolby noise reduction circuit, surround sound processing circuit, R and L sound-channel digital processing circuit and so on. So its power consumption is low.
2.Its pin's function and data.
The CXA1249M IC uses 14-pin dual package and its pin's function and data is listed in table 1.
The table 1 shows the CXA1249M IC's pin's functon and data. (View)
View full Circuit Diagram | Comments | Reading(1462)
Published:2011/7/10 7:52:00 Author:Robert | Keyword: Single-Chip, Radio, Integrated



The CXA1191M is a single-chip radio IC produced by the Japanese Sony company which is widely used in the radio systems of many audio equipments, such as home audio system, car audio system.
1.Its functional features.
The CXA1191M IC's internal part has: FM high-amplification, frequency conversion, mid-amplification, frequency detection circuit; AM frequency conversion, mid-amplification, wave detection circuit; electronic volume control, low frequency amplification, power regulator circuit and so on. Because of its full-featured, high sensitivity, stale performance, good squelch function, it is widely used.
2.Its pin's function and data.
The CXA1191M IC uses 28-pin dual inline package and its pin's function and data is listed in table 1.
The table 1 shows the CXA1191M IC's pins function and data. (View)
View full Circuit Diagram | Comments | Reading(10957)
| Pages:91/126 At 2081828384858687888990919293949596979899100Under 20 |