Published:2011/7/6 10:24:00 Author:qqtang | Keyword: electric appliance, burglarproof alarm
The circuit principle is shown in figure 1. SCR, R1 and AN can compose the SCR trigger switch circuit; IC1, R2, VT1, VT2 and BL compose the analog alarm whistle circuit. Usually, AN is pressed by the domestic appliance, both of its normally open contactors are disconnected, SCR is blocked without trigger signal, the alarm is not working. When the appliance is moved, the contactors of AN are closed, the trigger terminal of SCR is getting the signal from the positive pole of the power supply with the help of R1, SCR is conducting, IC1 is getting power and working, and the output terminal is outputting a police whistle signal which is amplified by VT1 and VT2. (View)
View full Circuit Diagram | Comments | Reading(721)
Published:2011/7/6 0:58:00 Author:Borg | Keyword: door bell
Figure 1 represents a cheap and simple Gate Alarm, that is intended to run off a small universal AC-DC power supply. IC1a is a fast oscillator, and IC1b a slow oscillator, which are combined through IC1c to emit a high pip-pip-pip warning sound when a gate (or window, etc.) is opened. The circuit is intended not so much to sound like a siren or warning device, but rather to give the impression: You have been noticed. R1 and D1 may be omitted, and the value of R2 perhaps reduced, to make the Gate Alarm sound more like a warning device. VR1 adjusts the frequency of the sound emitted. IC1d is a timer which causes the Gate Alarm to emit some 20 to 30 further pips after the gate has been closed again, before it falls silent, as if to say: I'm more clever than a simple on-off device. Piezo disk S1 may be replaced with a LED if desired, the LED being wired in series with a 1K resistor. Figure 2 shows how an ordinary reed switch may be converted to close (a normally closed switch) when the gate is opened. A continuity tester makes the work easy. Note that many reed switches are delicate, and therefore wires which are soldered to the reed switch should not be flexed at all near the switch. Other types of switches, such as microswitches, may also be used. (View)
View full Circuit Diagram | Comments | Reading(1775)
Published:2011/7/6 0:57:00 Author:Borg | Keyword: motorcycle alarm
Any number of normally open switches may be used. Fit the mercury switches so that they close when the steering is moved or when the bike is lifted off its side-stand or pushed forward off its centre-stand. Use micro-switches to protect removable panels and the lids of panniers etc. While at least one switch remains closed, the siren will sound. About two minutes after the switches have been opened again, the alarm will reset. How long it takes to switch off depends on the characteristics of the actual components used. But, up to a point, you can adjust the time to suit your requirements by changing the value of C1.The circuit board and switches must be protected from the elements. Dampness or condensation will cause malfunction. Without its terminal blocks, the board is small. Ideally, you should try to find a siren with enough spare space inside to accommodate it. Fit a 1-amp in-line fuse close to the power source. This protects the wiring. Instead of using a key-switch you can use a hidden switch; or you could use the normally closed contacts of a small relay. Wire the relay coil so that it is energized while the ignition is on. Then every time you turn the ignition off, the alarm will set itself.When it's not sounding, the circuit uses virtually no current. This should make it useful in other circumstances. For example, powered by dry batteries and with the relay and siren voltages to suit, it could be fitted inside a computer or anything else that's in danger of being picked up and carried away. The low standby current and automatic reset means that for this sort of application an external on/off switch may not be necessary. (View)
View full Circuit Diagram | Comments | Reading(780)
Published:2011/7/6 5:04:00 Author:qqtang | Keyword: cupboard, drawer, light penetration
The figured circuit consists of the light sensor, electric switch circuit and music playing circuit, etc.when the cupboard or the drawer is opened by someone, the circuit will make sound which attracts the owner's attention. (View)
View full Circuit Diagram | Comments | Reading(682)
Published:2011/7/6 2:40:00 Author:qqtang | Keyword: over-temperature, cooling alarm
Working principle
The circuit is shown in figure 1. The diodes of VD1 and VD2 are both located in the constant temperature box, when the temperature is below the lower limit, the LEV of figured point a is higher than the threshold voltage U of the gate A input terminal, the output terminal of gate A is in a low LEV, which makes gate B output a high LEV, at the moment, the oscillator composed of gate C and gate D is starting to vibrating, the piezoelectric chip is making the alarm sound; when the temperature is over the upper limit, the LEV at point b is lower than the voltage U of the gate B threshold, which can also makes gate B output a high LEV, and the piezoelectric chip is making the alarm sound. (View)
View full Circuit Diagram | Comments | Reading(726)
Published:2011/7/6 2:52:00 Author:qqtang | Keyword: over-temperature, wireless alarm
With modern electric technologies, it's common to install a set of constant temperature control device for some equipment that works in high temperatures. However, when the control equipment is malfunctioning in some special conditions, if there is a set of the over-temperature alarm device, the safety of the equipment can be secured. The over-temperature wireless alarm device is such a set of equipment which can emit the over-temperature alarm signal automatically when the temperature of the machine is too high.
(View)
View full Circuit Diagram | Comments | Reading(739)
Published:2011/7/5 22:03:00 Author:Borg | Keyword: humidity detection, auto ventilation
See as the figure, the circuit consists of the precise time-based oscillator, trigger D, temperature detection circuit, relay controlled ventilation circuit, auto reminding circuit and AC step-down rectifier circuit, etc. BC is made of the quartz of the watch, whose solid frequency is 32768Hz; K1 is JZC-22F; C6 and C7 are the electrolytic capacitor of CD11-16V; C3, C4 and C5 is the polyester film capacitor of CL11-63V type; R10 is the RJ-2W-820kΩ, RP1 is the WH5 integrated film potentiometer, the other resistors are all made of the RT-1/8W carbon capacitor; C8 is the CBB-400V-0.75μF; VC is adopted with the 1A/400V full bridge rectifier module. (View)
View full Circuit Diagram | Comments | Reading(681)
Published:2011/7/5 10:06:00 Author:John | Keyword: speaker
View full Circuit Diagram | Comments | Reading(3035)
Published:2011/7/5 10:05:00 Author:John | Keyword: Air pressure switch
The figure shows the air pressure switch self-controlled circuit, which uses the GYD-16 / C-type air pressure switch and contactor KM. The GYD shown in the figure is the air pressure switch. It directly controls the opening and closing action of AC contactor KM, thus being able to control the motor M to stop.
(View)
View full Circuit Diagram | Comments | Reading(700)
Published:2011/7/5 11:10:00 Author:John | Keyword: Y-△ starting circuit, coil
View full Circuit Diagram | Comments | Reading(885)
Published:2011/7/6 4:46:00 Author:John | Keyword: Zero sequence current
The circuit is as shown, press the start button ST to lead the KM pulls. Then the motor M runs into normal operation. At this moment, three-phase load of the motor is balanced. Secondary current of the zero sequence current transformer TA is zero. The VT1 is off and the VT2 is inducted. The relay K (JR-4 type) pulls to lead the KM to be self-locked. When the phase is broken, current induced by TA’s secondary pole is rectified by the VD1, thus turning the VT1 from the deadline state to induction state. However, the VT2 is turned from the induction state to deadline state (VT2’s power supply is picked out from the winding around generator L on the KM coil, which is about 15 ~ 18V and used to power after being rectified by the VC).
(View)
View full Circuit Diagram | Comments | Reading(1136)
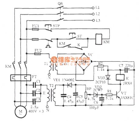
Published:2011/7/6 5:01:00 Author:John | Keyword: off-phase protection
As shown in the figure, when the motor is within normal operation, the three-phase power supply is connected to three capacitors Y with the equal capacitance. Then potential of its contact E is 0V and the secondary side of transformer T2 is with no output voltage. As a result, when the VT is turned off, the K is released and its normally closing contacts are normally closed. And KM coils work properly. When any phase of the three-phase power supply is off, contact E values several volts due to the unbalanced three-phase. The voltage is gone through the transformer T2, VD1 rectifier, C4 and C5 filters, VD2 regulator, C6 and delay resistor R1. Afterwards, the voltage is added to the VT base to induct VT. K acts to cut the normally closing contacts of K. The KM circuit is cut off and the motor M stops working without electricity.
(View)
View full Circuit Diagram | Comments | Reading(1890)
Published:2011/7/6 5:03:00 Author:John | Keyword: automotive spark plug, water level
View full Circuit Diagram | Comments | Reading(1908)
Published:2011/7/6 5:04:00 Author:John | Keyword: Y-△, contactor
View full Circuit Diagram | Comments | Reading(955)
Published:2011/7/6 2:25:00 Author:qqtang | Keyword: protection plug, color TV
The circuit of the device is shown in Figure 1, which consists of VDR MY and the dual-way SCR VS. The main function of MY is to absorb the flooding wave in the grid and avoid large current impact of starting up, as it is in the first pass of the power supply of color TV, so it can purify the grid power supply, reduce the disturbance and clear the screen image; VS is the electric switch, which is conducting and generating the short current to blow the fuse when there is the fault phase in the grid, so the power supply of the color TV is cut off. (View)
View full Circuit Diagram | Comments | Reading(740)
Published:2011/7/6 1:38:00 Author:qqtang | Keyword: electric alarm, flash lamp
There are two requirements on the electric flash device, the first is a high efficiency, the other is the constant conducting times. The latter depends on the energy stored in the flash capacitor, so it also depends on the flash pipe in use. In the figure is the electric flash device light source circuit with the auto power-off equipment, whose main technical data are as follows:Working voltage: 2.5v(-15%,+15%)Working current(average value):3APeak current:6ACapacitor selection:Charge voltage,V charge time,s capacitor C, μF 300 4 300 500 13 300 300 6.5 500 500 20 500
Transformer data: (View)
View full Circuit Diagram | Comments | Reading(682)
Published:2011/7/5 21:27:00 Author:Borg | Keyword: protection circuit, air compressor
View full Circuit Diagram | Comments | Reading(1617)
Published:2011/7/5 21:24:00 Author:Borg | Keyword: auto reset, over-voltage protection
The circuit in figure 5.41 includes the power supply, trigger starting and control circuit, it controls ON/OFF of the load R1 with the help of the dual-way thyristor ZN6346. Once the AC power supply voltage is too high, the voltage on point A of the stable element LN5314 will be rising up, which makes the single-way thyristor 2N5060 conducting and transistor MPS6581 break down, so is the thyristor 2N6239, so the main dual-way thyristor is broken down, the load is protected from being broken due to over-voltage.
(View)
View full Circuit Diagram | Comments | Reading(1297)
Published:2011/7/5 21:14:00 Author:Borg | Keyword: auto ventilation, language warning circuit, combustible gas over-content
View full Circuit Diagram | Comments | Reading(693)
Published:2011/7/5 21:11:00 Author:Borg | Keyword: combustible gas, full-automation


This device is fixed with a TWH8751 power integrated chip which consists of the high-voltage electric sparkle lighting equipment, and the equipment is under the control of the fire feedback light signal, so the device has the function of re-lighting after being put out. The device can fulfill the auto cook with other circuits. TWH8751, R1 and C1 compose the square wave generator. B2 is a booster, which can be replaced by the 12 inch high-voltage package, or the output transformer that the first stage is rolled for 30 turns by the 0.3mm wire or that is used in the valve radio.
(View)
View full Circuit Diagram | Comments | Reading(2201)
| Pages:1607/2234 At 2016011602160316041605160616071608160916101611161216131614161516161617161816191620Under 20 |