Published:2011/6/24 7:41:00 Author:Seven | Keyword: Toyota, back gear


The Toyota A340E“R” back gear oil circuit is shown in the figure.
(View)
View full Circuit Diagram | Comments | Reading(1597)
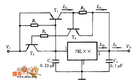
Published:2011/6/24 7:41:00 Author:Seven | Keyword: serial connection, 3-terminal regulated chip
When a current that is higher than 0.1A is needed, we can use other types of integrated circuit the following current expanding circuit. The output current of the 78 series circuit is I0=I01+I02, of which I01=Ic1, I02≈0.7V/R1. This serial connection current expanding circuit of 3-terminal regulated chip has the function of over-current protection, when it is normally working, T2 and T3 are blocked; when IO is over-current, IO1 is increasing, the voltage drop of the current limiting resistor R3 makes T3 and T2 conducting, the VBE of T1 is falling ,which limits the IC1 of T1 and it also protects T1 from being broken of over current.
(View)
View full Circuit Diagram | Comments | Reading(731)
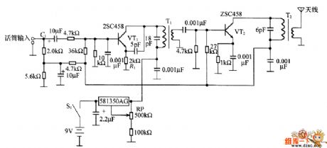
Published:2011/6/24 7:41:00 Author:Seven | Keyword: FM modulation, wireless microphone
In the figure is the FM modulation wireless microphone circuit, in fact, this is the FM modulation commutator whose frequency is 80~90MHz. The working principle is as follows: the microphone converts the sound signal into the voltage signal which is added on the VT1 basic pole by the coupling capacitor C1, the current in the emitting pole is switched into the voltage, and the voltage change on R1 makes the collecting electrode voltage change, then the capacitor of the collecting pole changes and the oscillating frequency changes, which modulates FM. The modulating signal is emitted after it's been magnified by VT2.
(View)
View full Circuit Diagram | Comments | Reading(1367)
Published:2011/7/5 0:58:00 Author:chopper | Keyword: dolby, noise reduction, integrated circuit
TA7770 is a dolby noise reduction integrated circuit produced by Japanese company TOSHIBA,it is applied to slap-up low-voltage walkman,repeater and other acoustic equipments.1.function characteristicsTA7770 integrated circuit includes two double channel dolby noise reduction circuits of same function,benchmark voltage circuit,dolby switch control circuit and other miscellaneous function circuits.2.function and data of pinsTA7770 integrated circuit adopts dual inline 2 pinned package. The function and data of pins of the integrated circuit are shown as the chart 1.
(View)
View full Circuit Diagram | Comments | Reading(591)
Published:2011/6/24 7:40:00 Author:Seven | Keyword: controllable silicon, equivalent circuit
The controllable silicon(thyristor) is a 4-layer, 3-terminal element, which has 3 PN knot, when analysing its principle, we can regard it as an element composed of a PNP and a NPN, its equivalent chart is in figure 1.
When the positive pole A is added with a forward voltage, BG1 and BG2 are both in amplifying state. At the moment, if we input a positive trigger signal from the control pole G, then BG2 will have a basic current ib2 in it, after the current is amplified by BG2, the collecting electrode current is ic2=β2ib2. As the collecting electrodes of BG2 and BG1 are connected directly, so ib1=ic2. (View)
View full Circuit Diagram | Comments | Reading(669)
Published:2011/7/4 4:25:00 Author:Seven | Keyword: golf, AUM motor
The golf AUM motor circuit is shown as above.
D-lighting switch; J271-multiple injection power supply relay, which is in the protecion shell on the left side of the engine room(the control No. is 428);S10-fuse on the holder 10; S229-fuse on the holder 29; S231-fuse on the holder 31; T2-plug, 2 holes, on the left side of the engine room; T6-plug,6 holes,brown, in the plug protection shell, on the left side of the flow tank; T14a-plug, 14 holes, on the left side of the wire way in the engine room (View)
View full Circuit Diagram | Comments | Reading(1248)
Published:2011/6/23 0:46:00 Author:qqtang | Keyword: fish trap
Only by changing several data can the circuit use 12V batteries. Considering the current istwo high, the power supply is designed to be 24V. The circuit should make full use of the component parameter, so that the circuit will be small-sized and efficient.
(View)
View full Circuit Diagram | Comments | Reading(2671)
Published:2011/7/5 1:12:00 Author:chopper | Keyword: monolithic, stereo, playback, integrated circuit


TA8105N is a monolithic playback integrated circuit produced by Company TOSHIBA,and it is applied to mini acoustic system like low-voltage walkman and so on.1.inner circuit and function of pins The inner circuit of TTA8105/N integrated package includes two same preposing equilibrium amplifier circuits,power amplifier circuit and tape track switching circuit. TTA8105/N integrated circuit is of two package structure,TA8105/N adopts dual inline 2 pinned package,TA8105F adopts dual inline 24 pinned flat package.
(View)
View full Circuit Diagram | Comments | Reading(1643)
Published:2011/6/24 8:02:00 Author:qqtang | Keyword: electric, mosquito swatter
Instructions: (1) this circuit is the picture of the typical electric mosquito swatter; (2) oscillating transformer: the coil is sealed by insulated paint, so the turns are unknown, which is to be provided, the output voltage of the oscillating transformer is a AC, the peak value is 350v.(3) the oscillating transistor: as the amplifier parameters of the pipes are different, when we feel hot of the transistor while using the swatter, we can install a resistor of 100Ω or so to limit the basic electrode current, then it is cooled.(4) rectifier part
(View)
View full Circuit Diagram | Comments | Reading(10982)
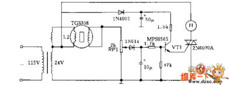
Published:2011/6/24 8:04:00 Author:qqtang | Keyword: gas, fog alarm
See as the figure, when there is combustible gas. The conductance of TGS308 gas sensor is increasing, the voltage is picked out by the potentiometer RP1 floating spot, and its value rises to 20v from the normal 3V effectively. The risen voltage is added to the transistor VT1 by the diode and the 4.7kΩ resistor, which makes VTI conducting, and the dual-direction transistor 2N6070A is conducting with VT1. Therefore, the full-wave AC conductance H generates a sound of 90dB, which fulfills alarming. H is a 20V AC alarm of De1taJ6003168. When the gas disappears from the sensor, the circuit gets to it primary state.
(View)
View full Circuit Diagram | Comments | Reading(648)
Published:2011/6/28 7:53:00 Author:qqtang | Keyword: light control switch, LDR
The power switch can be made of power MOS FET and the sensitive element can be the LDR. The light is shed on the LDR, it is in low resistance and there is a signal on the grid of the sound effect transistor, the source-drain is conducting, so the state of the relay is changed by K, which generates sounds and fulfills the control function. If the LDR is fixed at the low LEV sector, there won't be light on the LDR when it's dark outside, so the resistance of the LDR is high and the grid of the VMOS pipe is high, which makes the lamp L light.
(View)
View full Circuit Diagram | Comments | Reading(1248)
Published:2011/7/4 4:08:00 Author:qqtang | Keyword: button, Li icon, battery charge
View full Circuit Diagram | Comments | Reading(621)
Published:2011/7/4 4:09:00 Author:qqtang | Keyword: Chang An, Auto, fuse, relay
The Chang An Auto fuse and relay circuit is shown as above.
R:red, W:white, C:green, Y:yellow, U:bule, B:black; N:brown, S:grey, R:purple
The fuse and relay circuit (View)
View full Circuit Diagram | Comments | Reading(602)
Published:2011/7/4 4:10:00 Author:qqtang | Keyword: internal circuit, low voltage, special integrated chip
View full Circuit Diagram | Comments | Reading(584)
Published:2011/6/12 21:38:00 Author:qqtang | Keyword: internal circuit, probe module
The HN911 heat releasing electric infrared probe model is a sensing device which consists of the heat releasing electric infrared sensor, amplifier signal process circuit, time delay circuit and high/low LEV output circuit. It characterizes high sensitivity, high anti-noise ability, low temperature resistance and convenient use, etc, which is used to detect the infrared ray energy which is emitted by human bodies, it is suitable for the detection alarm system of human movement.The internal circuit of the HN911 heat releasing electric infrared probe module is shown in the figure.
Figure:The internal circuit of the HN911 heat releasing electric infrared probe module (View)
View full Circuit Diagram | Comments | Reading(527)
Published:2011/6/12 21:38:00 Author:qqtang | Keyword: module outline, infrared probe
The HN911 heat releasing electric infrared probe model is a sensing device which consists of the heat releasing electric infrared sensor, amplifier signal process circuit, time delay circuit and high/low LEV output circuit. It characterizes high sensitivity, high anti-noise ability, low temperature resistance and convenient use, etc, which is used to detect the infrared ray energy which is emitted by human bodies, it is suitable for the detection alarm system of human movement.The module outline of HN911 heat releasing electric infrared probe is shown in the figure.
Figure:The module outline of HN911 heat releasing electric infrared probe (View)
View full Circuit Diagram | Comments | Reading(477)
Published:2011/6/19 19:52:00 Author:qqtang | Keyword: cooker hood
View full Circuit Diagram | Comments | Reading(979)
Published:2011/6/23 0:33:00 Author:qqtang | Keyword: RF circuit, wireless telephone
View full Circuit Diagram | Comments | Reading(951)
Published:2011/6/23 0:33:00 Author:qqtang | Keyword: projection, green primary, video amplifier circuit
The Changhong hp(5168) projection green primary video amplifier circuit is shown in the figure.
(View)
View full Circuit Diagram | Comments | Reading(682)
Published:2011/6/23 0:44:00 Author:qqtang | Keyword: MOSFET A, amplifier circuit
The MOSFET A amplifier circuit is shown in theabove figure.
C1-1uF, 35V R4-20 ohms, 5WC2-470uF, 35v electrolytic R5-1K ohms, 1/4WC3-0.1uF, 35v Rg-220 ohms, 1/4W (see text)D1,D2-1N914 Diode Rp-10K-100K dual pot(audio taper)Q1-IRF 513MOSFET R1-4.7K ohms,1/4WR2-100k ohms,1/4W R3-220K ohms,1/4W(see text)All resistors are metal film. C1 is a film type such as polypropylene. Bypass C2 with a 1uF polypropylene cape. (View)
View full Circuit Diagram | Comments | Reading(1032)
| Pages:1609/2234 At 2016011602160316041605160616071608160916101611161216131614161516161617161816191620Under 20 |