Published:2011/6/11 5:19:00 Author:qqtang | Keyword: single chip microcomputer, integrated circuit



1. Function featuresMN1874033TNW consists of CPU, clock oscillating circuit, reset control circuit, I2C general control circuit, screen displayed letter generating and processing circuit, and other control and affiliated function circuits, etc.2.pin functions and data MN1874033TNW is in 64-pin dual line package, whose internal circuit, pin functions and signal flow is shown in the figure, and its pin function introduction is in the table.
The internal circuit, pin functions and signal flow of MN1874033TNW
(View)
View full Circuit Diagram | Comments | Reading(744)
Published:2011/6/11 5:27:00 Author:qqtang | Keyword: single chip microcomputer, integrated circuit


MN1872432TWJ is the single chip microcomputer integrated circuit produced by Panasonic, which is widely used in the large screen color TV sets of Panasonic cores.1.function featuresMN1872432TWJ consists of the CPU, clock oscillating circuit, reset control circuit, key order decoding circuit, displayed letter generating and processing circuit, and other control and affiliated function circuits, etc.2.pin functions and dataMN1872432TWJ is in 64-pin dual line package, whose pins are listed in the table.
(View)
View full Circuit Diagram | Comments | Reading(639)
Published:2011/6/11 5:33:00 Author:qqtang | Keyword: single chip microcomputer, integrated circuit


MN1872432TWI is the single chip microcomputer integrated circuit produced by Panasonic, which is widely used in the large screen color TV sets of Panasonic cores.MN1872432TWI is in 64-pin dual in-line plastic package, whose pin functions and data are listed in the table.Pin functions and data of MN1872432TWI
(View)
View full Circuit Diagram | Comments | Reading(853)
Published:2011/6/11 5:41:00 Author:qqtang | Keyword: single chip microcomputer, integrated circuit


MN1872419TKO is the single chip microcomputer integrated circuit, which is widely used in the large screen color TV sets of Panasonic cores.1.function featuresIt consists of the signal process circuit, key order decoder, PIP control circuit, system control circuit,I2C general control circuit, standby/ starting up control circuit, display letter generating and processing circuit, and other control and affiliated function circuit, etc.2.pin functions and dataMN1872419TKO is in 64-pin dual line package.
(View)
View full Circuit Diagram | Comments | Reading(546)
Published:2011/6/11 22:03:00 Author:qqtang | Keyword: outline size, infrared photoelectric switch
figure: The outline size of the infrared photoelectric switch (View)
View full Circuit Diagram | Comments | Reading(567)
Published:2011/6/11 22:00:00 Author:qqtang | Keyword: manufacture/process locating, principle circuit
The manufacture/process locating principle circuitmanufacture/process locatingOn the auto line of the mechanical process, we can also use the approaching sensor to locate the processed components. In the figure is the process locating principle circuit. When the conveyor sector takes the processed parts close to the sensor, the sensor will send the control signals according to the regulation and make the conveyor sector stop working, at the moment, the processing tools can work on the parts.
Figure: the manufacture/process locating principle circuit (View)
View full Circuit Diagram | Comments | Reading(592)
Published:2011/6/11 21:49:00 Author:qqtang | Keyword: mechanical arm, movement spacing
To make sure the mechanical catches and put workpieces in the right place, we often use the approaching sensor to limit its moving range. In the figure is the control diagram of the mechanical left/right movement spacing. The sensor is located in the place where the mechanical arm needs spacing, when the mechanical are moves left/right and gets close to the sensor, the sensor will output the control signal if it detects that the mechanical arm is approaching and reaches the regulated range, and the mechanical arm is stopped by the executing sector.
Figure:The mechanical arm movement spacing principle circuit (View)
View full Circuit Diagram | Comments | Reading(623)
Published:2011/6/11 8:55:00 Author:qqtang | Keyword: single chip microcomputer, integrated circuit



1.function introductionMN1871675T7M consists of the clock oscillating circuit, reset circuit, key scanning order decoding circuit, I2C general circuit, remote order signal process circuit, AV/TV converting control circuit, system converting control circuit, letter display circuit, standby/starting up alternating circuit and other affiliated function circuits, etc.2. Pin function and dataMN1871675T7W is in 64-pin dual in-line package, whose pin functions, internal circuit and signal flow are shown in the figure.
(View)
View full Circuit Diagram | Comments | Reading(943)
Published:2011/6/15 2:28:00 Author:Borg | Keyword: non-separation, stable power supply
View full Circuit Diagram | Comments | Reading(945)
Published:2011/6/15 2:30:00 Author:Borg | Keyword: power supply, single key
View full Circuit Diagram | Comments | Reading(649)
Published:2011/6/15 2:32:00 Author:Borg | Keyword: stable invertion, power supply
View full Circuit Diagram | Comments | Reading(1007)
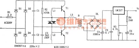
Published:2011/6/15 7:22:00 Author:Borg | Keyword: power supply, dual-team output
The stable voltage power supply circuit of dual-team output, output voltage is +/-16V and +/-12V. (View)
View full Circuit Diagram | Comments | Reading(725)
Published:2011/6/15 2:24:00 Author:Borg | Keyword: low-voltage, weak-linearity
View full Circuit Diagram | Comments | Reading(614)
Published:2011/6/15 2:52:00 Author:Borg | Keyword: wide wave, noise generator
In the figure, the circuit can provide a noise source whose RMS amplitude is adjustable, the band width can be adjusted. The RMS output of his circuit is 1kHz~5MHz, and the band width can reach 300mY, the frequency band has 5 gears to choose from.
(View)
View full Circuit Diagram | Comments | Reading(723)
Published:2011/6/15 2:22:00 Author:Borg | Keyword: power supply circuit
View full Circuit Diagram | Comments | Reading(822)
Published:2011/6/15 2:20:00 Author:Borg | Keyword: power supply circuit
View full Circuit Diagram | Comments | Reading(664)
Published:2011/6/15 2:19:00 Author:Borg | Keyword: symmetric, power supply
View full Circuit Diagram | Comments | Reading(605)
Published:2011/6/15 2:17:00 Author:Borg | Keyword: power supply
View full Circuit Diagram | Comments | Reading(2107)
Published:2011/6/15 2:15:00 Author:Borg | Keyword: electric transformed, stable power supply
View full Circuit Diagram | Comments | Reading(634)
Published:2011/6/13 21:49:00 Author:Seven | Keyword: IC oscillating circuit, inductance three-point oscillator


(1) the formation of inductance three-point oscillatorIn figure 1 is the principle diagram of the inductance three-point oscillator circuit. Seeing from the circuit, we know that the inductor of LC parallel resonance circuit has a front-end point, a middle point and a tail point, whose AC circuit connects with the collector electrode of the amplifier circuit, emitter(ground) and basic pole respectively, the feedback signal is from the voltage on the inductor L2, therefore, we conventionally call the circuit in Figure 1 the inductance three-point LC oscillating circuit, or the inductance feedback oscillating circuit.
(View)
View full Circuit Diagram | Comments | Reading(799)
| Pages:1751/2234 At 2017411742174317441745174617471748174917501751175217531754175517561757175817591760Under 20 |