Position: Home > Circuit Diagram > Index 41
Low Cost Custom Prototype PCB Manufacturer

Circuit Diagram

Index 41

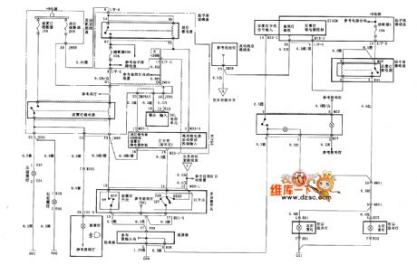
Household water supply printed circuit diagram

Published:2013/12/30 20:41:00 Author: | Keyword: Household water supply printed circuit diagram,

Household water supply printed circuit diagram
Household water supply printed circuit diagram   (View)

View full Circuit Diagram | Comments | Reading(923)

LCD microprocessor speech synthesis series circuit diagram

Published:2013/12/30 20:39:00 Author: | Keyword: LCD microprocessor speech synthesis series circuit diagram,

LCD microprocessor speech synthesis series circuit diagram
This series of speech synthesis embedded microprocessor, LCD driver circuit, clock oscillator, input and output, audio storage unit and audio amplifier circuit. This series circuit is mainly used for speech clock and watch, thermometer, electronic calendar, intelligent speech toys. As shown in figure for HT1460 typical application circuit diagram.   (View)

View full Circuit Diagram | Comments | Reading(1316)

Applied voltage detection reset circuit schematics constructed by the IMP811

Published:2013/12/30 20:05:00 Author:lynne | Keyword: Applied voltage detection reset circuit schematics constructed by the IMP811, IMP811

Applied voltage detection reset circuit schematics constructed by the IMP811
Applied voltage detection reset circuit schematics constructed by the IMP811 as shown in Figure:   (View)

View full Circuit Diagram | Comments | Reading(882)

RB port circuit diagram

Published:2013/12/30 20:07:00 Author:lynne | Keyword: RB port circuit diagram,

RB port circuit diagram
RB port circuit diagram shown in Figure:   (View)

View full Circuit Diagram | Comments | Reading(860)

Running water light circuit diagram

Published:2013/12/30 20:09:00 Author:lynne | Keyword: Running water light circuit diagram,

Running water light circuit diagram
Running water light circuit diagram shown in Figure:   (View)

View full Circuit Diagram | Comments | Reading(1214)

The output display circuit diagram|

Published:2013/12/30 20:11:00 Author:lynne | Keyword: The output display circuit diagram,

The output display circuit diagram|
The output display circuit diagram as shown:   (View)

View full Circuit Diagram | Comments | Reading(864)

Input circuit diagram

Published:2013/12/30 20:13:00 Author:lynne | Keyword: Input circuit diagram,

Input circuit diagram
Input circuit diagram as shown:   (View)

View full Circuit Diagram | Comments | Reading(788)

Buick SIR system circuit diagram 2

Published:2013/12/29 20:20:00 Author: | Keyword: Buick SIR system circuit diagram 2,

Buick SIR system circuit diagram 2
Figure buick SIR system circuit diagram 2   (View)

View full Circuit Diagram | Comments | Reading(852)

Buick power supply, grounding, RAP and TCS circuit diagram

Published:2013/12/29 20:20:00 Author: | Keyword: Buick power supply, grounding, RAP and TCS circuit diagram,

Buick power supply, grounding, RAP and TCS circuit diagram
Figure buick power supply, grounding, RAP and TCS circuit diagram   (View)

View full Circuit Diagram | Comments | Reading(879)

Tianjin vios, radio navigation system circuit diagram and player (with navigation system)

Published:2013/12/29 20:19:00 Author: | Keyword: Tianjin vios, radio navigation system circuit diagram and player (with navigation system),

Tianjin vios, radio navigation system circuit diagram and player (with navigation system)
Tianjin vios, radio navigation system circuit diagram and player (with navigation system) is as follows:   (View)

View full Circuit Diagram | Comments | Reading(1217)

Buick SIR system circuit diagram 1

Published:2013/12/29 20:22:00 Author: | Keyword: Buick SIR system circuit diagram 1,

Buick SIR system circuit diagram 1
Figure buick SIR system circuit diagram 1   (View)

View full Circuit Diagram | Comments | Reading(810)

Tianjin vios combination instrument circuit diagram (2)

Published:2013/12/29 20:21:00 Author: | Keyword: Tianjin vios combination instrument circuit diagram (2),

Tianjin vios combination instrument circuit diagram (2)
Tianjin vios combination instrument circuit diagram (2) as shown below:   (View)

View full Circuit Diagram | Comments | Reading(945)

Beijing Hyundai Sang Nata turn signals and hazard warning lights circuit diagram

Published:2013/12/29 20:13:00 Author:lynne | Keyword: Beijing Hyundai Sang Nata turn signals and hazard warning lights circuit diagram,

Beijing Hyundai Sang Nata turn signals and hazard warning lights circuit diagram
Beijing Hyundai Sang Nata turn signals and hazard warning lights circuit diagram is shown below:   (View)

View full Circuit Diagram | Comments | Reading(1104)

Beijing Hyundai Sang Nata Radio System Diagram (one)

Published:2013/12/29 20:03:00 Author:lynne | Keyword: Beijing Hyundai Sang Nata Radio System Diagram (one),

Beijing Hyundai Sang Nata Radio System Diagram (one)
Beijing Hyundai Sang Nata Radio System Diagram (one) shown as follows:   (View)

View full Circuit Diagram | Comments | Reading(742)

Beijing Hyundai Sang Nata radio system diagram

Published:2013/12/29 20:05:00 Author:lynne | Keyword: Beijing Hyundai Sang Nata radio system diagram,

Beijing Hyundai Sang Nata radio system diagram
Beijing Hyundai Sang Nata radio system diagram is shown below:   (View)

View full Circuit Diagram | Comments | Reading(714)

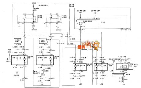
Beijing Hyundai Sang Nata central locking circuit diagram

Published:2013/12/29 20:07:00 Author:lynne | Keyword: Beijing Hyundai Sang Nata central locking circuit diagram,

Beijing Hyundai Sang Nata central locking circuit diagram
Beijing Hyundai Sang Nata central locking circuit diagram is shown below:   (View)

View full Circuit Diagram | Comments | Reading(905)

Beijing Hyundai Sang Nata luggage compartment and the fuel tank circuit diagram

Published:2013/12/29 20:12:00 Author:lynne | Keyword: Beijing Hyundai Sang Nata luggage compartment and the fuel tank circuit diagram,

Beijing Hyundai Sang Nata luggage compartment and the fuel tank circuit diagram
Beijing Hyundai Sang Nata luggage compartment and the fuel tank circuit diagram is shown below:   (View)

View full Circuit Diagram | Comments | Reading(784)

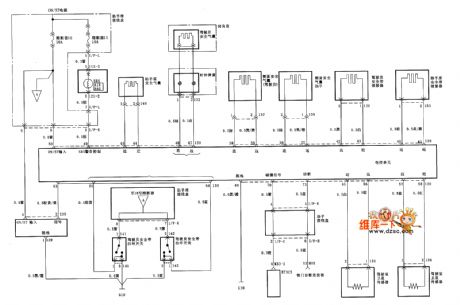
Beijing Modern Sang Nata front fog lamps and rear fog lamp circuit

Published:2013/12/26 20:49:00 Author:lynne | Keyword: Beijing Modern Sang Nata front fog lamps and rear fog lamp circuit,

Beijing Modern Sang Nata front fog lamps and rear fog lamp circuit
Beijing Modern Sang Nata front fog lamps and rear fog lamp circuit shown in Figure:   (View)

View full Circuit Diagram | Comments | Reading(833)

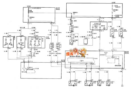
Beijing Hyundai Sang Nata door control and luggage compartment lamp circuit diagram

Published:2013/12/26 20:52:00 Author:lynne | Keyword: Beijing Hyundai Sang Nata door control and luggage compartment lamp circuit diagram,

Beijing Hyundai Sang Nata door control and luggage compartment lamp circuit diagram
Beijing Hyundai Sang Nata door control and luggage compartment lamp circuit diagram is shown below:   (View)

View full Circuit Diagram | Comments | Reading(1056)

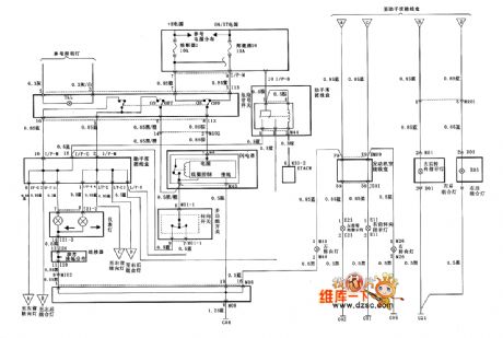
Beijing Hyundai Sang Nata airbag system circuit diagram

Published:2013/12/26 20:53:00 Author:lynne | Keyword: Beijing Hyundai Sang Nata airbag system circuit diagram,

Beijing Hyundai Sang Nata airbag system circuit diagram
Beijing Hyundai Sang Nata airbag system circuit diagram is shown below:   (View)

View full Circuit Diagram | Comments | Reading(959)

Pages:41/2234 At 204142434445464748495051525354555657585960Under 20