Published:2011/8/17 3:10:00 Author:Rebekka | Keyword: Bridge structure , single amplifier
View full Circuit Diagram | Comments | Reading(830)
Published:2011/8/17 3:21:00 Author:Rebekka | Keyword: Two functions , four tones , cycling burglar alarm
View full Circuit Diagram | Comments | Reading(654)
Published:2011/8/17 3:20:00 Author:Rebekka | Keyword: Transistor , internal circuit
Here is the schematic diagram of the transistor 2SC5003, 2SC5250 internal circuit diagram:
(View)
View full Circuit Diagram | Comments | Reading(1566)
Published:2011/8/16 3:11:00 Author:Rebekka | Keyword: Accord sedan , V6 engine , electronic control system
View full Circuit Diagram | Comments | Reading(591)
Published:2011/8/16 3:19:00 Author:Rebekka | Keyword: Beijing City Hunter , light off-road vehicle
32,33 brake lights; 34 brake light switch; 35 turn the flash of a relay; 36 turn signal switch; 37 hazard warning flash relay; 38 left-turn signal; 39 former left-turn signal; 40 left turn signal; 41 rear left turn signal; 42 right-turn signal; 43 before the stone turn signal; 44 right turn signal; 45 after a turn signal; 46 reversing light switch; 47 reversing light; 48,49 reversing lamp; 50 light switch; 51 overtaking signal light switch; 52 opening of a change of light; 53,54 headlamp; 55 light beam; 56 license plate light; 57,58,59 instrument lights; 60,61 The width light; 62,63 taillight fuse box, the fuse in this order: speaker Fl, work light socket; F2 a turn signal, magnetic field, instrument; F3 heater, wiping, washing; F4 fog; F5 smoke detectors; F6 radio and tape player.Wire color code: R red; Y yellow; G green; L blue; V violet; Gr A gray; a brown; W white; B black; such as copper wire 0.5 BrW cross-sectional area is 0.5 m m, the basic color is brown (Br), and it has white stripes (W).
(View)
View full Circuit Diagram | Comments | Reading(1013)
Published:2011/8/16 3:19:00 Author:Rebekka | Keyword: Beijing City Hunter , light off-road vehicle
1 AC generator; 2 alternator regulator; 3 current meter; 4 battery; 5 starter; 6 starter relay; 7 little fire to open; 8-bit wide fire ignition coil coil tart additional resistance; 9 distributor; 10 spark plug; 11 fuse box (Fl-F6); 12 work light socket; 13 horn relay; 14 horn button; 15 speaker; 16 smoke detectors; 17 hydraulic table; 18 pressure gauge sensor; 19 thermometer; 20 thermometer sensor; 21 fuel gauge; 22 fuel gauge sensor; 23 heater motor; 23 defrost switch; 24 washing; 24 windshield wiper switch; 25, wiper motor; 26 Shoufang Ji; 27 day line; 28 speaker; 29,30 air fog lights; 31 for fog lamp switch. (View)
View full Circuit Diagram | Comments | Reading(832)
Published:2011/8/16 3:13:00 Author:Rebekka | Keyword: Microcomputer dial , integrated circuit
PSB8592 is microcomputer dial integrated circuit. It is applied to all communications for the use of dialing.
PSB8592 integrated circuit includes dial-up signal generation, coding and decoding key basins. It uses 20-pin dual in-line package, the pin functions and data of integrated circuit are listed in Table 1. (View)
View full Circuit Diagram | Comments | Reading(726)
Published:2011/8/16 3:10:00 Author:Rebekka | Keyword: Mitsubishi Pajero , light off-road vehicle, taillight and headlight relay
174 taillight relay; 175 headlamp relay; 176,177 headlamps; 178 light beam; 179 light switch; 180 overtaking signal dimmer switch and switch (View)
View full Circuit Diagram | Comments | Reading(1672)
Published:2011/8/16 3:10:00 Author:Rebekka | Keyword: Mitsubishi Pajero , brand light off-road vehicle
34 a seat belt electromagnetic valve; 35 a seat belt switch; 36 a brake light switch; 37 a brake light; 38 a turn signal flasher; 39 a turn signal switch; 40 a turn signal and turn signal; 41 a hazard warning flashers; 42 a hazard warning switch; 43 a horn; 44 a horn button; 45 rear heater switch; 46 rear heater motor; 47 except for a rear window defroster switch; 48 a rear window defroster; 49 a fuel cut solenoid valve Shan. (View)
View full Circuit Diagram | Comments | Reading(1315)
Published:2011/8/12 4:34:00 Author:Rebekka | Keyword: Mitsubishi Pajero, light off-road vehicle, automobile instrument wiring , electroniccompass
Mitsubishi Pajero light off-road vehicle meter(mounted electronic compass vehicle)wiring circuit diagram is shown as above.
(View)
View full Circuit Diagram | Comments | Reading(2408)
Published:2011/8/12 4:32:00 Author:Rebekka | Keyword: Mitsubishi Pajero, light off-road vehicle , ignition key core , floodlight wiring
View full Circuit Diagram | Comments | Reading(2467)
Published:2011/8/11 21:38:00 Author:Borg | Keyword: serial LED, inductance booster transformer, IC



The serial white light LED circuit driven by inductance booster transformer is shown in the figure, by changing the values of R1 and VZ2 in the figure, the booster topology can drive more than one serial white light LEDs (HSMW-C850). By using the 47Ω ground resistor and 1.233V Vref, the component can provide with a 26mA current.
(View)
View full Circuit Diagram | Comments | Reading(1182)
Published:2011/8/11 21:57:00 Author:Borg | Keyword: regulated powers supply, over-current protector
The 24V regulated powers supply circuit with over-current protector is shown as above.
(View)
View full Circuit Diagram | Comments | Reading(827)
Published:2011/8/11 21:59:00 Author:Borg | Keyword: regulated power supply
A durable 0~20V regulated power supply circuit is shown as above.
(View)
View full Circuit Diagram | Comments | Reading(1970)
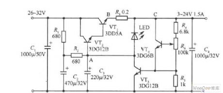
Published:2011/8/11 22:01:00 Author:Borg | Keyword: small-sized, parallel, regulated power supply
A small-sized 15V and 1A parallel regulated power supply circuit is shown as above.
(View)
View full Circuit Diagram | Comments | Reading(750)
Published:2011/8/11 22:02:00 Author:Borg | Keyword: regulated power supply
The common 0~20v and 1A regulated power supply circuit is shown as above.
(View)
View full Circuit Diagram | Comments | Reading(1063)
Published:2011/8/18 3:40:00 Author: | Keyword: application circuit, white light LEDs
TPS60230 can drive 5 25mA white light LEDs at most; TPS60231 can drive 3 25mA white light LEDs at most; the main technology features of TPS60230/TPS60231 are shown as follows.①the brightness of the white light LED can be controlled by PWM; ②it has the 1 and 1.5 time shift modes of self-adaption, and it can get high efficiency; ③the shift frequency is 1MHz; ④the working input voltage range is 2.7~6.5V; ⑤it contains the soft starting circuit, by which the transient state influx current can be impeded; ⑥low input wave and low EMI(electromagnetic disturbance).
(View)
View full Circuit Diagram | Comments | Reading(1048)
Published:2011/8/11 22:16:00 Author:Borg | Keyword: white light, LED driver, high current


The white light LED driver circuit of high current can be formed by LTC3215, and its output current of the drive white light LED is 700mA. It can switch automatically among the voltage-multiplying types of 1, 1.5 and 2 times, which can make LTC3215 get a high efficiency of 92% in the whole working voltage range of the lithium ion battery. The typical application circuit of LTC3215 is shown in figure 1 and its efficiency curve is shown in figure 2.
Figure 1 The typical application circuit of LTC3215
Figure 2 the efficiency curve of LTC3215 (View)
View full Circuit Diagram | Comments | Reading(1203)
Published:2011/8/11 22:18:00 Author:Borg | Keyword: separated element, headphone amplifier
The separated element headphone amplifier circuit is shown as above.
(View)
View full Circuit Diagram | Comments | Reading(1007)
Published:2011/8/17 22:43:00 Author: | Keyword: self-halt hypnomelder
The hypnomelder is full-functioned, and it can do many adjustments, the effect is also good. The square wave generator consists of BG1 and BG2, which can generate the hypnosis signal pulse. By adjusting resistor R2, the pulse width (i.e tune quality) can be controlled; by adjusting resistor R3, the pulse interval can be controlled. The best hypnosis signal can be got by repeated adjustment. By press switch AN, the circuit begins to work, it powers the pulse generator composed of BG1 and BG2, which makes the generator generate hypnosis signals.
(View)
View full Circuit Diagram | Comments | Reading(796)
| Pages:557/2234 At 20541542543544545546547548549550551552553554555556557558559560Under 20 |