Position: Home > Circuit Diagram > Index 544
Low Cost Custom Prototype PCB Manufacturer

Circuit Diagram

Index 544

Mazda 96PROBE electric rearview mirror circuit

Published:2011/8/23 22:24:00 Author: | Keyword: Mazda, electric, rearview mirror circuit

Mazda 96PROBE electric rearview mirror circuit
The Mazda 96PROBE electric rearview mirror circuit is as shown in the figure:   (View)

View full Circuit Diagram | Comments | Reading(841)

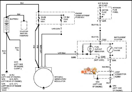
Mazda 96PROBE(2.5L) charging system circuit

Published:2011/8/23 22:24:00 Author: | Keyword: Mazda, 96PROBE, charging system circuit

Mazda 96PROBE(2.5L) charging system circuit
The Mazda 96PROBE(2.5L) charging system circuit is as shown in the figure:   (View)

View full Circuit Diagram | Comments | Reading(969)

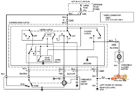
Mazda 96PROBE 2-speed windscreen wiper washer circuit

Published:2011/8/23 22:24:00 Author: | Keyword: Mazda, 2-speed, windscreen wiper, washer circuit

Mazda 96PROBE 2-speed windscreen wiper washer circuit
The Mazda 96PROBE 2-speed windscreen wiper washer circuit is as shown in the figure:   (View)

View full Circuit Diagram | Comments | Reading(999)

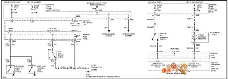
Mazda 96PROBE iron distribution circuit

Published:2011/8/23 22:24:00 Author: | Keyword: Mazda, iron distribution circuit

Mazda 96PROBE iron distribution circuit
The Mazda 96PROBE iron distribution circuit is as shown in the figure:   (View)

View full Circuit Diagram | Comments | Reading(583)

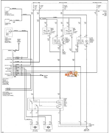
Mazda 96PROBE remote control door lock circuit

Published:2011/8/23 22:25:00 Author: | Keyword: Mazda, remote control, door lock circuit

Mazda 96PROBE remote control door lock circuit
The Mazda 96PROBE remote control door lock circuit is as shown in the figure:   (View)

View full Circuit Diagram | Comments | Reading(1761)

Mazda 96PROBE alarm system circuit

Published:2011/8/14 8:25:00 Author:Christina | Keyword: Mazda, alarm system circuit

Mazda 96PROBE alarm system circuit
Mazda 96PROBE alarm system circuit:   (View)

View full Circuit Diagram | Comments | Reading(562)

Mazda 96PROBE demisting precipitator circuit

Published:2011/8/14 8:26:00 Author:Christina | Keyword: Mazda, demisting precipitator

Mazda 96PROBE demisting precipitator circuit
The Mazda 96PROBE demisting precipitator circuit is as shown in the figure:   (View)

View full Circuit Diagram | Comments | Reading(553)

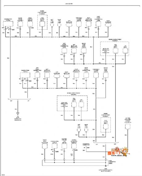
Mazda 96PROBE dashboard circuit

Published:2011/8/14 8:27:00 Author:Christina | Keyword: Mazda, dashboard circuit

Mazda 96PROBE dashboard circuit
Mazda 96PROBE dashboard circuit is as shown in the figure:   (View)

View full Circuit Diagram | Comments | Reading(689)

TDA1520 20W audio power amplifier circuit diagram

Published:2011/8/22 22:14:00 Author:Rebekka | Keyword: 20W, audio power amplifier

TDA1520 20W audio power amplifier circuit diagram
  (View)

View full Circuit Diagram | Comments | Reading(3703)

10W Audio power amplifier TDA2006 BTL application circuit diagram

Published:2011/8/22 22:15:00 Author:Rebekka | Keyword: 10W , Audio power amplifier, BTL application

10W Audio power amplifier TDA2006 BTL application circuit diagram
  (View)

View full Circuit Diagram | Comments | Reading(4592)

AN7108 Single stereo cassette player circuit diagram

Published:2011/8/22 22:23:00 Author:Rebekka | Keyword: Single, stereo cassette player

AN7108 Single stereo cassette player circuit diagram
  (View)

View full Circuit Diagram | Comments | Reading(2478)

ECC822 Tube OTL headphone amplifier circuit diagram

Published:2011/8/22 22:23:00 Author:Rebekka | Keyword: Tube OTL , headphone amplifier

ECC822 Tube OTL headphone amplifier circuit diagram
The tubehas the advantages ofgood index and long life. Preamplifier is used for driving headphones by generating sufficient signals. Then it outputs pre-amplifier stage directly through C1、R1. But R1、C1 must provide negative gate bias. Gain is essentially determined by the R8. The maximum input voltage is determined by the R2. R9: The static anode current is chosen in maximum possible part of characteristic curve. The input signals is inversed and enlarged on anode through C2 coupling to second level gate. The second stage cathode resistor is divided into two parts, R5 and R6. R5 and R6 form a load resistor in series.   (View)

View full Circuit Diagram | Comments | Reading(5807)

LM4808 Dual-channel headphone amplifier circuit diagram

Published:2011/8/22 22:21:00 Author:Rebekka | Keyword: Dual-channel headphone amplifier

LM4808 Dual-channel headphone amplifier circuit diagram
LM4808 is a dual-channel headphone amplifier. It uses 5V power supply. The average power of each channel is output 105mW. It drives 16Ω load. Total harmonic distortion and noise(THD+N) are 0.1% only. LM4808 Audio power uses surface pakage. It has a minimum number of external component. It provides high-quality output power. LM4808 does not require bootstrap capacitors and buffers. So it is the best suitable one for low-power portable systems. It has a stable overall gain. It can be set by external gain resistors. LM4808 can be used for headphone amplifier, personal computer and portable electronic devices.   (View)

View full Circuit Diagram | Comments | Reading(1285)

LM4811 Dual-channel headphone amplifier circuit diagram

Published:2011/8/22 22:16:00 Author:Rebekka | Keyword: Dual-channel , headphone amplifier

LM4811 Dual-channel headphone amplifier circuit diagram
LM4811 is a dual channel headphone amplifier with 5V power supply. Each channel outputs 105mW continuous average power to drive 16Ω load. Total harmonic distortion plus noise (THD + N) is only 0.1%. LM4811 does not require bootstrap capacitor and buffer. It is qualified to low-power portable systems, cellular phones and the system MP3, CD, DVD players etc. LM4811 has an external control terminal. It has an effective high level shutdown mode to work in the micro-power. There is an internal thermal shutdown protection agency. LM4811 pinout is shown as the chart.   (View)

View full Circuit Diagram | Comments | Reading(1895)

STK4019 10W Audio power amplifier circuit diagram

Published:2011/8/15 2:17:00 Author:Rebekka | Keyword: 10W, Audio power amplifier

STK4019 10W Audio power amplifier circuit diagram
STK4019 10W Audio power amplifier circuit diagram is shown as below.   (View)

View full Circuit Diagram | Comments | Reading(1743)

TA7238P 9W Audio power amplifier circuit diagram

Published:2011/8/15 2:19:00 Author:Rebekka | Keyword: 9W, Audio power amplifier

TA7238P 9W Audio power amplifier circuit diagram
TA7238P 9W Audio power amplifier circuit diagram is shown as below.   (View)

View full Circuit Diagram | Comments | Reading(1663)

TA7205P 5.8W Audio power amplifier circuit diagram

Published:2011/8/15 2:20:00 Author:Rebekka | Keyword: 5.8W, Audio power amplifier

TA7205P 5.8W Audio power amplifier circuit diagram
TA7205P 5.8W Audio power amplifier circuit diagram is shown as below.   (View)

View full Circuit Diagram | Comments | Reading(6932)

TBA820M 2W Audio power amplifier circuit diagram

Published:2011/8/15 2:36:00 Author:Rebekka | Keyword: Audio power amplifier

TBA820M 2W Audio power amplifier circuit diagram
TBA820M 2W Audio power amplifier circuit diagram is shown as below.   (View)

View full Circuit Diagram | Comments | Reading(2864)

TCA830S 4.2W Audio power amplifier circuit diagram

Published:2011/8/15 2:35:00 Author:Rebekka | Keyword: 4.2W, Audio power amplifier

TCA830S 4.2W Audio power amplifier circuit diagram
TCA830S 4.2W Audio power amplifier circuit diagram is shown as below.   (View)

View full Circuit Diagram | Comments | Reading(1735)

TDA1004A 10W Audio power amplifier circuit diagram

Published:2011/8/22 22:14:00 Author:Rebekka | Keyword: 10W , Audio power amplifier

TDA1004A 10W Audio power amplifier circuit diagram
  (View)

View full Circuit Diagram | Comments | Reading(1817)

Pages:544/2234 At 20541542543544545546547548549550551552553554555556557558559560Under 20