Position: Home > Circuit Diagram > Index 547
Low Cost Custom Prototype PCB Manufacturer

Circuit Diagram

Index 547

The regulator: DC-DC circuit, power supply monitor pin and its main features 78L00AC

Published:2011/8/23 22:17:00 Author:Seven | Keyword: DC-DC circuit, power supply, monitor pin

The regulator: DC-DC circuit, power supply monitor pin and its main features 78L00AC
The 3-terminal stabilizer (positive input) of 78L00AC and 78L00C series The output voltage is fixed; its output voltage fault can be ±4%(MC78L00AC) and 8%(MC78L00C); its output current is 1~100mA; when the output voltage is 5V, its max input voltage is 30V; when the output voltage is 12V or 15V, the max input voltage is 35V; when the output voltage is 24V, the max input voltage is 40V; it has functions of over-current limitation and over-heat cutoff.   (View)

View full Circuit Diagram | Comments | Reading(669)

The regulator: DC-DC circuit, power supply monitor pin and its main features 78P1

Published:2011/8/23 22:20:00 Author:Seven | Keyword: DC-DC circuit, power supply, monitor pin

The regulator: DC-DC circuit, power supply monitor pin and its main features 78P1
78P12 stabilizer This is a 3-terminal positive stabilizer with fixed output voltage; its output voltage is 12V; its output current is 10A; its power consumption is 70W; it contains the output short circuit current limitation, heat over-load and secure working area protection device.   (View)

View full Circuit Diagram | Comments | Reading(743)

The regulator: DC-DC circuit, power supply monitor pin and its main features 78PGA

Published:2011/8/23 22:20:00 Author:Seven | Keyword: DC-DC circuit, power supply, monitor pin

The regulator: DC-DC circuit, power supply monitor pin and its main features 78PGA
78PGA adjustable stabilizer (positive output) This is a 4-terminal positive stabilizer whose output voltage is adjustable; its output voltage range is 5~24V; its output current is 10A; its power consumption 70W; it contains the output short circuit current limitation, heat over-load and secure working area protection device.   (View)

View full Circuit Diagram | Comments | Reading(577)

The main features of the amplifier pin signal--μA789 dual general computing amplifier

Published:2011/8/23 22:19:00 Author:Seven | Keyword: main features, pin signal, computing amplifier

The main features of the amplifier pin signal--μA789 dual general computing amplifier
(View)

View full Circuit Diagram | Comments | Reading(582)

The regulator: DC-DC circuit, power supply monitor pin and its main features 78HGA

Published:2011/8/23 22:20:00 Author:Seven | Keyword: DC-DC circuit, power supply, monitor pin

The regulator: DC-DC circuit, power supply monitor pin and its main features 78HGA
78HGA 5A adjustable regulator (forward output) This is a 4-terminal forward output stabilizer whose output voltage is stable; the output voltage range is 5~24V; output current is 5A; power consumption is 50W; it contains the output short circuit current limitation, over load and secure working area protection circuit.   (View)

View full Circuit Diagram | Comments | Reading(750)

The main features of the amplifier pin signal--μA714 high computing amplifier

Published:2011/8/23 22:16:00 Author:Seven | Keyword: main features, pin signal, high computing amplifier

The main features of the amplifier pin signal--μA714 high computing amplifier
μA714 high computing amplifier Input maladjustment voltage is 300μV; temperature drift is 1.2μV/℃; input bias current is 1.8mA; noise is 9.8V/√Hz (1kHz); current consumption is 3.2mA; ±3~+22V power supply; difference mode input voltage is ±30V; common mode input voltage is ±18V; power consumption is 500mA.   (View)

View full Circuit Diagram | Comments | Reading(741)

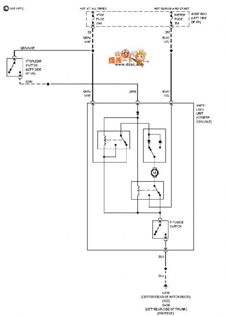
Mazda shift interlock circuit diagram

Published:2011/8/24 1:50:00 Author:Ecco | Keyword: Mazda shift interlock

Mazda shift interlock circuit diagram
  (View)

View full Circuit Diagram | Comments | Reading(838)

LLC-KING AB class amplifier circuit diagram

Published:2011/8/24 1:49:00 Author:Ecco | Keyword: LLC-KING , AB class amplifier

LLC-KING AB class amplifier circuit diagram
  (View)

View full Circuit Diagram | Comments | Reading(996)

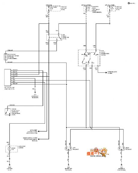
Mazda central control unit circuit diagram

Published:2011/8/24 1:48:00 Author:Ecco | Keyword: Mazda , central control unit

Mazda central control unit circuit diagram
  (View)

View full Circuit Diagram | Comments | Reading(928)

Mazda cooling fan circuit diagram

Published:2011/8/24 1:50:00 Author:Ecco | Keyword: Mazda cooling fan

Mazda cooling fan circuit diagram
  (View)

View full Circuit Diagram | Comments | Reading(699)

Mazda headlight circuit diagram( with DRL, without cruise control)

Published:2011/8/24 1:53:00 Author:Ecco | Keyword: Mazda headlight , DRL, cruise control

Mazda headlight circuit diagram( with DRL, without cruise control)
  (View)

View full Circuit Diagram | Comments | Reading(1201)

Gain control circuit diagram

Published:2011/8/24 1:56:00 Author:Ecco | Keyword: Gain control

Gain control circuit diagram
Gain control circuit consists of variable gain operational amplifier AD603 and precision op amp ADOP37. The AD603 is the core, and it is supplemented by external circuit programmable amplifier, and the gain control voltage is linear. SCM controls the D / A output amplifier gain. The circuit diagram is shown as the chart.   (View)

View full Circuit Diagram | Comments | Reading(2178)

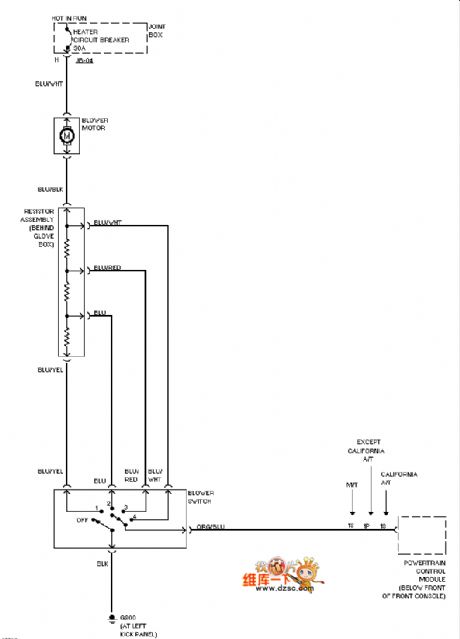
Mazda heater circuit diagram

Published:2011/8/24 1:52:00 Author:Ecco | Keyword: Mazda heater

Mazda heater circuit diagram
  (View)

View full Circuit Diagram | Comments | Reading(649)

Mazda dashboard circuit diagram

Published:2011/8/24 1:51:00 Author:Ecco | Keyword: Mazda dashboard

Mazda dashboard circuit diagram
  (View)

View full Circuit Diagram | Comments | Reading(962)

Bistable unilateral touching switch circuit

Published:2011/8/23 2:10:00 Author:Ecco | Keyword: Bistable , unilateral touching switch

Bistable unilateral touching switch circuit
  (View)

View full Circuit Diagram | Comments | Reading(797)

Bistable circuit

Published:2011/8/23 2:10:00 Author:Ecco | Keyword: Bistable circuit

Bistable circuit
  (View)

View full Circuit Diagram | Comments | Reading(875)

Four-tube astable circuit

Published:2011/8/23 2:17:00 Author:Ecco | Keyword: Four-tube astable circuit

Four-tube astable circuit
  (View)

View full Circuit Diagram | Comments | Reading(719)

Bistable counting base trigger circuit

Published:2011/8/23 2:17:00 Author:Ecco | Keyword: Bistable counting , base trigger circuit

Bistable counting base trigger circuit
  (View)

View full Circuit Diagram | Comments | Reading(729)

Bistable counting collector trigger circuit

Published:2011/8/23 2:13:00 Author:Ecco | Keyword: Bistable counting , collector trigger circuit

Bistable counting collector trigger circuit
  (View)

View full Circuit Diagram | Comments | Reading(694)

Bistable counting control trigger circuit

Published:2011/8/23 2:20:00 Author:Ecco | Keyword: Bistable counting, control trigger circuit

Bistable counting control trigger circuit
  (View)

View full Circuit Diagram | Comments | Reading(751)

Pages:547/2234 At 20541542543544545546547548549550551552553554555556557558559560Under 20