Low Cost Custom Prototype PCB Manufacturer

Oscillator Circuit

Index 53



Square wave and triangle wave oscillator(5532)

Published:2011/4/6 2:44:00 Author:Ecco | Keyword: Square wave , triangle wave , oscillator

Square wave and triangle wave oscillator(5532)
  (View)

View full Circuit Diagram | Comments | Reading(1605)

Low noise sine wave crystal oscillator circuit

Published:2011/3/27 22:37:00 Author:may | Keyword: Low noisecrystal oscillator, sine wave crystal oscillator

Low noise sine wave crystal oscillator circuit
  (View)

View full Circuit Diagram | Comments | Reading(1127)

Asymmetrical multivibrator circuit diagram

Published:2011/4/7 21:54:00 Author:Ecco | Keyword: Asymmetrical multivibrator

Asymmetrical multivibrator circuit diagram
  (View)

View full Circuit Diagram | Comments | Reading(904)

The multi-function oscillator composed of D trigger

Published:2011/4/6 2:32:00 Author:Ecco | Keyword: multi-function oscillator , D trigger

The multi-function oscillator composed of D trigger
  (View)

View full Circuit Diagram | Comments | Reading(562)

The voltage-controlled oscillator composed of CMOS and NOT gate

Published:2011/4/6 4:11:00 Author:Ecco | Keyword: voltage-controlled oscillator , CMOS , NOT gate

The voltage-controlled oscillator composed of CMOS and NOT gate
  (View)

View full Circuit Diagram | Comments | Reading(530)

The ring oscillator composed of TTL NOT gate

Published:2011/4/6 4:06:00 Author:Ecco | Keyword: ring oscillator , TTL NOT gate

The ring oscillator composed of TTL NOT gate
  (View)

View full Circuit Diagram | Comments | Reading(697)

The oscillator composed of integrated circuit

Published:2011/4/6 4:03:00 Author:Ecco | Keyword: oscillator, integrated circuit

The oscillator composed of integrated circuit
  (View)

View full Circuit Diagram | Comments | Reading(531)

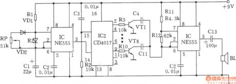
The audio oscillator composed of NE555 and CD4017

Published:2011/4/6 4:01:00 Author:Ecco | Keyword: audio oscillator

The audio oscillator composed of NE555 and CD4017
  (View)

View full Circuit Diagram | Comments | Reading(1117)

The audio oscillator with special function

Published:2011/4/6 3:56:00 Author:Ecco | Keyword: audio oscillator, special function

The audio oscillator with special function
  (View)

View full Circuit Diagram | Comments | Reading(527)

The quartz crystal oscillator composed of gate circuit(CD4069)

Published:2011/4/6 4:12:00 Author:Ecco | Keyword: quartz crystal oscillator , gate circuit

The quartz crystal oscillator composed of gate circuit(CD4069)
  (View)

View full Circuit Diagram | Comments | Reading(4235)

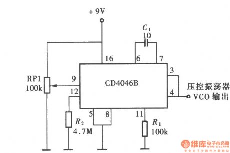
Limited frequency range of oscillator composed of CD4046

Published:2011/4/6 2:25:00 Author:Ecco | Keyword: Limited frequency range, oscillator

Limited frequency range of oscillator composed of CD4046
  (View)

View full Circuit Diagram | Comments | Reading(1370)

Limited frequency oscillator composed of CD4046

Published:2011/4/6 2:23:00 Author:Ecco | Keyword: Limited frequency, oscillator

Limited frequency oscillator composed of CD4046
  (View)

View full Circuit Diagram | Comments | Reading(3020)

Ring oscillator circuit diagram with RC circuit

Published:2011/4/7 21:53:00 Author:Ecco | Keyword: Ring oscillator , RC circuit

Ring oscillator circuit diagram with RC circuit
  (View)

View full Circuit Diagram | Comments | Reading(760)

Wideband VCO composed of CD4007

Published:2011/4/8 2:59:00 Author:Ecco | Keyword: Wideband , VCO

Wideband VCO composed of CD4007
The VCO is shown as the chart. The voltage-controlled signal Vi provides a DC voltage with the changing of frequency and phase to the varactor VDl ~ VD3 and from the low-pass filter Rl ~ R3. The voltage is decided by the VCO (voltage controlled oscillator) output frequency of the inductor L, capacitor C3, C4 and varactor diode VDl ~ VD3 and IC (CD4007).   (View)

View full Circuit Diagram | Comments | Reading(3548)

Wideband VCO composed of CD4046

Published:2011/4/8 2:52:00 Author:Ecco | Keyword: Wideband , VCO

Wideband VCO composed of CD4046
  (View)

View full Circuit Diagram | Comments | Reading(3669)

The voltage-controlled oscillator(NE566V) with controlled wide range

Published:2011/4/8 2:50:00 Author:Ecco | Keyword: voltage-controlled oscillator, controlled wide range

The voltage-controlled oscillator(NE566V) with controlled wide range
  (View)

View full Circuit Diagram | Comments | Reading(564)

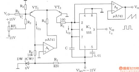
Exponential voltage-controlled oscillator(555)

Published:2011/4/8 2:46:00 Author:Ecco | Keyword: Exponential, voltage-controlled oscillator, 555

Exponential voltage-controlled oscillator(555)
Exponential voltage-controlled oscillator(555)

  (View)

View full Circuit Diagram | Comments | Reading(2459)

1MHz oscillator circuit

Published:2011/3/21 0:57:00 Author:may | Keyword: oscillator, 1MHz

1MHz oscillator circuit
Use IC 7400 can make up a high frequency oscillator, its oscillator frequency depended on RC, the final 7400use for isolation level.   (View)

View full Circuit Diagram | Comments | Reading(2016)

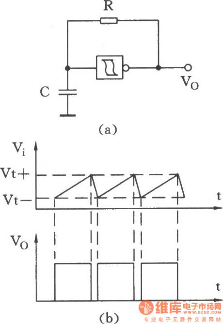
Oscillator circuit composed of Schmitt trigger with a resistor and a capacitor

Published:2011/4/6 20:06:00 Author:Ecco | Keyword: Oscillator circuit , Schmitt trigger , resistor , capacitor

Oscillator circuit composed of Schmitt trigger with a resistor and a capacitor
  (View)

View full Circuit Diagram | Comments | Reading(635)

The twice frequency oscillator(567)

Published:2011/4/6 2:40:00 Author:Ecco | Keyword: twice frequency oscillator

The twice frequency oscillator(567)
  (View)

View full Circuit Diagram | Comments | Reading(645)

Pages:53/54 At 204142434445464748495051525354

SeekIC Live Chat
  • Get a Quote/Urgent Purchase
  • Part Number
  • Qty

Response in 12 hours