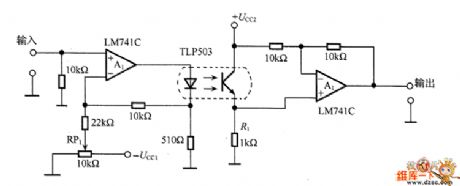
Published:2011/7/4 20:12:00 Author:Borg | Keyword: separation amplifier, photoelectric coupler
In the figure is the simple separation amplifier circuit of photoelectric coupler. This amplifier is used in the situation of low separation standard, the frequency width is 0~30kHz. In the circuit, RP1 is used to decide the bias, which makes the waveform distortion be the minimum. The DC bias and input signal are added together, which controls the forward current of the LED and makes A1 drive in with the constant current. The resistor R1 converts the current output by the photoelectric transistor into the voltage.
(View)
View full Circuit Diagram | Comments | Reading(708)
Published:2011/7/1 1:30:00 Author:Ecco | Keyword: Transformer, RC circuit , direct-coupled , amplifier
View full Circuit Diagram | Comments | Reading(971)
Published:2011/7/1 2:19:00 Author:Ecco | Keyword: Classic , 0-300MHz , no Bote Wan band , amplifier
View full Circuit Diagram | Comments | Reading(740)
Published:2011/6/13 21:57:00 Author:Seven | Keyword: oxygen inhaler
View full Circuit Diagram | Comments | Reading(4500)
Published:2011/6/13 21:57:00 Author:Seven | Keyword: oxygen inhaler
View full Circuit Diagram | Comments | Reading(863)
Published:2011/6/23 0:33:00 Author:qqtang | Keyword: projection, green primary, video amplifier circuit
The Changhong hp(5168) projection green primary video amplifier circuit is shown in the figure.
(View)
View full Circuit Diagram | Comments | Reading(674)
Published:2011/6/23 0:44:00 Author:qqtang | Keyword: MOSFET A, amplifier circuit
The MOSFET A amplifier circuit is shown in theabove figure.
C1-1uF, 35V R4-20 ohms, 5WC2-470uF, 35v electrolytic R5-1K ohms, 1/4WC3-0.1uF, 35v Rg-220 ohms, 1/4W (see text)D1,D2-1N914 Diode Rp-10K-100K dual pot(audio taper)Q1-IRF 513MOSFET R1-4.7K ohms,1/4WR2-100k ohms,1/4W R3-220K ohms,1/4W(see text)All resistors are metal film. C1 is a film type such as polypropylene. Bypass C2 with a 1uF polypropylene cape. (View)
View full Circuit Diagram | Comments | Reading(1016)
Published:2011/6/28 7:50:00 Author:qqtang | Keyword: typical application circuit, output angle
In the figure is the typical application circuit of UZZ9001. C represents the decoupling capacitor, SPI input/output connector can directly couple with single chip machine(μC), UZZ9001 can be set by the single chip machine. The error of the measuring angle of UZZ9001 is about ±0.35o.
(View)
View full Circuit Diagram | Comments | Reading(590)
Published:2011/6/28 7:51:00 Author:qqtang | Keyword: application circuit, low-power, signal processor
The typical application circuit of TSS400-S1/S2 is shown in the figure. This system is powered by the 3V LI battery(E), C1 and C2 is the decoupling capacitor of the power supply. The crystal frequency is 32.768KHz. The external storage is made of two pieces of 512 byte E2PROM of 24C04 type. In the dotted line frame is the silicon pressure sensor. With the temperature compensatory software, we can get the test precision and the 12-bit ADC pressure value. In the figure, all the analog wires are linked to USDD terminal, the sensor is powered only when it needs D/A conversion, by which the energy can be saved.
(View)
View full Circuit Diagram | Comments | Reading(670)
Published:2011/6/28 7:52:00 Author:qqtang | Keyword: general construction, low-power, programmable sensor
The general connection system allows a single way communication in a second line bus. This general line can be the twisted pair. Under the requirement of the host, the data are sent to the host from the affiliated machine. When the general line is effective, the affiliated host can also be started to send data asynchronously. The general connection of TSS400-S2 is shown in the figure. In the circuit, there is a chip general connector circuit TSS721. By the order of ENBUS, the distant reading of the additional module can be completed.
(View)
View full Circuit Diagram | Comments | Reading(729)
Published:2011/6/28 7:52:00 Author:qqtang | Keyword: typical system layout, low-power, signal processor
View full Circuit Diagram | Comments | Reading(623)
Published:2011/6/30 22:40:00 Author:Ecco | Keyword: Complementary , symmetry, power amplifier
View full Circuit Diagram | Comments | Reading(2005)
Published:2011/7/4 7:20:00 Author:John
View full Circuit Diagram | Comments | Reading(526)
Published:2011/7/4 7:18:00 Author:John
View full Circuit Diagram | Comments | Reading(530)
Published:2011/7/4 7:07:00 Author:John
View full Circuit Diagram | Comments | Reading(551)
Published:2011/7/4 7:06:00 Author:John
View full Circuit Diagram | Comments | Reading(548)
Published:2011/7/4 7:06:00 Author:John | Keyword: Monochrome display, power supply
View full Circuit Diagram | Comments | Reading(647)
Published:2011/6/25 5:28:00 Author:Borg | Keyword: power amplifier


TDA2030A is the power amplifier circuit produced by Telefunken, which is V type 5-pin in-line plastic package.
Circuit features:1. Few external components; 2. Large output power, Po=18W(RL=4Ω); 3. it is in super small package(TO-220), which can raise the density; 4. little starting impact; 5. It contains all kinds of protection circuit, so it's safe and reliable. The main protection circuits are short protection, heat protection, earth wire occasional open circuit, power polarity inverted connection(Vsmax=12V) and loading releasing voltage reflection and so on.
(View)
View full Circuit Diagram | Comments | Reading(2121)
Published:2011/6/21 19:41:00 Author:Robert | Keyword: Increasing, Input, Impedance
The picture shows the circuit which increases the input impedance by adding front amplifier stage.
Those amplifier circuit, which used in small current amplification or large signal internal resistance case, needs very high input impedance. Some could be more than 1x1012Ω. To increase the input impedance, the most direct way is to use the input stage composed of FET and add it in parallel before the amplifier. The circuit in the picture can make the VT2 static working point stable. R1, R2 and RP1 is used to get the balance of the output voltage of the front amplifier stage. (View)
View full Circuit Diagram | Comments | Reading(684)
Published:2011/7/4 6:56:00 Author:John | Keyword: VHF, VFO
The author has encountered a device which has both drifting and shifting problems. These two kinds of problems both have a high ratio. Although employed in the communications sector at that time, I had not solved the problems for months ( cobbler's shoes syndrome). A closer examination was given to only find that there is some debris below the rotor of main tuning capacitor. Under normal circumstances, the rotor of the capacitance is connected to the chassis through its frame. But a brass or iron triangle of ground or spring clip should be placed around the bearing in front of the rotor because the rotor must rotate.
(View)
View full Circuit Diagram | Comments | Reading(1716)
| Pages:184/250 At 20181182183184185186187188189190191192193194195196197198199200Under 20 |