Published:2011/7/8 4:26:00 Author:Fiona | Keyword: Single audio decoding
Single audio decoding circuit is shown as above,the figure is the used for dual tone multiple frequency(DTMF) demoder circuit.DTMF modulating signal sent from external line leads to the single narrowband filter which is composed of integrated circuit LM567 and the seven center frequencies are 697 ~ 1447Hz,then it is paired sent into nand gate and outputs corresponding 1,2, ... , 9,0 and other numbers.
(View)
View full Circuit Diagram | Comments | Reading(966)
Published:2011/7/9 1:07:00 Author:Fiona | Keyword: In-phase, audio amplifier
The Working principle is shown as above:input audio weak signal is amplified by amplifier A's 1 pin after capacitance cl coupling.The signal putout by @ pin and two parallel symmetrical, balance of power amplifier transistor VTl,VT2 emitters are in-phase output.In the circuit, c2, R4, RP form the negative feedback circuit to improve the stability of the output waveform.c3 is compensatory high frequency capacitor. C4, c5 are power supply AC component filter capacitors.Resistor R8 ~ Rlj are the bias resistors of transistor vTl,vT2. Low frequency end stand or fall depends on the capacity size of the output capacitors C8, c9 at the output end,meanwhile,it plays the every straight role,adjust potentiometer RP can adjustable gain up to 10dB or more. (View)
View full Circuit Diagram | Comments | Reading(1298)
Published:2011/7/9 4:21:00 Author:chopper | Keyword: Half-wave, synchronous, rectification circuit, MOSFET
Half-wave synchronous rectification circuit with MOSFET is shown as picture
(View)
View full Circuit Diagram | Comments | Reading(825)
Published:2011/7/9 3:41:00 Author:chopper | Keyword: MOSFET, drive circuit
MOSFET drive circuit is shown as picture
(View)
View full Circuit Diagram | Comments | Reading(861)
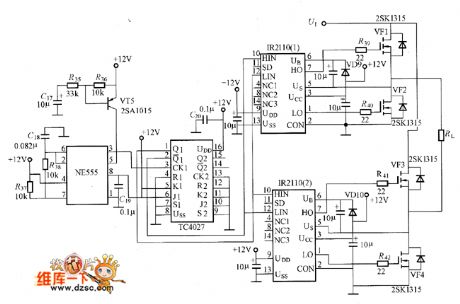
Published:2011/7/10 3:33:00 Author:chopper | Keyword: AC-DC, converter circuit
Figure shows an AC-DC converter circuit.In the circuit,NE555 constitutes oscillator,and the oscillation frequency varies between 200 and 600Hz.NE555 output signal willgain the 50% duty ratio auxiliary signal after it gets a 2 frequency demultiplication by TC4027.When the bulb begins to discharge,VT5's role is to improve the control voltage of NE555,and reduce its oscillation frequency.Output of TC4027 is loaded directly to the power MOSFET drive circuit IR2110,it should be noted that if high and low power MOSFET are conductive at the same time,there will be a large current through the channel,therefore,we should adjust the timing sequence of TC4027 output signal.
(View)
View full Circuit Diagram | Comments | Reading(3155)
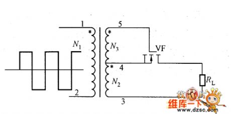
Published:2011/7/9 4:38:00 Author:chopper | Keyword: inductive commutation
This is the commutationmethod which uses energy stored in the inductor, and it is known as inductive commutation. Figure shows the step-down converter for example. In this instance, ifit only hasVF1 and YD2, then it is the common step-down converter.However,this circuit is formed by switch tube VF2,diode VD1 and capacitor C1, C2.
(View)
View full Circuit Diagram | Comments | Reading(734)
Published:2011/7/10 6:02:00 Author:leo | Keyword: Switch power source , thick film
TEA5170 is a kind of switch power source thick film integrated circuit produced by Thomson Company which is widely used in Toshiba 2500XH, MCI5A, Samsung C56229Z, Kangyi 66mm, Mud an 64C1, Jinxing C6418, Feiyue FY7403, Xihu C2918 and other color television. 1.Function features:TEA5170 contains power supply control circuit, drive pulse circuit, oscillator circuit, difference signal processing circuit and other circuits. 2.Pin functions and data:TEA5170 pin functions and other related data are shown in the picture. (View)
View full Circuit Diagram | Comments | Reading(664)
Published:2011/7/10 19:18:00 Author:leo | Keyword: Dual-audio, power amplifier



CXA1622 is a dual channel power amplifier integrated circuit produced by Sony Company in Japan which is widely used in low voltage recorder, walk man and computer stereo system.1. CXA1622 inner circuit diagram and pin functions:CXAl278N contains two similar power amplifier, record play back amplifier, electric volume control circuit and BTL stereo converting circuit. It uses 16-pin dual-line package. The inner circuit diagram of CXA1622 is shown in the picture 1.2. CXAl278N classic applying circuit is shown in the picture 2. (View)
View full Circuit Diagram | Comments | Reading(1727)
Published:2011/7/10 18:40:00 Author:leo | Keyword: Single chip, record playback



LA4160-Single chip record playback integrated circuitLA4160 is a single chip record playback integrated circuit produced by Sanyo Company which is widely used in portable small recorder, read after recorder and other special recorder.
1.LA4160 inner circuit and pin functions:LA4160 inner circuit contains fronted amplifier, auto gain control circuit, power amplifier and AMACP circuit. Its inner circuit diagram is shown in the picture 1-1 whose advantages are high fronted gain, high output power and large auto gain coverage. 2.LA4160 main parameters:Limitations: When Ta=25℃, Vcc is 13 V and power consumption PD1 is 1.2 W, PD2 is 2.25W. (View)
View full Circuit Diagram | Comments | Reading(3947)
Published:2011/7/10 18:58:00 Author:leo | Keyword: Video converting, resistance conversion
TEA2014 is width band video converting switch which is widely used in television circuit to convert the video signal.
1.Function features:TEA2014 has the features of signal voltage gain, resistance conversion, input and output short circuit protection, high definition, low power consumption and others. 2.Pin functions and data:TEA2014 uses 8 pin package and its pin functions as well as the related information are shown in the picture 1-1. (View)
View full Circuit Diagram | Comments | Reading(831)
Published:2011/7/10 19:12:00 Author:leo | Keyword: Single chip, record, playback



CXAl278N is a single chip record playback integrated circuit produced by Sony Company in Japan which is widely used in mini recorders.
1.CXAl278N inner circuit diagram and pin functions:CXAl278N contains two similar microphone recording amplifier, record play back amplifier, record amplifier and LED instruction control circuit, filter, record auto electric level control circuit, based voltage circuit, record/play converting circuit and others. The inner circuit diagram of CXAl278N is shown in the picture 1.2. CXAl278N classic applying circuit is shown in the picture 2. (View)
View full Circuit Diagram | Comments | Reading(1255)
Published:2011/7/10 19:24:00 Author:leo | Keyword: Dual channel, power amplifier



LA4533M is a dual channel power amplifier integrated circuit produced by Sony Company in Japan which is widely used in mini recorder, walk man and other low voltage and small power stereo system.1. LA4533M inner circuit diagram and pin functions:LA4533M contains two power amplifiers, power supply AMACP switch circuit, and filter. It uses 10-pin dual-line package. The inner circuit diagram of LA4533M is shown in the picture 1-1.2. CXAl278N classic applying circuit is shown in the picture 1-2. (View)
View full Circuit Diagram | Comments | Reading(1866)
Published:2011/7/10 4:47:00 Author:leo | Keyword: PWM control/drive, full integration, half-bridge
(View)
View full Circuit Diagram | Comments | Reading(1457)
Published:2011/7/10 19:56:00 Author:leo | Keyword: Single chip, power amplifier


TPAO211 is a single chip audio power amplifier integrated circuit produced by W in England. It has a area of 9 mm (2) and is widely used in record/playback PDA, computer and laptop as well as portable wireless telephone.
1. TPAO211 inner circuit diagram and pin functions:It uses 8-pin SOP package. The inner circuit diagram of TPAO211 is shown in the picture 1-1.Its classic applying circuit and inner circuit are shown in the picture 16-4.
2. TPAO211 main parameters:Its standby current is 0.9μA which is good for the extension of the life of battery. Under the sE mode, this IC’s power gain is -1.25 V/V, and under the mode of BTL, its gain is -1.25 V/V.3. TPAO211 classic applying circuit(432)Its classic applying circuit is shown in the picture 1-2. (View)
View full Circuit Diagram | Comments | Reading(1466)
Published:2011/7/10 4:57:00 Author:leo | Keyword: Single chip, microcomputer
TMP88CM38N is a type of single chip microcomputer control integrated circuit produced by Toshiba which is widely used in Changhong CN-15 color television.1.Function features:TMP88CM38N consists of UPS, I(2) C Bus control circuit, key scanning code circuit, character display circuit, AV control circuit, frequency band control circuit, degauss control circuit, standby/start control circuit, mute control circuit, S port recognizing circuit, accompanying sound control circuit, clock oscillator circuit, character display clock circuit and other related circuit. 2.Pin functions and related data:It uses 42 pin dual line package and all information is shown in the picture. (View)
View full Circuit Diagram | Comments | Reading(642)
Published:2011/7/10 3:39:00 Author:leo | Keyword: Switch integrated circuit, television stereo system
LLA7016 is single two bits switch integrated circuit produced by Sanyo Company. It belongs to common part and is widely used in television stereo system, combination audio and other stereo system.
LA7016 inner circuit diagram and pin functions:Its pin functions are shown in picture 1-1. It uses 8 pins single line package which is shown in the picture: Pin 1-work power source input port Pin 2-The first audio signal input portPin 3-electronic switch control signal input portPin 4-Converted first signal or second signal output portPin 5- Ground connecting portPin 6,8-Blank portPin 7-second audio signal input port (View)
View full Circuit Diagram | Comments | Reading(922)
Published:2011/7/10 3:49:00 Author:leo | Keyword: Signal chip, Sanyo Company
LA4582C is a kind of signal chip stereo player integrated circuit produced by Sanyo Company. It is widely used in all kinds of walk man and players with the brands of Sanyo, Sony and others.
1.Function features:LA4582C contains two power amplifiers with the same functions, playing fronted amplifier, pros and cons control circuit, high and low volume improving circuit, mix down circuit, reference power resource circuit, LP and HP filtering circuit, power amplifier circuit, noise stopping switch, and other related circuits.2.Pin functions and related data:It uses 36-pin package and its pin functions are shown in the picture. (View)
View full Circuit Diagram | Comments | Reading(846)
Published:2011/7/10 3:30:00 Author:leo | Keyword: Signal chip, 24 pin package


LA458lMB is a type of signal chip playback integrated circuit produced by Sanyo Company. It is widely used in HS-T series, Sony FX series and Sanyo GP series walk man.
1.LA458lMB inner circuit diagram and pin functions:LA458lMB has dual channel fronted head amplifier that a common stereo player has, power amplifier which is used by earphone driving, head channel converting F/R electronic switch circuit (which is used to automatically change the orientations and so on). LA458lMB uses 24 pin package and its pin functions are shown in the picture:
2.Main parameters:Its voltage coverage is 2 V to 5.5 V and the work voltage is 3V. The picture gives Adware series player circuit.
3.Its classic applying circuit Picture 1-1 shows its classic applying circuit.
4.Work process (View)
View full Circuit Diagram | Comments | Reading(719)
Published:2011/7/10 5:06:00 Author:leo | Keyword: Y, U, V D/A convertor, 3 based color processing circuit
CXD2309Q is a new type of Y, U, V D/A convertor integrated circuit produced by Sony Company which is widely used in smooth big screen, digital television and other big screen color television.
Function features:CXD2309Q contains 3 based color signals D/A convertor, 3 based color processing circuit, 8 bits binary data and processing circuit, 3 based color D/A converting power supply circuit, 3 based color D/A converting signal processing circuit and other related circuits.
Pin functions and data:CXD2309Q uses 48 pins dual line package and its pin functions are shown in the picture 1. (View)
View full Circuit Diagram | Comments | Reading(716)
Published:2011/7/10 4:04:00 Author:leo | Keyword: Pulse width modulation, switch power resource circuit
LA4582C is a kind of signal chip stereo player integrated circuit produced by Sanyo Company. It is widely used in all kinds of walk man TL494 is a kind of dedicated double-ended impulse modulation component which can be used to produce double-ended push-pull, half-bridge and full-bridge switch power resource. It is widely used in DVD, VCD, computer system and all kinds of appliance switch power resource circuit.
1.Function features:TA494 contains oscillator, difference amplifier, pulse width comparator and based voltage resource and output circuit.2.Pin functions and data:TA494 uses 16 pin dual line package and its pin functions are shown in the picture 1-1.3. Singal process (View)
View full Circuit Diagram | Comments | Reading(1153)
| Pages:182/250 At 20181182183184185186187188189190191192193194195196197198199200Under 20 |