Position: Home > Circuit Diagram > Amplifier Circuit > Index 195
Low Cost Custom Prototype PCB Manufacturer

Amplifier Circuit

Index 195



The long-timing circuit of NE555

Published:2011/6/23 3:16:00 Author:qqtang | Keyword: long-timing

The long-timing circuit of NE555
In the figure is the long-timing circuit of NE555. In the circuit, NE555 outputs a high LEV after it is triggered and the transistor in 7-pin is broken down. The integrator engages in linear integration to the reference voltage Uref generated by the resistor voltage, the integration output is rising along the line of Uref/(RC), the 6-pin trigger spot is (2/3)Ucc=10V. If Uref=0.1V, the delayed time that the threshold value UTH of NE555 rises to 10V is 100RC. When it reaches 2/3Ucc, the trigger in NE555 is reversing and the output of 3-pin is turning into a low LEV from a high LEV.   (View)

View full Circuit Diagram | Comments | Reading(825)

RF transmission power amplifier circuit

Published:2011/6/22 19:59:00 Author:TaoXi | Keyword: RF, transmission, power amplifier

RF transmission power amplifier circuit
The RF transmission power amplifier uses the 50~850MHz power amplifier chip SBB-2089, the power gain is 20dB, the transceiver distance is about 150m, so it can be used in the traffic information reminding. Even you have not permit by the committee, you can further expand the receiving range. The power amplifier circuit is as shown in the figure.   (View)

View full Circuit Diagram | Comments | Reading(1213)

MOSFET active preselector circuit

Published:2011/6/21 0:27:00 Author:John | Keyword: active preselector

MOSFET active preselector circuit
MOSFET active preselector circuit is shown.   (View)

View full Circuit Diagram | Comments | Reading(3845)

The STK4161 application circuit

Published:2011/6/20 1:01:00 Author:Seven | Keyword: application circuit

The STK4161 application circuit
The STK4161 application circuit is shown in the following circuit.   (View)

View full Circuit Diagram | Comments | Reading(2203)

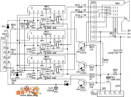
The tda6101 video amplifier circuit

Published:2011/6/19 20:41:00 Author:qqtang | Keyword: video amplifier circuit

The tda6101 video amplifier circuit
The tda6101 video amplifier circuit is shown in the figure.   (View)

View full Circuit Diagram | Comments | Reading(1736)

The 50w power amplifier circuit made of lm3886

Published:2011/6/21 21:49:00 Author:qqtang | Keyword: power amplifier, 50w

The 50w power amplifier circuit made of lm3886
The 50w power amplifier circuit made of lm3886 is shown as above.   (View)

View full Circuit Diagram | Comments | Reading(1151)

The simplest headphone circuit

Published:2011/6/21 22:10:00 Author:qqtang | Keyword: simplest, headphone circuit

The simplest headphone circuit
The simplest headphone circuit is shown as above.   (View)

View full Circuit Diagram | Comments | Reading(3383)

The DVD player motor system circuit

Published:2011/6/21 22:26:00 Author:qqtang | Keyword: DVD player, motor system

The DVD player motor system circuit
The DVD player motor system circuit is shown as above.   (View)

View full Circuit Diagram | Comments | Reading(1100)

The TA7668P headphone amplifier circuit

Published:2011/6/21 21:47:00 Author:qqtang | Keyword: headphone, amplifier circuit

The TA7668P headphone amplifier circuit
The TA7668P headphone amplifier circuit is shown as above.   (View)

View full Circuit Diagram | Comments | Reading(2556)

the TDA typical power amplifier circuit

Published:2011/6/22 1:42:00 Author:Borg | Keyword: power amplifier, TDA

the TDA typical power amplifier circuit
The TDA typical power amplifier circuit is shown as above.   (View)

View full Circuit Diagram | Comments | Reading(897)

The STK4152 practical circuit

Published:2011/6/20 0:43:00 Author:Seven | Keyword: practical circuit

The STK4152 practical circuit
The STK4152 practical circuit is shown in the figure.   (View)

View full Circuit Diagram | Comments | Reading(11233)

The STK4151 application circuit

Published:2011/6/20 22:06:00 Author:Seven | Keyword: application circuit

The STK4151 application circuit
The STK4151 application circuit is shown in the above figure.   (View)

View full Circuit Diagram | Comments | Reading(6289)

The STK4141 application circuit

Published:2011/6/20 0:54:00 Author:Seven | Keyword: application circuit

The STK4141 application circuit
The STK4141 application circuit is shown in the figure.   (View)

View full Circuit Diagram | Comments | Reading(7637)

The STK4131 application circuit

Published:2011/6/20 22:10:00 Author:Seven | Keyword: application circuit

The STK4131 application circuit
The STK4131 application circuit is shown in theabove figure.   (View)

View full Circuit Diagram | Comments | Reading(3274)

The STK4122 application circuit

Published:2011/6/20 22:10:00 Author:Seven | Keyword: application circuit

The STK4122 application circuit
The STK4122 application circuit is shown in theabove figure.   (View)

View full Circuit Diagram | Comments | Reading(4848)

The STK1060 application circuit

Published:2011/6/20 22:19:00 Author:Seven | Keyword: application circuit

The STK1060 application circuit
The STK1060 application circuit is shown as above.   (View)

View full Circuit Diagram | Comments | Reading(907)

The STK1059 application circuit

Published:2011/6/20 22:19:00 Author:Seven | Keyword: application circuit

The STK1059 application circuit
The STK1059 application circuit is shown as above.   (View)

View full Circuit Diagram | Comments | Reading(622)

The STK1050 application circuit

Published:2011/6/20 22:20:00 Author:Seven | Keyword: application circuit

The STK1050 application circuit
The STK1050 application circuit is shown as above.   (View)

View full Circuit Diagram | Comments | Reading(1015)

The STK1045 application circuit

Published:2011/6/20 22:20:00 Author:Seven | Keyword: application circuit

The STK1045 application circuit
The STK1045 application circuit is shown as above.   (View)

View full Circuit Diagram | Comments | Reading(617)

The STK1040 application circuit

Published:2011/6/20 22:20:00 Author:Seven | Keyword: application circuit

The STK1040 application circuit
The STK1040 application circuit is shown as above.   (View)

View full Circuit Diagram | Comments | Reading(1125)

Pages:195/250 At 20181182183184185186187188189190191192193194195196197198199200Under 20