Position: Home > Circuit Diagram > Automotive Circuit > Index 62
Low Cost Custom Prototype PCB Manufacturer

Automotive Circuit

Index 62



Southeast Freeca engine circuit

Published:2011/7/1 1:34:00 Author:TaoXi | Keyword: Southeast, Freeca, engine circuit


The Southeast Freeca engine circuit is as shown in the figure:   (View)

View full Circuit Diagram | Comments | Reading(498)

Vizi starting motor and generator circuit

Published:2011/7/1 1:36:00 Author:TaoXi | Keyword: Vizi, starting motor, generator

Vizi starting motor and generator circuit
The Vizi starting motor and generator circuit is as shown in the figure:   (View)

View full Circuit Diagram | Comments | Reading(690)

Vizi saloon car ABS and brake light circuit

Published:2011/7/1 1:20:00 Author:TaoXi | Keyword: Vizi, saloon car, ABS, brake light

Vizi saloon car ABS and brake light circuit
The Vizi saloon car ABS and brake light circuit is as shown in the figure:   (View)

View full Circuit Diagram | Comments | Reading(1110)

Vizi saloon car internal light, cigar lighter and remote control rearview mirror circuit

Published:2011/7/1 1:21:00 Author:TaoXi | Keyword: Vizi, saloon car, internal light, cigar lighter, remote control, rearview mirror

Vizi saloon car internal light, cigar lighter and remote control rearview mirror circuit
The Vizi saloon car internal light, cigar lighter and remote control rearview mirror circuit is as shown in the figure:   (View)

View full Circuit Diagram | Comments | Reading(479)

Vizi tail light and lighting circuit

Published:2011/7/1 1:24:00 Author:TaoXi | Keyword: Vizi, tail light, lighting circuit

Vizi tail light and lighting circuit
The Vizi tail light and lighting circuit is as shown in the figure:   (View)

View full Circuit Diagram | Comments | Reading(482)

CD4001 single channel modulator circuit

Published:2011/7/1 0:41:00 Author:chopper | Keyword: single channel, modulator circuit

CD4001 single channel modulator circuit
  (View)

View full Circuit Diagram | Comments | Reading(892)

Panda 3643 infrared remote-control emitter circuit

Published:2011/7/1 0:42:00 Author:chopper | Keyword: Panda, infrared remote-control, emitter circuit

Panda 3643 infrared remote-control emitter circuit
  (View)

View full Circuit Diagram | Comments | Reading(571)

electric fan infrared emitter (4011) circuit

Published:2011/6/30 7:00:00 Author:chopper | Keyword: electric fan, infrared emitter circuit

electric fan infrared emitter (4011) circuit
  (View)

View full Circuit Diagram | Comments | Reading(1872)

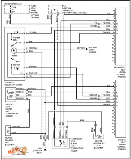
The Volkswagon chair heating circuit

Published:2011/6/30 22:54:00 Author:qqtang | Keyword: Volkswagon, chair heating

The Volkswagon chair heating circuit
  (View)

View full Circuit Diagram | Comments | Reading(496)

The Volkswagon instrument lighting circuit

Published:2011/6/30 22:56:00 Author:qqtang | Keyword: Volkswagon, instrument

The Volkswagon instrument lighting circuit
  (View)

View full Circuit Diagram | Comments | Reading(602)

The Volkswagon big lamp washer circuit

Published:2011/6/30 22:08:00 Author:qqtang | Keyword: Volkswagon, big lamp washer

The Volkswagon big lamp washer circuit
  (View)

View full Circuit Diagram | Comments | Reading(472)

The Volkswagon big light circuit

Published:2011/6/30 21:01:00 Author:qqtang | Keyword: Volkswagon, big light circuit

The Volkswagon big light circuit
  (View)

View full Circuit Diagram | Comments | Reading(469)

The Volkswagon windscreen washer heating circuit

Published:2011/6/30 21:44:00 Author:qqtang | Keyword: Volkswagon, windscreen washer

The Volkswagon windscreen washer heating circuit
  (View)

View full Circuit Diagram | Comments | Reading(561)

The South-East Wagon air-bag and ABS circuit

Published:2011/6/30 21:48:00 Author:qqtang | Keyword: South-East, Wagon, air-bag, ABS

The South-East Wagon air-bag and ABS circuit
The South-East Wagon air-bag and ABS circuit is shown as above.   (View)

View full Circuit Diagram | Comments | Reading(502)

The Volkswagon electric rearview mirror circuit

Published:2011/6/30 21:49:00 Author:qqtang | Keyword: Volkswagon, electric rearview mirror

The Volkswagon electric rearview mirror circuit
  (View)

View full Circuit Diagram | Comments | Reading(482)

The Volkswagon front wiper/washer circuit

Published:2011/6/30 22:13:00 Author:qqtang | Keyword: Volkswagon, front wiper/washer

The Volkswagon front wiper/washer circuit
  (View)

View full Circuit Diagram | Comments | Reading(516)

The Volkswagon door control circuit

Published:2011/6/30 22:10:00 Author:qqtang | Keyword: Volkswagon, door control

The Volkswagon door control circuit
  (View)

View full Circuit Diagram | Comments | Reading(551)

The Volkswagon back-up lamp circuit

Published:2011/6/30 21:56:00 Author:qqtang | Keyword: Volkswagon, back-up lamp

The Volkswagon back-up lamp circuit
  (View)

View full Circuit Diagram | Comments | Reading(519)

The Volkswagon trunk opening circuit

Published:2011/6/30 22:00:00 Author:qqtang | Keyword: Volkswagon, trunk

The Volkswagon trunk opening circuit
  (View)

View full Circuit Diagram | Comments | Reading(513)

The Volkswagon sunshade tent circuit

Published:2011/6/30 21:52:00 Author:qqtang | Keyword: Volkswagon, sunshade tent

The Volkswagon sunshade tent circuit
  (View)

View full Circuit Diagram | Comments | Reading(525)

Pages:62/164 At 206162636465666768697071727374757677787980Under 20