Position: Home > Circuit Diagram > Automotive Circuit > Index 65
Low Cost Custom Prototype PCB Manufacturer

Automotive Circuit

Index 65



GuangZhou HONDA Fit saloon car engine circuit 2

Published:2011/6/19 19:06:00 Author:TaoXi | Keyword: GuangZhou, HONDA, Fit, saloon car, engine circuit

GuangZhou HONDA Fit saloon car engine circuit 2
GuangZhou HONDA Fit saloon car engine circuit   (View)

View full Circuit Diagram | Comments | Reading(449)

GuangZhou HONDA Fit saloon car engine circuit 7

Published:2011/6/19 19:01:00 Author:TaoXi | Keyword: GuangZhou, HONDA, Fit, saloon car, engine circuit

GuangZhou HONDA Fit saloon car engine circuit 7
GuangZhou HONDA Fit saloon car engine circuit   (View)

View full Circuit Diagram | Comments | Reading(391)

GuangZhou HONDA Fit saloon car engine circuit 1

Published:2011/6/19 19:06:00 Author:TaoXi | Keyword: GuangZhou, HONDA, Fit, saloon car, engine circuit

GuangZhou HONDA Fit saloon car engine circuit 1
GuangZhou HONDA Fit saloon car engine circuit   (View)

View full Circuit Diagram | Comments | Reading(390)

Vizi saloon car brake light, backup light, wiper and scrubber circuits

Published:2011/6/28 19:16:00 Author:TaoXi | Keyword: Vizi, saloon car, brake light, backup light, wiper, scrubber

Vizi saloon car brake light, backup light, wiper and scrubber circuits
Vizi saloon car brake light, backup light, wiper and scrubber circuits are as shown in the figure:   (View)

View full Circuit Diagram | Comments | Reading(447)

The Honda-Odessey power door and rearview mirror circuit

Published:2011/6/28 20:46:00 Author:qqtang | Keyword: Honda-Odessey, power door, rearview mirror

The Honda-Odessey power door and rearview mirror circuit
The Honda-Odessey power door and rearview mirror circuit is shown as above.   (View)

View full Circuit Diagram | Comments | Reading(464)

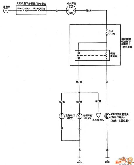
The Guangzhou Honda back-up lamp circuit

Published:2011/6/28 20:57:00 Author:qqtang | Keyword: Guangzhou Honda, back-up lamp

The Guangzhou Honda back-up lamp circuit
The Guangzhou Honda back-up lamp circuit is shown in the figure.   (View)

View full Circuit Diagram | Comments | Reading(404)

The other additional electric apparatus system circuit of Hyundai-Elantra

Published:2011/6/28 21:02:00 Author:qqtang | Keyword: additional, electric apparatus system, Hyundai-Elantra

The other additional electric apparatus system circuit of Hyundai-Elantra
The other additional electric apparatus system circuit of Hyundai-Elantra is shown as above.   (View)

View full Circuit Diagram | Comments | Reading(503)

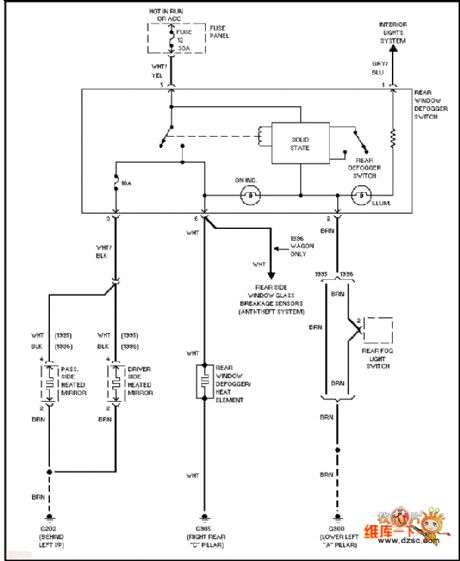
The Audi (non-aerial amplifier ) defroster circuit

Published:2011/6/28 21:41:00 Author:qqtang | Keyword: Audi, non-aerial amplifier, defroster

The Audi (non-aerial amplifier ) defroster circuit
  (View)

View full Circuit Diagram | Comments | Reading(450)

The Audi air bag circuit

Published:2011/6/28 21:30:00 Author:qqtang | Keyword: Audi, air bag

The Audi air bag circuit
The Audi air bag circuit

  (View)

View full Circuit Diagram | Comments | Reading(1644)

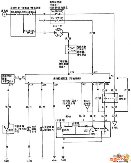
The Guangzhou Honda auto light off function circuit

Published:2011/6/28 21:18:00 Author:qqtang | Keyword: Guangzhou Honda, light off function

The Guangzhou Honda auto light off function circuit
The Guangzhou Honda auto light off function circuit is shown in the figure.   (View)

View full Circuit Diagram | Comments | Reading(469)

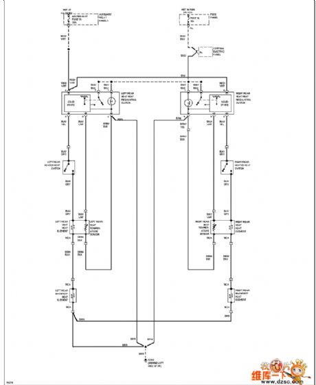
The Audi rear chair heating circuit

Published:2011/6/28 21:14:00 Author:qqtang | Keyword: Audi, rear chair

The Audi rear chair heating circuit
  (View)

View full Circuit Diagram | Comments | Reading(458)

The Audi starting circuit

Published:2011/6/28 21:19:00 Author:qqtang | Keyword: Audi, starting circuit

The Audi starting circuit
  (View)

View full Circuit Diagram | Comments | Reading(552)

The internal dual air-conditioner, defroster, wiper/washer circuit of Dongfeng Funshion

Published:2011/6/28 21:35:00 Author:qqtang | Keyword: dual air-conditioner, defroster, wiper/washer

The internal dual air-conditioner, defroster, wiper/washer circuit of Dongfeng Funshion
The internal dual air-conditioner, defroster, wiper/washer circuit of Dongfeng Funshion is shown as above.   (View)

View full Circuit Diagram | Comments | Reading(536)

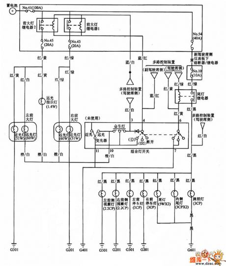
The Guangzhou Honda outside lighting circuit

Published:2011/6/28 21:42:00 Author:qqtang | Keyword: Guangzhou Honda, outside lighting circuit

The Guangzhou Honda outside lighting circuit
The Guangzhou Honda outside lighting circuit is shown as above.   (View)

View full Circuit Diagram | Comments | Reading(459)

The Audi wiper/washer circuit

Published:2011/6/28 21:56:00 Author:qqtang | Keyword: wiper/washer

The Audi wiper/washer circuit
  (View)

View full Circuit Diagram | Comments | Reading(667)

The Guangzhou Honda safety indicator circuit

Published:2011/6/28 22:13:00 Author:qqtang | Keyword: Guangzhou Honda, safety indicator

The Guangzhou Honda safety indicator circuit
The Guangzhou Honda safety indicator circuit is shown in the figure.   (View)

View full Circuit Diagram | Comments | Reading(399)

The Mazda M6 circuit

Published:2011/6/28 22:18:00 Author:qqtang | Keyword: Mazda, M6

The Mazda M6 circuit
The Mazda M6 circuit is shown in the figure.   (View)

View full Circuit Diagram | Comments | Reading(582)

the control circuit of the common electric motor(3)

Published:2011/6/25 20:40:00 Author:Ariel Wang | Keyword: control, common, electric motor

the control circuit of the common electric motor(3)
Now we will introduce the control circuit of electric motor which can both jog control and long-term operation.S1 is the start button.52 is the stop button.53 is jog control button.When it gets start, the knife switches get through.When 51 is pressed,KM is pulled in.The normally open contacts KM1 and KM2 are connected.The electric motor M starts to work.When 51 is disconnected,KM stays pull in as the contactor of KM2 is connected already.When you want to stop it,you can press 52.KM is released.The normally open contact is disconnected.M stops working.When you want to jog control it,you can press 53.KM is conducted to pull in.M starts to work.When 53 is disconnected.KM is released.M stops working.   (View)

View full Circuit Diagram | Comments | Reading(3350)

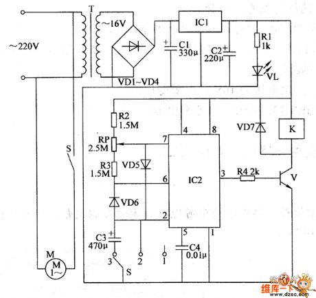
the circuit of fish breeding oxygen gaining controller(1)

Published:2011/6/27 8:46:00 Author:Ariel Wang | Keyword: fish breeding , oxygen gaining, controller

the circuit of fish breeding oxygen gaining controller(1)
The 220V AC voltage is reduced by T,commutated by VD1~VD4,filtered by C1 and regulated by IC1.It provides +12V working voltage for the timimg control circuit.The +12V voltage lights VL by R1 after it is current limited.S is the control selector switch.When S is at the position of 1 ,the pin-2 and pin-6 of IC2 output high level.The pin-3 outputs low level.V is stopped.K is released.The electric motor of oxygen producing pump M stops working.When S is at the position of 2 ,the pin-2 and pin-6 of IC2 output low level.The pin-3 outputs high level.V is saturated to conduct.K is conducted to pull in.The normally open contact is connected.The electric motor of oxygen producing pump M keeps working.   (View)

View full Circuit Diagram | Comments | Reading(414)

the circuit of fish breeding oxygen gaining controller(3)

Published:2011/6/26 9:08:00 Author:Ariel Wang | Keyword: fish breeding , oxygen gaining , controller


When S1 and S3 are disconnected,S2 and S4 are connected,the pin-1 of IC(the Q12 end) outputs low level,the pin-2 outputs high level.VT and V1 are conducted.K is conducted to pull in.The normally open contact is connected.The oxygen-producing device is conducted to work.At the same time,V2 is stopped.VL dies out.When the pin-1 and the pin-2 of IC output low level.The pin-3 outputs high level.VT and V1 are stopped.K is released.The normally open contact is disconneted.The oxygen-producing device is power-off.And it stopps working.   (View)

View full Circuit Diagram | Comments | Reading(363)

Pages:65/164 At 206162636465666768697071727374757677787980Under 20