Position: Home > Circuit Diagram > Automotive Circuit > Index 68
Low Cost Custom Prototype PCB Manufacturer

Automotive Circuit

Index 68



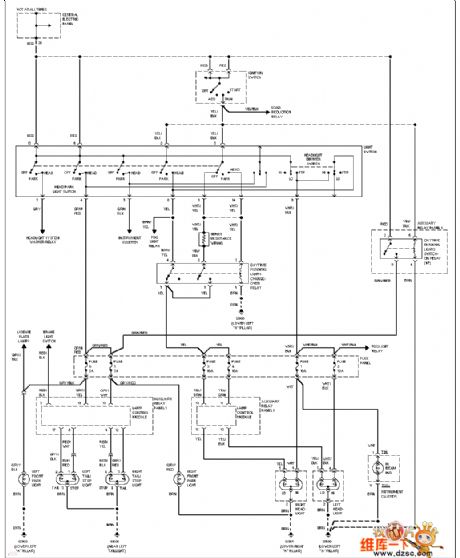
Audi (with DRL) headlamp circuit

Published:2011/6/27 3:29:00 Author:TaoXi | Keyword: Audi, DRL, headlamp circuit

Audi (with DRL) headlamp circuit
  (View)

View full Circuit Diagram | Comments | Reading(468)

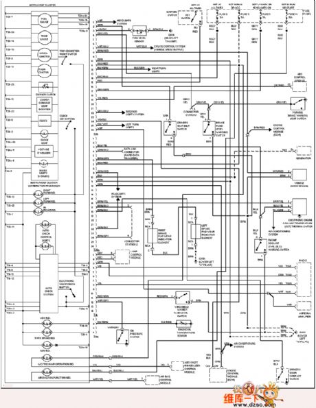
Audi dashboard circuit

Published:2011/6/27 4:01:00 Author:TaoXi | Keyword: Audi, dashboard circuit

Audi dashboard circuit
  (View)

View full Circuit Diagram | Comments | Reading(552)

Mazda Familia combination instrument/sound and lighting system circuit

Published:2011/6/27 4:07:00 Author:TaoXi | Keyword: Mazda, Familia, combination instrument, sound and lighting system

Mazda Familia combination instrument/sound and lighting system circuit
Mazda Familia combination instrument/sound and lighting system circuit is as shown:   (View)

View full Circuit Diagram | Comments | Reading(584)

subterranean cable detection circuit with radio

Published:2011/6/22 20:02:00 Author:chopper | Keyword: subterranean cable, detection circuit, radio

subterranean cable detection circuit with radio
  (View)

View full Circuit Diagram | Comments | Reading(512)

work performance test circuit of three-terminal integrated regulator circuit

Published:2011/6/22 20:48:00 Author:chopper | Keyword: work performance, test circuit, three-terminal, integrated regulator circuit

work performance test circuit of three-terminal integrated regulator circuit
  (View)

View full Circuit Diagram | Comments | Reading(364)

quartz crystal pick circuit

Published:2011/6/22 20:50:00 Author:chopper | Keyword: quartz crystal, pick circuit

quartz crystal pick circuit
  (View)

View full Circuit Diagram | Comments | Reading(405)

aluminium electrolytic capacitor conditioning circuit

Published:2011/6/22 20:55:00 Author:chopper | Keyword: aluminium electrolytic capacitor, conditioning circuit

aluminium electrolytic capacitor conditioning circuit
  (View)

View full Circuit Diagram | Comments | Reading(492)

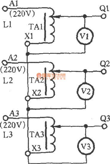
gaining 0-433V voltage by star-star connection of 3 boosters

Published:2011/6/22 21:00:00 Author:chopper | Keyword: 0-433V voltage, star-star connection, 3 boosters

gaining 0-433V voltage by star-star connection of 3 boosters
  (View)

View full Circuit Diagram | Comments | Reading(435)

The TS26 principle circuit

Published:2011/6/25 20:30:00 Author:qqtang

The TS26 principle circuit
Figure: The TS26 principle circuit   (View)

View full Circuit Diagram | Comments | Reading(464)

The μPC1373H/HA typical application circuit

Published:2011/6/25 20:28:00 Author:qqtang

The μPC1373H/HA typical application circuit
Figure: The μPC1373H/HA typical application circuit   (View)

View full Circuit Diagram | Comments | Reading(451)

The YN9101 logic frame circuit

Published:2011/6/25 20:26:00 Author:qqtang | Keyword: logic frame

The YN9101 logic frame circuit
Figure: The YN9101 logic frame circuit   (View)

View full Circuit Diagram | Comments | Reading(492)

Nissan A32-EL warning lamp circuit 3

Published:2011/6/22 10:22:00 Author:Nancy | Keyword: Nissan, warning lamp

Nissan A32-EL warning lamp circuit 3
  (View)

View full Circuit Diagram | Comments | Reading(547)

Nissan A32-EL front fog lamp circuit 2

Published:2011/6/22 9:59:00 Author:Nancy | Keyword: Nissan, front fog lamp

Nissan A32-EL front fog lamp circuit 2
  (View)

View full Circuit Diagram | Comments | Reading(493)

Nissan A32-EL front fog lamp circuit 1

Published:2011/6/22 9:57:00 Author:Nancy | Keyword: Nissan, front fog lamp

Nissan A32-EL front fog lamp circuit 1
  (View)

View full Circuit Diagram | Comments | Reading(466)

Nissan A32-EL lighting circuit 1

Published:2011/6/22 9:01:00 Author:Nancy | Keyword: Nissan, lighting circuit

Nissan A32-EL lighting circuit 1
  (View)

View full Circuit Diagram | Comments | Reading(428)

Nissan A32-EL embarkation lamp circuit 5

Published:2011/6/20 9:39:00 Author:Nancy | Keyword: Nissan, embarkation lamp

Nissan A32-EL embarkation lamp circuit 5
  (View)

View full Circuit Diagram | Comments | Reading(441)

Nissan A32-EL embarkation lamp circuit 4

Published:2011/6/20 9:38:00 Author:Nancy | Keyword: Nissan, embarkation lamp

Nissan A32-EL embarkation lamp circuit 4
  (View)

View full Circuit Diagram | Comments | Reading(433)

Nissan A32-EL embarkation lamp circuit 3

Published:2011/6/20 9:37:00 Author:Nancy | Keyword: Nissan, embarkation lamp

Nissan A32-EL embarkation lamp circuit 3
  (View)

View full Circuit Diagram | Comments | Reading(459)

Nissan A32-EL embarkation lamp circuit 2

Published:2011/6/20 9:36:00 Author:Nancy | Keyword: Nissan, embarkation lamp

Nissan A32-EL embarkation lamp circuit 2
  (View)

View full Circuit Diagram | Comments | Reading(474)

Nissan A32-EL lighting circuit 3

Published:2011/6/22 9:02:00 Author:Nancy | Keyword: Nissan, lighting circuit

Nissan A32-EL lighting circuit 3
  (View)

View full Circuit Diagram | Comments | Reading(472)

Pages:68/164 At 206162636465666768697071727374757677787980Under 20