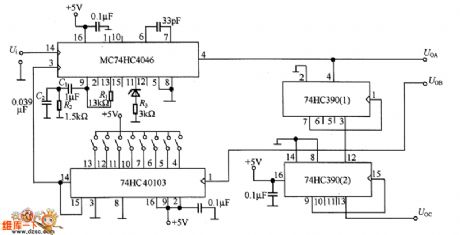
Published:2011/6/19 21:16:00 Author:qqtang | Keyword: clock mixer
In Figure 6-3 is the 50~102.4MHz clock mixer circuit. The adjusted frequency range of the circuit is about twice, when the frequency under 50MHz is needed, the input frequency can be split by the spliter. The input Ui frequency is 25KHz, UoA outputs the 50~102.4 MHz signals whose resolution ratio is 400KHz. As the frequency is high, the wires between 3-pin of TLC2933(2)and the 1-pin of 74AC393 would better be short.
(View)
View full Circuit Diagram | Comments | Reading(665)
Published:2011/6/19 21:09:00 Author:qqtang | Keyword: DC motor, thyristor
View full Circuit Diagram | Comments | Reading(724)
Published:2011/6/19 21:33:00 Author:qqtang | Keyword: key ring, wireless encoding, remote controller
View full Circuit Diagram | Comments | Reading(449)
Published:2011/6/19 1:04:00 Author:Seven | Keyword: logic frame circuit
Figure: The MC3367 logic frame circuit (View)
View full Circuit Diagram | Comments | Reading(471)
Published:2011/6/19 2:32:00 Author:Seven | Keyword: logic frame circuit
The M58487AP logic frame circuit (View)
View full Circuit Diagram | Comments | Reading(472)
Published:2011/6/19 2:49:00 Author:Seven | Keyword: isolation coefficient, data collecting
The photo isolation coefficient data collecting circuit is shown in the circuit.
(View)
View full Circuit Diagram | Comments | Reading(464)
Published:2011/6/20 0:19:00 Author:John | Keyword: oscillator
Crystal Portsmout oscillator circuit is shown below.
(View)
View full Circuit Diagram | Comments | Reading(706)
Published:2011/6/20 0:20:00 Author:John | Keyword: oscillator


Cole Rapids oscillator circuit is shown below.
(View)
View full Circuit Diagram | Comments | Reading(686)
Published:2011/6/19 20:06:00 Author:qqtang | Keyword: producing circuit, digit displaying
View full Circuit Diagram | Comments | Reading(525)
Published:2011/6/19 19:58:00 Author:qqtang | Keyword: OID, time card machine
View full Circuit Diagram | Comments | Reading(795)
Published:2011/6/19 19:53:00 Author:qqtang | Keyword: fan heater
View full Circuit Diagram | Comments | Reading(1113)
Published:2011/6/19 19:55:00 Author:qqtang | Keyword: infrared, remote controller
View full Circuit Diagram | Comments | Reading(530)
Published:2011/6/13 20:08:00 Author:Borg | Keyword: high-class, bias oscillator
View full Circuit Diagram | Comments | Reading(1019)
Published:2011/6/13 20:23:00 Author:Borg | Keyword: gate voltage generator
View full Circuit Diagram | Comments | Reading(443)
Published:2011/6/13 20:24:00 Author:Borg | Keyword: binary voltage generator
View full Circuit Diagram | Comments | Reading(515)
Published:2011/6/16 5:18:00 Author:Borg | Keyword: video amplifier, impedance
View full Circuit Diagram | Comments | Reading(606)
Published:2011/6/16 5:23:00 Author:Borg | Keyword: pulse, double frequency
With a CD4013 and a 4-1-2 input terminal NOR gate CD4001, we can make a pulse doublefrequency circuit, whose circuit is shown in the figure.
(View)
View full Circuit Diagram | Comments | Reading(1546)
Published:2011/6/16 5:25:00 Author:Borg | Keyword: frequency, circuit
View full Circuit Diagram | Comments | Reading(3987)
Published:2011/6/16 0:04:00 Author:Borg | Keyword: sawtooth wave, integrated op-amps
View full Circuit Diagram | Comments | Reading(604)
Published:2011/6/16 0:02:00 Author:Borg | Keyword: application circuit, waveform, integrated circuit
View full Circuit Diagram | Comments | Reading(589)
| Pages:74/164 At 206162636465666768697071727374757677787980Under 20 |