Low Cost Custom Prototype PCB Manufacturer

Electrical Equipment Circuit

Index 13



Microwave circuit diagram 03

Published:2011/10/17 2:29:00 Author:Ecco | Keyword: Microwave

Microwave circuit diagram 03
  (View)

View full Circuit Diagram | Comments | Reading(1260)

Dishwasher circuit diagram 01

Published:2011/10/17 2:30:00 Author:Ecco | Keyword: Dishwasher

Dishwasher circuit diagram 01
  (View)

View full Circuit Diagram | Comments | Reading(2423)

E-anesthetic circuit diagram

Published:2011/9/15 22:46:00 Author:Rebekka | Keyword: E-anesthetic

E-anesthetic circuit diagram
As shown is the electronic anesthesia circuit. The circuit can output 8 groups of electrode which output at the same time independently. Regulating any one of the groups, other groups will not be affected. You can choose the 2Hz ~ 50Hz frequency range. Generally taking 2 ~ 3Hz operating frequency will make 8-output cost 100mW power. Since the transistor oscillator is basically a constant current source, when 2 more groups output at the same time(such as 4 groups), if one group outputs high, the negative pulse output of other groups will be low. That means, they will influence each other. It is bad for E-anesthetic. So we should avoid this situation. To eliminate this shortcoming. We can add one Zener diode at both ends of the oscillator output transformer primary winding,. It play the role of limiting the regulator.   (View)

View full Circuit Diagram | Comments | Reading(1734)

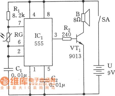
The sound circuit diagram of electronic lark

Published:2011/8/3 2:34:00 Author:Ecco | Keyword: sound circuit , electronic lark

The sound circuit diagram of electronic lark
The electronic bird circuit can emit fluctuated and different birds sound in different light, especially in the changing neon light irradiation, and its sound is constantly changing. The circuit is shown as the chart.   (View)

View full Circuit Diagram | Comments | Reading(2883)

Homemade MP3 player

Published:2011/8/1 3:04:00 Author:Ecco | Keyword: Homemade MP3 player

Homemade MP3 player
Description: This named yampp-7 MP3 player is palyed by a piece of Nokia3310 cell phone's LCD screen, and it uses a FT8U245 USB chip. A variety of flash cards and multimedia can be used the memory to store the songs. yampp7 is a new portable MP3 player that uses Compact Flash or MultiMedia cards for storage of songs. You ll get about 1 minute of playing time per MB on the memory card, if your songs are 128 kbps. The player is pretty small and the PCB has been designed to fit into a Teko Soap box. It features a 84*48 pixel graphical LCD display, similar to the displays used on Nokia 3310 cell phones. It s designed to operate from rechargable battery cells, either from a single 3.6V Li-Ion cell (recommended), or from 3*1.2V Ni-Mh cells. With a 600 mA Li-Ion cell, the playing time is about 12 hours, but you can find Li-Ion cells up to 1200 mAh that will fit in the player, extending the playing time to about 24 hours It s intended to be used with replacement Li-Ion cells for Mobile Phones, making it easy (and relatively cheap) to find a suitable cell. (I use mine with a cell for a Motorola V3688 Phone). It also features a USB interface for fast downloading of songs to the memory card, and for firmware updates The player uses a special filesystem called YADL (Yampp Advanced Disk Layout), which maximizes the capacoty of the memory card. It is playlist based and give the player a powerful but easy to use user interface Processor The central part of the yampp-7 player is the Atmel mega161 CPU. It s like a big-brother to the classic 8515 CPU that was used on the original yampp-3. It has 16 kB Flash and 1024 bytes internal SRAM, both double as much as on the 8515. It also features a bootloader option. This is been used in yampp-7, where it is now possible to download new firmware over the USB link USB The USB link is controlled by a FT8U245BM chip from FTDI. This is a VERY easy to use USB chip, which basically looks like a simple 8-bit buffer (hence the name).   (View)

View full Circuit Diagram | Comments | Reading(2938)

Amblyopia dual digital display therapeutic apparatus circuit diagram

Published:2011/9/14 21:10:00 Author:Rebekka | Keyword: Amblyopia , dual digital display, therapeutic apparatus

Amblyopia dual digital display therapeutic apparatus circuit diagram
  (View)

View full Circuit Diagram | Comments | Reading(1567)

Arctic ocean - Ariston BYD-177 refrigerator

Published:2011/9/18 20:49:00 Author:Ecco | Keyword: arctic ocean , Ariston , refrigerator

Arctic ocean - Ariston BYD-177 refrigerator
  (View)

View full Circuit Diagram | Comments | Reading(1277)

Three-button interlock electronic switch

Published:2011/9/12 21:29:00 Author:Ecco | Keyword: Three-button interlock, electronic switch

Three-button interlock electronic switch
  (View)

View full Circuit Diagram | Comments | Reading(1502)

Brine pump circuit

Published:2011/9/12 21:01:00 Author:Ecco | Keyword: Brine pump

Brine pump circuit
  (View)

View full Circuit Diagram | Comments | Reading(1159)

Dishwasher circuit diagram 02

Published:2011/9/9 2:44:00 Author:Ecco | Keyword: Dishwasher

Dishwasher circuit diagram 02
  (View)

View full Circuit Diagram | Comments | Reading(3772)

Automatic flushing device circuit diagram

Published:2011/9/9 2:15:00 Author:Ecco | Keyword: Automatic flushing device

Automatic flushing device circuit diagram
  (View)

View full Circuit Diagram | Comments | Reading(2371)

Automatic air freshener circuit diagram

Published:2011/9/9 1:56:00 Author:Ecco | Keyword: Automatic air freshener

Automatic air freshener circuit diagram
  (View)

View full Circuit Diagram | Comments | Reading(5238)

Ground control electric fan circuit diagram

Published:2011/9/1 2:16:00 Author:Ecco | Keyword: Ground control, electric fan

Ground control electric fan circuit diagram
  (View)

View full Circuit Diagram | Comments | Reading(1385)

East electric cooker porridge device PCB circuit diagram

Published:2011/9/1 1:28:00 Author:Ecco | Keyword: East , electric cooker, porridge device PCB

East electric cooker porridge device PCB circuit diagram
  (View)

View full Circuit Diagram | Comments | Reading(1451)

Panasonic KY-P2N induction cooker PCB circuit diagram

Published:2011/9/1 1:46:00 Author:Ecco | Keyword: Panasonic , induction cooker PCB

Panasonic KY-P2N induction cooker PCB circuit diagram
  (View)

View full Circuit Diagram | Comments | Reading(7163)

HF-10A induction cooker principle circuit diagram

Published:2011/9/1 1:49:00 Author:Ecco | Keyword: induction cooker, principle

HF-10A induction cooker principle circuit diagram
  (View)

View full Circuit Diagram | Comments | Reading(13794)

Panasonic (National) nv-m9000 camera VDM circuit diagram

Published:2011/9/1 1:23:00 Author:Ecco | Keyword: Panasonic , National, camera VDM

Panasonic (National) nv-m9000 camera VDM circuit diagram
  (View)

View full Circuit Diagram | Comments | Reading(3849)

Electronic flykilling device principle diagram

Published:2011/9/1 1:21:00 Author:Ecco | Keyword: Electronic flykilling device

Electronic flykilling device principle diagram
  (View)

View full Circuit Diagram | Comments | Reading(1323)

Antenna principle circuit diagram

Published:2011/9/2 0:58:00 Author:Ecco | Keyword: Antenna principle

Antenna principle circuit diagram
  (View)

View full Circuit Diagram | Comments | Reading(1448)

Philips SW2000 powered subwoofer circuit diagram 2

Published:2011/9/2 1:00:00 Author:Ecco | Keyword: Philips , powered subwoofer

Philips SW2000 powered subwoofer circuit diagram 2
  (View)

View full Circuit Diagram | Comments | Reading(2315)

Pages:13/126 1234567891011121314151617181920Under 20