Position: Home > Circuit Diagram > power supply circuit > Index 252
Low Cost Custom Prototype PCB Manufacturer

power supply circuit

Index 252



Jinniu charger circuit

Published:2011/4/18 2:36:00 Author:May | Keyword: Jinniu, charger

Jinniu charger circuit
  (View)

View full Circuit Diagram | Comments | Reading(830)

-9~-l4.5v Collector output regulated voltage power supply circuit

Published:2011/3/22 22:59:00 Author:muriel | Keyword: -9~-l4.5v, Collector , output , regulated voltage power supply

-9~-l4.5v Collector output regulated voltage power supply circuit
  (View)

View full Circuit Diagram | Comments | Reading(760)

Intelligent charging typical circuit composed of ATC105 intelligent Ni-Cd battery charge control integrated circuit

Published:2011/4/18 4:40:00 Author:Nicole | Keyword: intelligent charging, Ni-Cd battery, charge control

Intelligent charging typical circuit composed of ATC105 intelligent Ni-Cd battery charge control integrated circuit
In this circuit, the best number of battery are 2~6. The battery testing input sampling resistance is CR1=4.3·(N-2)kΩ(N is the number of battery), if there are only two batteries, then CR1=0, it means this circuit at least needs two battery to charge in serie.   (View)

View full Circuit Diagram | Comments | Reading(644)

10~15V stabilized voltage supply circuit without auxiliary power supply

Published:2011/3/30 21:44:00 Author:may | Keyword: stabilized voltage supply, auxiliary power supply

10~15V stabilized voltage supply circuit without auxiliary power supply
  (View)

View full Circuit Diagram | Comments | Reading(491)

5V stabilized voltage supply circuit

Published:2011/3/30 2:28:00 Author:may | Keyword: 5V stabilized voltage supply

5V stabilized voltage supply circuit
5V stabilized voltage supply circuit adopts voltage multiplying rectifier.   (View)

View full Circuit Diagram | Comments | Reading(684)

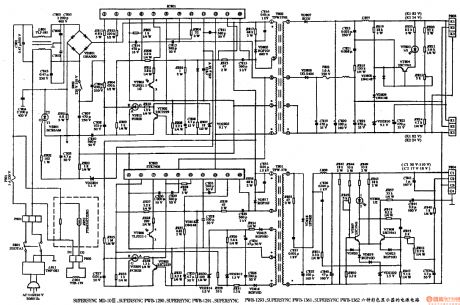
The power supply circuit diagram of 89、PWB-1362 six models color displays

Published:2011/4/17 21:48:00 Author:Ecco | Keyword: power supply , six models , color display

The power supply circuit diagram of 89、PWB-1362 six models color displays
  (View)

View full Circuit Diagram | Comments | Reading(586)

Computer RS-23Z serial interface current loop circuit

Published:2011/4/10 21:14:00 Author:Nicole | Keyword: computer, serial interface, current loop

Computer RS-23Z serial interface current loop circuit
This circuit is used in computer RS-232 serial interface and current loop circuit interface, it can transform voltage singal into 20mA current singal, the maximum transmission rate is 1200 bits. CCD IC1, T1 form receiver interface circuit, T2, T3 constitute transmitter interface circuit. When adds +12V, T2, T3 are conduction, the current outflows from T2 collector, and pass along the line then reach the ① of IC1, though LED of IC1, and pass along the line again then return to transmitter, the loop current is about 20mA. When adds -12V, T2, T3 cut off, there is no current in circuit. When current flows IC1 transmitter, the receiver is conduction, T1 is conduction, T1 collector sends out +12V electrical signal, when T1 cuts off, -12V electrical signal is sent to RS-232 through R4. Then to achieve use current loop to transmit digital signal.   (View)

View full Circuit Diagram | Comments | Reading(3887)

614-B23kVA AC regulater

Published:2011/3/21 0:44:00 Author:muriel | Keyword: 614-B23kVA, AC regulater

614-B23kVA AC regulater
  (View)

View full Circuit Diagram | Comments | Reading(473)

2~10V precision stabilized voltage supply circuit

Published:2011/4/5 22:12:00 Author:may | Keyword: 2~10V, precision, stabilized voltage supply

2~10V precision stabilized voltage supply circuit
  (View)

View full Circuit Diagram | Comments | Reading(569)

Ni-Cd battery charging circuit

Published:2011/4/14 22:11:00 Author:Nicole | Keyword: Ni-Cd battery

Ni-Cd battery charging circuit
In the circuit, R1 is 10Ω, R2 is 200Ω. When the switch is up closed, the charging current is 60mA(constant current); when the switch is down closed, the charging current is 3mA(constant current). The total pressure drop of silicon diodes CR1, CR2 is 1.2V, and the Q1 emitter pressure drop is 0.6V, so the net pressure drop on R1 or R2 is 0.6V. 0.6V divided by the required charging current (using ampere), then it is the resistance of R1 or R2. LED indicates the work state of this charging circuit.   (View)

View full Circuit Diagram | Comments | Reading(1157)

Solar battery charger circuit

Published:2011/4/15 3:11:00 Author:Nicole | Keyword: solar, battery charger

Solar battery charger circuit
  (View)

View full Circuit Diagram | Comments | Reading(841)

Standard application circuit of 8end adjustable output miniwatt integrated regulator BG602

Published:2011/3/21 20:21:00 Author:muriel | Keyword: 8end, adjustable , output , miniwatt , integrated , regulator, BG602

Standard application circuit of 8end adjustable output miniwatt integrated regulator BG602
  (View)

View full Circuit Diagram | Comments | Reading(473)

Low ripple integrated regulated voltage power supply with CW200

Published:2011/3/30 2:20:00 Author:muriel | Keyword: low ripple , integrated , regulated voltage power supply

Low ripple integrated regulated voltage power supply with CW200
  (View)

View full Circuit Diagram | Comments | Reading(494)

A mobile phone charger circuit

Published:2011/4/17 20:19:00 Author:May | Keyword: mobile phone charger

A mobile phone charger circuit
  (View)

View full Circuit Diagram | Comments | Reading(4936)

12V Soft start regulated voltage power supply circuit

Published:2011/3/22 22:52:00 Author:muriel | Keyword: 12V, Soft start, regulated voltage power supply

12V Soft start regulated voltage power supply circuit
  (View)

View full Circuit Diagram | Comments | Reading(941)

The power supply circuit diagram of QUICK QM-1493 type VGA color display

Published:2011/4/15 2:59:00 Author:May | Keyword: power supply, VGA, color display

The power supply circuit diagram of QUICK QM-1493 type VGA color display
  (View)

View full Circuit Diagram | Comments | Reading(661)

The power supply circuit diagram of SUPERSYNC PWB-1537、SUPERSYNC EM-1428 type color display

Published:2011/4/15 2:56:00 Author:May | Keyword: power supply, color display

The power supply circuit diagram of SUPERSYNC PWB-1537、SUPERSYNC EM-1428 type color display
  (View)

View full Circuit Diagram | Comments | Reading(1436)

The power supply circuit diagram of SHARP K-160/170 type high resolution response color display

Published:2011/4/15 2:58:00 Author:May | Keyword: power supply, high resolution response, color display

The power supply circuit diagram of SHARP K-160/170 type high resolution response color display
  (View)

View full Circuit Diagram | Comments | Reading(817)

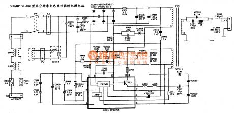
The power supply circuit diagram of SHARP K-160/170 type color display

Published:2011/4/15 2:57:00 Author:May | Keyword: power supply, color display

The power supply circuit diagram of SHARP K-160/170 type color display
  (View)

View full Circuit Diagram | Comments | Reading(970)

The power supply circuit diagram of SUPERSYNC OCT-14VGA type color display

Published:2011/4/15 2:55:00 Author:May | Keyword: power supply, color display

The power supply circuit diagram of SUPERSYNC OCT-14VGA type color display
  (View)

View full Circuit Diagram | Comments | Reading(625)

Pages:252/291 At 20241242243244245246247248249250251252253254255256257258259260Under 20