Position: Home > Circuit Diagram > power supply circuit > Index 255
Low Cost Custom Prototype PCB Manufacturer

power supply circuit

Index 255



15V parallel stabilized voltage supply circuit

Published:2011/4/1 3:48:00 Author:may | Keyword: 15V, parallel, stabilized voltage supply

15V parallel stabilized voltage supply circuit
  (View)

View full Circuit Diagram | Comments | Reading(463)

20V 2A stabilized voltage supply circuit

Published:2011/4/2 1:09:00 Author:may | Keyword: 20V 2A, stabilized voltage supply

20V 2A stabilized voltage supply circuit
  (View)

View full Circuit Diagram | Comments | Reading(629)

The power supply circuit diagram of FREFROMT MTS-9600 type color display

Published:2011/4/14 3:11:00 Author:may | Keyword: power supply, FREFROMT, color display

The power supply circuit diagram of FREFROMT MTS-9600 type color display
  (View)

View full Circuit Diagram | Comments | Reading(1981)

The power supply circuit diagram of CONPAQ 420G type SVGA multiple frequency color display

Published:2011/4/14 3:10:00 Author:may | Keyword: power supply, CONPAQ 420G, SVGA, multiple frequency, color display

The power supply circuit diagram of CONPAQ 420G type SVGA multiple frequency color display
  (View)

View full Circuit Diagram | Comments | Reading(1991)

The power supply circuit diagram of COMPAQ 472P type multiple frequency color display

Published:2011/4/14 3:08:00 Author:may | Keyword: power supply, COMPAQ, multiple frequency, color display

The power supply circuit diagram of COMPAQ 472P type multiple frequency color display
  (View)

View full Circuit Diagram | Comments | Reading(2307)

The power supply circuit diagram of COMPAQ 460/461 type multiple frequency color display

Published:2011/4/14 3:07:00 Author:may | Keyword: power supply, COMPAQ, multiple frequency, color display

The power supply circuit diagram of COMPAQ 460/461 type multiple frequency color display
  (View)

View full Circuit Diagram | Comments | Reading(1531)

The power supply circuit diagram of CASPER TM-5154H/Y type multiple frequency color display

Published:2011/4/14 3:04:00 Author:may | Keyword: power supply, CASPER TM-5154H/Y, multiple frequency, color display

The power supply circuit diagram of CASPER TM-5154H/Y type multiple frequency color display
  (View)

View full Circuit Diagram | Comments | Reading(581)

The power supply circuit diagram of CASPER 1489 type monochrome display

Published:2011/4/14 2:59:00 Author:may | Keyword: power supply, CASPER, monochrome display

The power supply circuit diagram of CASPER 1489 type monochrome display
  (View)

View full Circuit Diagram | Comments | Reading(1425)

The power supply circuit diagram of BOLLUS BST-314 type TTL and VGA multiple frequency color display

Published:2011/4/14 2:58:00 Author:may | Keyword: power supply, BOLLUS, TTL, VGA, multiple frequency, color display

The power supply circuit diagram of BOLLUS BST-314 type TTL and VGA multiple frequency color display
  (View)

View full Circuit Diagram | Comments | Reading(1279)

The power supply circuit diagram of AST-TE1438 type EGA color display

Published:2011/4/14 2:56:00 Author:may | Keyword: power supply, EGA, color display

The power supply circuit diagram of AST-TE1438 type EGA color display
  (View)

View full Circuit Diagram | Comments | Reading(1260)

The power supply circuit diagram of AST-5 type color display

Published:2011/4/14 3:25:00 Author:may | Keyword: power supply, AST-5, color display

The power supply circuit diagram of AST-5 type color display
  (View)

View full Circuit Diagram | Comments | Reading(527)

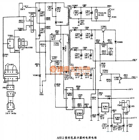
The power supply circuit diagram of AST-3 type color display

Published:2011/4/14 3:24:00 Author:may | Keyword: power supply, AST-3, color display

The power supply circuit diagram of AST-3 type color display
  (View)

View full Circuit Diagram | Comments | Reading(1338)

The power supply circuit diagram of AST-12 type color display

Published:2011/4/14 3:22:00 Author:may | Keyword: power supply, AST-12, color display

The power supply circuit diagram of AST-12 type color display
  (View)

View full Circuit Diagram | Comments | Reading(589)

The power supply circuit diagram of AST ECDI-II type CGA color display

Published:2011/4/14 3:16:00 Author:may | Keyword: power supply, AST ECDI-II, CGA, color display

The power supply circuit diagram of AST ECDI-II type CGA color display
  (View)

View full Circuit Diagram | Comments | Reading(587)

The power supply circuit diagram of AST ECDI-I type CGA color display

Published:2011/4/14 3:17:00 Author:may | Keyword: power supply, AST ECDI-I, CGA, color display

The power supply circuit diagram of AST ECDI-I type CGA color display
  (View)

View full Circuit Diagram | Comments | Reading(684)

The power supply circuit diagram of AST GM-6 type SVGA color display

Published:2011/4/14 3:18:00 Author:may | Keyword: power supply, AST GM-6, SVGA, color display

The power supply circuit diagram of AST GM-6 type SVGA color display
  (View)

View full Circuit Diagram | Comments | Reading(519)

The power supply circuit diagram of AST GM-8T type SVGA color display

Published:2011/4/14 3:19:00 Author:may | Keyword: power supply, AST GM-8T, SVGA, color display

The power supply circuit diagram of AST GM-8T type SVGA color display
  (View)

View full Circuit Diagram | Comments | Reading(531)

The power supply circuit diagram of AST MPX-1 type color display

Published:2011/4/14 3:20:00 Author:may | Keyword: power supply, AST MPX-1, color display

The power supply circuit diagram of AST MPX-1 type color display
  (View)

View full Circuit Diagram | Comments | Reading(973)

The power supply circuit diagram of AST MPX-2 type color display

Published:2011/4/14 3:20:00 Author:may | Keyword: power supply, AST MPX-2, color display

The power supply circuit diagram of AST MPX-2 type color display
  (View)

View full Circuit Diagram | Comments | Reading(518)

The power supply circuit diagram of AST-1401 type VGA color display

Published:2011/4/14 3:21:00 Author:may | Keyword: power supply, AST-1401, VGA, color display

The power supply circuit diagram of AST-1401 type VGA color display
  (View)

View full Circuit Diagram | Comments | Reading(693)

Pages:255/291 At 20241242243244245246247248249250251252253254255256257258259260Under 20