Published:2011/4/15 2:24:00 Author:May | Keyword: power supply, color display
View full Circuit Diagram | Comments | Reading(765)
Published:2011/4/15 2:25:00 Author:May | Keyword: power , color display
View full Circuit Diagram | Comments | Reading(2161)
Published:2011/4/15 2:24:00 Author:Nicole | Keyword: elimination ripple, regulated power supply
View full Circuit Diagram | Comments | Reading(643)
Published:2011/4/13 1:54:00 Author:Nicole | Keyword: regulated power supply
View full Circuit Diagram | Comments | Reading(1478)
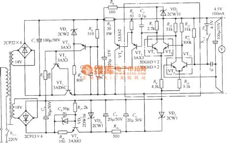
Published:2011/4/15 0:55:00 Author:Ecco | Keyword: Automatic, multi-function, inverter, power supply


ZDD-12-160 Automatic multi-function inverter power supply preamp circuit:
ZDD-12-160 Automatic multi-function inverter power supply last stage amplifier circuit:
(View)
View full Circuit Diagram | Comments | Reading(1094)
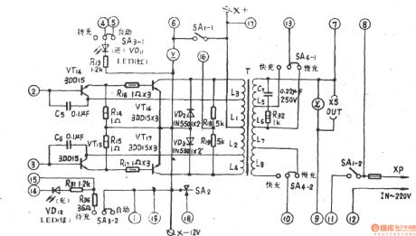
Published:2011/4/15 0:52:00 Author:Ecco | Keyword: Automatic, multi-function , inverter, power supply


ZDD-I-160 Automatic multi-function inverter power supply preamp circuit:
ZDD-I-160 Automatic multi-function inverter power supply final stage circuit:
(View)
View full Circuit Diagram | Comments | Reading(1834)
Published:2011/4/12 22:13:00 Author:Nicole | Keyword: digital control, regulated power supply
View full Circuit Diagram | Comments | Reading(531)
Published:2011/4/12 22:58:00 Author:Nicole | Keyword: numerical control, regulated power supply
View full Circuit Diagram | Comments | Reading(497)
Published:2011/3/30 1:48:00 Author:may | Keyword: stabilized voltage power supply
View full Circuit Diagram | Comments | Reading(523)
Published:2011/3/30 4:55:00 Author:may | Keyword: charger, p-channel MOSFET
View full Circuit Diagram | Comments | Reading(2127)
Published:2011/3/30 4:53:00 Author:may | Keyword: charger, PNP transistor
View full Circuit Diagram | Comments | Reading(1154)
Published:2011/3/31 4:09:00 Author:may | Keyword: lithium ion battery charger
4A/12.3V lithium ion battery charger circuit ( LTC4008 as control chip)
(View)
View full Circuit Diagram | Comments | Reading(1096)
Published:2011/3/31 1:15:00 Author:may | Keyword: linear switch power supply, stabilized voltage supply
View full Circuit Diagram | Comments | Reading(526)
Published:2011/3/31 21:29:00 Author:may | Keyword: variable switching, stabilized voltage supply
View full Circuit Diagram | Comments | Reading(550)
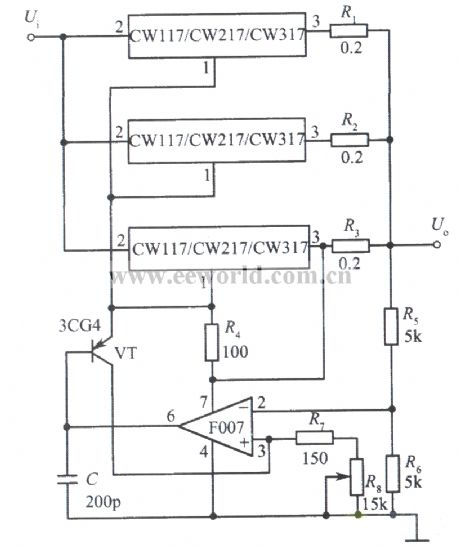
Published:2011/3/31 22:19:00 Author:may | Keyword: integrated voltage stabilizer, parallel expansion
View full Circuit Diagram | Comments | Reading(549)
Published:2011/3/31 21:31:00 Author:may | Keyword: precise power supply
View full Circuit Diagram | Comments | Reading(685)
Published:2011/4/1 19:58:00 Author:may | Keyword: 15V, VMOS transistor, stabilized voltage supply
View full Circuit Diagram | Comments | Reading(727)
Published:2011/4/1 2:21:00 Author:may | Keyword: collector output, stabilized voltage supply
View full Circuit Diagram | Comments | Reading(517)
Published:2011/4/1 2:22:00 Author:may | Keyword: stabilized voltage supply
View full Circuit Diagram | Comments | Reading(714)
Published:2011/4/1 2:15:00 Author:may | Keyword: stabilized voltage, parallel
View full Circuit Diagram | Comments | Reading(488)
| Pages:254/291 At 20241242243244245246247248249250251252253254255256257258259260Under 20 |