Position: Home > Circuit Diagram > power supply circuit > Index 259
Low Cost Custom Prototype PCB Manufacturer

power supply circuit

Index 259



614A-II1kVA AC regulater

Published:2011/3/21 0:44:00 Author:muriel | Keyword: 614A-II1kVA, AC regulater

614A-II1kVA AC regulater
  (View)

View full Circuit Diagram | Comments | Reading(527)

614-A21kVA AC regulater

Published:2011/3/21 0:44:00 Author:muriel | Keyword: 614-A21kVA , AC regulater

614-A21kVA AC regulater
  (View)

View full Circuit Diagram | Comments | Reading(515)

614-B33kVA AC regulater

Published:2011/3/21 0:44:00 Author:muriel | Keyword: 614-B33kVA, AC regulater

614-B33kVA AC regulater
  (View)

View full Circuit Diagram | Comments | Reading(456)

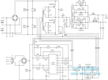
Half bridge type 500W switching stabilized voltage supply circuit composed of CWl525A

Published:2011/4/13 22:14:00 Author:may | Keyword: half bridge, 500W, switching stabilized voltage supply

Half bridge type 500W switching stabilized voltage supply circuit composed of CWl525A
  (View)

View full Circuit Diagram | Comments | Reading(1805)

High stability integrated regulated voltage power supply with BG602

Published:2011/3/30 2:21:00 Author:muriel | Keyword: high stability , integrated , regulated voltage power supply

High stability integrated regulated voltage power supply with BG602
  (View)

View full Circuit Diagram | Comments | Reading(710)

Laptop battery charging circuit with BQ24700

Published:2011/3/30 2:22:00 Author:muriel | Keyword: laptop battery, charging circuit

Laptop battery charging circuit with BQ24700
  (View)

View full Circuit Diagram | Comments | Reading(6357)

High input voltage integrated regulated voltage power supply circuit with BG602 No.2

Published:2011/3/30 2:21:00 Author:muriel | Keyword: High input voltage , integrated, regulated voltage power supply circuit

High input voltage integrated regulated voltage power supply circuit with BG602 No.2
  (View)

View full Circuit Diagram | Comments | Reading(496)

The power supply circuit diagram of GREAT WALL GW-300/300C type color display

Published:2011/4/13 4:17:00 Author:may | Keyword: power supply, GREAT WALL, color display

The power supply circuit diagram of GREAT WALL GW-300/300C type color display
  (View)

View full Circuit Diagram | Comments | Reading(1286)

The power supply circuit diagram of GREAT WALL GW-140/140H type VGA multiple frequency color display

Published:2011/4/13 4:16:00 Author:may | Keyword: power supply, GREAT WALL, VGA multiple frequency, color display

The power supply circuit diagram of GREAT WALL GW-140/140H type VGA multiple frequency color display
  (View)

View full Circuit Diagram | Comments | Reading(813)

The power supply circuit diagram of GREAT WALL GW-100/100C type monochrome display

Published:2011/4/13 4:14:00 Author:may | Keyword: power supply, GREAT WALL, monochrome display

The power supply circuit diagram of GREAT WALL GW-100/100C type monochrome display
  (View)

View full Circuit Diagram | Comments | Reading(1125)

The power supply circuit diagram of ENVISION CM-336/337 type multiple frequency color display

Published:2011/4/13 4:37:00 Author:may | Keyword: power supply, ENVISION, multiple frequency, color display

The power supply circuit diagram of ENVISION CM-336/337 type multiple frequency color display
  (View)

View full Circuit Diagram | Comments | Reading(639)

The power supply circuit diagram of DATAS HC-7424P type color display

Published:2011/4/13 4:27:00 Author:may | Keyword: power supply, DATAS, color display

The power supply circuit diagram of DATAS HC-7424P type color display
  (View)

View full Circuit Diagram | Comments | Reading(748)

The power supply circuit diagram of DATAS HC-7423 type color display

Published:2011/4/13 4:26:00 Author:may | Keyword: power supply, DATAS, color display

The power supply circuit diagram of DATAS HC-7423 type color display
  (View)

View full Circuit Diagram | Comments | Reading(596)

The power supply circuit diagram of DARAS CH-5403V type monochrome display

Published:2011/4/13 4:22:00 Author:may | Keyword: power supply, DARAS, monochrome display

The power supply circuit diagram of DARAS CH-5403V type monochrome display
  (View)

View full Circuit Diagram | Comments | Reading(599)

The power supply circuit diagram of CZX-18 type display

Published:2011/4/13 4:21:00 Author:may | Keyword: power supply, display

The power supply circuit diagram of CZX-18 type display
  (View)

View full Circuit Diagram | Comments | Reading(616)

The power supply circuit diagram of CZX-14 type display

Published:2011/4/13 4:20:00 Author:may | Keyword: power supply, display

The power supply circuit diagram of CZX-14 type display
  (View)

View full Circuit Diagram | Comments | Reading(535)

The power supply circuit diagram of COMPAQ 420 type VGA color display

Published:2011/4/13 4:56:00 Author:may | Keyword: power supply, COMPAQ, VGA, color display

The power supply circuit diagram of COMPAQ 420 type VGA color display
  (View)

View full Circuit Diagram | Comments | Reading(1147)

The power supply circuit diagram of COMPAQ 1504 type TTL color display

Published:2011/4/13 4:55:00 Author:may | Keyword: power supply, COMPAQ, TTL, color display

The power supply circuit diagram of COMPAQ 1504 type TTL color display
  (View)

View full Circuit Diagram | Comments | Reading(834)

The power supply circuit diagram of CTX-C15 type VGA high resolution color display

Published:2011/4/13 4:51:00 Author:may | Keyword: power supply, VGA, high resolution, color display

The power supply circuit diagram of CTX-C15 type VGA high resolution color display
  (View)

View full Circuit Diagram | Comments | Reading(545)

The power supply circuit diagram of CTX-C146 type EGA color display

Published:2011/4/13 4:49:00 Author:may | Keyword: power supply, EGA, color display

The power supply circuit diagram of CTX-C146 type EGA color display
  (View)

View full Circuit Diagram | Comments | Reading(618)

Pages:259/291 At 20241242243244245246247248249250251252253254255256257258259260Under 20