Position: Home > Circuit Diagram > Index 2162
Low Cost Custom Prototype PCB Manufacturer

Circuit Diagram

Index 2162

Audi A6 saloon car heating seat circuit diagram two

Published:2011/4/5 20:38:00 Author:muriel | Keyword: Audi, saloon car , heating seat

Audi A6 saloon car heating seat circuit diagram two
heating backseat circuit diagram as shown: Welcome transshipment, the informations are come from Weiku e-market net( www.dzsc.com).   (View)

View full Circuit Diagram | Comments | Reading(657)

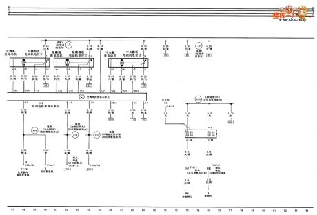
Audi A6 saloon car air-conditioner circuit diagram two

Published:2011/4/5 20:38:00 Author:muriel | Keyword: Audi, saloon car , air-conditioner

Audi A6 saloon car air-conditioner circuit diagram two
Air-conditioner solenoid valve、Electromagnetic clutch relay、external temperature sensor、ventilation flap engine、air outlet temperature sensor and air quality sensor circuit diagram as shown: Welcome transshipment, the informations are come from Weiku e-market net( www.dzsc.com).   (View)

View full Circuit Diagram | Comments | Reading(2692)

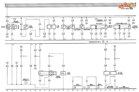
Audi A6 saloon car air-conditioner circuit diagram three

Published:2011/4/5 20:38:00 Author:muriel | Keyword: Audi , saloon car , air-conditioner

Audi A6 saloon car air-conditioner circuit diagram three
Servomotor and potentiometer circuit diagram as shown: Welcome transshipment, the informations are come from Weiku e-market net( www.dzsc.com).   (View)

View full Circuit Diagram | Comments | Reading(599)

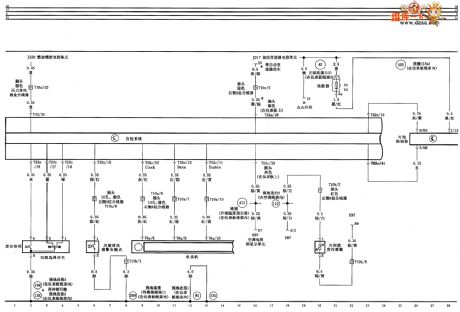
Audi A6 saloon car information system circuit diagram one

Published:2011/4/5 20:37:00 Author:muriel | Keyword: Audi , saloon car, information system

Audi A6 saloon car information system circuit diagram one
Self-checking function selection exploitation、instrument board and external indicator light circuit diagram as shown: Welcome transshipment, the informations are come from Weiku e-market net( www.dzsc.com).   (View)

View full Circuit Diagram | Comments | Reading(640)

Buick locks circuit diagram

Published:2011/4/6 22:44:00 Author:Jessie | Keyword: locks

Buick locks circuit diagram
  (View)

View full Circuit Diagram | Comments | Reading(448)

TCL999D mobile maintenance circuit diagram

Published:2011/4/6 22:42:00 Author:Jessie | Keyword: maintenance

TCL999D mobile maintenance circuit diagram
TCL999D mobile maintenance circuit diagram
TCL999D mobile maintenance circuit diagram
TCL999D mobile maintenance circuit diagram

  (View)

View full Circuit Diagram | Comments | Reading(599)

Buick electronic leveling circuit diagram (no booster pump)

Published:2011/4/6 22:02:00 Author:Jessie | Keyword: electronic leveling

Buick electronic leveling circuit diagram (no booster pump)
  (View)

View full Circuit Diagram | Comments | Reading(2518)

NOKIA 3210 mobile physical maintenance circuit diagram

Published:2011/4/6 21:52:00 Author:Jessie | Keyword: mobile physical maintenance

NOKIA 3210 mobile physical maintenance circuit diagram
NOKIA 3210 mobile physical maintenance circuit diagram

  (View)

View full Circuit Diagram | Comments | Reading(6656)

MOTOROLA T191 maintenance circuit diagram

Published:2011/4/6 21:39:00 Author:Jessie | Keyword: maintenance

MOTOROLA T191 maintenance circuit diagram
MOTOROLA T191 maintenance circuit diagram

  (View)

View full Circuit Diagram | Comments | Reading(880)

MOTOROLA T360 maintenance circuit diagram

Published:2011/4/6 21:14:00 Author:Jessie | Keyword: maintenance

MOTOROLA T360 maintenance circuit diagram
MOTOROLA T360 maintenance circuit diagram

  (View)

View full Circuit Diagram | Comments | Reading(482)

MOTOROLA V60 maintenance circuit diagram

Published:2011/4/6 21:08:00 Author:Jessie | Keyword: maintenance

MOTOROLA V60 maintenance circuit diagram
MOTOROLA V60 maintenance circuit diagram

  (View)

View full Circuit Diagram | Comments | Reading(753)

MOTOROLA V66 maintenance circuit diagram

Published:2011/4/6 21:06:00 Author:Jessie | Keyword: maintenance

MOTOROLA V66 maintenance circuit diagram
MOTOROLA V66 maintenance circuit diagram

  (View)

View full Circuit Diagram | Comments | Reading(581)

MOTOROLA V70 maintenance circuit diagram

Published:2011/4/6 20:59:00 Author:Jessie | Keyword: maintenance

MOTOROLA V70 maintenance circuit diagram
MOTOROLA V70 maintenance circuit diagram

  (View)

View full Circuit Diagram | Comments | Reading(581)

Ericsson T18 maintenance circuit diagram

Published:2011/4/6 20:56:00 Author:Jessie | Keyword: maintenance

Ericsson T18 maintenance circuit diagram
Ericsson T18 maintenance circuit diagram

  (View)

View full Circuit Diagram | Comments | Reading(944)

Oscillator circuit composed of Schmitt trigger with a resistor and a capacitor

Published:2011/4/6 20:06:00 Author:Ecco | Keyword: Oscillator circuit , Schmitt trigger , resistor , capacitor

Oscillator circuit composed of Schmitt trigger with a resistor and a capacitor
  (View)

View full Circuit Diagram | Comments | Reading(654)

The twice frequency oscillator(567)

Published:2011/4/6 2:40:00 Author:Ecco | Keyword: twice frequency oscillator

The twice frequency oscillator(567)
  (View)

View full Circuit Diagram | Comments | Reading(679)

Lights in building passageway automatically delay turning off circuit diagram

Published:2011/4/6 3:49:00 Author:Ecco | Keyword: Lights in building passageway, automatically delay , turning off

Lights in building passageway automatically delay turning off circuit diagram
Lights inbuilding passageway automatically delay turning off Figure 38 is saving circuit of the building corridor lighting, when people walk into the building corridor, press any buttons, SJ relay closes, delay normally closed point of SJ closes, lamp turns on, and then people start walking, until get indoors, the delay normally closed point opens after a period of closing time, so that the corridor lights automatically turns off. The time delay relay in the circuit uses JS7-44 power-off delay time relay. Coil voltage is 220V. The power-off delay time relay works after the coil gets electricity, and make SJ closes, and breakes in a delay time after the coil being power-off. This method is simple.   (View)

View full Circuit Diagram | Comments | Reading(1030)

Zero pulse circuit

Published:2011/4/6 21:43:00 Author:Ecco | Keyword: Zero pulse

Zero pulse circuit
  (View)

View full Circuit Diagram | Comments | Reading(637)

Stepless dimming lamp circuit diagram

Published:2011/4/6 21:41:00 Author:Ecco | Keyword: Stepless dimming lamp

Stepless dimming lamp circuit diagram
  (View)

View full Circuit Diagram | Comments | Reading(738)

A single switch controlling three lights

Published:2011/4/6 20:47:00 Author:Ecco | Keyword: single switch, controlling , three lights

A single switch controlling three lights
A single switch controlling three lights The circuit of a single switch controlling three lights and over three lights is shown in Figure 3, we should note that the current through the switch can not exceed the limit of the switch.   (View)

View full Circuit Diagram | Comments | Reading(737)

Pages:2162/2234 At 2021612162216321642165216621672168216921702171217221732174217521762177217821792180Under 20