Position: Home > Circuit Diagram > Index 2181
Low Cost Custom Prototype PCB Manufacturer

Circuit Diagram

Index 2181

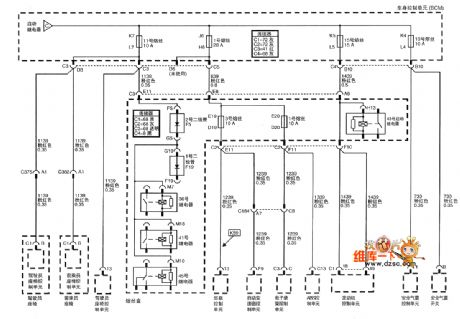
Vehicle navigation system circuit of Shanghai GM Cadillac CTS (1)

Published:2011/4/1 20:47:00 Author:Joan | Keyword: Vehicle navigation system , Shanghai GM , Cadillac CTS

Vehicle navigation system circuit of Shanghai GM Cadillac CTS (1)
Vehicle navigation system circuit of Shanghai GM Cadillac CTS (1)   (View)

View full Circuit Diagram | Comments | Reading(649)

60W switching power supply circuit diagram composed of UC3844

Published:2011/3/23 2:05:00 Author:Nicole | Keyword: 60W switching power supply

60W switching power supply circuit diagram composed of UC3844
  (View)

View full Circuit Diagram | Comments | Reading(7646)

Single-ended forward transform switching power supply circuit diagram

Published:2011/3/29 2:14:00 Author:Nicole | Keyword: Single-ended forward transform, switching power supply

Single-ended forward transform switching power supply circuit diagram
The figure is a practical circuit of single-ended forward transform switching power supply. As using optocoupler in feedback loop, so the input and output have good isolation effect. The output voltage is 5V, output current is 10A. When connected to the power supply, it will output 300V DC voltage through VD1, L1, C1 rectifier filter, added to the switch VTl directly, and give the control circuit a working voltage to make it works. During the switch VTl turns on, the secondary winding N2 of transformer T can obtain energy. The polarity make the rectifier diode VD3 conduction, and transfer to the load through L2, freewheeling diode VD4 is off. When VTl cuts off, storage inductor L2 releases energy, and the polarity in the two ends of L2 change, VD4 turns on, VD3 cuts off, L2 continues to provide energy to the load through VD4. When the output voltage Uo rises for some reasons, the current of VT4, VT5 increases. The current is coupled to VT2 through optocoupler VT3, the resistance of VT2 decreased, then the base potential of control switch VTl decreases, the duty cycle of VTl decreases, Uo declines. Conversely, when Uo declines, to adjust in the opposite direction according to the above process, then it rebounded, so as to maintain Uo stable.   (View)

View full Circuit Diagram | Comments | Reading(1640)

JKH1-771A elevator button circuit

Published:2011/3/28 2:25:00 Author:Jessie | Keyword: elevator, button

JKH1-771A elevator button circuit
  (View)

View full Circuit Diagram | Comments | Reading(559)

JKH1-771A Elevator alarm circuit

Published:2011/3/28 2:27:00 Author:Jessie | Keyword: Elevator, alarm

JKH1-771A Elevator alarm circuit
  (View)

View full Circuit Diagram | Comments | Reading(474)

JKH1-771A elevator door open circuit

Published:2011/3/28 1:43:00 Author:Jessie | Keyword: elevator, door open

JKH1-771A elevator door open circuit
  (View)

View full Circuit Diagram | Comments | Reading(736)

Half-bridge converter power supply circuit diagram composed of two capacitors and high voltage transistors

Published:2011/3/29 1:26:00 Author:Nicole | Keyword: half-bridge converter, power supply, capacitor, transistor

Half-bridge converter power supply circuit diagram composed of two capacitors and high voltage transistors
In the high voltage switching power supply, the high Power Output always use half-bridge converter circuit. The figure as below, it is composed of two capacitors and two high voltage transistors. When two transistors cut off, if the capacity of two capacitors are equal and circuit symmetrical, then the voltage of point A is half of the input voltage. When VTl turns on, capacitor C01 will discharge through VTl, transformer primary winding N1; at the same time, capacitor C02 will charge through input power, VTl and primary winding N1 of T1. The potential of mid-point A will be decreased exponentially during the charge and discharge process. When VTl turns off, the potential of point A is (1 / 2) Ui-ΔUi, and the two transistors are all off. Collector to emitter voltage of two capacitors and two transistors is equal essentially, are all close to half of the input supply voltage. On the contrary, VT2 turns on, C02 discharges, C0l charges, the potential of point A will increase to (1 / 2) Ui + ΔUi, namely the potential of point A will be in the (1 / 2) Ui and index changed with the amplitude of ± △ U. Thus, in the half bridge circuit, the transformer primary winding always has current flowing in the whole cycle, the core is fully utilized.   (View)

View full Circuit Diagram | Comments | Reading(1940)

JKH1-771A elevator control circuit (3)

Published:2011/3/28 1:41:00 Author:Jessie | Keyword: elevator, control

JKH1-771A elevator control circuit (3)
  (View)

View full Circuit Diagram | Comments | Reading(472)

JKH1-791 elevator control circuit (3)

Published:2011/3/28 1:39:00 Author:Jessie | Keyword: elevator, control

JKH1-791 elevator control circuit (3)
  (View)

View full Circuit Diagram | Comments | Reading(549)

JHo-751 Semi-automatic cargo elevator button instruction circuit

Published:2011/3/28 1:39:00 Author:Jessie | Keyword: Semi-automatic, cargo elevator, button instruction

JHo-751 Semi-automatic cargo elevator button instruction circuit
  (View)

View full Circuit Diagram | Comments | Reading(414)

JHo-751 Semi-automatic cargo elevator control circuit (1)

Published:2011/3/28 1:22:00 Author:Jessie | Keyword: Semi-automatic, cargo elevator

JHo-751 Semi-automatic cargo elevator control circuit (1)
  (View)

View full Circuit Diagram | Comments | Reading(583)

JHo-751 Semi-automatic cargo elevator control circuit (2)

Published:2011/3/28 1:36:00 Author:Jessie | Keyword: Semi-automatic, cargo elevator

JHo-751 Semi-automatic cargo elevator control circuit (2)
  (View)

View full Circuit Diagram | Comments | Reading(796)

The air condition system circuit of Shanghai GM Buick LaCrosse car (4)

Published:2011/4/1 3:21:00 Author:Joan | Keyword: Shanghai GM , Buick LaCrosse car , air condition system

The air condition system circuit of Shanghai GM Buick LaCrosse car (4)
Below is the air condition system circuit of Shanghai GM Buick LaCrosse car (4):   (View)

View full Circuit Diagram | Comments | Reading(610)

The cruise control system circuit of Shanghai GM Cadillac XLR car (1)

Published:2011/4/1 3:20:00 Author:Joan | Keyword: Shanghai GM , Cadillac XLR car , cruise control system

The cruise control system circuit of Shanghai GM Cadillac XLR car (1)
The cruise control system circuit of Shanghai GM Cadillac XLR car (1)   (View)

View full Circuit Diagram | Comments | Reading(899)

The air conditioning system circuit of Shanghai GM Buick LaCrosse car (5)

Published:2011/4/1 3:20:00 Author:Joan | Keyword: Shanghai GM , Buick LaCrosse car , air conditioning system

The air conditioning system circuit of Shanghai GM Buick LaCrosse car (5)
Below is the air conditioning system circuit of Shanghai GM Buick LaCrosse car (5):   (View)

View full Circuit Diagram | Comments | Reading(655)

The cruise control system schematic of Shanghai GM Cadillac XLR car (2)

Published:2011/4/1 3:19:00 Author:Joan | Keyword: Shanghai GM , Cadillac XLR car , cruise control system

The cruise control system schematic of Shanghai GM Cadillac XLR car (2)
The cruise control system schematic of Shanghai GM Cadillac XLR car (2)   (View)

View full Circuit Diagram | Comments | Reading(1394)

JHo-751 Semi-automatic cargo elevator lighting circuit (1)

Published:2011/3/28 1:25:00 Author:Jessie | Keyword: Semi-automatic, cargo elevator, lighting

JHo-751 Semi-automatic cargo elevator lighting circuit (1)
  (View)

View full Circuit Diagram | Comments | Reading(415)

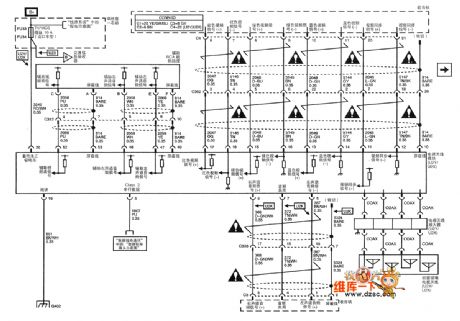
The entertainment system schematic of Shanghai GM Buick LaCrosse car (1)

Published:2011/4/1 3:18:00 Author:Joan | Keyword: Shanghai GM , Buick LaCrosse car , entertainment system

The entertainment system schematic of Shanghai GM Buick LaCrosse car (1)
Below is the entertainment system schematic of Shanghai GM Buick LaCrosse car (1):   (View)

View full Circuit Diagram | Comments | Reading(568)

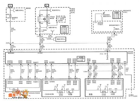
The heating / cooling seat system of Shanghai GM Cadillac XLR car schematic

Published:2011/4/1 3:17:00 Author:Joan | Keyword: Shanghai GM , Cadillac XLR car , heating / cooling seat system

The heating / cooling seat system of Shanghai GM Cadillac XLR car schematic
The heating / cooling seat system of Shanghai GM Cadillac XLR car schematic   (View)

View full Circuit Diagram | Comments | Reading(1065)

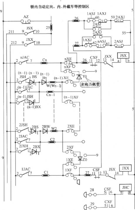
The body control system circuit of Shanghai GM Cadillac XLR car (1)

Published:2011/4/1 3:16:00 Author:Joan | Keyword: Shanghai GM , Cadillac XLR car , body control system

The body control system circuit of Shanghai GM Cadillac XLR car (1)
The body control system circuit of Shanghai GM Cadillac XLR car (1)   (View)

View full Circuit Diagram | Comments | Reading(466)

Pages:2181/2234 At 2021812182218321842185218621872188218921902191219221932194219521962197219821992200Under 20