Position: Home > Circuit Diagram > Index 2182
Low Cost Custom Prototype PCB Manufacturer

Circuit Diagram

Index 2182

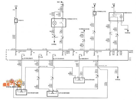
The entertainment system schematic of Shanghai GM Buick LaCrosse car (2)

Published:2011/4/1 3:16:00 Author:Joan | Keyword: Shanghai GM , Buick LaCrosse car , entertainment system

The entertainment system schematic of Shanghai GM Buick LaCrosse car (2)
Below is the entertainment system schematic of Shanghai GM Buick LaCrosse car (2).   (View)

View full Circuit Diagram | Comments | Reading(621)

JHo-751 Semi-automatic cargo elevator lighting circuit (2)

Published:2011/3/28 1:26:00 Author:Jessie | Keyword: Semi-automatic, cargo elevator, lighting

JHo-751 Semi-automatic cargo elevator lighting circuit (2)
  (View)

View full Circuit Diagram | Comments | Reading(444)

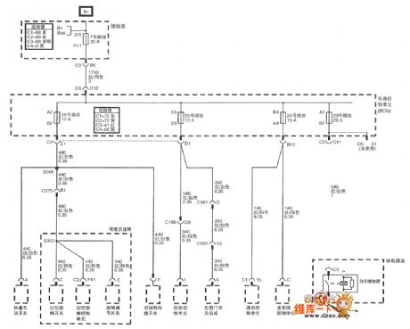
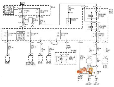
The body control system schematic of Shanghai GM Cadillac XLR car (2)

Published:2011/4/1 3:15:00 Author:Joan | Keyword: Shanghai GM , Cadillac XLR car , body control system

The body control system schematic of Shanghai GM Cadillac XLR car (2)
The body control system schematic of Shanghai GM Cadillac XLR car (2)   (View)

View full Circuit Diagram | Comments | Reading(487)

The body control system circuit of Shanghai GM Cadillac XLR car (3)

Published:2011/4/1 3:13:00 Author:Joan | Keyword: Shanghai GM , Cadillac XLR car , body control system

The body control system circuit of Shanghai GM Cadillac XLR car (3)
The body control system circuit of Shanghai GM Cadillac XLR car (3)   (View)

View full Circuit Diagram | Comments | Reading(1235)

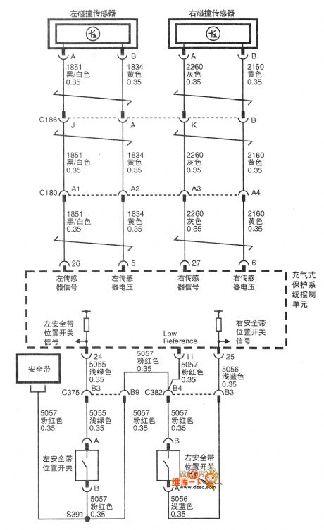
The seat belt control system circuit of Shanghai GM Cadillac XLR car (1)

Published:2011/4/1 3:12:00 Author:Joan | Keyword: Shanghai GM , Cadillac XLR car , seat belt control system

The seat belt control system circuit of Shanghai GM Cadillac XLR car (1)
The seat belt control system circuit of Shanghai GM Cadillac XLR car (1)   (View)

View full Circuit Diagram | Comments | Reading(489)

Boost output circuit diagram with low power dissipation

Published:2011/3/28 21:12:00 Author:Nicole | Keyword: boost output

Boost output circuit diagram with low power dissipation
VT3 is switching regulator; regulator tube VD2 can change potential; VT4 is inverting isolation amplifier; VT4 and its load 33kΩ resistor divide Ui. The two voltage supply for pulse generator circuit. Pulse generator circuit is composed of transformer T and VT1, VT2. This is a non-symmetric self-excited multivibrator of transformer feedback. The power supply of VTl is from 33kΩ resistor, and the current of resistance depends on VT4, VT1, VT2 have different supply voltage, the amplitude of each half weeks of oscillation is proportional changed, the width is inversely proportional changed, the on/off time of VT3 is controled. When the output voltage increases, the differential pair VT6 current of error amplifier increases, VT5 current decreases, the collector potential rises, VT4 current increases, the voltage of 33kΩ resistor voltage drop increases, VT1 supply voltage increases, shortened the on time, shortened the on time of switch VT3. According to the expression of boost output voltage: we can see, the output voltage Uo down to achieve voltage regulation. Conversely, when the output voltage drops, according to the above process to adjust on the opposite, to rise the output voltage, maintaining the output voltage stable. The input voltage is 12 ~ 28V, then the output voltage can be stable for the 30V, maximum output power is 60W, efficiency is 89.4% to 94.7%, instability is ± 0.33%, the output voltage ripple factor is 0.02%, operating frequency is 10kHz.   (View)

View full Circuit Diagram | Comments | Reading(673)

Photoelectric isolator drive circuit diagram

Published:2011/3/29 3:33:00 Author:Nicole | Keyword: Photoelectric isolator drive

Photoelectric isolator drive circuit diagram
  (View)

View full Circuit Diagram | Comments | Reading(461)

Tianjin VIOS ECT and A/T indicator light circuit diagram

Published:2011/3/30 20:31:00 Author:muriel | Keyword: Tianjin VIOS, ECT indicator light , A/T indicator light

Tianjin VIOS ECT and A/T indicator light circuit diagram
Tianjin VIOS ECT and A/T indicator light circuit diagram as shown: Welcome transshipment, the informations are come from Weiku e-market net( www.dzsc.com).   (View)

View full Circuit Diagram | Comments | Reading(954)

Tianjin VIOS ECT and A/T indicator light circuit diagram(first)

Published:2011/3/30 20:29:00 Author:muriel | Keyword: Tianjin VIOS, ECT indicator light, A/T indicator light

Tianjin VIOS ECT and A/T indicator light circuit diagram(first)
Tianjin VIOS ECT and A/T indicator light circuit diagram(first) as shown: Welcome transshipment, the informations are come from Weiku e-market net( www.dzsc.com).   (View)

View full Circuit Diagram | Comments | Reading(556)

Tianjin VIOS ECT and A/T indicator light circuit diagram(second)

Published:2011/3/30 20:27:00 Author:muriel | Keyword: Tianjin VIOS, ECT indicator light, A/T indicator light

Tianjin VIOS ECT and A/T indicator light circuit diagram(second)
Tianjin VIOS ECT and A/T indicator light circuit diagram(second) as shown: Welcome transshipment, the informations are come from Weiku e-market net( www.dzsc.com).   (View)

View full Circuit Diagram | Comments | Reading(579)

Lighting warn、key warn、safety belt warn、shift lock and parking lamp circuit diagram

Published:2011/3/30 20:43:00 Author:muriel | Keyword: Lighting warn, key warn, safety belt warn, shift lock , parking lamp , Tianjin VIOS

Lighting warn、key warn、safety belt warn、shift lock and parking lamp circuit diagram
Tianjin VIOS Lighting warn、key warn、safety belt warn、shift lock and parking lamp circuit diagram as shown: Welcome transshipment, the informations are come from Weiku e-market net( www.dzsc.com).   (View)

View full Circuit Diagram | Comments | Reading(2426)

Tianjin VIOS reverse light、front wiper and jetter circuit diagram

Published:2011/3/30 20:14:00 Author:muriel | Keyword: Tianjin VIOS , reverse light, front wiper , jetter

Tianjin VIOS reverse light、front wiper and jetter circuit diagram
Tianjin VIOS reverse light、front wiper and jetter circuit diagram as shown: Welcome transshipment, the informations are come from Weiku e-market net( www.dzsc.com).   (View)

View full Circuit Diagram | Comments | Reading(1005)

Tianjin VIOS anti-lock braking system(ABS) circuit diagram

Published:2011/3/30 20:04:00 Author:muriel | Keyword: Tianjin VIOS, anti-lock braking system(ABS)

Tianjin VIOS anti-lock braking system(ABS) circuit diagram
Tianjin VIOS anti-lock braking system(ABS) circuit diagram as shown: Welcome transshipment, the informations are come from Weiku e-market net( www.dzsc.com).   (View)

View full Circuit Diagram | Comments | Reading(3342)

LM4911 No-output capacitor(OCL) power circuit diagram

Published:2011/3/23 1:40:00 Author:Rebekka | Keyword: No-output capacitor(OCL), LM4911,

LM4911 No-output capacitor(OCL) power circuit diagram
LM4911 No-output capacitor(OCL) power circuit diagram is shown as below. No-output capacitor(OCL) circuit is without the use of squelch control(Mute), because the speed of shutdown control(SD) is faster than squelch control(Mute) at the moment. The noise can be removed after shutdown. The max power dissipation of the no-output power capacitor is PDMAX=4VDD2/π2R.   (View)

View full Circuit Diagram | Comments | Reading(644)

LM4916 Single-channel stereo headphone amplifier circuit diagram

Published:2011/3/29 2:44:00 Author:Rebekka | Keyword: LM4916, Single-channel stereo headphone amplifier

LM4916 Single-channel stereo headphone amplifier circuit diagram
LM4916 is a single-channel(SE) stereo headphone amplifier that has 2 Mono differential output audio power amplifiers(Bridge or BTL load) single-ended (SE) stereo headphone amplifier. It is mainly used for mobile phones and other portable audio devices. LM4916 uses 1.5V power supply. Mono BTL model can output 85mW. Mono BTL mode can promote continuous average power into an 8Ω load. Each channel of single-ended (SE) stereo headset can output 14mW and the continuous average power drives 16Ω load. LM4916 uses MM and LLP encapsulation. The user will thanks to its small size. The smallest share of the PCB board space and get the maximum output power. LM4916 reduces switch-off instant noise. It has a external controller, active-low micropower shutdown mode and an internal thermal shutdown protection agency. The pinout of LM4916 is shown as below.   (View)

View full Circuit Diagram | Comments | Reading(1195)

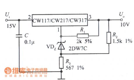
+10 V integrated voltage regulator circuit with high precision and high stability

Published:2011/4/1 3:11:00 Author:Joan | Keyword: High precision and high stability , +10 V integrated voltage regulator

+10 V integrated voltage regulator circuit with high precision and high stability
  (View)

View full Circuit Diagram | Comments | Reading(743)

The air condition system circuit of Shanghai GM Buick LaCrosse car (3)

Published:2011/4/1 3:26:00 Author:Joan | Keyword: Shanghai GM , Buick LaCrosse car , air condition system

The air condition system circuit of Shanghai GM Buick LaCrosse car (3)
Below is the air condition system circuit of Shanghai GM Buick LaCrosse car (3).   (View)

View full Circuit Diagram | Comments | Reading(452)

The roof folding system schematic of Shanghai GM Cadillac XLR car (3)

Published:2011/4/1 3:27:00 Author:Joan | Keyword: Shanghai GM , Cadillac XLR car , roof folding system

The roof folding system schematic of Shanghai GM Cadillac XLR car (3)
The roof folding system schematic of Shanghai GM Cadillac XLR car (3)   (View)

View full Circuit Diagram | Comments | Reading(482)

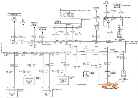
The air condition system circuit of Shanghai GM Buick LaCrosse car (2)

Published:2011/4/1 3:28:00 Author:Joan | Keyword: Shanghai GM , Buick LaCrosse car , air condition system

The air condition system circuit of Shanghai GM Buick LaCrosse car (2)
Below is the air condition system circuit of Shanghai GM Buick LaCrosse car (2):   (View)

View full Circuit Diagram | Comments | Reading(465)

The roof folding system circuit of Shanghai GM Cadillac XLR car (2)

Published:2011/4/1 3:29:00 Author:Joan | Keyword: Shanghai GM , Cadillac XLR car , roof folding system

The roof folding system circuit of Shanghai GM Cadillac XLR car (2)
The roof folding system circuit of Shanghai GM Cadillac XLR car (2)   (View)

View full Circuit Diagram | Comments | Reading(537)

Pages:2182/2234 At 2021812182218321842185218621872188218921902191219221932194219521962197219821992200Under 20