Position: Home > Circuit Diagram > Index 2191
Low Cost Custom Prototype PCB Manufacturer

Circuit Diagram

Index 2191

Time delay circuit diagram(first) with comparator 74LS85

Published:2011/3/30 2:16:00 Author:muriel | Keyword: Time delay circuit diagram(first), comparator

Time delay circuit diagram(first) with comparator 74LS85
Time delay circuit with comparator 74LS85   (View)

View full Circuit Diagram | Comments | Reading(1327)

Time delay circuit diagram(second) with comparator 74LS85

Published:2011/3/30 2:16:00 Author:muriel | Keyword: Time delay circuit diagram(second), comparator

Time delay circuit diagram(second) with comparator 74LS85
Time delay circuit with comparator 74LS85   (View)

View full Circuit Diagram | Comments | Reading(1747)

Time delay circuit diagram with CC4017 count/distributor

Published:2011/3/30 2:15:00 Author:muriel | Keyword: Time delay circuit diagram, count/distributor

Time delay circuit diagram with CC4017 count/distributor
Time delay circuit diagram with CC4017 count/distributor   (View)

View full Circuit Diagram | Comments | Reading(438)

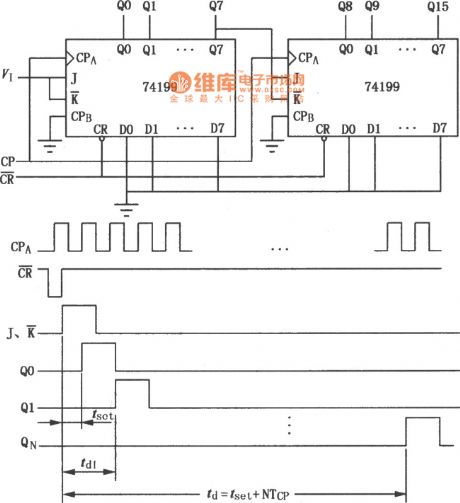
Time delay circuit diagram with 74199 shift register

Published:2011/3/30 2:15:00 Author:muriel | Keyword: Time delay circuit diagram, shift register

Time delay circuit diagram with 74199 shift register
Time delay circuit diagram with 74199 shift register   (View)

View full Circuit Diagram | Comments | Reading(1303)

low level signal isolated amplifier circuit diagram with isolated amplifier 3656

Published:2011/3/30 2:15:00 Author:muriel | Keyword: low level signal , isolated amplifier circuit diagram , isolated amplifier

low level signal isolated amplifier circuit diagram with isolated amplifier 3656
As shown is low level signal isolated amplifier circuit diagram with isolated amplifier 3656:   (View)

View full Circuit Diagram | Comments | Reading(546)

Bipolar V/I isolated converter circuit diagram with isolated amplifier 3656

Published:2011/3/30 2:15:00 Author:muriel | Keyword: Bipolar V/I , isolated, converter circuit diagram, isolated amplifier

Bipolar V/I isolated converter circuit diagram with isolated amplifier 3656
As shown is Bipolar V/I isolated converter circuit diagram with isolated amplifier 3656   (View)

View full Circuit Diagram | Comments | Reading(301)

Adjustable positive and negative output voltage integrated voltage regulator circuit

Published:2011/3/28 3:40:00 Author:Joan | Keyword: Adjustable , positive and negative output voltage , integrated voltage regulator

Adjustable positive and negative output voltage integrated voltage regulator circuit
  (View)

View full Circuit Diagram | Comments | Reading(954)

5 terminal adjustable integrated voltage regulator CW200 standard application circuit

Published:2011/3/28 3:38:00 Author:Joan | Keyword: 5 terminal , adjustable , integrated voltage regulator

5 terminal adjustable integrated voltage regulator CW200 standard application circuit
  (View)

View full Circuit Diagram | Comments | Reading(713)

High stability integrated voltage regulator circuit 3 composed of CW137

Published:2011/3/28 3:36:00 Author:Joan | Keyword: High stability , integrated voltage regulator

High stability integrated voltage regulator circuit 3 composed of CW137
  (View)

View full Circuit Diagram | Comments | Reading(560)

Adjustable constant current source circuit consisting of CW137

Published:2011/3/28 3:20:00 Author:Joan | Keyword: Adjustable , constant current source

Adjustable constant current source circuit consisting of CW137
  (View)

View full Circuit Diagram | Comments | Reading(532)

Slow-start integrated voltage regulator circuit composed of CW137

Published:2011/3/28 3:34:00 Author:Joan | Keyword: Slow-start , integrated voltage regulator

Slow-start integrated voltage regulator circuit composed of CW137
  (View)

View full Circuit Diagram | Comments | Reading(655)

Multiple centralized controlling adjustable integrated voltage regulator circuit

Published:2011/3/28 3:32:00 Author:Joan | Keyword: Multiple centralized controlling , adjustable , integrated voltage regulator

Multiple centralized controlling adjustable integrated voltage regulator circuit
Above is Multiple centralized controlling adjustable integrated voltage regulator circuit consisting of CW137.   (View)

View full Circuit Diagram | Comments | Reading(571)

TTL logic level controlling output integrated voltage regulator circuit

Published:2011/3/28 3:29:00 Author:Joan | Keyword: TTL logic level controlling output , integrated voltage regulator

TTL logic level controlling output integrated voltage regulator circuit
Above is TTL logic level controlling output integrated voltage regulator circuit consisting of CW137.   (View)

View full Circuit Diagram | Comments | Reading(620)

SF1212 automatic exposure integrated(timing) control circuit diagram

Published:2011/3/30 2:14:00 Author:muriel | Keyword: automatic exposure , integrated, timing, control circuit diagram

SF1212 automatic exposure integrated(timing) control circuit diagram
SF1212 automatic exposure integrated(timing) control circuit   (View)

View full Circuit Diagram | Comments | Reading(483)

High stability integrated voltage regulator composed of CW137 circuit

Published:2011/3/28 3:04:00 Author:Joan | Keyword: High stability , integrated voltage regulator

High stability integrated voltage regulator composed of CW137 circuit
  (View)

View full Circuit Diagram | Comments | Reading(551)

Tracking integrated voltage regulator (positive voltage tracks negative voltage) circuit

Published:2011/3/24 22:42:00 Author:Joan | Keyword: Tracking integrated voltage regulator , positive voltage , negative voltage

Tracking integrated voltage regulator (positive voltage tracks negative voltage) circuit
  (View)

View full Circuit Diagram | Comments | Reading(795)

large-current integrated voltage regulator circuit with external current amplifier tube protection

Published:2011/3/24 22:15:00 Author:Joan | Keyword: large-current , integrated voltage regulator circuit, current amplifier tube

large-current integrated voltage regulator circuit with external current amplifier tube protection
  (View)

View full Circuit Diagram | Comments | Reading(679)

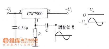
Power modulator circuit composed of CW7900

Published:2011/3/24 22:05:00 Author:Joan | Keyword: Power modulator

Power modulator circuit composed of CW7900
  (View)

View full Circuit Diagram | Comments | Reading(521)

Large-current output integrated voltage regulator circuit

Published:2011/3/24 22:03:00 Author:Joan | Keyword: Large-current output , integrated voltage regulator

Large-current output integrated voltage regulator circuit
  (View)

View full Circuit Diagram | Comments | Reading(569)

Producing floating fault number control integrated voltage regulator circuit

Published:2011/3/24 3:50:00 Author:Joan | Keyword: number control , integrated voltage regulator

Producing floating fault number control integrated voltage regulator circuit
  (View)

View full Circuit Diagram | Comments | Reading(612)

Pages:2191/2234 At 2021812182218321842185218621872188218921902191219221932194219521962197219821992200Under 20