Position: Home > Circuit Diagram > Index 2183
Low Cost Custom Prototype PCB Manufacturer

Circuit Diagram

Index 2183

The roof folding system circuit of Shanghai GM Cadillac XLR car (1)

Published:2011/4/1 3:30:00 Author:Joan | Keyword: Shanghai GM , Cadillac XLR car , roof folding system

The roof folding system circuit of Shanghai GM Cadillac XLR car (1)
The roof folding system circuit of Shanghai GM Cadillac XLR car (1)   (View)

View full Circuit Diagram | Comments | Reading(531)

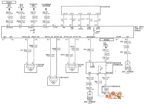
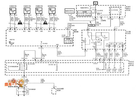
The air condition system circuit of Shanghai GM Buick LaCrosse car (1)

Published:2011/4/1 3:31:00 Author:Joan | Keyword: Shanghai GM , Buick LaCrosse car , air condition system

The air condition system circuit of Shanghai GM Buick LaCrosse car (1)
The figure is the air condition system circuit of Shanghai GM Buick LaCrosse car (1):   (View)

View full Circuit Diagram | Comments | Reading(581)

The anti-lock brake system circuit of Shanghai GM Buick LaCrosse car (3)

Published:2011/4/1 3:31:00 Author:Joan | Keyword: Shanghai GM , Buick LaCrosse car , anti-lock brake system

The anti-lock brake system circuit of Shanghai GM Buick LaCrosse car (3)
Below is the anti-lock brake system circuit of Shanghai GM Buick LaCrosse car (3):   (View)

View full Circuit Diagram | Comments | Reading(960)

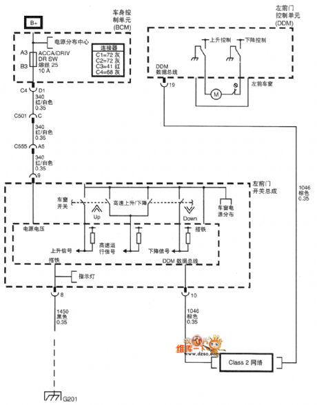
The power window circuit of Shanghai GM Cadillac XLR car

Published:2011/4/1 3:32:00 Author:Joan | Keyword: Shanghai GM , Cadillac XLR car , power window

The power window circuit of Shanghai GM Cadillac XLR car
The power window circuit of Shanghai GM Cadillac XLR car   (View)

View full Circuit Diagram | Comments | Reading(1043)

The anti-lock braking system circuit of Shanghai GM Buick LaCrosse car (2)

Published:2011/4/1 3:33:00 Author:Joan | Keyword: Shanghai GM , Buick LaCrosse car , anti-lock braking system

The anti-lock braking system circuit of Shanghai GM Buick LaCrosse car (2)
Below is the anti-lock braking system circuit of Shanghai GM Buick LaCrosse car (2):   (View)

View full Circuit Diagram | Comments | Reading(452)

The engine remote start system schematic of Shanghai GM Cadillac XLR car

Published:2011/4/1 3:26:00 Author:Joan | Keyword: Shanghai GM , Cadillac XLR car , engine remote start system

The engine remote start system schematic of Shanghai GM Cadillac XLR car
The engine remote start system schematic of Shanghai GM Cadillac XLR car   (View)

View full Circuit Diagram | Comments | Reading(2320)

The Central-controlled door lock circuit of Shanghai GM Cadillac XLR car (2)

Published:2011/4/1 3:34:00 Author:Joan | Keyword: Shanghai GM , Cadillac XLR car , Central-controlled door lock

The Central-controlled door lock circuit of Shanghai GM Cadillac XLR car (2)
The Central-controlled door lock circuit of Shanghai GM Cadillac XLR car (2)   (View)

View full Circuit Diagram | Comments | Reading(493)

The Central-controlled door lock circuit of Shanghai GM Cadillac XLR car (1)

Published:2011/4/1 3:35:00 Author:Joan | Keyword: Shanghai GM , Cadillac XLR car , Central-controlled door lock

The Central-controlled door lock circuit of Shanghai GM Cadillac XLR car (1)
The Central-controlled door lock circuit of Shanghai GM Cadillac XLR car (1)   (View)

View full Circuit Diagram | Comments | Reading(529)

The anti-lock braking system circuit of Shanghai GM Buick LaCrosse car (1)

Published:2011/4/1 3:38:00 Author:Joan | Keyword: Shanghai GM , Buick LaCrosse car , anti-lock braking system

The anti-lock braking system circuit of Shanghai GM Buick LaCrosse car (1)
The figure is the anti-lock braking system circuit of Shanghai GM Buick LaCrosse car (1).   (View)

View full Circuit Diagram | Comments | Reading(567)

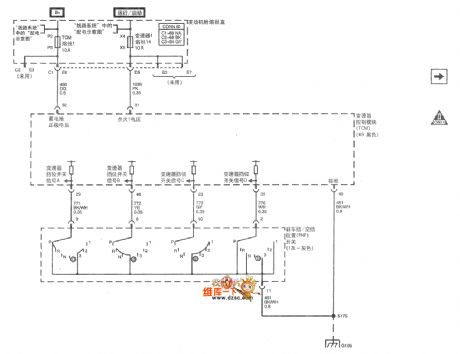
The 4T45E automatic transmission circuit of Shanghai GM Buick LaCrosse car (5)

Published:2011/4/1 3:42:00 Author:Joan | Keyword: Shanghai GM , Buick LaCrosse car , automatic transmission

The 4T45E automatic transmission circuit of Shanghai GM Buick LaCrosse car (5)
Below is the 4T45E automatic transmission circuit of Shanghai GM Buick LaCrosse car (5):   (View)

View full Circuit Diagram | Comments | Reading(631)

The door remote control system circuit of Shanghai GM Cadillac XLR car

Published:2011/4/1 3:43:00 Author:Joan | Keyword: Shanghai GM , Cadillac XLR car , door remote control system

The door remote control system circuit of Shanghai GM Cadillac XLR car
The door remote control system circuit of Shanghai GM Cadillac XLR car   (View)

View full Circuit Diagram | Comments | Reading(705)

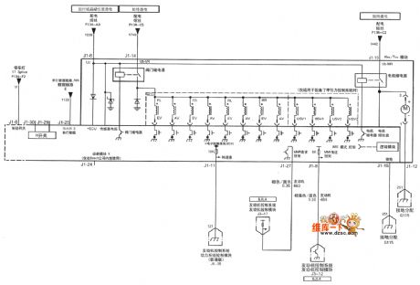
The 4T45E automatic transmission circuit of Shanghai GM Buick LaCrosse car (4)

Published:2011/4/1 3:44:00 Author:Joan | Keyword: Shanghai GM , Buick LaCrosse car , automatic transmission

The 4T45E automatic transmission circuit of Shanghai GM Buick LaCrosse car (4)
Below is the 4T45E automatic transmission circuit of Shanghai GM Buick LaCrosse car (4):   (View)

View full Circuit Diagram | Comments | Reading(1124)

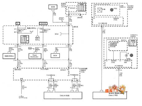
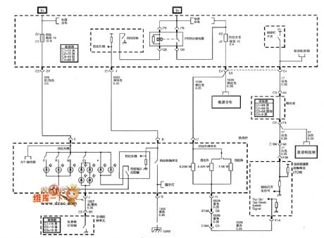
The 5L50-E automatic transmission circuit of Shanghai GM Cadillac XLR car (2)

Published:2011/4/1 3:47:00 Author:Joan | Keyword: Shanghai GM , Cadillac XLR car , automatic transmission

The 5L50-E automatic transmission circuit of Shanghai GM Cadillac XLR car (2)
The 5L50-E automatic transmission circuit of Shanghai GM Cadillac XLR car (2)   (View)

View full Circuit Diagram | Comments | Reading(671)

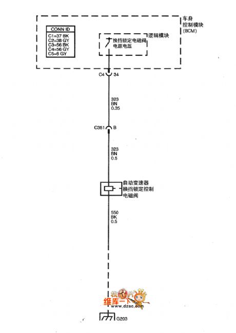
The 5L50-E automatic transmission circuit of Shanghai GM Cadillac XLR car (1)

Published:2011/4/1 3:54:00 Author:Joan | Keyword: Shanghai GM , Cadillac XLR car , automatic transmission

The 5L50-E automatic transmission circuit of Shanghai GM Cadillac XLR car (1)
The 5L50-E automatic transmission circuit of Shanghai GM Cadillac XLR car (1)   (View)

View full Circuit Diagram | Comments | Reading(547)

The 4T45E automatic transmission circuit of Shanghai GM Buick LaCrosse car (3)

Published:2011/4/1 3:55:00 Author:Joan | Keyword: Shanghai GM , Buick LaCrosse car , automatic transmission

The 4T45E automatic transmission circuit of Shanghai GM Buick LaCrosse car (3)
Below is the 4T45E automatic transmission circuit of Shanghai GM Buick LaCrosse car (3):   (View)

View full Circuit Diagram | Comments | Reading(799)

The 4T45E automatic transmission circuit of Shanghai GM Buick LaCrosse car (2)

Published:2011/4/1 3:55:00 Author:Joan | Keyword: Shanghai GM , Buick LaCrosse car , automatic transmission

The 4T45E automatic transmission circuit of Shanghai GM Buick LaCrosse car (2)
Below is the 4T45E automatic transmission circuit of Shanghai GM Buick LaCrosse car (2):   (View)

View full Circuit Diagram | Comments | Reading(1453)

Shanghai GM Cadillac XLR car engine circuit (4)

Published:2011/4/1 4:03:00 Author:Joan | Keyword: Shanghai GM , Cadillac XLR car , engine

Shanghai GM Cadillac XLR car engine circuit (4)
Shanghai GM Cadillac XLR car enginecircuit (4)   (View)

View full Circuit Diagram | Comments | Reading(462)

The 4T45E automatic transmission circuit of Shanghai GM Buick LaCrosse car (1)

Published:2011/4/1 3:58:00 Author:Joan | Keyword: Shanghai GM , Buick LaCrosse car , automatic transmission

The 4T45E automatic transmission circuit of Shanghai GM Buick LaCrosse car (1)
Below is the 4T45E automatic transmission circuit of Shanghai GM Buick LaCrosse car (1):   (View)

View full Circuit Diagram | Comments | Reading(1382)

The engine circuit of Shanghai GM Cadillac XLR car (3)

Published:2011/4/1 3:56:00 Author:Joan | Keyword: Shanghai GM , Cadillac XLR car , engine

The engine circuit of Shanghai GM Cadillac XLR car (3)
The engine circuit of Shanghai GM Cadillac XLR car (3)   (View)

View full Circuit Diagram | Comments | Reading(416)

The engine circuit of Shanghai GM Cadillac XLR car (2)

Published:2011/4/1 3:57:00 Author:Joan | Keyword: Shanghai GM , Cadillac XLR car , engine

The engine circuit of Shanghai GM Cadillac XLR car (2)
The engine circuit of Shanghai GM Cadillac XLR car (2)   (View)

View full Circuit Diagram | Comments | Reading(675)

Pages:2183/2234 At 2021812182218321842185218621872188218921902191219221932194219521962197219821992200Under 20