Position: Home > Circuit Diagram > Index 2194
Low Cost Custom Prototype PCB Manufacturer

Circuit Diagram

Index 2194

Boost chopper circuit overvoltage protection circuit diagram

Published:2011/3/28 1:22:00 Author:Rebekka | Keyword: Boost chopper, overvoltage protection

Boost chopper circuit overvoltage protection circuit diagram
Boost chopper circuit overvoltage protection circuit diagram is shown as below.   (View)

View full Circuit Diagram | Comments | Reading(744)

Buck Chopper driving circuit diagram

Published:2011/3/28 1:20:00 Author:Rebekka | Keyword: Buck Chopper

Buck Chopper driving circuit diagram
Buck Chopper driving circuit diagram is shown as below.   (View)

View full Circuit Diagram | Comments | Reading(786)

TL494 PWM circuit diagram

Published:2011/3/29 4:05:00 Author:Rebekka | Keyword: PWM

TL494 PWM circuit diagram
TL494 PWM circuit diagram is shown as below. The pin 5 and 6 of chip connect to resistor R301 and capacitor C301. It makes sure TL494 oscillator frequency sawtooth is: f=1.1/(RTCT)=25KHz.   (View)

View full Circuit Diagram | Comments | Reading(10581)

Program-controlled current source circuit diagram

Published:2011/3/30 3:24:00 Author:Rebekka | Keyword: Programmable, current source

Program-controlled current source circuit diagram
Program-controlled current source(7520DAC) circuit diagramis shown as below.   (View)

View full Circuit Diagram | Comments | Reading(678)

LED signal amplifier circuit diagram

Published:2011/3/30 22:50:00 Author:Jessie | Keyword: LED signal amplifier

LED signal amplifier circuit diagram
  (View)

View full Circuit Diagram | Comments | Reading(582)

Amplified circuit diagram with 1000V output

Published:2011/3/30 22:51:00 Author:Jessie | Keyword: Amplified, 1000V output

Amplified circuit diagram with 1000V output
  (View)

View full Circuit Diagram | Comments | Reading(614)

High common-mode voltage differential amplifier circuit diagram

Published:2011/3/30 22:52:00 Author:Jessie | Keyword: High common-mode voltage, differential amplifier

High common-mode voltage differential amplifier circuit diagram
  (View)

View full Circuit Diagram | Comments | Reading(811)

Typical frequency selective amplifier circuit diagram

Published:2011/3/30 22:53:00 Author:Jessie | Keyword: frequency selective amplifier

Typical frequency selective amplifier circuit diagram
  (View)

View full Circuit Diagram | Comments | Reading(1461)

Current load isolating amplifier circuit

Published:2011/3/30 1:39:00 Author:Jessie | Keyword: Current load, isolating amplifier

Current load isolating amplifier circuit
  (View)

View full Circuit Diagram | Comments | Reading(450)

Carrier isolating amplifier circuit

Published:2011/3/30 1:38:00 Author:Jessie | Keyword: Carrier, isolating amplifier

Carrier isolating amplifier circuit
  (View)

View full Circuit Diagram | Comments | Reading(550)

With 4.5V power supply circuit diagram

Published:2011/3/22 22:49:00 Author:Rebekka | Keyword: With 4.5V power supply

With 4.5V power supply circuit diagram
With 4.5V power supply circuit diagram is shown as below.   (View)

View full Circuit Diagram | Comments | Reading(692)

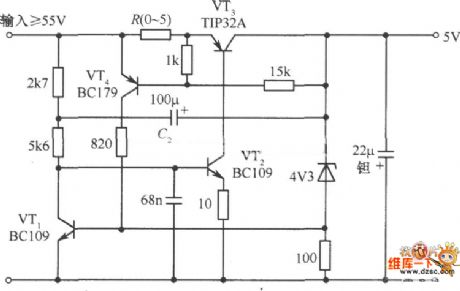
With cut-off-protection 5V fixed voltage power supply circuit schematic

Published:2011/3/22 22:48:00 Author:Rebekka | Keyword: With cut-off-protection, 5V fixed voltage power supply

With cut-off-protection 5V fixed voltage power supply circuit schematic
With cut-off-protection 5V fixed voltage power supply circuit schematic is shown as below.   (View)

View full Circuit Diagram | Comments | Reading(1186)

General power amplifier circuit, LM386 equivalent circuit and encapsulation circuit

Published:2011/3/30 1:30:00 Author:Jessie | Keyword: power amplifier, equivalent circuit, encapsulation circuit

General power amplifier circuit, LM386 equivalent circuit and encapsulation circuit
  (View)

View full Circuit Diagram | Comments | Reading(1267)

Siemens 3508i mobile phone circuit

Published:2011/3/30 1:31:00 Author:Jessie | Keyword: mobile phone

Siemens 3508i mobile phone circuit
  (View)

View full Circuit Diagram | Comments | Reading(651)

Integrated audio power amplifier LM380 circuit

Published:2011/3/30 1:33:00 Author:Jessie | Keyword: Integrated audio, power amplifier

Integrated audio power amplifier LM380 circuit
  (View)

View full Circuit Diagram | Comments | Reading(848)

TA7240AP application circuit

Published:2011/3/30 1:34:00 Author:Jessie | Keyword: application

TA7240AP application circuit
  (View)

View full Circuit Diagram | Comments | Reading(3942)

MFBP Delay equalizer circuit diagram

Published:2011/3/25 1:27:00 Author:Rebekka | Keyword: Delay equalizer, MFBP

MFBP Delay equalizer circuit diagram
MFBP Delay equalizer circuit diagram is shown as below.   (View)

View full Circuit Diagram | Comments | Reading(696)

Buick seat safety system circuit

Published:2011/3/30 1:26:00 Author:Jessie | Keyword: seat safety system

Buick seat safety system circuit
  (View)

View full Circuit Diagram | Comments | Reading(425)

DABP Delay equalizer circuit diagram

Published:2011/3/25 1:28:00 Author:Rebekka | Keyword: Delay equalizer, DABP

DABP Delay equalizer circuit diagram
DABP Delay equalizer circuit diagram is shown as below.   (View)

View full Circuit Diagram | Comments | Reading(708)

Samsung SGH-2400 mobile phone circuit

Published:2011/3/30 1:25:00 Author:Jessie | Keyword: mobile phone

Samsung SGH-2400 mobile phone circuit
  (View)

View full Circuit Diagram | Comments | Reading(4188)

Pages:2194/2234 At 2021812182218321842185218621872188218921902191219221932194219521962197219821992200Under 20