Position: Home > Circuit Diagram > Index 2160
Low Cost Custom Prototype PCB Manufacturer

Circuit Diagram

Index 2160

Crystal diode QZX363C15 internal circuit diagram

Published:2011/4/1 1:40:00 Author:Rebekka | Keyword: Crystal diode

Crystal diode QZX363C15 internal circuit diagram
Crystal diode QZX363C15 internal circuit diagram is shown as below.   (View)

View full Circuit Diagram | Comments | Reading(613)

Buick external modulation circuit diagram

Published:2011/4/5 21:58:00 Author:muriel | Keyword: Buick , external modulation

Buick external modulation circuit diagram
Figure Buick external modulation circuit diagram Welcome transshipment, the informations are come from Weiku e-market net( www.dzsc.com).   (View)

View full Circuit Diagram | Comments | Reading(643)

Crystal diode QZX363C12 internal circuit diagram

Published:2011/4/1 1:41:00 Author:Rebekka | Keyword: Crystal diode, internal circuit

Crystal diode QZX363C12 internal circuit diagram
Crystal diode QZX363C12 internal circuit diagram is shown as below.   (View)

View full Circuit Diagram | Comments | Reading(570)

Buick car body internal light fill light circuit diagram

Published:2011/4/5 21:55:00 Author:muriel | Keyword: Buick , car body internal light, fill light

Buick car body internal light fill light circuit diagram
Figure Buick car body internal light fill light circuit diagram Welcome transshipment, the informations are come from Weiku e-market net( www.dzsc.com).   (View)

View full Circuit Diagram | Comments | Reading(782)

Suzhou golden dragon haig bus fuse circuit diagram

Published:2011/4/1 1:44:00 Author:Rebekka | Keyword: Suzhou golden dragon haig, bus fuse

Suzhou golden dragon haig bus fuse circuit diagram
Suzhou golden dragon haig bus fuse circuit diagram is shown as below.   (View)

View full Circuit Diagram | Comments | Reading(1667)

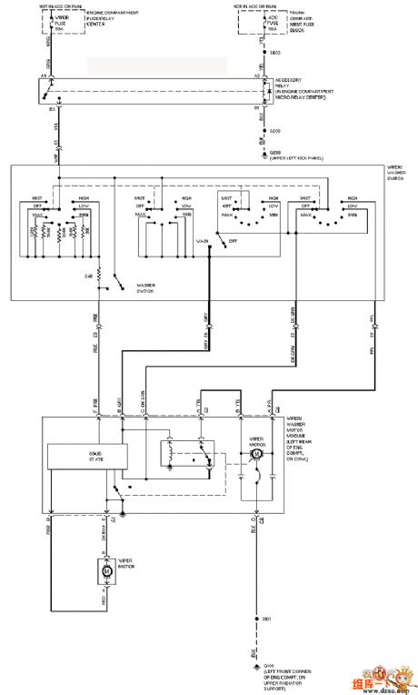
Kai Tai Lake wiper washer circuit diagram

Published:2011/4/5 22:52:00 Author:Rebekka | Keyword: Kai Tai Lake, wiper washer

Kai Tai Lake wiper washer circuit diagram
  (View)

View full Circuit Diagram | Comments | Reading(598)

Samsung SAMSANG5508/7508 type color display switching power supply (DPl04P) circuit diagram

Published:2011/3/29 21:03:00 Author:Rebekka | Keyword: color display switching

Samsung SAMSANG5508/7508 type color display switching power supply (DPl04P) circuit diagram
Here is the schematic diagram of the Samsung SAMSANG5508/7508 type color display switching power supply (DPl04P)circuit:   (View)

View full Circuit Diagram | Comments | Reading(2496)

SHARP K-160170 type display circuit diagram

Published:2011/3/29 21:01:00 Author:Rebekka | Keyword: Display circuit

SHARP K-160170 type display circuit diagram
Here is the schematic diagram of the SHARP K-160170 type display circuit:   (View)

View full Circuit Diagram | Comments | Reading(830)

Panasonic TC-43P18G rear projection TV power supply circuit diagram

Published:2011/3/29 21:00:00 Author:Rebekka | Keyword: Panasonic, rear projection TV

Panasonic TC-43P18G rear projection TV power supply circuit diagram
Here is the schematic diagram of the Panasonic TC-43P18G rear projection TV power supply circuit:   (View)

View full Circuit Diagram | Comments | Reading(6244)

Backup light circuit diagram

Published:2011/4/5 21:51:00 Author:muriel | Keyword: Backup light

Backup light circuit diagram
Figure Backup light circuit diagram Welcome transshipment, the informations are come from Weiku e-market net( www.dzsc.com).   (View)

View full Circuit Diagram | Comments | Reading(991)

Suzhou golden dragon haig bus chassis, heater, reading lamp circuit diagram

Published:2011/4/1 1:48:00 Author:Rebekka | Keyword: Suzhou golden dragon haig, bus fuse

Suzhou golden dragon haig bus chassis, heater, reading lamp circuit diagram
Suzhou golden dragon haig bus chassis, heater, reading lamp circuit diagram is shown as below.   (View)

View full Circuit Diagram | Comments | Reading(1929)

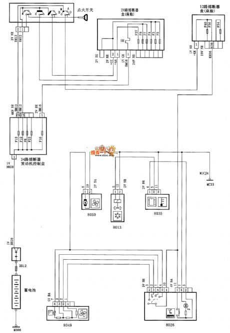
Dongfeng Citroen Picasso(2.0L) saloon car instrument computer circuit diagram

Published:2011/4/5 21:49:00 Author:muriel | Keyword: Dongfeng Citroen Picasso, 2.0L, saloon car, instrument computer

Dongfeng Citroen Picasso(2.0L) saloon car instrument computer circuit diagram
Dongfeng Citroen Picasso(2.0L) saloon car instrument computer circuit diagram as shown   (View)

View full Circuit Diagram | Comments | Reading(1174)

Changhong HP5188 rear projection TV power supply circuit diagram

Published:2011/3/29 20:57:00 Author:Rebekka | Keyword: Changhong HP5188, rear projection TV

Changhong HP5188 rear projection TV power supply circuit diagram
Here is the schematic diagram of the Changhong HP5188 rear projection TV power supplycircuit:   (View)

View full Circuit Diagram | Comments | Reading(4126)

Dongfeng Citroen Picasso(2.0L) saloon car heating and ventilation circuit diagram

Published:2011/4/5 21:48:00 Author:muriel | Keyword: Dongfeng Citroen Picasso, 2.0L, saloon car , heating and ventilation

Dongfeng Citroen Picasso(2.0L) saloon car heating and ventilation circuit diagram
Dongfeng Citroen Picasso(2.0L) saloon car heating and ventilation circuit diagram as shown   (View)

View full Circuit Diagram | Comments | Reading(650)

Crystal diode HZM6.5Z4MFA internal circuit diagram

Published:2011/4/1 1:49:00 Author:Rebekka | Keyword: Crystal diode, internal circuit

Crystal diode HZM6.5Z4MFA internal circuit diagram
Crystal diode HZM6.5Z4MFA internal circuit diagram is shown as below.   (View)

View full Circuit Diagram | Comments | Reading(665)

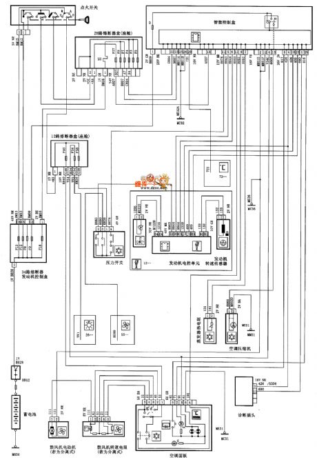
Dongfeng Citroen Picasso(2.0L) saloon car air conditioning circuit diagram

Published:2011/4/5 21:47:00 Author:muriel | Keyword: Dongfeng Citroen Picasso, 2.0L, saloon car , air conditioning

Dongfeng Citroen Picasso(2.0L) saloon car air conditioning circuit diagram
Dongfeng Citroen Picasso(2.0L) saloon car air conditioning circuit diagram as shown   (View)

View full Circuit Diagram | Comments | Reading(2642)

Dongfeng Citroen Picasso(2.0L) saloon car automatic air conditioning circuit diagram

Published:2011/4/5 21:46:00 Author:muriel | Keyword: Dongfeng Citroen Picasso, 2.0L, saloon car, automatic air conditioning

Dongfeng Citroen Picasso(2.0L) saloon car automatic air conditioning circuit diagram
Dongfeng Citroen Picasso(2.0L) saloon car automatic air conditioning circuit diagram as shown   (View)

View full Circuit Diagram | Comments | Reading(1012)

SH-type Hall opening and dual silicon output interface circuit diagram

Published:2011/4/1 1:56:00 Author:Rebekka | Keyword: SH-type Hall opening, dual silicon output interface

SH-type Hall opening and dual silicon output interface circuit diagram
SH-type Hall opening and dual silicon output interface circuit diagram is shown as below.   (View)

View full Circuit Diagram | Comments | Reading(467)

Dongfeng Citroen Picasso(2.0L) saloon car vice air conditioning circuit diagram

Published:2011/4/5 21:45:00 Author:muriel | Keyword: Dongfeng Citroen Picasso, 2.0L, saloon car , vice air conditioning

Dongfeng Citroen Picasso(2.0L) saloon car vice air conditioning circuit diagram
Dongfeng Citroen Picasso(2.0L) saloon car vice air conditioning circuit diagram as shown   (View)

View full Circuit Diagram | Comments | Reading(629)

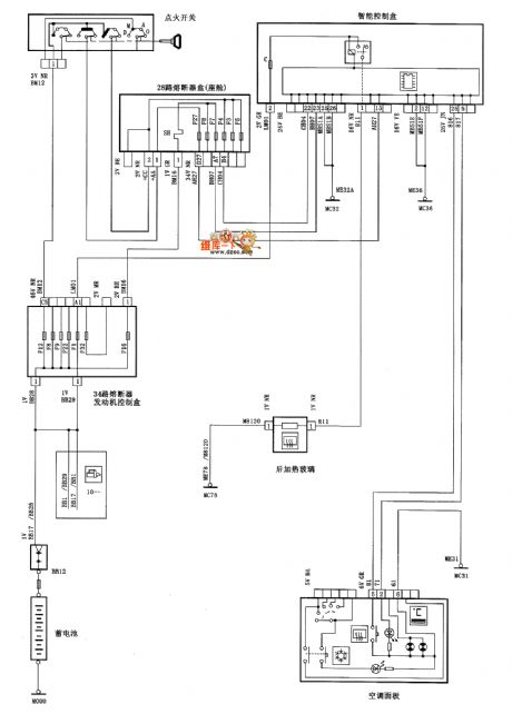
Dongfeng Citroen Picasso(2.0L) electric heater rear windshield circuit diagram

Published:2011/4/5 21:43:00 Author:muriel | Keyword: Dongfeng Citroen Picasso, 2.0L, electric heater rear windshield

Dongfeng Citroen Picasso(2.0L) electric heater rear windshield circuit diagram
Dongfeng Citroen Picasso(2.0L) electric heater rear windshield circuit diagram as shown   (View)

View full Circuit Diagram | Comments | Reading(1508)

Pages:2160/2234 At 2021412142214321442145214621472148214921502151215221532154215521562157215821592160Under 20