Position: Home > Circuit Diagram > Index 2149
Low Cost Custom Prototype PCB Manufacturer

Circuit Diagram

Index 2149

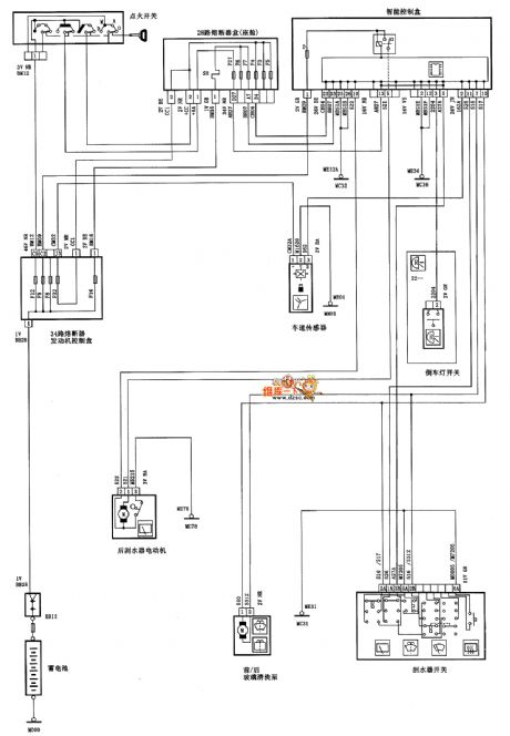
Air window washing pump and headlamp circuit diagram

Published:2011/4/7 21:31:00 Author:muriel | Keyword: Air window washing pump, headlamp

Air window washing pump and headlamp circuit diagram
Figure Air window washing pump and headlamp circuit diagram   (View)

View full Circuit Diagram | Comments | Reading(646)

Dongfeng Citroen Picasso(2.0L) saloon car rear wiper and rear air window cleaning circuit diagram

Published:2011/4/7 21:28:00 Author:muriel | Keyword: Dongfeng Citroen Picasso(2.0L), saloon car , rear wiper , rear air window

Dongfeng Citroen Picasso(2.0L) saloon car rear wiper and rear air window cleaning circuit diagram
Dongfeng Citroen Picasso(2.0L)saloon car rear wiper and rear air window cleaning circuit diagram as shown   (View)

View full Circuit Diagram | Comments | Reading(712)

Turn light、parking lamp、tail light、sidelamp and stoplight circuit diagram

Published:2011/4/7 21:25:00 Author:muriel | Keyword: Turn light, parking lamp, tail light, sidelamp, stoplight

Turn light、parking lamp、tail light、sidelamp and stoplight circuit diagram
Figure Turn light、parking lamp、tail light、sidelamp and stoplight circuit diagram   (View)

View full Circuit Diagram | Comments | Reading(700)

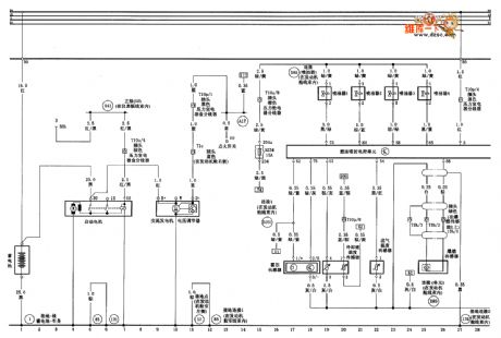
Rear air window heater、reversing light、rear foglight and license plate lamp circuit diagram

Published:2011/4/7 21:23:00 Author:muriel | Keyword: Rear air window heater, reversing light, rear foglight , license plate lamp

Rear air window heater、reversing light、rear foglight and license plate lamp circuit diagram
Figure Rear air window heater、reversing light、rear foglight and license plate lamp circuit diagram   (View)

View full Circuit Diagram | Comments | Reading(646)

Audi A6 saloon car 1.86 engine(ANQ) circuit diagram one

Published:2011/4/7 21:00:00 Author:muriel | Keyword: Audi , saloon car , 1.86 engine(ANQ)

Audi A6 saloon car 1.86 engine(ANQ) circuit diagram one
Storage battery、starting dynamo、AC generator、fuel injector electronic control unit、hall element、water temperature sensor、air inlet temperature sensor and deflagration sensor. The circuit diagram as shown   (View)

View full Circuit Diagram | Comments | Reading(1582)

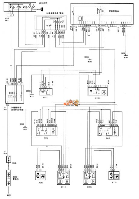
Headlamp adjustment、indoor lamp、trunk lamp、sunshading board lamp circuit diagram

Published:2011/4/7 21:20:00 Author:muriel | Keyword: Headlamp adjustment, indoor lamp, trunk lamp, sunshading board lamp

Headlamp adjustment、indoor lamp、trunk lamp、sunshading board lamp circuit diagram
Figure Headlamp adjustment、indoor lamp、trunk lamp、sunshading board lamp circuit diagram   (View)

View full Circuit Diagram | Comments | Reading(596)

Dongfeng Citroen Picasso(2.0L) saloon car front door motor-driven car window circuit diagram

Published:2011/4/7 21:18:00 Author:muriel | Keyword: Dongfeng Citroen Picasso, 2.0L, saloon car , front door motor-driven car window

Dongfeng Citroen Picasso(2.0L) saloon car front door motor-driven car window circuit diagram
Dongfeng Citroen Picasso(2.0L) saloon car front door motor-driven car window circuit diagram as shown   (View)

View full Circuit Diagram | Comments | Reading(806)

Dongfeng Citroen Picasso(2.0L) saloon car back door motor-driven car window circuit diagram

Published:2011/4/7 21:16:00 Author:muriel | Keyword: Dongfeng Citroen Picasso, 2.0L, saloon car , back door motor-driven car window

Dongfeng Citroen Picasso(2.0L) saloon car back door motor-driven car window circuit diagram
Dongfeng Citroen Picasso(2.0L) saloon car back door motor-driven car window circuit diagram as shown:   (View)

View full Circuit Diagram | Comments | Reading(1048)

Audi A6 saloon car 1.86 engine(ANQ) circuit diagram two

Published:2011/4/7 20:52:00 Author:muriel | Keyword: Audi, saloon car , 1.86 engine(ANQ)

Audi A6 saloon car 1.86 engine(ANQ) circuit diagram two
Air flowmeter、deflagration sensor、oxygen sensor、fuel injector electronic control unit、restrictor electronic control unit、ignition system circuit diagram as shown   (View)

View full Circuit Diagram | Comments | Reading(667)

Dongfeng Citroen Picasso(2.0L) saloon car central door lock circuit diagram

Published:2011/4/7 21:14:00 Author:muriel | Keyword: Dongfeng Citroen Picasso, 2.0L, saloon car, central door lock

Dongfeng Citroen Picasso(2.0L) saloon car central door lock circuit diagram
Dongfeng Citroen Picasso(2.0L) saloon car central door lock circuit diagram as shown   (View)

View full Circuit Diagram | Comments | Reading(3041)

Audi A6 saloon car 1.86 engine(ANQ) circuit diagram three

Published:2011/4/7 20:56:00 Author:muriel | Keyword: Audi, saloon car , 1.86 engine(ANQ)

Audi A6 saloon car 1.86 engine(ANQ) circuit diagram three
Fuel injector electronic control unit、engine oil grease surface/temperature probe、fuel pump relay、fuel pump and fuel gauge sensor circuit diagram as shown   (View)

View full Circuit Diagram | Comments | Reading(1698)

Audi A6 saloon car 1.86 engine(ANQ) circuit diagram four

Published:2011/4/7 21:04:00 Author:muriel | Keyword: Audi, saloon car, 1.86 engine(ANQ)

Audi A6 saloon car 1.86 engine(ANQ) circuit diagram four
Reversing light、engine cooling system、instrument assembly、burglar alarm sense coil、engine oil pressure monitoring and speedometer circuit diagram as shown   (View)

View full Circuit Diagram | Comments | Reading(1610)

Saloon car supplementary restraint system and pre tensioner seat belt circuit diagram

Published:2011/4/7 20:44:00 Author:muriel | Keyword: Dongfeng Citroen Picasso, 2.0L, saloon car, supplementary restraint system, pre tensioner seat belt

Saloon car supplementary restraint system and pre tensioner seat belt circuit diagram
Dongfeng Citroen Picasso(2.0L) saloon car supplementary restraint system and pre tensioner seat belt circuit diagram as shown   (View)

View full Circuit Diagram | Comments | Reading(1717)

Dongfeng Citroen Picasso(2.0L) saloon car lock brake system(ABS) circuit diagram

Published:2011/4/7 20:39:00 Author:muriel | Keyword: Dongfeng Citroen Picasso, 2.0L, saloon car , lock brake system(ABS)

Dongfeng Citroen Picasso(2.0L) saloon car lock brake system(ABS) circuit diagram
Dongfeng Citroen Picasso(2.0L) saloon car lock brake system(ABS) circuit diagram as shown   (View)

View full Circuit Diagram | Comments | Reading(1758)

Amplifier lamp adjustment circuit

Published:2011/4/7 21:01:00 Author:Nicole | Keyword: amplifier lamp, adjustment

Amplifier lamp adjustment circuit
When AC network is changing between 100V~140V, this circuit can provide 75W amplifier lamp or flood light with a 120V DC constant voltage. If it has not beyond the normal exposure time, then 150W is available. 500Ω potentiometer is used to adjust the lamp brightness. This circuit is series regulator, and it is a two-stage error amplifier composed of germanium PNP audio power transistor(should with radiator)and 12V zener diode used as reference voltage.   (View)

View full Circuit Diagram | Comments | Reading(1132)

Coincidence discriminator circuit

Published:2011/4/7 22:05:00 Author:Nicole | Keyword: coincidence discriminator

Coincidence discriminator circuit
If the input is A=B= 1 , then green LED emits. If A=B= 0 , then red LED emits. If one of A, B is high level, the other is low level, then all the indicator lights not light. This circuit can used to monitor complex logic circuit. MV5491 is red/green double LED, it is produced by Monsanto Company. The power supply is +5V, but the above resistance is 220Ω, the below resistance is 100Ω.   (View)

View full Circuit Diagram | Comments | Reading(613)

LED modulation circuit

Published:2011/4/6 23:00:00 Author:Nicole | Keyword: LED, modulation

LED modulation circuit
This circuit uses overlay transistor, the emitter of transistor is composed of some little launching zones, they are connected through covering a layer of metal above, so it can obtain high power output under high frequency. This circuit requires shielding. In communication system, it can be used to modulate light beam.   (View)

View full Circuit Diagram | Comments | Reading(989)

Floating charge charging circuit

Published:2011/4/7 22:16:00 Author:Nicole | Keyword: floating charge

Floating charge charging circuit
In floating charge, the battery is charged with small current, to keep the battery in state of full charging. Floating charge is widely used in electrical equipments, the equipments always adopt batteries as standby power supply or emergency power supply.   (View)

View full Circuit Diagram | Comments | Reading(1204)

Adjustable output integrated regulated power supply with temperature compensation

Published:2011/4/7 1:53:00 Author:Nicole | Keyword: regulated power supply, temperature compensation

Adjustable output integrated regulated power supply with temperature compensation
  (View)

View full Circuit Diagram | Comments | Reading(584)

Fixed output integrated regulated power supply circuit with output short circuit protection circuit

Published:2011/4/7 2:04:00 Author:Nicole | Keyword: fixed output, regulated power supply, short circuit protection

Fixed output integrated regulated power supply circuit with output short circuit protection circuit
  (View)

View full Circuit Diagram | Comments | Reading(515)

Pages:2149/2234 At 2021412142214321442145214621472148214921502151215221532154215521562157215821592160Under 20