Position: Home > Circuit Diagram > Index 2159
Low Cost Custom Prototype PCB Manufacturer

Circuit Diagram

Index 2159

Transistor TBZ363C20V8, TBZ363C5VV, TBZ363C6V4, TBZ363C7 V0 internal circuit diagram

Published:2011/3/31 22:49:00 Author:Rebekka | Keyword: Transistor , internal circuit

Transistor TBZ363C20V8, TBZ363C5VV, TBZ363C6V4, TBZ363C7 V0 internal circuit diagram
Transistor TBZ363C20V8, TBZ363C5VV, TBZ363C6V4, TBZ363C7 V0 internal circuit diagram is shown as below.   (View)

View full Circuit Diagram | Comments | Reading(621)

Buick combination instrument circuit diagram four

Published:2011/4/5 22:11:00 Author:muriel | Keyword: Buick , combination instrument

Buick combination instrument circuit diagram four
Figure Buick combination instrument circuit diagram four Welcome transshipment, the informations are come from Weiku e-market net( www.dzsc.com).   (View)

View full Circuit Diagram | Comments | Reading(493)

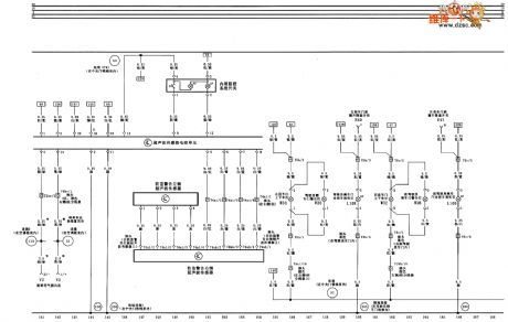
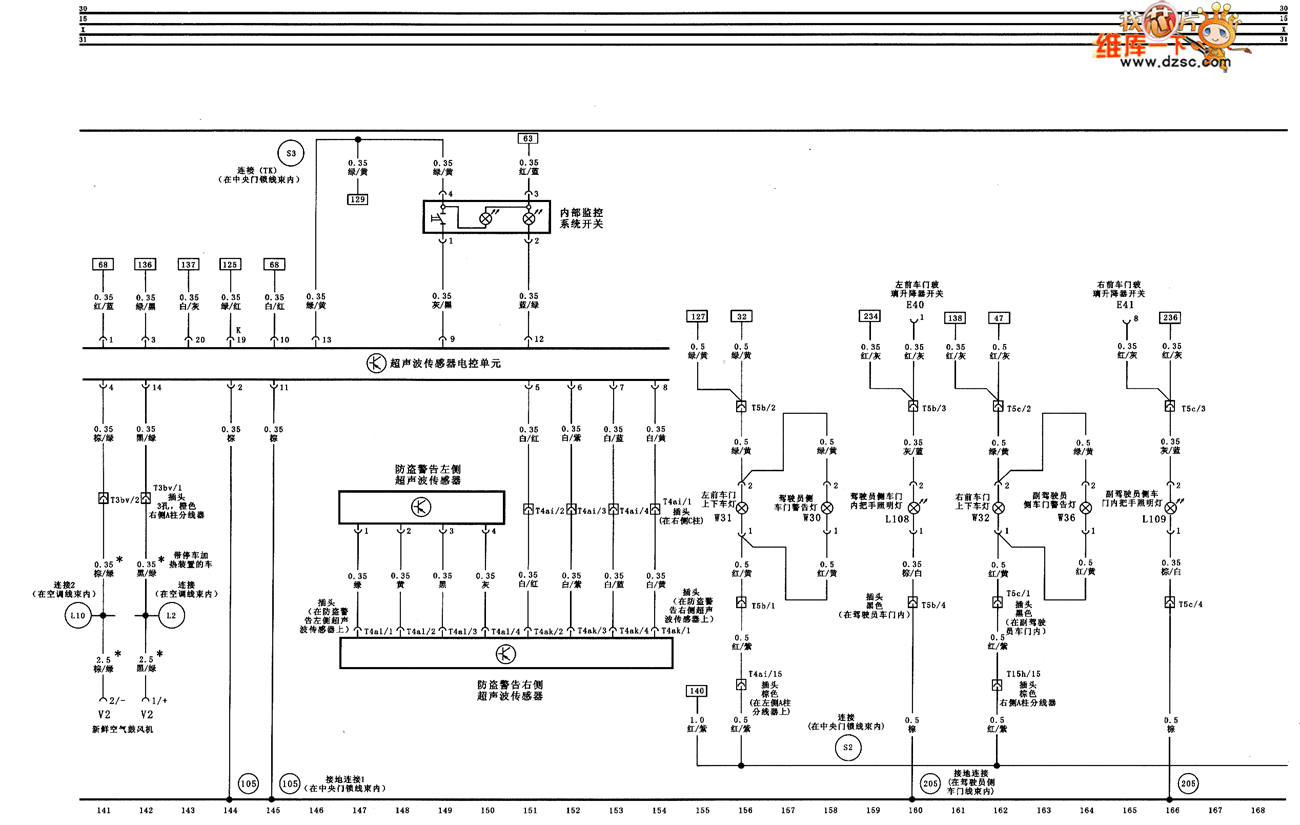
Audi A6 saloon car automatic transmission circuit diagram six

Published:2011/4/6 20:48:00 Author:muriel | Keyword: Audi, saloon car , automatic transmission

Audi A6 saloon car automatic transmission circuit diagram six
Ultrasonic transducer circuit unit、left front and right front car door up and down car light and car door inside handle floodlight circuit diagram as shownAudi Welcome transshipment, the informations are come from Weiku e-market net( www.dzsc.com).   (View)

View full Circuit Diagram | Comments | Reading(1628)

Transistor current control circuit diagram

Published:2011/3/31 22:52:00 Author:Rebekka | Keyword: Transistor current control

Transistor current control circuit diagram
Transistor current control circuit diagram is shown as below.   (View)

View full Circuit Diagram | Comments | Reading(1691)

Car reverse alarm circuit diagram

Published:2011/3/31 22:55:00 Author:Rebekka | Keyword: Car reverse alarm

Car reverse alarm circuit diagram
Car reverse alarm circuit diagram is shown as below.   (View)

View full Circuit Diagram | Comments | Reading(2737)

DC voltage regulation circuit diagram

Published:2011/4/1 0:53:00 Author:Rebekka | Keyword: DC voltage regulation

DC voltage regulation circuit diagram
DC voltage regulation circuit diagram is shown as below.   (View)

View full Circuit Diagram | Comments | Reading(761)

Using black and white TV as display terminal interface circuit diagram

Published:2011/4/1 2:51:00 Author:Rebekka | Keyword: display terminal interface

Using black and white TV as display terminal interface circuit diagram
The interface circuit is added between computer standard video signal output terminal and TV. It can enlarge standard 1V(Peak - peak) video signal am to 3V(Peak - peak). Negative feedback circuit is composed of T1 and T2. It has a wide frequency range. The enlarge time is decided by the ratio of R1 and R2.   (View)

View full Circuit Diagram | Comments | Reading(1898)

Buick combination instrument audio warning circuit diagram one

Published:2011/4/5 22:19:00 Author:muriel | Keyword: Buick , combination instrument, audio warning

Buick combination instrument audio warning circuit diagram one
Figure Buick combination instrument audio warning circuit diagram one Welcome transshipment, the informations are come from Weiku e-market net( www.dzsc.com).   (View)

View full Circuit Diagram | Comments | Reading(617)

Buick combination instrument audio warning circuit diagram two

Published:2011/4/5 22:20:00 Author:muriel | Keyword: Buick , combination instrument, audio warning

Buick combination instrument audio warning circuit diagram two
Figure Buick combination instrument audio warning circuit diagram two Welcome transshipment, the informations are come from Weiku e-market net( www.dzsc.com).   (View)

View full Circuit Diagram | Comments | Reading(480)

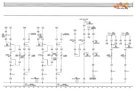
Audi A6 saloon car automatic transmission circuit diagram seven

Published:2011/4/6 20:44:00 Author:muriel | Keyword: Audi, saloon car, automatic transmission

Audi A6 saloon car automatic transmission circuit diagram seven
Car door warning lamp、car door handle floodlight、ashtray floodlight and feet pit lamp circuit diagram as shown Welcome transshipment, the informations are come from Weiku e-market net( www.dzsc.com).   (View)

View full Circuit Diagram | Comments | Reading(787)

Variable speed pick machine circuit diagram

Published:2011/4/1 1:03:00 Author:Rebekka | Keyword: Variable speed pick machine

Variable speed pick machine circuit diagram
Variable speed pick machine circuit diagram is shown as below.   (View)

View full Circuit Diagram | Comments | Reading(724)

Buick headlamp circuit diagram one

Published:2011/4/5 22:03:00 Author:muriel | Keyword: Buick , headlamp

Buick headlamp circuit diagram one
Figure Buick headlamp circuit diagram one Welcome transshipment, the informations are come from Weiku e-market net( www.dzsc.com).   (View)

View full Circuit Diagram | Comments | Reading(518)

Buick headlamp circuit diagram two

Published:2011/4/5 22:03:00 Author:muriel | Keyword: Buick, headlamp

Buick headlamp circuit diagram two
Figure Buick headlamp circuit diagram two Welcome transshipment, the informations are come from Weiku e-market net( www.dzsc.com).   (View)

View full Circuit Diagram | Comments | Reading(590)

Uncontrollable dual voltage circuit diagram

Published:2011/4/1 1:01:00 Author:Rebekka | Keyword: Uncontrollable dual voltage

Uncontrollable dual voltage circuit diagram
Uncontrollable dual voltage circuit diagram is shown as below.   (View)

View full Circuit Diagram | Comments | Reading(556)

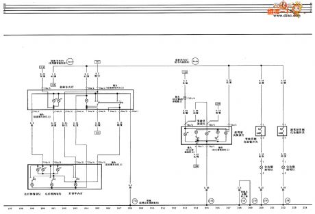
Audi A6 saloon car automatic transmission circuit diagram eight

Published:2011/4/6 20:35:00 Author:muriel | Keyword: Audi, saloon car , automatic transmission

Audi A6 saloon car automatic transmission circuit diagram eight
Forepart body light、front and rear reading light and cosmetic mirror floodlight circuit diagram as shown Welcome transshipment, the informations are come from Weiku e-market net( www.dzsc.com).   (View)

View full Circuit Diagram | Comments | Reading(736)

Buick foglight circuit diagram one

Published:2011/4/5 22:01:00 Author:muriel | Keyword: Buick, foglight

Buick foglight circuit diagram one
Figure Buick foglight circuit diagram one Welcome transshipment, the informations are come from Weiku e-market net( www.dzsc.com).   (View)

View full Circuit Diagram | Comments | Reading(622)

Anti-interference reset circuit diagram

Published:2011/4/1 0:59:00 Author:Rebekka | Keyword: Anti-interference reset

Anti-interference reset circuit diagram
Anti-interference reset circuit diagram is shown as below.   (View)

View full Circuit Diagram | Comments | Reading(664)

Dongfeng Citroen Picasso(2.0L) saloon car digital clock and outside temperature circuit diagram

Published:2011/4/5 22:09:00 Author:muriel | Keyword: Dongfeng Citroen Picasso, 2.0L, saloon car, digital clock , outside temperature

Dongfeng Citroen Picasso(2.0L) saloon car digital clock and outside temperature circuit diagram
Dongfeng Citroen Picasso(2.0L) saloon car digital clock and outside temperature circuit diagram as shown   (View)

View full Circuit Diagram | Comments | Reading(1445)

Resonance circuit diagram

Published:2011/4/1 0:57:00 Author:Rebekka | Keyword: Resonance

Resonance circuit diagram
Resonance circuit diagram is shown as below.   (View)

View full Circuit Diagram | Comments | Reading(872)

Buick foglight circuit diagram two

Published:2011/4/5 21:59:00 Author:muriel | Keyword: Buick, foglight

Buick foglight circuit diagram two
Figure Buick foglight circuit diagram two Welcome transshipment, the informations are come from Weiku e-market net( www.dzsc.com).   (View)

View full Circuit Diagram | Comments | Reading(449)

Pages:2159/2234 At 2021412142214321442145214621472148214921502151215221532154215521562157215821592160Under 20