Position: Home > Circuit Diagram > Index 2148
Low Cost Custom Prototype PCB Manufacturer

Circuit Diagram

Index 2148

0~30V Continuous adjustable integrated regulated voltage power supply

Published:2011/3/22 22:35:00 Author:muriel | Keyword: 0~30V , Continuous adjustable , integrated, regulated voltage power supply

0~30V Continuous adjustable integrated regulated voltage power supply
  (View)

View full Circuit Diagram | Comments | Reading(1227)

IGBT switch equivalent circuit and open wave form

Published:2011/4/8 1:19:00 Author:may | Keyword: IGBT switch, equivalent, open wave form

IGBT switch equivalent circuit and open wave form
(a) equivalent circuit(b) open wave form   (View)

View full Circuit Diagram | Comments | Reading(2001)

0V to 35V regulated voltage power supply circuit

Published:2011/3/22 22:33:00 Author:muriel | Keyword: regulated voltage power supply circuit, 0V to 35V

0V to 35V regulated voltage power supply circuit
  (View)

View full Circuit Diagram | Comments | Reading(541)

IGBT concentrate over current protection principle diagram

Published:2011/4/8 1:16:00 Author:may | Keyword: IGBT, concentrate, over current protection

IGBT concentrate over current protection principle diagram
  (View)

View full Circuit Diagram | Comments | Reading(852)

IGBT collector over current detection circuit

Published:2011/4/8 1:13:00 Author:may | Keyword: IGBT, collector, over current detection

IGBT collector over current detection circuit
(a) using resistor to detect over current (b) using current transformer to detect over current (c) detect over current by UCE(sat) (d) through load current to detect over current   (View)

View full Circuit Diagram | Comments | Reading(1786)

Power module unit diagram of IGBT and fly-wheel diode

Published:2011/4/8 1:07:00 Author:may | Keyword: IGBT, fly-wheel diode, Power module

Power module unit diagram of IGBT and fly-wheel diode
(a) is single switch module; (b) is two unit (half bridge) module; (c) is H bridge (single phase bridge) module; (d) is asymmetrical H bridge module; (e) is three phase bridge (six unit or inverter bridge) module; (f) is chopping module (g) is chopping module (h) is three phase bridge GD add chopping GAL (braking chopper circuit) module; (i) is three unit module, consists of three group switch; (j) is single switch add collector end series diode ( negative direction disconnecting switch) module; (k) is single switch add emitter end series diode (negative direction disconnecting switch) module; (l) is two unit module, with series diode (negative direction disconnecting switch).   (View)

View full Circuit Diagram | Comments | Reading(3604)

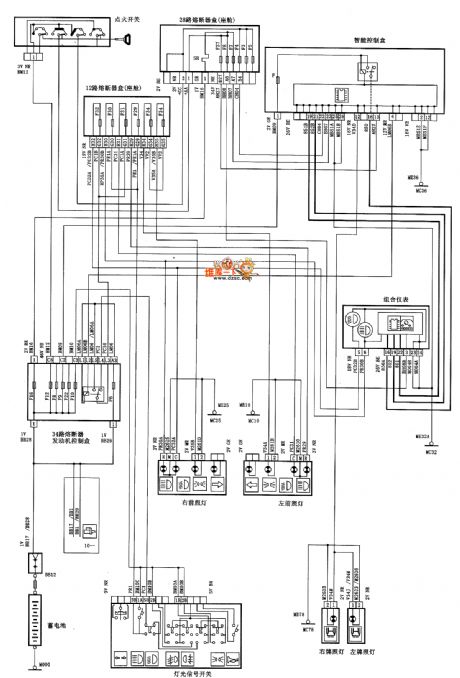
Dongfeng Citroen Picasso(2.0L) saloon car headlamp circuit diagram

Published:2011/4/7 22:47:00 Author:muriel | Keyword: Dongfeng Citroen Picasso, 2.0L, saloon car , headlamp

Dongfeng Citroen Picasso(2.0L) saloon car headlamp circuit diagram
Dongfeng Citroen Picasso(2.0L) saloon car headlamp circuit diagram as shown   (View)

View full Circuit Diagram | Comments | Reading(693)

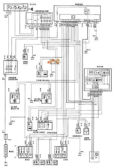
Dongfeng Citroen Picasso(2.0L) saloon car interior lighting circuit diagram

Published:2011/4/7 22:44:00 Author:muriel | Keyword: Dongfeng Citroen Picasso, 2.0L, saloon car , interior lighting

Dongfeng Citroen Picasso(2.0L) saloon car interior lighting circuit diagram
Dongfeng Citroen Picasso(2.0L) saloon car interior lighting circuit diagram as shown   (View)

View full Circuit Diagram | Comments | Reading(1209)

Dongfeng Citroen Picasso(2.0L) saloon car engine water temperature circuit diagram

Published:2011/4/7 22:45:00 Author:muriel | Keyword: Dongfeng Citroen Picasso, 2.0L, saloon car , engine water temperature

Dongfeng Citroen Picasso(2.0L) saloon car engine water temperature circuit diagram
Dongfeng Citroen Picasso(2.0L) saloon car engine water temperature circuit diagram as shown   (View)

View full Circuit Diagram | Comments | Reading(1276)

IGBT scattering overcurrent protection principle diagram

Published:2011/4/8 0:51:00 Author:may | Keyword: scattering overcurrent protection

IGBT scattering overcurrent protection principle diagram
  (View)

View full Circuit Diagram | Comments | Reading(925)

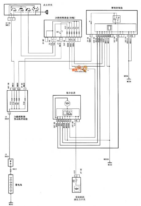
Dongfeng Citroen Picasso(2.0L) saloon car engine machine oil pressure circuit diagram

Published:2011/4/7 22:43:00 Author:muriel | Keyword: Dongfeng Citroen Picasso, 2.0L, saloon car, engine machine oil pressure

Dongfeng Citroen Picasso(2.0L) saloon car engine machine oil pressure circuit diagram
Dongfeng Citroen Picasso(2.0L) saloon car engine machine oil pressure circuit diagram as shown   (View)

View full Circuit Diagram | Comments | Reading(882)

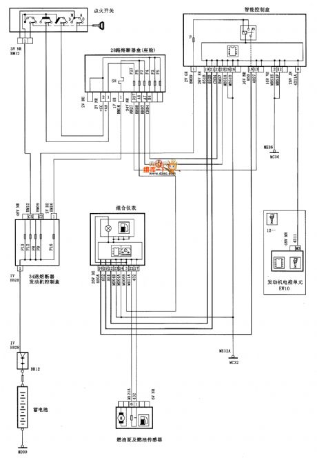
Dongfeng Citroen Picasso(2.0L) saloon car fuel gauge circuit diagram

Published:2011/4/7 22:20:00 Author:muriel | Keyword: Dongfeng Citroen Picasso, 2.0L, saloon car , fuel gauge

Dongfeng Citroen Picasso(2.0L) saloon car fuel gauge circuit diagram
Dongfeng Citroen Picasso(2.0L) saloon car fuel gauge circuit diagram as shown   (View)

View full Circuit Diagram | Comments | Reading(952)

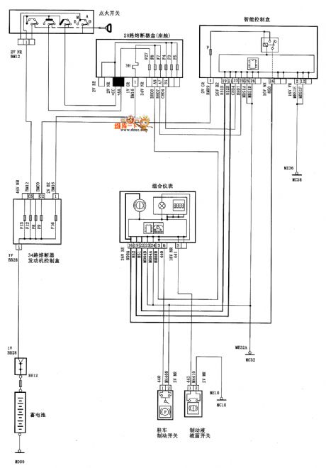
Saloon car brake fluid surface and parking braking indicator light circuit diagram

Published:2011/4/7 22:19:00 Author:muriel | Keyword: Saloon car , brake fluid surface, parking braking indicator light, Dongfeng Citroen Picasso, 2.0L

Saloon car brake fluid surface and parking braking indicator light circuit diagram
Dongfeng Citroen Picasso(2.0L) saloon car brake fluid surface and parking braking indicator light circuit diagram as shown   (View)

View full Circuit Diagram | Comments | Reading(1254)

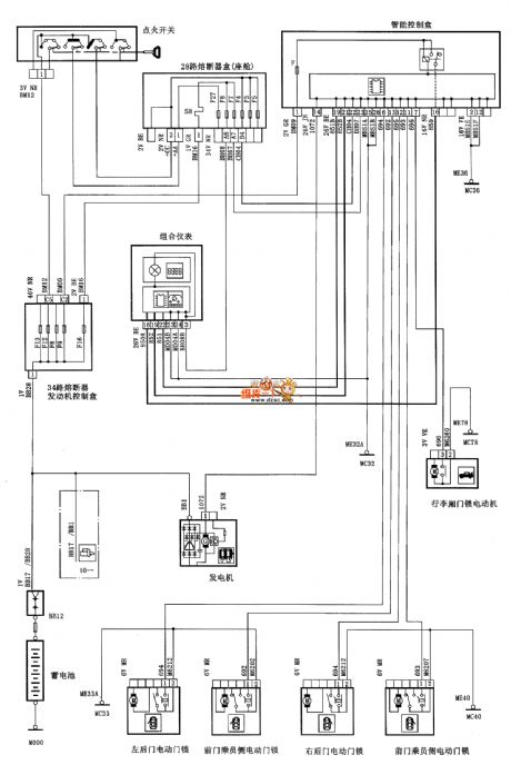
Dongfeng Citroen Picasso(2.0L) saloon car door switch information circuit diagram

Published:2011/4/7 22:10:00 Author:muriel | Keyword: Dongfeng Citroen Picasso, 2.0L, saloon car , door switch

Dongfeng Citroen Picasso(2.0L) saloon car door switch information circuit diagram
Dongfeng Citroen Picasso(2.0L) saloon car door switch information circuit diagram as shown   (View)

View full Circuit Diagram | Comments | Reading(756)

FAW bora (1.8L) saloon car coolant temperature instruction and solenoid valve circuit diagram

Published:2011/4/7 22:07:00 Author:muriel | Keyword: FAW bora , 1.8L, saloon car , coolant temperature instruction, solenoid valve

FAW bora (1.8L) saloon car coolant temperature instruction and solenoid valve circuit diagram
FAW bora (1.8L) saloon car coolant temperature instruction and solenoid valve circuit diagram as shown   (View)

View full Circuit Diagram | Comments | Reading(625)

FAW bora (1.8L) saloon car starting locking、reversing light and automatic transmission unit circuit diagram

Published:2011/4/7 21:48:00 Author:muriel | Keyword: FAW bora , 1.8L, saloon car , starting locking, reversing light , automatic transmission unit

FAW bora (1.8L) saloon car starting locking、reversing light and automatic transmission unit circuit diagram
FAW bora (1.8L) saloon car starting locking、reversing light and automatic transmission unit circuit diagram as shown   (View)

View full Circuit Diagram | Comments | Reading(872)

Air-conditioner switch、internal recycle solenoid valve、front foglight and cigar lighter circuit diagram

Published:2011/4/7 22:00:00 Author:muriel | Keyword: Air-conditioner switch, internal recycle solenoid valve, front foglight, cigar lighter

Air-conditioner switch、internal recycle solenoid valve、front foglight and cigar lighter circuit diagram
Figure Air-conditioner switch、internal recycle solenoid valve、front foglight and cigar lighter circuit diagram   (View)

View full Circuit Diagram | Comments | Reading(793)

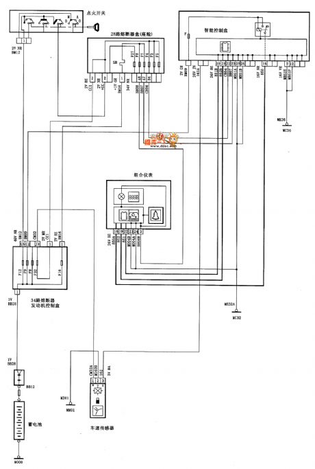
Dongfeng Citroen Picasso(2.0L) saloon car overspeed warning circuit diagram

Published:2011/4/7 21:39:00 Author:muriel | Keyword: Dongfeng Citroen Picasso, 2.0L, saloon car , overspeed warning

Dongfeng Citroen Picasso(2.0L) saloon car overspeed warning circuit diagram
Dongfeng Citroen Picasso(2.0L) saloon car overspeed warning circuit diagram as shown   (View)

View full Circuit Diagram | Comments | Reading(643)

Automatic gear shifting electronic control unit and gear lever locking solenoid valve circuit diagram

Published:2011/4/7 21:36:00 Author:muriel | Keyword: FAW bora , 1.8L, saloon car , Automatic gear shifting electronic control unit, gear lever locking solenoid valve

Automatic gear shifting electronic control unit and gear lever locking solenoid valve circuit diagram
FAW bora (1.8L) saloon car automatic gear shifting electronic control unit and gear lever locking solenoid valve circuit diagram as shown   (View)

View full Circuit Diagram | Comments | Reading(3312)

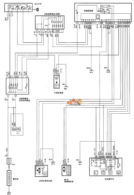
Dongfeng Citroen Picasso(2.0L) saloon car front wiper and front air window cleaning circuit diagram

Published:2011/4/7 21:30:00 Author:muriel | Keyword: Dongfeng Citroen Picasso, 2.0L, saloon car, front wiper, front air window

Dongfeng Citroen Picasso(2.0L) saloon car front wiper and front air window cleaning circuit diagram
Dongfeng Citroen Picasso(2.0L) saloon car front wiper and front air window cleaning circuit diagram as shown   (View)

View full Circuit Diagram | Comments | Reading(717)

Pages:2148/2234 At 2021412142214321442145214621472148214921502151215221532154215521562157215821592160Under 20