Published:2011/3/31 1:48:00 Author:Rebekka | Keyword: Digital paging system


Transmitter circuit:
Receiving circuit:
(View)
View full Circuit Diagram | Comments | Reading(1779)
Published:2011/4/5 20:35:00 Author:muriel | Keyword: Audi , saloon car , mobile telephone
Audi A6 saloon car mobile telephone circuit diagram as shown:
Welcome transshipment, the informations are come from Weiku e-market net( www.dzsc.com). (View)
View full Circuit Diagram | Comments | Reading(551)
Published:2011/4/5 20:35:00 Author:muriel | Keyword: Audi, saloon car, mobile telephone
Audi A6 saloon car mobile telephone circuit diagram(continuous figure) as shown:
Welcome transshipment, the informations are come from Weiku e-market net( www.dzsc.com). (View)
View full Circuit Diagram | Comments | Reading(591)
Published:2011/4/5 20:34:00 Author:muriel | Keyword: Audi , saloon car , super bass speaker
Audi A6 saloon car super bass speaker circuit diagram as shown:
Welcome transshipment, the informations are come from Weiku e-market net( www.dzsc.com). (View)
View full Circuit Diagram | Comments | Reading(1633)
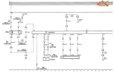
Published:2011/4/5 20:34:00 Author:muriel | Keyword: Tianjin VIOS, power supply, electromotor , generator
Tianjin VIOS power supply、electromotor and generator circuit diagram as shown:
Welcome transshipment, the informations are come from Weiku e-market net( www.dzsc.com). (View)
View full Circuit Diagram | Comments | Reading(849)
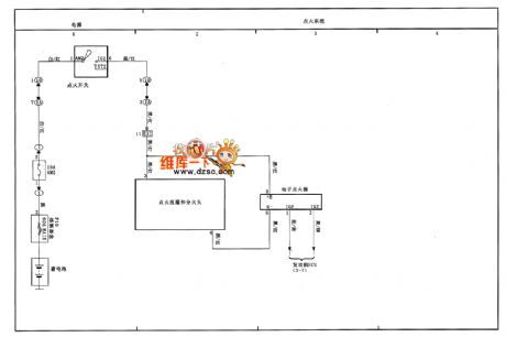
Published:2011/4/5 20:34:00 Author:muriel | Keyword: Tianjin VIOS , ignition system
Tianjin VIOS ignition system circuit diagram as shown:
]
Welcome transshipment, the informations are come from Weiku e-market net( www.dzsc.com). (View)
View full Circuit Diagram | Comments | Reading(759)
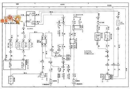
Published:2011/4/5 20:34:00 Author:muriel | Keyword: Tianjin VIOS , engine control
Tianjin VIOS engine control circuit diagram as shown:
Welcome transshipment, the informations are come from Weiku e-market net( www.dzsc.com). (View)
View full Circuit Diagram | Comments | Reading(1384)
Published:2011/3/31 3:04:00 Author:Rebekka | Keyword: Home guard, Electronic dog
Electronic dog is kind of alarm device that uses microwave sensor module RD627 as induction device. The monitor area is about 100 square meters. Electronic dog will bark and eyes will sparkle like a real dog.
(View)
View full Circuit Diagram | Comments | Reading(1138)
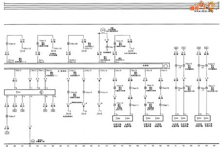
Published:2011/4/5 20:34:00 Author:muriel | Keyword: Tianjin VIOS, engine control
Tianjin VIOS engine control circuit diagram(first) as shown:
Welcome transshipment, the informations are come from Weiku e-market net( www.dzsc.com). (View)
View full Circuit Diagram | Comments | Reading(1306)
Published:2011/3/31 2:39:00 Author:Rebekka | Keyword: microwave alarm
RD627 is a kind of sensor that uses doppler effect principle. It can convert moving objects displacement signals into corresponding signals. It can be widely used in automatic lights, automatic doors, moving objects counter, automatic switches and burglar alarm and other devices. Composed of RD627 microwave alarm circuit diagram is shown as below.
(View)
View full Circuit Diagram | Comments | Reading(1401)
Published:2011/3/31 2:10:00 Author:Rebekka | Keyword: Remote doorbell
The picture(a) shows the remote control transmitter circuit;
The picture(b) shows the remote control receiver circuit.
(View)
View full Circuit Diagram | Comments | Reading(987)
Published:2011/3/31 1:35:00 Author:Rebekka | Keyword: Automatic lights
View full Circuit Diagram | Comments | Reading(609)
Published:2011/3/31 1:31:00 Author:Rebekka | Keyword: wireless and infrared remote control , remote energy saving lamp
View full Circuit Diagram | Comments | Reading(1460)
Published:2011/3/31 1:23:00 Author:Rebekka | Keyword: Remote control system
View full Circuit Diagram | Comments | Reading(426)
Published:2011/3/31 1:16:00 Author:Rebekka | Keyword: LCD simple air-conditioner remote control
View full Circuit Diagram | Comments | Reading(3781)
Published:2011/4/6 2:22:00 Author:Jessie | Keyword: forced locks open
View full Circuit Diagram | Comments | Reading(531)
Published:2011/3/31 3:28:00 Author:Rebekka | Keyword: Sixteenth Street control circuit
Sixteenth street control circuit composed of the second decoding output control circuit. Connect an bistable circuit that composed of dual D flip-flop CD4013 to every output terminal of the sixteen decoding. Connect a DC relay on each output terminals of bistable circuit.
(View)
View full Circuit Diagram | Comments | Reading(1515)
Published:2011/3/31 1:05:00 Author:Rebekka | Keyword: Samsung color TV control
View full Circuit Diagram | Comments | Reading(2446)
Published:2011/3/31 1:01:00 Author:Rebekka | Keyword: Air-conditioner control
View full Circuit Diagram | Comments | Reading(820)
Published:2011/3/31 0:59:00 Author:Rebekka | Keyword: air conditioner remote control
View full Circuit Diagram | Comments | Reading(3063)
| Pages:2166/2234 At 2021612162216321642165216621672168216921702171217221732174217521762177217821792180Under 20 |