Published:2011/5/26 1:15:00 Author:Christina | Keyword: low power consumption, RF transceiver
The MAX489/491 is designed as one kind of low power consumption RF transceiver that can be used in the RS-485 and RS-422 standard communications, it has the short-circuit current limiting function. The driver part's output port is in the high impedance state when it gets into the hot standby state, so it can prevent the overload of load; the receiver part's input port has the safety function to prevent the opening circuit, and it can undertake full-duplex communication. The MAX489/491 uses the conversion rate driver to minimize the electromagnetic interference, and it also has the inhibiting effect to the reflection which is caused by the not appropriate port-connection of the cables, so there is no error when it is transmitting the data in the high speed of 250Kb/s, the driver's highest changing rate can reach 2.5 Mb/s, so it can be used in the industrial automatic control data transmission application.
(View)
View full Circuit Diagram | Comments | Reading(1128)
Published:2011/5/26 7:17:00 Author:Christina | Keyword: A/D, converter, microprocessor, general interface
View full Circuit Diagram | Comments | Reading(627)
Published:2011/6/10 21:38:00 Author:qqtang | Keyword: infrared remote controller, integrated circuit


MT8803 is an infrared remote controller integrated circuit, which often forms the fan remote control system with the remote signal receiver circuit MR8181 and the fan single chip integrated circuit MH8822, such as the Great Wall fan and the like. MT8803 is in 16-pin dual line package, whose typical application circuit is shown in the figure, and its pin functions and data are listed in the figure.
The typical application circuit of MT8803 The pin functions and data of MT8803
(View)
View full Circuit Diagram | Comments | Reading(914)
Published:2011/6/10 21:47:00 Author:qqtang | Keyword: multi-system sound process, single chip




1.function featuresMSP3410B contains the A/D converting circuit, D/A converting circuit, I2C general and I2C general connector circuit, S general connector circuit, sound demodulation circuit, NICAM decoding circuit, audio output shifting circuit and other additional function circuit. The internal circuit of MSP3410B is shown in the figure.
The internal circuit of MSP3410B2.pin functions and dataMSP3410B is in 68-pin square package, whose pin functions and data are listed in the table.The pin functions and data of MSP3410B
(View)
View full Circuit Diagram | Comments | Reading(785)
Published:2011/6/10 21:57:00 Author:qqtang | Keyword: integrated circuit, infrared remote signal receiver
MR8181 is an integrated circuit of the infrared remote signal receiver, which is often used with the remote emitter integrated circuit MT8803, fan single chip microcomputer integrated circuit MH8822, and they form the fan remote control system, such as the Great Wall fan and the like.1.pin functions and dataMR8181 is in 8-pin single line package, whose pin functions and data are listed in table 2.
The pin functions and data of MR8181
2.the typical application circuitThe typical application circuit of the remote signal receiver, which consists of MR8181, is shown in the figure of MH8822. (View)
View full Circuit Diagram | Comments | Reading(657)
Published:2011/6/10 22:22:00 Author:qqtang | Keyword: single door microcomputer, integrated circuit



1.function featuresMN1874876TSH consists of the clock oscillating circuit, CPU, reset circuit, key decoding circuit, screen display circuit, I2C general circuit and other affiliated function circuits.2.pin functions and dataMN1874876TSH is in 64-pin dual in-line package, whose internal circuit, pin functions and signal flow are shown in the figure, and the pin letter codes and data are listed in the table.
The internal circuit, pin functions and signal flow of MN1874876TSH
(View)
View full Circuit Diagram | Comments | Reading(587)
Published:2011/6/10 21:26:00 Author:qqtang | Keyword: spectral character
The sensor consists of the shell, light filter, heat electric element PZT, FET pipe, resistor and diode,etc. The light filter is installed at the window, which forms a infrared window. The light filter is a multi-film interference filter of 6μm, this filter has a high reflection ratio on sunlight and daylight lamp light that the short wave is under 5μm, but it has a high penetration on the infrared ray source(10μm) which is emitted by human bodies and higher than 6μm, the spectral characters are as shown in figure 26-62.
(View)
View full Circuit Diagram | Comments | Reading(681)
Published:2011/6/10 21:30:00 Author:qqtang | Keyword: construction circuit, infrared sensor
Figure: The construction circuit of heat-release electric infrared sensor (View)
View full Circuit Diagram | Comments | Reading(557)
Published:2011/5/25 21:15:00 Author:Christina | Keyword: data interface, driver, receiver, combination
The DS14185 is composed of three drivers and five receivers, it has the DC-DC converter and does not need the +12V power supply. The DS14185 has the noise filter inside, so there is no need to add the rate conversion filter capacitance. The DS14185 can be used in the applications of the data terminal equipment (DTE) and the data circuit terminal equipment (DCE). The drive input port and the receiver output port is compatible with the TTL or CMOS circuit. From the data terminal equipment (DTE)'s transmission interface to the data circuit terminal equipment (DCE)'s transmission interface, there are nine pins, among them there are two data lines and six control lines. The data lines are the TXD and RXD, and the control line are the RTS、DTR、DSRT、DCE、CTS、RI. The DS14185 supplies the DTE interface, the wiring method is as shown in the figure. (View)
View full Circuit Diagram | Comments | Reading(726)
Published:2011/6/8 1:45:00 Author:Christina | Keyword: Single chip, microcomputer, integrated circuit


The MNl52811TZX is designed as one kind of single chip microcomputer integrated circuit that is produced by the Panasonic corporation, and it can be used in the domestic and imported color TVs which use the Panasonic machine.
1.Features
The MN152811TZX integrated circuit is composed of the central processing unit (CPU), the clock oscillating circuit, the reset control circuit, the key instruction decoder circuit, the I2C bus control circuit, the remote control command signal processing circuit, the screen display circuit, the standby/boot control circuit, the mode selection circuit, the single-frequency control circuit and other control and auxiliary function circuits.
2.Pin functions and data
The MN152811TZX is in the 42-pin dual in-line package, the internal circuit block diagram and the signal flow are as shown in the figure, the pin-letter code and the data is as shown in the table.
The internal circuit block diagram and the signal flow of the MN152811TZX
The pin-letter code and the data of the MN152811TZX
(View)
View full Circuit Diagram | Comments | Reading(1468)
Published:2011/6/8 1:49:00 Author:Christina | Keyword: single chip, microcomputer, integrated circuit
The MN152810TZN is designed as one kind of single chip microcomputer integrated circuit that is produced by the Panasonic corporation, also it can be used in the large screen color TVs which are produced by the Panasonic corporation.
The MN152810TZN integrated circuit is in the 52-pin double-row type package, the pin functions and data is as shown in the table.
The pin functions and data of the MN152810TZN.
(View)
View full Circuit Diagram | Comments | Reading(713)
Published:2011/6/8 1:58:00 Author:Christina | Keyword: single chip, microcomputer, integrated circuit


The MN15281OTTD4 is designed as one kind of single chip microcomputer integrated circuit that is produced by the Panasonic corporation, also it can be used in the large screen color TVs which are produced by the Panasonic corporation.
The MN15281OTTD4 integrated circuit is in the 52-pin double-row type package, the pin functions and data is as shown in the table.
The pin functions and data of the MN15281OTTD4.
(View)
View full Circuit Diagram | Comments | Reading(541)
Published:2011/6/2 23:16:00 Author:Seven | Keyword: phone repairer
View full Circuit Diagram | Comments | Reading(546)
Published:2011/6/3 0:06:00 Author:Seven | Keyword: high quality, stereo power amplifier
In Figure 19-22 is a simple circuit which consists of a TDA2310 dual preamplifier integrated circuit and a TDA2004 dual-audio power amplifier. The output power may reach 2*10W, and the supply voltage is 14.4V.
(View)
View full Circuit Diagram | Comments | Reading(2156)
Published:2011/6/2 23:13:00 Author:Seven | Keyword: computer fan
View full Circuit Diagram | Comments | Reading(6655)
Published:2011/6/3 Author:Seven | Keyword: power amplifier, Wilson tube amplifier
View full Circuit Diagram | Comments | Reading(877)
Published:2011/6/2 23:01:00 Author:Seven | Keyword: hotplate circuit
View full Circuit Diagram | Comments | Reading(738)
Published:2011/6/3 0:17:00 Author:Seven | Keyword: security device, photocouplers
View full Circuit Diagram | Comments | Reading(570)
Published:2011/6/2 23:56:00 Author:Seven | Keyword: dialing circuit
In Figure 11.3 is a key dialing circuit which is made of DF320. When the phone is picked up, the circuit is on. The NPN VT2 is conducting due to the input basic polarity of R2, and VT1 is also conducting, so the power supply charges C2 to 0.7V by R3 and VD1. When the LEV reaches the minimum working voltage of VDD, DF320 is linked to the power supply, and the circuit is reset by C1 and R8. The telephone net is linked to the circuit by VT1, and DF320 net, as an impedance, connects with the phone in the parallel way.
(View)
View full Circuit Diagram | Comments | Reading(688)
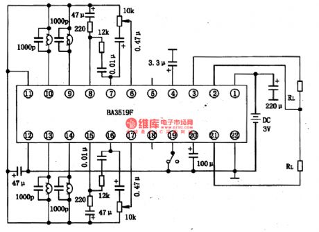
Published:2011/5/14 22:17:00 Author:Borg | Keyword: integrated reproducing circuit, single door stereo



BA3519F is an integrated reproducing circuit of single door stereo produced by Toyo Corp., Japan, which is widely used in stereo monoplayers or portable radios.1.the internal circuit and pin functions of BA3519F BA3519F contains dual heads and dual amplifiers. In front of the dual heads, there are electronic switches converting the signals of two sides of cassettes, so the IC is often used in walk-man with the functions of auto reversing, such as Aiwa walk-man and so on.BA3519F is in flat 22-lead dual line package.
(View)
View full Circuit Diagram | Comments | Reading(1023)
| Pages:205/250 At 20201202203204205206207208209210211212213214215216217218219220Under 20 |