Published:2011/5/18 22:17:00 Author:Borg | Keyword: integrated reproducing circuit, single door


BA3502F is an integrated reproducing circuit of single door stereo produced by Toyo Power Tool Corp., Japan, which is used in ultra-small and ultra-slim radios.1.the internal circuit and pin functions of BA3502FThe internal circuit of BA3502F consists two lines of identical preamplifier circuits, power amplifier circuit, tape running direction switching and displaying circuits and tape type selecting circuits, which is a integrated reproducing circuit of multiple functions.The internal circuit and typical application circuit of BA3502F are listed in Figure 1.
(View)
View full Circuit Diagram | Comments | Reading(793)
Published:2011/5/18 3:54:00 Author:Borg | Keyword: integrated circuit, 3-phase, motor driver


1.the internal circuitAN8482SB contains sub-circuits of Hall position information matrix, logic control, selective distributor, differentia amplifier, 3-phase motor driver, FG comparison and starting/stopping, in addition, it has has a functions of overhead protection. The internal circuit is shown in Figure 1.
2.pin functions and dataAN8482SB is in flat 28-lead package with cooling fins, whose pin functions and data are listed in Table 1, and the data were got from tests on TCL DVD一250O.
(View)
View full Circuit Diagram | Comments | Reading(836)
Published:2011/5/18 3:40:00 Author:Borg | Keyword: integrated circuit, front-end processor



AN8706FHQ is an integrated circuit of DVD front-end processor produced by Panasonic especially for its CR2一DV3 DVD player.1.function featuresThe main function of AN8706FHQ is that it can convert the signals which are delivered and magnified by laser heads into synchronous RF digital signals, besides ,it also shifts the disc information read out by laser heads into focus error and track error signals for the sub-circuits. The internal circuit of it is as shown in Figure 1.
2.pin functions and dataThe pin functions and data are listed in Table 1.
(View)
View full Circuit Diagram | Comments | Reading(728)
Published:2011/5/15 5:04:00 Author:Borg | Keyword: preamplifier, reproducing circuit


BA3406AL is an integrated dual preamplifier reproducing circuit produced by Toyo Power Tool Corp., Japan, which is used in recorders and music centers.the internal circuit and pin functions of BA3406AL1.The internal circuit of BA3406AL consists of two lines of pre-amplifiers, mute circuits and metal strap compensate circuits of same functions. Whose internal circuit and pin functions are shown in Figure 1.
Figure 1 internal circuit and pin functions of BA3406AL2.Typical application circuit of BA3406ALThe working voltage of BA3406AL ranges 6-14V, typical application voltage is 8V.
(View)
View full Circuit Diagram | Comments | Reading(1467)
Published:2011/5/17 18:54:00 Author:TaoXi | Keyword: Temperature measurement, operational amplifier, differential amplifier
Related components PDF download:741BC107BC360BSY86 (View)
View full Circuit Diagram | Comments | Reading(572)
Published:2011/5/18 19:50:00 Author:John | Keyword: light control switch
This switch takes action within the above or below of a certain illumination. The typical application is the automatic switch for the early morning and evening lights. Figure (a) and (b) show the circuits which adopt two cadmium iodide photosensitive electric resistors with RPY20 . And the resistors are all directly powered by alternating current. 1KΩ resistance is used to reduce current ripple. And the resistance of relay coil is 21.8Ω. The pull-in voltage is 45V and the release voltage is 18V. And the contacted electrolytic capacitors cooperate to constitute the RC of 0.1S. Such is to reduce the short light flashes, to smooth output DC voltage of the diode rectifier and to prevent fibrillation of the relay.
(View)
View full Circuit Diagram | Comments | Reading(1188)
Published:2011/5/17 23:33:00 Author:Borg | Keyword: integrated microcomputer, single door



CXP912032 is a 16-bit integrated microcomputer circuit of CMOS single door produced by Sony for KHM-210AAA DVD.1.Function featuresCXP912032 contains 16 bit SPC9O0 CPU, 1281KB ROM and 6144 RAM. And it is also fixed with the series connector unit, 8 bit A/D and D/A transformer, 14 bit PWM, halt controller and servo-controlled circuit and clock circuit, etc.
Figure 1-1 the internal circuit of CXP912032
2.Pin functions and dataCXP912032 is in 100-lead QFP package.Table 1-2 Pin functions and data of CXP912032
(View)
View full Circuit Diagram | Comments | Reading(533)
Published:2011/5/16 20:43:00 Author:Borg | Keyword: integrated reproducing circuit, single door
BA3515AFS is an integrated reproducing circuit of single door stereo produced by Toyo Power Tool Corp., Japan, whose pin functions and data are listed in Table 1.
Table 1 pin functions and data of BA3515AFS (View)
View full Circuit Diagram | Comments | Reading(480)
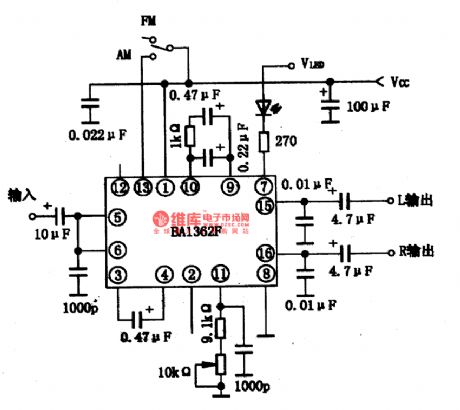
Published:2011/5/16 20:48:00 Author:Borg | Keyword: integrated circuit, PLL, frequency modulation(FM)



BA1362F is a stereo decoding integrated circuit of PLL frequency modulation produced by Toyo Power Tool Corp., Japan, which is used in micro radios of 1.5V as a decoding circuit.1.the internal circuit and pin functions of BA1362FBA1362 uses PLL technology, which can separate balance audio signals from compound stereo signals. It characterizes with advantages of low working voltage and good decompression function, and its gain can be adjusted to +2.5dB and 0dB. Since the internal of the input circuit is connected well, so the outward elements won't be necessary. The internal circuit of the chip is shown in Figure 1.
(View)
View full Circuit Diagram | Comments | Reading(1707)
Published:2011/5/14 8:22:00 Author:Borg | Keyword: reproducing circuit, single door stereo


BA3529BFis an integrated reproducing circuit of single door stereo produced by ROHM Corp., Japan, which is often used in Aiwa walk-man.1.main parameterspower supply voltage range:1.8-6V, typical voltage:3V.Maximum power: 750mW.Stereo spread:45dB.Output power of each channel:when the power supply voltage is 3V, RL=16Ω,THD=10%, the Po is 34mA。2.the internal circuitBA3529BF contains all the circuits that stereo radios need: 2-channel preamplifier, 2-channel power amplifier, mute circuit and electronic speed-stable circuit.
(View)
View full Circuit Diagram | Comments | Reading(530)
Published:2011/5/13 21:15:00 Author:Borg | Keyword: microcomputer circuit, single door


D17156CU is an integrated microcomputer circuit of single door, which is widely used in Fushibao cookers.1.function featuresD17156CU is used in Fushibao RZ-UTl8Y cookers produced by Hitachi Corp., Japan, whose typical application circuit is as shown in Figure 1-1. The chip can fulfill indefinite intelligent control of volumetric heating from buttom, ceiling and side.2.Pin functions and dataD17156CU is in 28-lead dual in-line package, whose pin functions and instructions are in Table 1-1. Table 1-1 pin functions and instructions of single door computer D17156CU
(View)
View full Circuit Diagram | Comments | Reading(713)
Published:2011/5/11 21:53:00 Author:Fiona | Keyword: voltage-current conversion


Circuit Work
OP amplifier A2 for the constant current output circuit, current sense resistor R11 produces a voltage at 0.4 ~ 2.0V. A2's input consists of two parts: 0.4V the home side and the input signal, when there is no signal, in order to make the offset is 0.4V, because R3 = 10R4, the VR2 's output voltage must be -4V. Since A2 bias is-0.4V,the A2 input signal must be 0 ~ 1.6V, the two parts together is equivalent to-0.04V ~ 2.0V. Increase the sensitive voltage to make the OP amplifier A1 as attenuator, and its magnification is 0.16.
Component selection
(View)
View full Circuit Diagram | Comments | Reading(3646)
Published:2011/5/17 5:41:00 Author:Joyce | Keyword: Eyesight Protection, Timer, Composed of 555
As shown in the figure is the eyesight protection timing circuit. This circuit uses 555 , R2, R3, R4 and C3 to constitute a pulser of variable duty ratio, which will control the bi-direction thyristor VS to make the desk lamp illume at a certain time and put out for a short time ,in order to ensure that the readers` eyes could get rest while reading to protect their eyesight.The desk lamp will put out for 10 minutes every 50 minutes.
(View)
View full Circuit Diagram | Comments | Reading(588)
Published:2011/5/17 5:33:00 Author:Joyce | Keyword: Simple , Long Timer, Composed of 555
As shown in the figure is the simple long timer circuit .Start timing by pressing the switch AN, and you can regulate PR to adjust the time span,which ranges from 3 minutes to 220 minutes. If the capacitance C is changed to 2200μF,the time range will be 40 minutes to 48 hours. feet③ of 555 outputs timing control signals . If you use this circuit to control higher power, you have to connect a relay between end B and C or end A and B.You should use relay contacts to control all kinds of timing loads. (View)
View full Circuit Diagram | Comments | Reading(876)
Published:2011/5/17 21:10:00 Author:Ecco | Keyword: amplifier , tube
Each channel only needs two tubes. The amplification effect is divided into two parts which is based on the network. The first part is the voltage amplification part and the latter part is the penultimatestage and power amplifier stage. VE1, VE2 select 6N2 high μ pipe to improve the machine sensitivity. The major technical indicators of voltage amplifier stage are amplification times and frequency distortion. 6N2 amplification factor is 97.5, which is enough to meet the local requirements. Using resistance-capacitance coupling, the amplification of intermediate region is in the largest times, amplitude frequency and phase frequency characteristics are very flat.
(View)
View full Circuit Diagram | Comments | Reading(1049)
Published:2011/5/17 3:31:00 Author:Borg | Keyword: integrated circuit, stable voltage
BA0331 is an 3.3v integrated circuit of three terminal stable voltage, which is widely used in DVD and PDVD player at home or abroad as the power supply circuit in decoding circuits.function featuresThe stable circuit of BA0331 is 3.3v, which is special, and it specially provides power for MPEG2 decoding circuits. If it is broken, it is hard to find a substitute. Therefore, it can be replaced by a LM317 voltage stabler with two distributing resistances, or we can string up an IN5401 and 1N5402 to reduce the voltage from 5v to 3.6v as the substitute of 3.3v.
(View)
View full Circuit Diagram | Comments | Reading(1452)
Published:2011/5/17 8:08:00 Author:Borg | Keyword: integrated circuit, 3-phase motor


AN8485SBEl- is an integrated circuit of 3-phase motor and loading motor drive (View)
View full Circuit Diagram | Comments | Reading(719)
Published:2011/5/17 8:42:00 Author:Borg | Keyword: signal processing, integrated circuit


AN8838SB is an integrated RF signal processing integrated circuit produced by Panasonic Corp., Japan, which is widely used in portable VCD players.1.function featuresAN8838SB is a energy-saving RF signal processing integrated circuit, which can shift the disc signals and state signals read out by laser heads into RF signals, in the meantime, it focuses errors and track error signals. The internal circuit of if is in Figure 1.
2.pin functions and dataAN8838SB is in 28-lead USONF package, whose working voltage ranges 2.4V-5.5V, and its pin functions are listed in Table 1.
(View)
View full Circuit Diagram | Comments | Reading(686)
Published:2011/5/17 7:52:00 Author:Borg | Keyword: integrated circuit, storage


AT24C08 is an integrated circuit of a storage, which is the memory chip of Changhong 51PT28A back projection color TV and TMP87CS38N single door microcomputer.1.function featuresAT24C08 contains 12C general circuits, E2PROM electrically erasable programmable ROM and digital byte address/calculator and other circuits. The internal circuit of it is shown in Figure 1.
Figure 1 internal circuit of AT24C08.2.pin functions and dataAT24C08 is in 8-lead dual in-line package, whose pin functions and data are listed in Table 1.
(View)
View full Circuit Diagram | Comments | Reading(881)
Published:2011/5/13 21:47:00 Author:Borg | Keyword: integrated circuit, digital reverberation



BA5096 is an integrated digital reverberation circuit of single door CMOS, which is commonly used in CD,VCD,DVD and all kinds of stereo system as processors of digital reverberation signals.1.The internal circuit and pin functions of BA5096BA5096 contains A/D converters and D/A converters. The delayed time is under the control of micro-processors. There is a VCO circuit that generates the clock in it , and the clock can be adjusted into a proper frequency. The IC is in 28-lead dual line package,whose pin functions and data are listed in Table 1.
(View)
View full Circuit Diagram | Comments | Reading(3568)
| Pages:218/250 At 20201202203204205206207208209210211212213214215216217218219220Under 20 |