Published:2011/6/3 6:52:00 Author:Seven | Keyword: DC converter circuit
View full Circuit Diagram | Comments | Reading(522)
Published:2011/6/5 8:51:00 Author:qqtang | Keyword: single chip microcomputer, integrated circuit
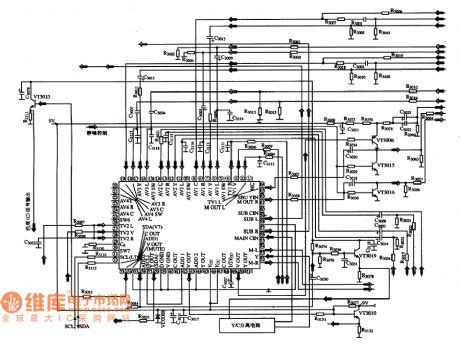
ST6367B1 FEJ is a single chip microcomputer integrated circuit, which is widely used in Konka large screen digital color TV.1.function featuresST6367B1 FEJ includes CPU, reset control circuit, clock oscillating clock, key order signal decoding circuit, I2C general control circuit, screen display circuit, remote signal process circuit, PAL/NTSC control circuit, and other control and additional circuits, whose internal circuit with pin functions and signal flow are shown in the figure.
(View)
View full Circuit Diagram | Comments | Reading(963)
Published:2011/6/3 7:35:00 Author:Seven | Keyword: Samsung, physical diagram
View full Circuit Diagram | Comments | Reading(889)
Published:2011/6/5 9:31:00 Author:qqtang | Keyword: electric switch, integrated circuit



SN103832APG is a massive multi-function electric switch integrated circuit, which is widely used in Panasonic high class large screen cores of M17V, M18M(with PIP function) and M19(with PIP function).1.function introduction SN103832APG includes shift switch, I2C general connector, audio shift switch, power supply circuit and other additional function circuit. Its internal circuit is shown in the following picture.2.pin functions and dataSN103832APG is in 64-pin flat square package, whose pin functions and data are listed in the table.
(View)
View full Circuit Diagram | Comments | Reading(746)
Published:2011/6/3 8:46:00 Author:Seven | Keyword: oxygen inhaler
View full Circuit Diagram | Comments | Reading(708)
Published:2011/6/5 9:40:00 Author:qqtang | Keyword: integrated circuit, switch power supply


SMR62000A is an integrated circuit of switch power supply thick film produced by SAMSUNG, which is widely used in large screen color TV sets, computer screen and disc player switch power supplies, such as Haier large screen color TV, etc.1.pin functions and dataSMR62000A is in single line pin package, whose pin functions and data are listed in the table.Pin functions and data of SMR62000A
2.typical application circuitThe typical application circuit of SMR62000A is listed in the figure.
The typical application of SMR62000A (View)
View full Circuit Diagram | Comments | Reading(1086)
Published:2011/6/8 7:36:00 Author:chopper | Keyword: 30 kHs bandwidth, isolation
This circuit uses A-8402V/F convertor whose linearity is ±0.05%,the greatest inversion frequency can reach 500KHZ,and the convertor can drive the LED of optoelectronic isolator.Another A-8402V/F module is used to convert the output of optoelectronic isolator into DC voltage accordingly.The power source is 12V ,and 5~18V is ok. (View)
View full Circuit Diagram | Comments | Reading(611)
Published:2011/6/4 7:06:00 Author:qqtang | Keyword: power amplifier, dual channel audio
TDA7263AM is an integrated power amplifier circuit of dual channel audio which is produced by Philips Corp., and it is widely used in Haier, Hisense and Skyworth large color TV.1. Pin functionsTDA7263AM consists of two teams of audio power amplifier circuits with same functions, silence/mute circuit or standby control circuit, overheat protect circuit and over-pressure circuit. Its working voltage range is wide, the output power is big(25w for each channel).2.pin functions and dataTDA7263AM is in 11-pin single in-line package.
(View)
View full Circuit Diagram | Comments | Reading(486)
Published:2011/6/4 7:36:00 Author:qqtang | Keyword: frequency splitting, integrated circuit




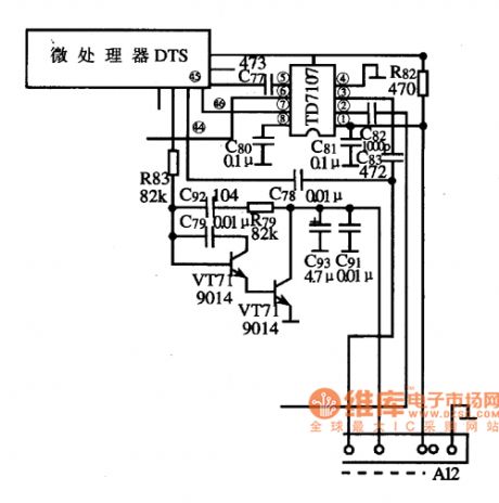
TD7101F is a preset frequency splitter in the digital modulation system of low-voltage power supply, whose maximum working power is 250MHZ.1. Function features TD7101F includes the frequency splitting circuit, the frequency splitting preset circuit and other additional function circuit. As the frequency of FM signal is 108MHz, and it is added with a middle frequency of 10.8MHz, so the maximum frequency of FM is 118.7MHz, usually, such a high frequency can not work in CMOS/PMOS. The function of TD7101F is to split the frequency, so that it will be lower than the working frequency of the integrated circuit.
(View)
View full Circuit Diagram | Comments | Reading(563)
Published:2011/6/4 8:25:00 Author:qqtang | Keyword: audio power amplifier, integrated circuit
1. Function featuresA few electric parameters of TDA7056A and TDA7056B are different, but their basic are the same, so they can substitute each other. In addition to a power amplifier circuit of 3.5WBTL, the IC can also control the sound volume, protect overheat and protect short circuit, and it characterizes wide voltage range(4.5-18v), few external elements and stable work, etc.2.pin functions and dataTDA7056A and TDA7056B are in 9-pin single line package, whose pin functions and data are shown in Table 1.Table 1. Pin functions and data of TDA705OWB
(View)
View full Circuit Diagram | Comments | Reading(2125)
Published:2011/6/5 2:00:00 Author:Seven | Keyword: energy-saving control
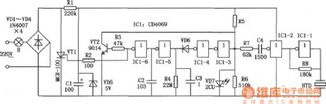
The light energy-saving control circuit can make the light be in OFF state in the daytime, when people walk by and make sounds at night, the light is working automatically, and it is power-saving and practical. It is suitable for the corridor lighting. In the following figure is the circuit of the controller.
(View)
View full Circuit Diagram | Comments | Reading(576)
Published:2011/6/4 7:48:00 Author:qqtang | Keyword: single chip, video amplifiers


TDA6120Q is an integrated circuit of single chip video amplifiers, which is produced by Philips Corp., and it is usually used in local and imported projection color TV, such as Changhong projection color TV.1.function features TDA6120 consists of feedback stage, amplifier circuit, I/V (current/voltage) converter circuit, current source circuit, pre-added heavy net circuit, negative current detection handle circuit, and buffer amplifier circuit and other additional function circuit, etc. The internal circuit of it is seen in Figure 1.
(View)
View full Circuit Diagram | Comments | Reading(751)
Published:2011/6/4 7:21:00 Author:qqtang | Keyword: integrated circuit, video amplifier



TDA6107Q is an integrated circuit of the single chip video amplifier which is produced by Philips Corp., and it is widely used in large screen color TV.1. Function featuresTDA6107Q consists of 3 lines of primary color(i.e R,G and B) signal amplifiers, it replaces the traditional video amplifiers of 3 separated lines. Its internal circuit is as shown in Figure 1.
2.pin functions and dataTDA6107Q is in 9-pin single-line package, whose pin functions and data are shown in Table 1.
Table 1 pin functions and data of TDA6107Q
(View)
View full Circuit Diagram | Comments | Reading(9724)
Published:2011/6/5 1:40:00 Author:Seven | Keyword: main board
View full Circuit Diagram | Comments | Reading(550)
Published:2011/6/5 1:46:00 Author:Seven | Keyword: main board
View full Circuit Diagram | Comments | Reading(518)
Published:2011/6/5 1:48:00 Author:Seven | Keyword: main board
View full Circuit Diagram | Comments | Reading(496)
Published:2011/6/2 2:53:00 Author:Seven | Keyword: trigger circuit, crystallizer pipe
View full Circuit Diagram | Comments | Reading(505)
Published:2011/6/5 1:38:00 Author:Seven | Keyword: main board
View full Circuit Diagram | Comments | Reading(532)
Published:2011/6/5 1:43:00 Author:Seven | Keyword: main board
View full Circuit Diagram | Comments | Reading(513)
Published:2011/6/5 1:22:00 Author:Seven | Keyword: main board
View full Circuit Diagram | Comments | Reading(491)
| Pages:208/250 At 20201202203204205206207208209210211212213214215216217218219220Under 20 |