Position: Home > Circuit Diagram > Amplifier Circuit > Index 250
Low Cost Custom Prototype PCB Manufacturer

Amplifier Circuit

Index 250



vacuum tube multipath audio mixing circuit 1

Published:2011/3/29 22:00:00 Author:may | Keyword: vacuum tube, multipath audio mixing

vacuum tube multipath audio mixing circuit 1
diagram:vacuum tube multipath audio mixing circuit 1   (View)

View full Circuit Diagram | Comments | Reading(1011)

ne5532 preamplifier circuit diagram

Published:2011/3/20 22:56:00 Author:Ecco | Keyword: preamplifier

ne5532 preamplifier circuit diagram
ne5532 preamplifier circuit diagram is as below:   (View)

View full Circuit Diagram | Comments | Reading(7052)

ne5532 Low noise amplifier circuit diagram 2

Published:2011/3/20 22:54:00 Author:Ecco | Keyword: Low noise amplifier

ne5532 Low noise amplifier circuit diagram 2
ne5532 Low noise amplifier circuit diagram 2 is below:   (View)

View full Circuit Diagram | Comments | Reading(3702)

ne5532 Low noise amplifier circuit diagram 1

Published:2011/3/20 22:54:00 Author:Ecco | Keyword: Low noise amplifier

ne5532 Low noise amplifier circuit diagram 1
ne5532 Low noise amplifier circuit diagram 1is as below:   (View)

View full Circuit Diagram | Comments | Reading(7741)

Stepping motor and semi-conductor laser drive circuit diagram

Published:2011/3/28 4:24:00 Author:Nicole | Keyword: stepping motor drive, semi-conductor laser drive

Stepping motor and semi-conductor laser drive circuit diagram
  (View)

View full Circuit Diagram | Comments | Reading(605)

1/10/100 kb light receiving circuit diagram

Published:2011/3/28 21:24:00 Author:Ecco | Keyword: 1/10/100 kb light receiving

1/10/100 kb light receiving circuit diagram
To choose different input components, the working velocity of receiving machine is different. The MC3405 in the figure including two operational amplifiers and two comparators, and it can be used as two channels receiver. The form in the figure is the pin connecting lines of each channel.   (View)

View full Circuit Diagram | Comments | Reading(461)

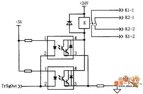
Dual optocoupler drive circuit diagram

Published:2011/3/28 2:23:00 Author:Nicole | Keyword: dual optocoupler drive

Dual optocoupler drive circuit diagram
  (View)

View full Circuit Diagram | Comments | Reading(708)

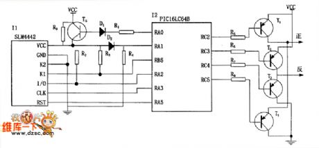
IC card interface and solenoid valve drive circuit diagram

Published:2011/3/28 2:14:00 Author:Nicole | Keyword: IC card interface, solenoid valve drive

IC card interface and solenoid valve drive circuit diagram
  (View)

View full Circuit Diagram | Comments | Reading(1196)

MOS switch tube drive circuit diagram

Published:2011/3/28 2:20:00 Author:Nicole | Keyword: switch tube drive

MOS switch tube drive circuit diagram
  (View)

View full Circuit Diagram | Comments | Reading(620)

Cut-off reverse bias drive circuit diagram of unipolar pulse transformer

Published:2011/3/28 2:18:00 Author:Nicole | Keyword: reverse bias drive, unipolar pulse transformer

Cut-off reverse bias drive circuit diagram of unipolar pulse transformer
  (View)

View full Circuit Diagram | Comments | Reading(1068)

Power MOSFET drive circuit diagram

Published:2011/3/28 2:19:00 Author:Nicole | Keyword: Power MOSFET drive

Power MOSFET drive circuit diagram
  (View)

View full Circuit Diagram | Comments | Reading(741)

Operational amplifier and inside function circuit diagram

Published:2011/3/20 22:48:00 Author:Ecco | Keyword: Operational amplifier, inside function

Operational amplifier and inside function circuit diagram
Operational amplifier and inside function circuit diagram is as the chart:   (View)

View full Circuit Diagram | Comments | Reading(643)

TA7240AP Internal Circuit Block Diagram and Main Parameters Schematic

Published:2011/3/20 20:58:00 Author:Joan | Keyword: Internal Circuit, Main Parameter

TA7240AP Internal Circuit Block Diagram and Main Parameters Schematic
  (View)

View full Circuit Diagram | Comments | Reading(837)

Vacuum tube multipath Audio mixing circuit diagram 2

Published:2011/3/21 0:47:00 Author:may | Keyword: Vacuum tube, multipath Audio mixing

Vacuum tube multipath Audio mixing circuit diagram 2
diagram: Vacuum tube multipath Audio mixing circuit diagram 2   (View)

View full Circuit Diagram | Comments | Reading(1899)

5.5W LF Integrated Amplifier Circuit

Published:2011/3/21 0:44:00 Author:may | Keyword: integrated amplifier

5.5W LF Integrated Amplifier Circuit
Here is the 5.5W LF Integrated Amplifier Circuit:   (View)

View full Circuit Diagram | Comments | Reading(699)

Vacuum Tube single End A Type 211 Power Amplifier Circuit

Published:2011/3/21 0:39:00 Author:may | Keyword: Vacuum Tube, single End, A Type, 211, Power Amplifier

Vacuum Tube single End A Type 211 Power Amplifier Circuit
diagram:Vacuum Tube single End A Type 211 Power Amplifier Circuit   (View)

View full Circuit Diagram | Comments | Reading(4188)

Pages:250/250 At 20241242243244245246247248249250